Видел только на каждой катушке отдельно.alexg-nn писал(а):Хорошо, а суппрессоры (варистор или RC-цепочка) при этом нужна для каждого контактора или одного хватит (раз они в параллель)?
Посоветуйте/покритикуйте по шкафу станка ЧПУ
- tooshka
- Почётный участник

- Сообщения: 1803
- Зарегистрирован: 24 окт 2012, 14:26
- Репутация: 209
- Настоящее имя: Андрей
- Откуда: Нижний Новгород
- Контактная информация:
Re: Посоветуйте/покритикуйте по шкафу станка ЧПУ
Милая, ты услышь меня
под окном стою со своим я ЧПУ! (Протяжно; с надрывом; форте)
Внимание!!! Чрезмерное увлечение ЧПУ приводит к проблемам в семейных отношениях!
под окном стою со своим я ЧПУ! (Протяжно; с надрывом; форте)
Внимание!!! Чрезмерное увлечение ЧПУ приводит к проблемам в семейных отношениях!
- alexg-nn
- Мастер
- Сообщения: 793
- Зарегистрирован: 08 фев 2015, 12:45
- Репутация: 127
- Настоящее имя: Алексей
- Откуда: Нижний Новгород
- Контактная информация:
Re: Посоветуйте/покритикуйте по шкафу станка ЧПУ
Вот и я тоже. Полагаю, что он должен располагаться как можно ближе к катушке. Плюс принцип модульности - он (суппрессор) рассчитывается только на "свой" контактор и ничего не знает о "соседях", пусть даже они сидят с ним параллельно.tooshka писал(а):Видел только на каждой катушке отдельно.
- tooshka
- Почётный участник

- Сообщения: 1803
- Зарегистрирован: 24 окт 2012, 14:26
- Репутация: 209
- Настоящее имя: Андрей
- Откуда: Нижний Новгород
- Контактная информация:
Re: Посоветуйте/покритикуйте по шкафу станка ЧПУ
Я так в последнее время смотрю на новых станках этой фигни почти не ставят - видимо ПО и опторазвязка справляется с дребезгом.
Милая, ты услышь меня
под окном стою со своим я ЧПУ! (Протяжно; с надрывом; форте)
Внимание!!! Чрезмерное увлечение ЧПУ приводит к проблемам в семейных отношениях!
под окном стою со своим я ЧПУ! (Протяжно; с надрывом; форте)
Внимание!!! Чрезмерное увлечение ЧПУ приводит к проблемам в семейных отношениях!
-
Александр_
- Мастер
- Сообщения: 1743
- Зарегистрирован: 24 дек 2013, 17:47
- Репутация: 122
- Контактная информация:
Re: Посоветуйте/покритикуйте по шкафу станка ЧПУ
я супрессор не стал ставить вообще (если честно, даже не знаю что это). ограничусь фильтром по питанию и большой УПС-кой для выравнивания напряжения
Заходите в гости: www.pandicon.net www.graver36.ru
- Serg
- Мастер
- Сообщения: 21923
- Зарегистрирован: 17 апр 2012, 14:58
- Репутация: 5183
- Заслуга: c781c134843e0c1a3de9
- Настоящее имя: Сергей
- Откуда: Москва
- Контактная информация:
Re: Посоветуйте/покритикуйте по шкафу станка ЧПУ
Правильнее будет так: желательно, чтобы он был ближе к катушке, чем контакты/транзистор, котоый её управляет.alexg-nn писал(а):Полагаю, что он должен располагаться как можно ближе к катушке.
На параллельные реле, если они стоят рядом достаточно одного супрессора.
Я не Христос, рыбу не раздаю, но могу научить, как сделать удочку...
-
Александр_
- Мастер
- Сообщения: 1743
- Зарегистрирован: 24 дек 2013, 17:47
- Репутация: 122
- Контактная информация:
Re: Посоветуйте/покритикуйте по шкафу станка ЧПУ
пока все перешло в фазу подключения и настройки электрики и электроники, а не компоновки шкафа - продолжу пока свою исходную тему.
Заходите в гости: www.pandicon.net www.graver36.ru
-
Александр_
- Мастер
- Сообщения: 1743
- Зарегистрирован: 24 дек 2013, 17:47
- Репутация: 122
- Контактная информация:
Re: Посоветуйте/покритикуйте по шкафу станка ЧПУ
пытаюсь добавить контур безопасности из сигналов Alarm в общий контур безопасности из кнопки Е-стоп и прочего.
пока не получается. какая должна быть логика работы? расскажу на примере одного сервопака. если сигнал АЛАРМ включен
в контур, то когда я пытаюсь включить силу, то ничего не включается - чтобы перемычка АЛАРМ в сервопаке замкнулась нужно подать
питание на сервопак, а это нельзя сделать т.к. этот разрыв питания в сервопаке и не дает включить силу.
пока не получается. какая должна быть логика работы? расскажу на примере одного сервопака. если сигнал АЛАРМ включен
в контур, то когда я пытаюсь включить силу, то ничего не включается - чтобы перемычка АЛАРМ в сервопаке замкнулась нужно подать
питание на сервопак, а это нельзя сделать т.к. этот разрыв питания в сервопаке и не дает включить силу.
Заходите в гости: www.pandicon.net www.graver36.ru
-
Александр_
- Мастер
- Сообщения: 1743
- Зарегистрирован: 24 дек 2013, 17:47
- Репутация: 122
- Контактная информация:
Re: Посоветуйте/покритикуйте по шкафу станка ЧПУ
так и я о том же! как же тогда правильно подключать эти сигналы АЛАРМ чтобы если какой-то из сервопаков выпадает в ошибку отрубалась силовая часть?
Заходите в гости: www.pandicon.net www.graver36.ru
-
Александр_
- Мастер
- Сообщения: 1743
- Зарегистрирован: 24 дек 2013, 17:47
- Репутация: 122
- Контактная информация:
Re: Посоветуйте/покритикуйте по шкафу станка ЧПУ
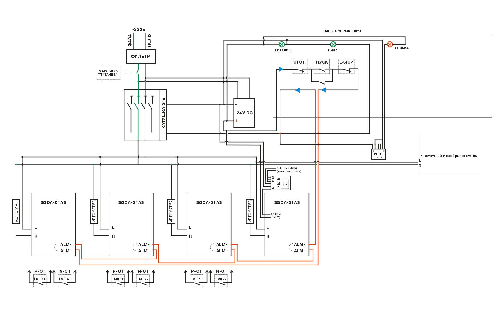
вот эту часть схемы сегодня пробовал подключить и оказалось, что она неверная.
сила не включается так как в каждом сервопаке перемычка не замкнута до тех пор, пока не подается питание и не погаснет красный индикатор на панели. как же тогда правильно сделать? без АЛАРМ-контура тоже нельзя работать - вырубится сервопак по ошибке - станок сам себя сломает
сила не включается так как в каждом сервопаке перемычка не замкнута до тех пор, пока не подается питание и не погаснет красный индикатор на панели. как же тогда правильно сделать? без АЛАРМ-контура тоже нельзя работать - вырубится сервопак по ошибке - станок сам себя сломает
Заходите в гости: www.pandicon.net www.graver36.ru
- alexg-nn
- Мастер
- Сообщения: 793
- Зарегистрирован: 08 фев 2015, 12:45
- Репутация: 127
- Настоящее имя: Алексей
- Откуда: Нижний Новгород
- Контактная информация:
Re: Посоветуйте/покритикуйте по шкафу станка ЧПУ
Так там принцип то простой - кнопка Пуск "шунтируется" группой контактов, которая замыкается при сигнале ALM. То есть, пока эта группа не замкнулась, цепь собрана через Пуск, а когда сервопаки завелись и кнопку отпустили - через замкнутые контакты реле линии ALM. Это нарисовано в мануале.
- Serg
- Мастер
- Сообщения: 21923
- Зарегистрирован: 17 апр 2012, 14:58
- Репутация: 5183
- Заслуга: c781c134843e0c1a3de9
- Настоящее имя: Сергей
- Откуда: Москва
- Контактная информация:
Re: Посоветуйте/покритикуйте по шкафу станка ЧПУ
А какой смысл в отдельных автоматах на каждый привод?
Я не Христос, рыбу не раздаю, но могу научить, как сделать удочку...
-
Александр_
- Мастер
- Сообщения: 1743
- Зарегистрирован: 24 дек 2013, 17:47
- Репутация: 122
- Контактная информация:
Re: Посоветуйте/покритикуйте по шкафу станка ЧПУ
чтобы при желании можно включать-выключать их. скажем, при настройке
Заходите в гости: www.pandicon.net www.graver36.ru
- Serg
- Мастер
- Сообщения: 21923
- Зарегистрирован: 17 апр 2012, 14:58
- Репутация: 5183
- Заслуга: c781c134843e0c1a3de9
- Настоящее имя: Сергей
- Откуда: Москва
- Контактная информация:
Re: Посоветуйте/покритикуйте по шкафу станка ЧПУ
А просто управляющий и/или питающий разъём вытащить религия не позволяет? 
Я не Христос, рыбу не раздаю, но могу научить, как сделать удочку...
- alexg-nn
- Мастер
- Сообщения: 793
- Зарегистрирован: 08 фев 2015, 12:45
- Репутация: 127
- Настоящее имя: Алексей
- Откуда: Нижний Новгород
- Контактная информация:
Re: Посоветуйте/покритикуйте по шкафу станка ЧПУ
Тогда цепь ALM не соберётся через обесточенный сервопак.Александр_ писал(а):чтобы при желании можно включать-выключать их. скажем, при настройке
-
Александр_
- Мастер
- Сообщения: 1743
- Зарегистрирован: 24 дек 2013, 17:47
- Репутация: 122
- Контактная информация:
Re: Посоветуйте/покритикуйте по шкафу станка ЧПУ
первоначально автоматы я поставил, посматривая на тему про модернизацию КФПЭ250. пока что было удобно и я пользовался автоматами. а вот про цепь аларм придется еще подумать - и правда она не соберется. но может и не нужно - основная суть автоматов все же защитная.
Заходите в гости: www.pandicon.net www.graver36.ru
- Serg
- Мастер
- Сообщения: 21923
- Зарегистрирован: 17 апр 2012, 14:58
- Репутация: 5183
- Заслуга: c781c134843e0c1a3de9
- Настоящее имя: Сергей
- Откуда: Москва
- Контактная информация:
Re: Посоветуйте/покритикуйте по шкафу станка ЧПУ
Автоматы защищают источник питания от неисправных потребителей, но никак не наоборот.Александр_ писал(а):основная суть автоматов все же защитная.
Я не Христос, рыбу не раздаю, но могу научить, как сделать удочку...
Re: Посоветуйте/покритикуйте по шкафу станка ЧПУ
Совсем правильно иметь две петли аларма. Первый просто запрещает движение(полное или частичное для отдельных осей или направлений) и аварийный, который отключает силу с приводов или весь станок входным автоматом с дополнительным электромагнитом отключения(например в случае пожара в станке).
-
Александр_
- Мастер
- Сообщения: 1743
- Зарегистрирован: 24 дек 2013, 17:47
- Репутация: 122
- Контактная информация:
Re: Посоветуйте/покритикуйте по шкафу станка ЧПУ
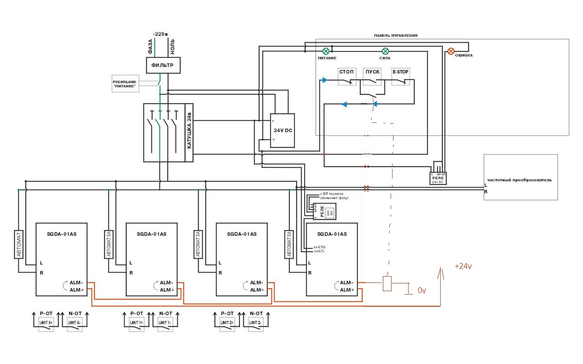
полдня убил на настройку ALARM - как-то неправильно работает.
собрал цепочку из 4 сервопаков - вывел с каждого 2 сигнала и соединил последовательно.
подключил все это в разрыв цепочки подхватывающего контакта кнопки "пуск" которая включает силовую часть. работает как-то неправильно.
1. во-первых я не пойму с самим сигналом ALARM - он допускает какие-то настройки? в сигмавине не нашел про него ничего. он как бы то есть то нет. все сервопаки грят зеленым - прозваниваю два конца цепочки ALARM - ничего. обрывов и плохих контактов нет - я проверял. тут же снова проверяешь, скажем, после включения-выключения - звонится. алгоритмя какого-то не выявил.
2. когда все работает (а значит, цепочка ALARM замкнута) вырубаю силу, выдергиваю один кабель энкодера, включаю. один сервопак горит красным, но сила не вырубается.
при этом если физически разорвать соединение в цепочке ALARM (расцепить провода) - все выключается номально. как так?
3. вообще - правильно вырубать всю силовую часть при ошибке? тут прозвучало мнение что вместо этого нужно снимать enable со всех сервопаков. это про цепочку S-ON?
собрал цепочку из 4 сервопаков - вывел с каждого 2 сигнала и соединил последовательно.
подключил все это в разрыв цепочки подхватывающего контакта кнопки "пуск" которая включает силовую часть. работает как-то неправильно.
1. во-первых я не пойму с самим сигналом ALARM - он допускает какие-то настройки? в сигмавине не нашел про него ничего. он как бы то есть то нет. все сервопаки грят зеленым - прозваниваю два конца цепочки ALARM - ничего. обрывов и плохих контактов нет - я проверял. тут же снова проверяешь, скажем, после включения-выключения - звонится. алгоритмя какого-то не выявил.
2. когда все работает (а значит, цепочка ALARM замкнута) вырубаю силу, выдергиваю один кабель энкодера, включаю. один сервопак горит красным, но сила не вырубается.
при этом если физически разорвать соединение в цепочке ALARM (расцепить провода) - все выключается номально. как так?
3. вообще - правильно вырубать всю силовую часть при ошибке? тут прозвучало мнение что вместо этого нужно снимать enable со всех сервопаков. это про цепочку S-ON?
Заходите в гости: www.pandicon.net www.graver36.ru
- Serg
- Мастер
- Сообщения: 21923
- Зарегистрирован: 17 апр 2012, 14:58
- Репутация: 5183
- Заслуга: c781c134843e0c1a3de9
- Настоящее имя: Сергей
- Откуда: Москва
- Контактная информация:
Re: Посоветуйте/покритикуйте по шкафу станка ЧПУ
Если тебе не интересно что именно за ошибка случилась, то можно вырубать...Александр_ писал(а):вообще - правильно вырубать всю силовую часть при ошибке?
Да, про S-ON.
По 1 и 2 почти ничего не понял по методике проверки... Но посоветовал-бы начать только с одного сервопака.
Я не Христос, рыбу не раздаю, но могу научить, как сделать удочку...