Подключение различных компонентов к плате Mesa 7I77

Работа с платами MESA, подключение, конфигурация.
Mehobr
Почётный участник
Почётный участник
Сообщения: 163
Зарегистрирован: 15 июн 2015, 00:20
Репутация: 18
Настоящее имя: Евгений
Контактная информация:

Re: Подключение различных компонентов к плате Mesa 7I77

Сообщение Mehobr »

nkp писал(а):не срабатывают герконы
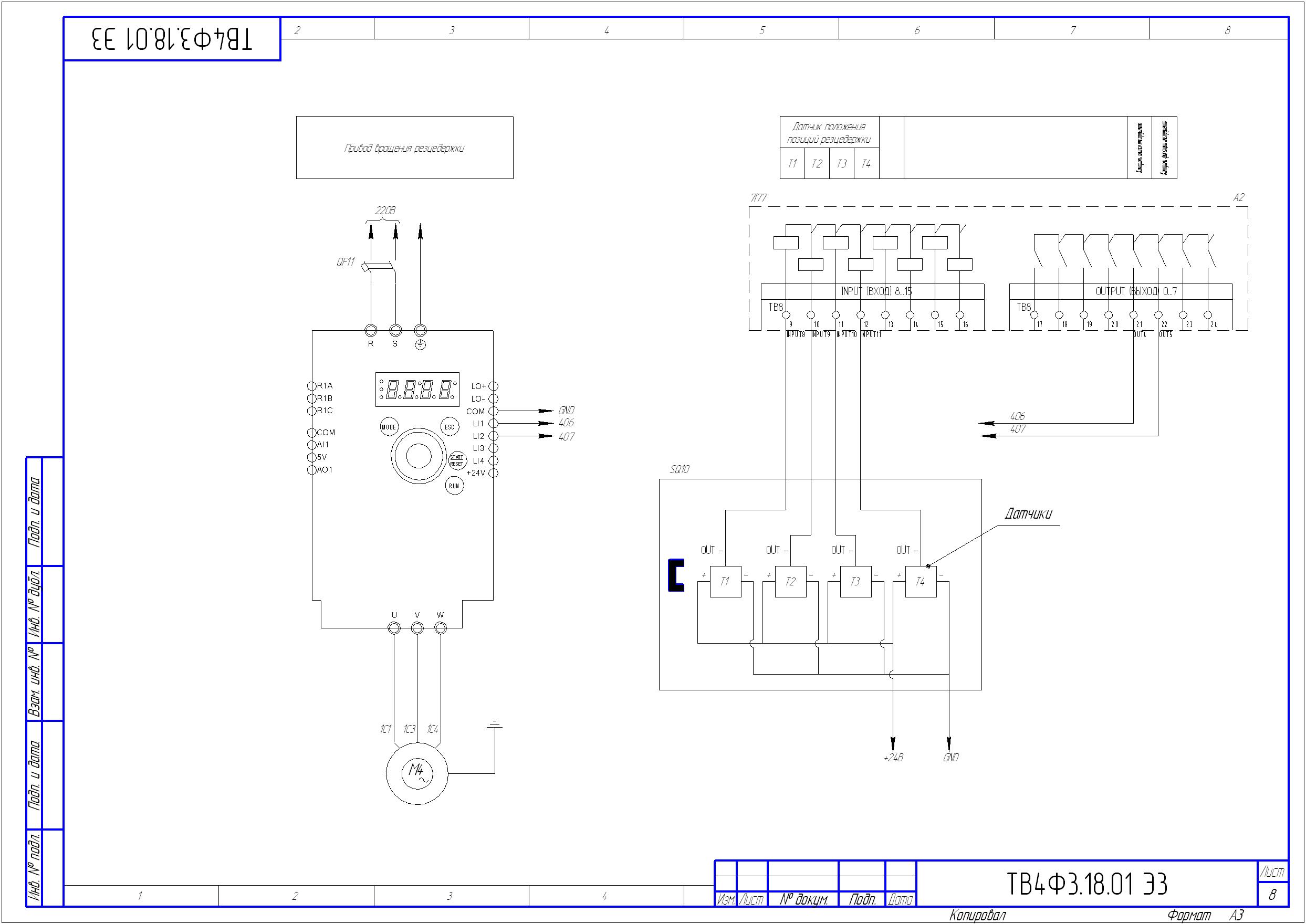
Герконы срабатывают, только вот, похоже, не правильно подключены. Первая схема с подключением датчиков которую я выше загрузил не верна! По факту подключено вот по этой схеме
ТВ4Ф3.Э3 Станок токарный с ЧПУ модели ТВ4Ф3(8).jpg (4698 просмотров) <a class='original' href='./download/file.php?id=170554&mode=view' target=_blank>Загрузить оригинал (276.86 КБ)</a>
Так, вот, если проверить мультиметром датчик, то между плюсовым проводом и сигнальным проводом OUT показывает напряжение 24В. Получается OUT - это "0", при срабатывании датчика на вход месы поступает 0В, а нужно я так понимаю чтобы на вход месы поступало +24В. Думаю теперь как подключить правильно.
nkp
Мастер
Сообщения: 8340
Зарегистрирован: 28 ноя 2011, 00:25
Репутация: 1589
Контактная информация:

Re: Подключение различных компонентов к плате Mesa 7I77

Сообщение nkp »

да нет разницы, каким уровнем они срабатывают - низким или высоким - лишь бы правильно срабатывали))
но вопросы остались -:
1.
в хал входы месы задействованы 8,9,10,11
net dat1 hm2_5i25.0.7i77.0.0.input-8 => classicladder.0.in-01 # получаем сигнал от датчика положения

net dat2 hm2_5i25.0.7i77.0.0.input-9 => classicladder.0.in-02 # получаем сигнал от датчика положения

net dat3 hm2_5i25.0.7i77.0.0.input-10 => classicladder.0.in-03 # получаем сигнал от датчика положения

net dat4 hm2_5i25.0.7i77.0.0.input-11 => classicladder.0.in-04 # получаем сигнал от датчика положения
а на твоей схеме
Выделение_021.png (4677 просмотров) <a class='original' href='./download/file.php?id=170580&mode=view' target=_blank>Загрузить оригинал (23.82 КБ)</a>
9,10,11,12
где несоответствие?
и даже это не поясняет - почему на ладдере ты не видишь срабатывания датчиков -
ведь в любом случае смена уровней есть(с 0 до 24в и наоборот) , а значит мы должны наблюдать это на схеме ладдера
2. есть возможность покрутить голову руками?(нет крыльчатки у двига?)
nkp
Мастер
Сообщения: 8340
Зарегистрирован: 28 ноя 2011, 00:25
Репутация: 1589
Контактная информация:

Re: Подключение различных компонентов к плате Mesa 7I77

Сообщение nkp »

если дело только в уровнях ,то можно пойти двумя путями:
использовать входы in_not
или
на схеме ладдера инвертировать входы
Выделение_022.png (4672 просмотра) <a class='original' href='./download/file.php?id=170581&mode=view' target=_blank>Загрузить оригинал (43.63 КБ)</a>
Mehobr
Почётный участник
Почётный участник
Сообщения: 163
Зарегистрирован: 15 июн 2015, 00:20
Репутация: 18
Настоящее имя: Евгений
Контактная информация:

Re: Подключение различных компонентов к плате Mesa 7I77

Сообщение Mehobr »

nkp писал(а):9,10,11,12
- на эти цифры можно не обращать внимание, ниже идут INPUT 8, 9, 10, 11
nkp писал(а):низким или высоким - лишь бы правильно срабатывали))
они срабатывают, когда кручу в ручную. А как инвертировать входы?
nkp
Мастер
Сообщения: 8340
Зарегистрирован: 28 ноя 2011, 00:25
Репутация: 1589
Контактная информация:

Re: Подключение различных компонентов к плате Mesa 7I77

Сообщение nkp »

Mehobr писал(а):они срабатывают, когда кручу в ручную
почему это не отображается на ладдере
на твоих скринах ладдера ни один датчик не сработавший(ни один не подкрашен красным)
как ты это объяснишь?
Mehobr
Почётный участник
Почётный участник
Сообщения: 163
Зарегистрирован: 15 июн 2015, 00:20
Репутация: 18
Настоящее имя: Евгений
Контактная информация:

Re: Подключение различных компонентов к плате Mesa 7I77

Сообщение Mehobr »

nkp писал(а):использовать входы in_not
здесь, можно поподробнее где это сделать
nkp писал(а):как ты это объяснишь?
я так понимаю из-за уровня сигнала, если поменяем должно работать
nkp
Мастер
Сообщения: 8340
Зарегистрирован: 28 ноя 2011, 00:25
Репутация: 1589
Контактная информация:

Re: Подключение различных компонентов к плате Mesa 7I77

Сообщение nkp »

Mehobr писал(а):я так понимаю из-за уровня сигнала, если поменяем должно работать
погоди - сейчас в любом положении головы на одном проводе 0v , на трех остальных 24v
правильно?
Mehobr
Почётный участник
Почётный участник
Сообщения: 163
Зарегистрирован: 15 июн 2015, 00:20
Репутация: 18
Настоящее имя: Евгений
Контактная информация:

Re: Подключение различных компонентов к плате Mesa 7I77

Сообщение Mehobr »

Попробую объяснить, как я проверяю:
Допустим, ставлю резцедержку в положение первого инструмента и мультиметром проверяю напряжение, один штекер ставлю на питающий провод +24В второй штекер на OUT первого датчика, напряжение есть, на остальных выходах датчиков нет напряжения.
Mehobr
Почётный участник
Почётный участник
Сообщения: 163
Зарегистрирован: 15 июн 2015, 00:20
Репутация: 18
Настоящее имя: Евгений
Контактная информация:

Re: Подключение различных компонентов к плате Mesa 7I77

Сообщение Mehobr »

nkp писал(а):на трех остальных 24v
правильно?
нет, на остальных нет напряжения.
nkp
Мастер
Сообщения: 8340
Зарегистрирован: 28 ноя 2011, 00:25
Репутация: 1589
Контактная информация:

Re: Подключение различных компонентов к плате Mesa 7I77

Сообщение nkp »

Mehobr писал(а):Попробую объяснить, как я проверяю:
а ты проверяй как все - один щуп на GND (0v , земля)
а второй - в ту точку - на которой хочешь произвести замер
так ты не будешь вводить в заблуждение читающих ;)
==============
я несколько раз пытаюсь донести одну мысль - как бы там ни было - на ладдере мы должны увидеть активные переклчения
вот твои входы датчиков
Выделение_023.png (4665 просмотров) <a class='original' href='./download/file.php?id=170582&mode=view' target=_blank>Загрузить оригинал (14.92 КБ)</a>
когда голова вращается (или стоит в каком то положении) один из них (или три) должны быть активными(красными цветом)
это наблюдается?
Mehobr
Почётный участник
Почётный участник
Сообщения: 163
Зарегистрирован: 15 июн 2015, 00:20
Репутация: 18
Настоящее имя: Евгений
Контактная информация:

Re: Подключение различных компонентов к плате Mesa 7I77

Сообщение Mehobr »

Если ставлю один щуп на GND (0v, земля) вторым щупом проверяю выходы (OUT) то в этом случаи ни на одном выходе датчиков нет напряжения.
nkp
Мастер
Сообщения: 8340
Зарегистрирован: 28 ноя 2011, 00:25
Репутация: 1589
Контактная информация:

Re: Подключение различных компонентов к плате Mesa 7I77

Сообщение nkp »

Mehobr писал(а):Если ставлю один щуп на GND (0v, земля) вторым щупом проверяю выходы (OUT) то в этом случаи ни на одном выходе датчиков нет напряжения.
а источник,питающий датчики и месу один?
GND датчиков и GND месы соединены?
Mehobr
Почётный участник
Почётный участник
Сообщения: 163
Зарегистрирован: 15 июн 2015, 00:20
Репутация: 18
Настоящее имя: Евгений
Контактная информация:

Re: Подключение различных компонентов к плате Mesa 7I77

Сообщение Mehobr »

nkp писал(а):а источник,питающий датчики и месу один?
один
nkp писал(а):GND датчиков и GND месы соединены?
соединены
nkp
Мастер
Сообщения: 8340
Зарегистрирован: 28 ноя 2011, 00:25
Репутация: 1589
Контактная информация:

Re: Подключение различных компонентов к плате Mesa 7I77

Сообщение nkp »

пока затык здесь
надо добиться работы датчиков
что это за датчики(какого типа)?
сначала по схеме я подумал , что герконы, еще и так уверенно кто то подтвердил это (выше)
потом это поменялось на индуктивные?
нет ли документации на голову? как она обзывается точно?
Mehobr
Почётный участник
Почётный участник
Сообщения: 163
Зарегистрирован: 15 июн 2015, 00:20
Репутация: 18
Настоящее имя: Евгений
Контактная информация:

Re: Подключение различных компонентов к плате Mesa 7I77

Сообщение Mehobr »

Тип датчика NPN, NO (нормально разомкнутый - при срабатывании выход соединяется с минусом питания).
Mehobr
Почётный участник
Почётный участник
Сообщения: 163
Зарегистрирован: 15 июн 2015, 00:20
Репутация: 18
Настоящее имя: Евгений
Контактная информация:

Re: Подключение различных компонентов к плате Mesa 7I77

Сообщение Mehobr »

Извиняюсь что не правильную информацию дал.
nkp
Мастер
Сообщения: 8340
Зарегистрирован: 28 ноя 2011, 00:25
Репутация: 1589
Контактная информация:

Re: Подключение различных компонентов к плате Mesa 7I77

Сообщение nkp »

Mehobr писал(а):Тип датчика NPN, NO (нормально разомкнутый - при срабатывании выход соединяется с минусом питания).
думаю тогда входы нужно подтянуть к +24v через резистор в несколько кОм (2кОм например)
Mehobr
Почётный участник
Почётный участник
Сообщения: 163
Зарегистрирован: 15 июн 2015, 00:20
Репутация: 18
Настоящее имя: Евгений
Контактная информация:

Re: Подключение различных компонентов к плате Mesa 7I77

Сообщение Mehobr »

nkp писал(а):нет ли документации на голову? как она обзывается точно?
LD4-CK0610-40 серия
Вложения
刀架说明书1.png (4657 просмотров) <a class='original' href='./download/file.php?id=170585&mode=view' target=_blank>Загрузить оригинал (890.4 КБ)</a>
说明书3.png (4657 просмотров) <a class='original' href='./download/file.php?id=170586&mode=view' target=_blank>Загрузить оригинал (1.24 МБ)</a>
说明书4.png (4657 просмотров) <a class='original' href='./download/file.php?id=170587&mode=view' target=_blank>Загрузить оригинал (1.09 МБ)</a>
nkp
Мастер
Сообщения: 8340
Зарегистрирован: 28 ноя 2011, 00:25
Репутация: 1589
Контактная информация:

Re: Подключение различных компонентов к плате Mesa 7I77

Сообщение nkp »

если по датчикам инфа точная,то делай подтяжку и вперед
Mehobr
Почётный участник
Почётный участник
Сообщения: 163
Зарегистрирован: 15 июн 2015, 00:20
Репутация: 18
Настоящее имя: Евгений
Контактная информация:

Re: Подключение различных компонентов к плате Mesa 7I77

Сообщение Mehobr »

Вот, так?
Вложения
1233.JPG (4650 просмотров) <a class='original' href='./download/file.php?id=170588&mode=view' target=_blank>Загрузить оригинал (20.66 КБ)</a>
Ответить

Вернуться в «MESA»