да это понятноMamont писал(а):Для данного станка точности 0.1мм по х-у хватит для большинства практических задач
CNC1310 фрезер по металлу (126x88x38)
- Lafayette
- Мастер
- Сообщения: 3514
- Зарегистрирован: 11 фев 2017, 21:25
- Репутация: 445
- Настоящее имя: Михаил
- Контактная информация:
Re: CNC1310 фрезер по металлу (126x88x38)
- Курдль
- Мастер
- Сообщения: 2174
- Зарегистрирован: 20 мар 2018, 16:55
- Репутация: 282
- Настоящее имя: Курдль Энтеропийский
- Откуда: Msk
- Контактная информация:
Re: CNC1310 фрезер по металлу (126x88x38)
У меня нет даже стрелочногоLafayette писал(а):стрелочного индикатора вполне хватит и выставить соосность и проверить точность.
Я бы так не сказал. В круг моих интересов входит изготовление или модернизация арматуры для фототехники, типа переходных колец и т.п.Mamont писал(а):Для данного станка точности 0.1мм по х-у хватит для большинства практических задач
Но я не уверен, что смогу довести этот центроискатель до нужной точности.
Мой сайт: https://cnc-hobby.ru
- Mamont
- Мастер
- Сообщения: 2005
- Зарегистрирован: 10 дек 2015, 12:21
- Репутация: 391
- Настоящее имя: Виталий
- Откуда: РБ Минск
- Контактная информация:
Re: CNC1310 фрезер по металлу (126x88x38)
В чем же проблема? Сделай дополнительный кронштейн рядом с креплением шпинделя, к нему и цепляешь центроискатель.Курдль писал(а): Я бы так не сказал. В круг моих интересов входит изготовление или модернизация арматуры для фототехники, типа переходных колец и т.п.
Но я не уверен, что смогу довести этот центроискатель до нужной точности.
http://www.cnc-club.ru/forum/download/f ... &mode=view
- Курдль
- Мастер
- Сообщения: 2174
- Зарегистрирован: 20 мар 2018, 16:55
- Репутация: 282
- Настоящее имя: Курдль Энтеропийский
- Откуда: Msk
- Контактная информация:
Re: CNC1310 фрезер по металлу (126x88x38)
Ну, как вариант. Только необходимо обеспечить этому кронштейну высокую жесткость и точно измерить дельту координат оси шпинделя и оси датчика.Mamont писал(а):В чем же проблема? Сделай дополнительный кронштейн рядом с креплением шпинделя, к нему и цепляешь центроискатель.
Мой сайт: https://cnc-hobby.ru
- sparklord
- Новичок
- Сообщения: 38
- Зарегистрирован: 20 апр 2019, 07:04
- Репутация: 1
- Контактная информация:
Re: CNC1310 фрезер по металлу (126x88x38)
Добрый день. Ознакомившись с немногочисленной информацией по cnc 1310, принял решение собрать себе такой станочек. Ставлю себе целью собрать станок с учетом всех полезных доработок и затратить на это, как можно меньше, финансовых вложений. Пока заказал из Китая ходовые винты на 300мм- ось Y, 200 мм - ось X, 150мм - ось Z (диаметр 7.9 мм с шагом 2мм однозаходная резьба) и отдельно три безлюфтовые пружинные гайки для них. В качестве основы для чертежа станка есть только изображения набора деталей с известного сайта. Есть предположение вырезать детали из оргстекла толщиной 9.5 мм(есть в наличии). Следующим этапом идет заказ направляющих валов d12мм (одним прутком на 1500 мм - буду резать) Все советы, кроме: "Собрать другой станок" приветствуются! 
Re: CNC1310 фрезер по металлу (126x88x38)
"ходовые винты диаметр 7.9 мм"
"детали из оргстекла толщиной 9.5 мм"
И вместо шпинделя карандаш!!!
"детали из оргстекла толщиной 9.5 мм"
И вместо шпинделя карандаш!!!
- Taganrog
- Мастер
- Сообщения: 1238
- Зарегистрирован: 15 апр 2015, 16:32
- Репутация: 284
- Настоящее имя: Евгений
- Откуда: Брянск
- Контактная информация:
Re: CNC1310 фрезер по металлу (126x88x38)
маркер. т.к. станок по металлу. а меркер на нем лучше рисует.nik0 писал(а):И вместо шпинделя карандаш!!!
- Курдль
- Мастер
- Сообщения: 2174
- Зарегистрирован: 20 мар 2018, 16:55
- Репутация: 282
- Настоящее имя: Курдль Энтеропийский
- Откуда: Msk
- Контактная информация:
Re: CNC1310 фрезер по металлу (126x88x38)
Это странно, т.к. информацию особо восторженной не назовешьsparklord писал(а):Ознакомившись с немногочисленной информацией по cnc 1310, принял решение собрать себе такой станочек.
Я Вам могу слить достоверную модель необходимых деталей.sparklord писал(а):В качестве основы для чертежа станка есть только изображения набора деталей с известного сайта.
Зачем заказали отдельные винты? В этом станке применены ШД с интегрированными валами. Это одно из его немногих достоинств. А Вам придется геморроиться с муфтами и их наверняка бракованными вариантами из Китая, которые будут давать биения.sparklord писал(а):Пока заказал из Китая ходовые винты на 300мм- ось Y, 200 мм - ось X, 150мм - ось Z
Вам кто-то сделал такое предложение? Воспользуйтесь! Но будьте готовы к тому, что фрезеровать металл на таком станке будет проблематично.sparklord писал(а):Есть предположение вырезать детали из оргстекла толщиной 9.5 мм(есть в наличии).
И вообще, я мало знаю о стойкости оргстекла к вибрациям и нагрузкам.
Если Вы планируете повторить конструкцию этого станка, то Вам придется не только резать полированные валы, а еще и сверлить их торцы точно по центру и нарезать в них резьбу М5. Если Вы получите "правильные" валы (из правильной цементированной стали), то сделать это будет не так-то просто.sparklord писал(а):Следующим этапом идет заказ направляющих валов d12мм (одним прутком на 1500 мм - буду резать)
И отдельный совет: не вздумайте повторять конструкцию каретки этого станка! Лучше возьмите за основу 1419. А еще лучше - возьмите за основу всю его конструкцию, заменив валы на рельсы, увеличив базу опоры портала и заменив профили стола на монолитную плиту.
Мой сайт: https://cnc-hobby.ru
- sparklord
- Новичок
- Сообщения: 38
- Зарегистрирован: 20 апр 2019, 07:04
- Репутация: 1
- Контактная информация:
Re: CNC1310 фрезер по металлу (126x88x38)
Спасибо за развернутый ответ. Да, я изучал информацию на Вашем сайте, но трудности меня не пугают. Винты отдельно заказывал из соображений экономии, так как Nema17 со встроенным винтом выходит намного дороже чем без оного. Геморрой с муфтами предчувствовал. Оргстекло буду фрезеровать сам на cnc3018, счастливым обладателем коего, являюсь уже почти год). Вы правы, валы отрезать пол-беды. Если не удастся рассверлить торцы, придется использовать накладные зажимные муфты. Про каретку я усвоил, читая эту тему и ваш сайт, на фотографиях ваш держатель шпинделя выглядит внушительно, скорее всего возьму за основу осьZ от 1419. Не уверен только, стоит ли городить портал для станочка таких габаритов?
За какие-либо размеры деталей, был-бы очень признателен - хотя бы знать, от чего плясать.
За какие-либо размеры деталей, был-бы очень признателен - хотя бы знать, от чего плясать.- Курдль
- Мастер
- Сообщения: 2174
- Зарегистрирован: 20 мар 2018, 16:55
- Репутация: 282
- Настоящее имя: Курдль Энтеропийский
- Откуда: Msk
- Контактная информация:
Re: CNC1310 фрезер по металлу (126x88x38)
Это от безысходности он такойsparklord писал(а):Про каретку я усвоил, читая эту тему и ваш сайт, на фотографиях ваш держатель шпинделя выглядит внушительно
В каком формате?sparklord писал(а):За какие-либо размеры деталей, был-бы очень признателен - хотя бы знать, от чего плясать.
Мой сайт: https://cnc-hobby.ru
- sparklord
- Новичок
- Сообщения: 38
- Зарегистрирован: 20 апр 2019, 07:04
- Репутация: 1
- Контактная информация:
Re: CNC1310 фрезер по металлу (126x88x38)
"Это от безысходности он такой
В комплекте со шпинделем был куда более внушительный, но присобачить к каретке 1310 его было невозможно."
Если его обрезать и рассверлить 2 новых отверстия вместо старых, вполне должен встать на тип Z от 1419, как я понял Sеlektor сделал подобный вариант каретки, правда на готовом решении комплектного держателя (или они у вас одинаковые по размерам, просто фото искажено?)
"В каком формате?"
Все что откроет Корел, Арткам, в принципе, могу поставить то, что потребуется для просмотра.
Если его обрезать и рассверлить 2 новых отверстия вместо старых, вполне должен встать на тип Z от 1419, как я понял Sеlektor сделал подобный вариант каретки, правда на готовом решении комплектного держателя (или они у вас одинаковые по размерам, просто фото искажено?)
"В каком формате?"
Все что откроет Корел, Арткам, в принципе, могу поставить то, что потребуется для просмотра.
- Курдль
- Мастер
- Сообщения: 2174
- Зарегистрирован: 20 мар 2018, 16:55
- Репутация: 282
- Настоящее имя: Курдль Энтеропийский
- Откуда: Msk
- Контактная информация:
Re: CNC1310 фрезер по металлу (126x88x38)
На предыдущем фото штатный кронштейн шпинделя. Обрезать его нет нужды. Я просто попросил поставщика шпинделя укомплектовать мою посылку другим кронштейном. Вообще, поставщики с Али охотно идут навстречу заказчику. От нестандартной комплектации до сверления отверстий и нарезки резьбы.sparklord писал(а):Если его обрезать и рассверлить 2 новых отверстия вместо старых, вполне должен встать на тип Z от 1419, как я понял Sеlektor сделал подобный вариант каретки, правда на готовом решении комплектного держателя (или они у вас одинаковые по размерам, просто фото искажено?)
Видимо да. Но у него и шпиндель другой, и кронштейн другой. Вроде он писал, что высота его 40 мм. А мне пришел высотой 29 мм.sparklord писал(а):Sеlektor сделал подобный вариант каретки, правда на готовом решении комплектного держателя
Выберите из списка ниже, что Вам подойдет. Я могу выгрузить в STL - его читают все, даже Windows 10. Но не знаю, имеет ли он способность обратного преобразования в чертеж и снятия размеров.sparklord писал(а):"В каком формате?"
Все что откроет Корел, Арткам, в принципе, могу поставить то, что потребуется для просмотра.
Но чисто мое мнение - если Вы планируете совершенствовать свое мастерство в фрезеровке, то Вам следует привыкать к созданию полноценных твердотельных моделей, а не полагаться на Арткам. Рекомендую установить бесплатный Fusion360, в нем моделировать и в нем же разрабатывать управляющие программы.
Мой сайт: https://cnc-hobby.ru
- sparklord
- Новичок
- Сообщения: 38
- Зарегистрирован: 20 апр 2019, 07:04
- Репутация: 1
- Контактная информация:
Re: CNC1310 фрезер по металлу (126x88x38)
Проверил dwg точно откроется, и в stl если можно, продублировать. Сегодня установлю Fusion360 - он прочитает родной формат SolidWorks?
Что скажете про 795 мотор в качестве шпинделя? Посадочное 44-45 мм. 24v-20000 об.
Что скажете про 795 мотор в качестве шпинделя? Посадочное 44-45 мм. 24v-20000 об.
- Курдль
- Мастер
- Сообщения: 2174
- Зарегистрирован: 20 мар 2018, 16:55
- Репутация: 282
- Настоящее имя: Курдль Энтеропийский
- Откуда: Msk
- Контактная информация:
Re: CNC1310 фрезер по металлу (126x88x38)
Fusion360 читает файлы SolidWorks. Сообщите, модели каких деталей Вам прислать.sparklord писал(а):Проверил dwg точно откроется, и в stl если можно, продублировать. Сегодня установлю Fusion360 - он прочитает родной формат SolidWorks?
Ничего не скажу, т.к. не имел такого. Штатный мотор моего станка 775. Он в исходном виде имел некоторый люфт в подшипниках, который со временем только увеличился. Если помножить этот факт на имеющие место в некоторых поставках дефекты патрона и цанги, то можно сделать выводы. Например, что для гравировки печатных плат он не подойдет. Вы уверены насчет 44-45 мм? Я не знаю такого стандарта. Не перепутали с диаметром магнитного экрана? К моему моторчику тоже такой прилагался, - он снимается перед установкой в кронштейн.sparklord писал(а):Что скажете про 795 мотор в качестве шпинделя? Посадочное 44-45 мм. 24v-20000 об.
Если Вы все разрабатываете с нуля и "сам себе хозяин" - то рекомендую рассчитывать на установку самых распространенных шпинделей 52 мм (у Selektor такой). Щеточный мотор-шпиндель обойдется всего в 2 раза дороже, чем поделка из моторчика для ручной дрели.
Мой сайт: https://cnc-hobby.ru
- sparklord
- Новичок
- Сообщения: 38
- Зарегистрирован: 20 апр 2019, 07:04
- Репутация: 1
- Контактная информация:
Re: CNC1310 фрезер по металлу (126x88x38)
Да вы правы родной диаметр 795-того без экрана 42мм. Посадочное под 775 моторчик на моем 3018 кстати на 45мм.
Детали только те, что планирую вырезать из акрила вместо дюралевых пластин - выше прикладывал рисунок комплектности с али(все, что красным цветом). Детали каретки Z скорее всего буду править, подгоняя под конструкцию 1419.
Детали только те, что планирую вырезать из акрила вместо дюралевых пластин - выше прикладывал рисунок комплектности с али(все, что красным цветом). Детали каретки Z скорее всего буду править, подгоняя под конструкцию 1419.
- Курдль
- Мастер
- Сообщения: 2174
- Зарегистрирован: 20 мар 2018, 16:55
- Репутация: 282
- Настоящее имя: Курдль Энтеропийский
- Откуда: Msk
- Контактная информация:
Re: CNC1310 фрезер по металлу (126x88x38)
Высылаю архив с моделями всех красных деталей станка. Дерзайте! Очень интересно посмотреть на результатsparklord писал(а):Детали только те, что планирую вырезать из акрила вместо дюралевых пластин - выше прикладывал рисунок комплектности с али(все, что красным цветом).
Настоятельно рекомендую проверить все размеры, особенно посадочных мест линейных подшипников и т.п. (они ведь у Вас есть).
Также при необходимости следует восполнить недостающие элементы, типа выемок под линейные валы, глубиной по 2 мм.
Для меня они были не принципиальны, поэтому я упростил модель, просто "укоротив" валы.
Посмотрите на картинке, где именно они есть:
- Вложения
-
- CNC1310_Red.zip
- (1.14 МБ) 315 скачиваний
Мой сайт: https://cnc-hobby.ru
- sparklord
- Новичок
- Сообщения: 38
- Зарегистрирован: 20 апр 2019, 07:04
- Репутация: 1
- Контактная информация:
Re: CNC1310 фрезер по металлу (126x88x38)
Благодарю. Выложу в этой теме процесс создания и готовый результат.
- Курдль
- Мастер
- Сообщения: 2174
- Зарегистрирован: 20 мар 2018, 16:55
- Репутация: 282
- Настоящее имя: Курдль Энтеропийский
- Откуда: Msk
- Контактная информация:
Re: CNC1310 фрезер по металлу (126x88x38)
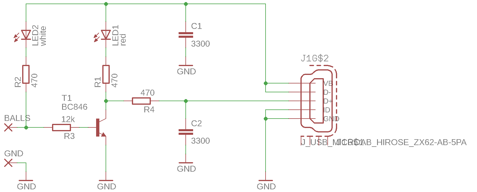
По просьбам трудящихся
выкладываю схему и трассировку печатной платы датчика касания.
Не считаю это никаким достижением в электронике и ценной интеллектуальной собственностью.
Схема не рассчитана, а собрана "на глазок" из элементов, которые нашлись в ящике.
И вообще - вся схема в основном служит на благо "дискотеке" - мигающим светодиодикам.
Разве что одно соображение в ней осмысленное - сигнал с контактной группы заведен на базу транзистора.
Это сделано в надежде повысить надежность. Дело в том, что плата луженая химическим способом (жидким оловом).
Химическим - чтобы не плодить неровности. А оловом - потому, что его оксиды являются полупроводниками.
Возможно, повысив чувствительность схемы, я повысил её надежность.
А конденсаторы - защита схемы от помех и наводок.
Во вложении схема, плата в формате Eagle, TopoR, .pdf
а также Gerber Exellon файлы. Есть и управляющие программы. Но это только для ознакомления, т.к. у вас наверняка будет другой инструмент.
Обозначения в них типа 02мм или 005мм значит диаметр 2мм и 0.5мм.
Не считаю это никаким достижением в электронике и ценной интеллектуальной собственностью.
Схема не рассчитана, а собрана "на глазок" из элементов, которые нашлись в ящике.
И вообще - вся схема в основном служит на благо "дискотеке" - мигающим светодиодикам.
Разве что одно соображение в ней осмысленное - сигнал с контактной группы заведен на базу транзистора.
Это сделано в надежде повысить надежность. Дело в том, что плата луженая химическим способом (жидким оловом).
Химическим - чтобы не плодить неровности. А оловом - потому, что его оксиды являются полупроводниками.
Возможно, повысив чувствительность схемы, я повысил её надежность.
А конденсаторы - защита схемы от помех и наводок.
Во вложении схема, плата в формате Eagle, TopoR, .pdf
а также Gerber Exellon файлы. Есть и управляющие программы. Но это только для ознакомления, т.к. у вас наверняка будет другой инструмент.
Обозначения в них типа 02мм или 005мм значит диаметр 2мм и 0.5мм.
- Вложения
-
- Touch_Probe_2_micro.zip
- (85.57 КБ) 268 скачиваний
Мой сайт: https://cnc-hobby.ru
- sparklord
- Новичок
- Сообщения: 38
- Зарегистрирован: 20 апр 2019, 07:04
- Репутация: 1
- Контактная информация:
Re: CNC1310 фрезер по металлу (126x88x38)
Пока жду свои валы на 12, поделюсь открытием:радиаторы охлаждения из ибп, идеально подходят к зажимам для заготовок. Нужно только просверлить три отверстия и в двух из них нарезать резьбу. Даже болтики идут в комплекте) Стоимость китайского зажима вместе с площадкой уж очень не демократичная.
-
Selektor
- Новичок
- Сообщения: 14
- Зарегистрирован: 02 фев 2018, 04:48
- Репутация: 2
- Контактная информация:
Re: CNC1310 фрезер по металлу (126x88x38)
Всех приветствую, коллеги.
Такой вопрос (к вопросу о точности).
По не хитрой схема собрал z щуп. Но вот не задача. Каждый раз при составлении карты высот выходит разная картина. В чем может быть беда, подскажите, кто сталкивался. Буду очень признателен.
На прикрепленных скринах видно, что каждый раз карта сильно отличается от прежней. Ничего не менялось при этом. Заготовка лежит себе прикрученная к столику. Измерение начиналось из одной и той же точки...
Такой вопрос (к вопросу о точности).
По не хитрой схема собрал z щуп. Но вот не задача. Каждый раз при составлении карты высот выходит разная картина. В чем может быть беда, подскажите, кто сталкивался. Буду очень признателен.
На прикрепленных скринах видно, что каждый раз карта сильно отличается от прежней. Ничего не менялось при этом. Заготовка лежит себе прикрученная к столику. Измерение начиналось из одной и той же точки...