БРЕДОВАЯ ИДЕЯ - Универсальный алюминиевый профиль для ЧПУ

Конструкции станков, линейные перемещения, направляющие, передачи.
Аватара пользователя
Евгений+++
Мастер
Сообщения: 1595
Зарегистрирован: 19 авг 2015, 14:18
Репутация: 176
Настоящее имя: Евгений
Откуда: Воронеж.., пока что
Контактная информация:

Re: БРЕДОВАЯ ИДЕЯ - Универсальный алюминиевый профиль для ЧП

Сообщение Евгений+++ »

ultrus писал(а):Тетрис получился красивый.
Спасибо, старался :D
Я и не говорю что нужно именно его, конечно же нет.
Это всего лишь идея "стыка"
И над размерами можно по колдовать, и пазов добавить разных.

Ладно, мое дело предложить, а там народ пусть критикует... :)
- Жене сказал, что пошел к любовнице, любовнице сказал, что пошел к
жене, а сам взял книжки, залез на чердак и учиться, учиться, учиться.
-------------------------------------------------------------------------------------------
Дайте мне собственный гольф-клуб, свежий воздух и красивую женщину в
партнеры – и можете оставить гольф-клуб и свежий воздух себе.
Аватара пользователя
den_sibirskiy
Мастер
Сообщения: 1655
Зарегистрирован: 12 апр 2014, 17:04
Репутация: 349
Настоящее имя: Ден
Откуда: Иркутск
Контактная информация:

Re: БРЕДОВАЯ ИДЕЯ - Универсальный алюминиевый профиль для ЧП

Сообщение den_sibirskiy »

shalek писал(а):
NKS писал(а):По мотивам профиля предложенного ТС напросилось.Накидал по-быстрому основную идею. Правда, вес метра получается 12,8кг. При цене 250руб\кг (обозначенной ТС) выходит 3200руб\м.
Вложение U-профиль.pdf больше недоступно
По-моему самый толковый профиль. Ну можно приливов добавить под торцы, если мало. И все!
Вложение Screenshot - 01.09.2015 , 10_45_38.png больше недоступно
И не надо lego городить. Делается для станка, а не стеллажи собирать. Всем все равно не угодишь.
Профиль ни че такой, жесткости за глаза будет и под пазы место есть или резьбы, только почему размеры снизу и с верху отличаются?
Как его по углам соединять? :wtf:

Сегодня на работе сфотал, почему мне пазы под гайку приглянулись, ну и вообще посмотреть.
Вложения
20150901_141943.jpg (2880 просмотров) <a class='original' href='./download/file.php?id=57217&sid=2adf72b30c1e983f1737fd4e43fa10e4&mode=view' target=_blank>Загрузить оригинал (1.83 МБ)</a>
20150901_141952.jpg (2880 просмотров) <a class='original' href='./download/file.php?id=57218&sid=2adf72b30c1e983f1737fd4e43fa10e4&mode=view' target=_blank>Загрузить оригинал (1.53 МБ)</a>
"Хватит спать пора начинать пришло твое время"
Аватара пользователя
den_sibirskiy
Мастер
Сообщения: 1655
Зарегистрирован: 12 апр 2014, 17:04
Репутация: 349
Настоящее имя: Ден
Откуда: Иркутск
Контактная информация:

Re: БРЕДОВАЯ ИДЕЯ - Универсальный алюминиевый профиль для ЧП

Сообщение den_sibirskiy »

То что круглому арбузу по ночам снится :lol:
Вложения
профиль.jpg (2879 просмотров) <a class='original' href='./download/file.php?id=57220&sid=2adf72b30c1e983f1737fd4e43fa10e4&mode=view' target=_blank>Загрузить оригинал (39 КБ)</a>
"Хватит спать пора начинать пришло твое время"
Аватара пользователя
NKS
Мастер
Сообщения: 2516
Зарегистрирован: 30 окт 2014, 21:36
Репутация: 1233
Настоящее имя: Сергей
Откуда: Волгоград
Контактная информация:

Re: БРЕДОВАЯ ИДЕЯ - Универсальный алюминиевый профиль для ЧП

Сообщение NKS »

den_sibirskiy писал(а): Профиль ни че такой, жесткости за глаза будет и под пазы место есть или резьбы, только почему размеры снизу и с верху отличаются?
Как его по углам соединять? :wtf:
Соединения позже, сейчас основу рисую. Поменял сечение с 75х150 на 80х160, дабы соответствовать серийным 40-м, 80-м профилям.
И вот ещё. Небольшой мозговой штурм по резьбе. Подумалось не городить пазы как в стандартных профилях, а оставить обработку отверстий на откуп самодельщикам, т.е. либо резать резьбу в теле профиля, либо сверлиться под такие заклёпки: http://www.zaklepka.ru/z-rez/74/.
Как раз на М5, М6 есть заклёпки для толщины 6мм. То-же самое можно применять и для организации стыков (со стойками портала например). Позже оформлю идею графически.
Аватара пользователя
Евгений+++
Мастер
Сообщения: 1595
Зарегистрирован: 19 авг 2015, 14:18
Репутация: 176
Настоящее имя: Евгений
Откуда: Воронеж.., пока что
Контактная информация:

Re: БРЕДОВАЯ ИДЕЯ - Универсальный алюминиевый профиль для ЧП

Сообщение Евгений+++ »

Прикольные заклепки, в первый раз увидел такие.
А при затяжке смещения не будет?
- Жене сказал, что пошел к любовнице, любовнице сказал, что пошел к
жене, а сам взял книжки, залез на чердак и учиться, учиться, учиться.
-------------------------------------------------------------------------------------------
Дайте мне собственный гольф-клуб, свежий воздух и красивую женщину в
партнеры – и можете оставить гольф-клуб и свежий воздух себе.
Аватара пользователя
NKS
Мастер
Сообщения: 2516
Зарегистрирован: 30 окт 2014, 21:36
Репутация: 1233
Настоящее имя: Сергей
Откуда: Волгоград
Контактная информация:

Re: БРЕДОВАЯ ИДЕЯ - Универсальный алюминиевый профиль для ЧП

Сообщение NKS »

Евгений+++ писал(а):Прикольные заклепки, в первый раз увидел такие.
А при затяжке смещения не будет?
Какое смещение? Как засверлишь, так и встанет заклёпка. А вообще клепаются они на-ура, даже очень приятственно :) Вопрос в том, насколько они дружат с люминием. Хотелось бы услышать мнение тех, кто пробовал (могу конечно и сам попробовать, есть похожие заклёпки на работе).
Аватара пользователя
donvictorio
Мастер
Сообщения: 2458
Зарегистрирован: 11 окт 2012, 16:26
Репутация: 683
Настоящее имя: Виктор
Откуда: Санкт-Петербург
Контактная информация:

Re: БРЕДОВАЯ ИДЕЯ - Универсальный алюминиевый профиль для ЧП

Сообщение donvictorio »

NKS писал(а):Подумалось не городить пазы как в стандартных профилях
пазы нужны то по сути толкьо для крепления профиля к столу.
с заклёпками есть один нюанс не особо приятный (но требует проверки именно в алюминии) - они со временем от динамических нагрузок разбалтываются. норм резьбу прямо в алюмнии можно делать не нарезаючи её, а накатываючи, спец накатными метчиками. тогда витки уплотняются и винт держится намного лучше.
Аватара пользователя
NKS
Мастер
Сообщения: 2516
Зарегистрирован: 30 окт 2014, 21:36
Репутация: 1233
Настоящее имя: Сергей
Откуда: Волгоград
Контактная информация:

Re: БРЕДОВАЯ ИДЕЯ - Универсальный алюминиевый профиль для ЧП

Сообщение NKS »

donvictorio писал(а):с заклёпками есть один нюанс не особо приятный (но требует проверки именно в алюминии) - они со временем от динамических нагрузок разбалтываются. норм резьбу прямо в алюмнии можно делать не нарезаючи её, а накатываючи, спец накатными метчиками. тогда витки уплотняются и винт держится намного лучше.
Заклёпки надо пробовать, конечно. Накатными метчиками тоже вариант формировать резьбу. А вот по пазам,.. ... думается пазы сделать только для навески (кабельканалы, датчики и пр. шмурдяк, типа неответственное крепление). А силовое крепление делать с помощью нормальных переходных элементов.
Аватара пользователя
den_sibirskiy
Мастер
Сообщения: 1655
Зарегистрирован: 12 апр 2014, 17:04
Репутация: 349
Настоящее имя: Ден
Откуда: Иркутск
Контактная информация:

Re: БРЕДОВАЯ ИДЕЯ - Универсальный алюминиевый профиль для ЧП

Сообщение den_sibirskiy »

У кого ни будь еще остались вопросы, какой профиль лучше и для чего это нужно?
Вложения
11.jpg (2823 просмотра) <a class='original' href='./download/file.php?id=57267&sid=2adf72b30c1e983f1737fd4e43fa10e4&mode=view' target=_blank>Загрузить оригинал (37.6 КБ)</a>
"Хватит спать пора начинать пришло твое время"
Аватара пользователя
shalek
Почётный участник
Почётный участник
Сообщения: 3023
Зарегистрирован: 25 авг 2014, 10:40
Репутация: 2583
Настоящее имя: Александр
Откуда: РБ Бобруйск
Контактная информация:

Re: БРЕДОВАЯ ИДЕЯ - Универсальный алюминиевый профиль для ЧП

Сообщение shalek »

NKS писал(а):Подумалось не городить пазы как в стандартных профилях, а оставить обработку отверстий на откуп самодельщикам
И это правильно!
donvictorio писал(а):пазы нужны то по сути толкьо для крепления профиля к столу.
А вот это лишнее. Если есть "мясо", то к любому столу прикрутишь. А вообще-то профиль изначально предназначался по-моему для портала? Но и на боковины не плохо подходит.
Если ты не можешь решить проблему, значит это не твоя проблема!
Мой канал на YouTube: YouTube
ЧПУ "Бобр" 600x500 мм
shalek64@gmail.com
Аватара пользователя
ultrus
Мастер
Сообщения: 2039
Зарегистрирован: 09 апр 2013, 05:42
Репутация: 1329
Настоящее имя: Юрий
Откуда: Воронеж
Контактная информация:

Re: БРЕДОВАЯ ИДЕЯ - Универсальный алюминиевый профиль для ЧП

Сообщение ultrus »

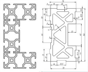
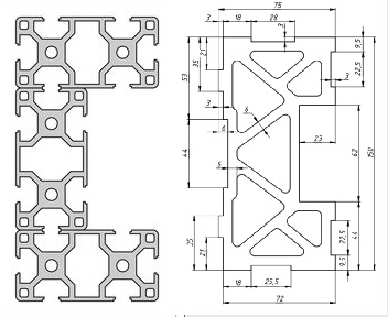
Постарался учесть большинство ваших пожеланий:
1. Как смог, унифицировал профиль для стыковки со станочным профилем 40х40 и 40х80 мм под использование стандартного крепежа. Пришлось увеличить размер до 80 х 160 мм.
2. Увеличил (правда всего на 10 мм) расстояние между направляющими.
3. Увеличил толщину стенки до 8 мм в местах, где будет нарезаться резьба. Заклёпки - не вариант.
4. Увеличил торцевые отверстия под болты М8. Как в стандартном профиле.
5. Сделал пазы для удобства сверловки.
6. Сделал пазы под датчики. Паз стандартный от 20 мм профиля под болты М4, М5, М6. Можно паз сделать побольше под М8 для крепления к столу, "мяса" хватает.
Ещё, пазы можно использовать для крепления корпусов шкивов при использовании ремней.
7. Исправил ошибку в размерах сверху и с низу.
8. От "перевёртыша" отказался. Выйдет очень дорого и крепить спина к спине не удобно.

Всем угодить очень сложно по этому профиль выходит довольно тяжёлый. Вот, что получилось:
Профиль 160х80.jpg (2818 просмотров) <a class='original' href='./download/file.php?id=57268&sid=2adf72b30c1e983f1737fd4e43fa10e4&mode=view' target=_blank>Загрузить оригинал (2.25 МБ)</a>
Если использовать профиль как ось Z, придется фрезеровать проставки под крепление кареток. Проставки нужны и если крепить профиль вот так:
Вариант крепления 1.jpg (2818 просмотров) <a class='original' href='./download/file.php?id=57270&sid=2adf72b30c1e983f1737fd4e43fa10e4&mode=view' target=_blank>Загрузить оригинал (2.95 МБ)</a>
А здесь варианты сборки рамы станка с рейкой:
Вариант крепления 2.jpg (2818 просмотров) <a class='original' href='./download/file.php?id=57271&sid=2adf72b30c1e983f1737fd4e43fa10e4&mode=view' target=_blank>Загрузить оригинал (2.86 МБ)</a>
Вариант крепления 3.jpg (2818 просмотров) <a class='original' href='./download/file.php?id=57272&sid=2adf72b30c1e983f1737fd4e43fa10e4&mode=view' target=_blank>Загрузить оригинал (2.86 МБ)</a>
В третьем варианте забыл сделать пазы в стенке профиля для ориентации уголка, исправлю.
Извиняюсь за графику, рисую в Кореле.
"Если хочешь сделать что-то хорошо, сделай это сам."
Фердинанд Порше
Аватара пользователя
den_sibirskiy
Мастер
Сообщения: 1655
Зарегистрирован: 12 апр 2014, 17:04
Репутация: 349
Настоящее имя: Ден
Откуда: Иркутск
Контактная информация:

Re: БРЕДОВАЯ ИДЕЯ - Универсальный алюминиевый профиль для ЧП

Сообщение den_sibirskiy »

а зарубки на профиле, это центра для крепежа так понимаю?
Выглядит монументально, наверно и вес будет приличный.
"Хватит спать пора начинать пришло твое время"
Аватара пользователя
NKS
Мастер
Сообщения: 2516
Зарегистрирован: 30 окт 2014, 21:36
Репутация: 1233
Настоящее имя: Сергей
Откуда: Волгоград
Контактная информация:

Re: БРЕДОВАЯ ИДЕЯ - Универсальный алюминиевый профиль для ЧП

Сообщение NKS »

Всё круто, кроме одного. Сдаётся мне, что все рёбра профиля необходимо привести к единой толщине. До пятницы мой конечный вариант подождёте? ;)
Аватара пользователя
NKS
Мастер
Сообщения: 2516
Зарегистрирован: 30 окт 2014, 21:36
Репутация: 1233
Настоящее имя: Сергей
Откуда: Волгоград
Контактная информация:

Re: БРЕДОВАЯ ИДЕЯ - Универсальный алюминиевый профиль для ЧП

Сообщение NKS »

Самое интересное то, что человек с опытом заказа экструзии, явно видящий такие нюансы, как канавки для центровки отверстий создал такую замечательную тему :)
Аватара пользователя
NKS
Мастер
Сообщения: 2516
Зарегистрирован: 30 окт 2014, 21:36
Репутация: 1233
Настоящее имя: Сергей
Откуда: Волгоград
Контактная информация:

Re: БРЕДОВАЯ ИДЕЯ - Универсальный алюминиевый профиль для ЧП

Сообщение NKS »

den_sibirskiy писал(а):а зарубки на профиле, это центра для крепежа так понимаю?
Выглядит монументально, наверно и вес будет приличный.
Килограм 17-18\метр, сдаётся мне.
Skorpion
Новичок
Сообщения: 32
Зарегистрирован: 20 апр 2015, 10:57
Репутация: 8
Настоящее имя: Павел
Контактная информация:

Re: БРЕДОВАЯ ИДЕЯ - Универсальный алюминиевый профиль для ЧП

Сообщение Skorpion »

Тему не пора переименовывать?
Аватара пользователя
NKS
Мастер
Сообщения: 2516
Зарегистрирован: 30 окт 2014, 21:36
Репутация: 1233
Настоящее имя: Сергей
Откуда: Волгоград
Контактная информация:

Re: БРЕДОВАЯ ИДЕЯ - Универсальный алюминиевый профиль для ЧП

Сообщение NKS »

ultrus писал(а):Заклёпки - не вариант.
Почему? Так всё категорично?
Аватара пользователя
NKS
Мастер
Сообщения: 2516
Зарегистрирован: 30 окт 2014, 21:36
Репутация: 1233
Настоящее имя: Сергей
Откуда: Волгоград
Контактная информация:

Re: БРЕДОВАЯ ИДЕЯ - Универсальный алюминиевый профиль для ЧП

Сообщение NKS »

Skorpion писал(а):Тему не пора переименовывать?
Пора, вырисовывается интереснейшее изделие :)
Аватара пользователя
den_sibirskiy
Мастер
Сообщения: 1655
Зарегистрирован: 12 апр 2014, 17:04
Репутация: 349
Настоящее имя: Ден
Откуда: Иркутск
Контактная информация:

Re: БРЕДОВАЯ ИДЕЯ - Универсальный алюминиевый профиль для ЧП

Сообщение den_sibirskiy »

медаль автору, уже, пора
"Хватит спать пора начинать пришло твое время"
Аватара пользователя
NKS
Мастер
Сообщения: 2516
Зарегистрирован: 30 окт 2014, 21:36
Репутация: 1233
Настоящее имя: Сергей
Откуда: Волгоград
Контактная информация:

Re: БРЕДОВАЯ ИДЕЯ - Универсальный алюминиевый профиль для ЧП

Сообщение NKS »

den_sibirskiy писал(а):медаль автору, уже, пора
Погодь, пока не надавит профиля :)
Ответить

Вернуться в «Механика»