EMC2 и AlphaCAM
-
Андрей
- Кандидат
- Сообщения: 95
- Зарегистрирован: 11 авг 2011, 15:25
- Репутация: 0
- Контактная информация:
Re: EMC2 и AlphaCAM
замыкаю между собой 15 и 1 не чо не происходит
пытаюсь запустить программу пишет не могу исполнить пока не найду начало оси
нажимаю найти начало оси начинает ехать неизвестно куда
пытаюсь запустить программу пишет не могу исполнить пока не найду начало оси
нажимаю найти начало оси начинает ехать неизвестно куда
- Nick
- Мастер
- Сообщения: 22776
- Зарегистрирован: 23 ноя 2009, 16:45
- Репутация: 1735
- Заслуга: Developer
- Откуда: Gatchina, Saint-Petersburg distr., Russia
- Контактная информация:
Re: EMC2 и AlphaCAM
Значит так.
1. Проверь как работают концевики. Нажимаешь на концевик, смотришь не говорит ли EMC2, что концевик нажат?
2. После этого проверяешь homing. Подгоняешь станок по-ближе к концевикам и нажимаешь home. Должен поехать в сторону концевика, потом когда он нажмется поедет обратно.
ЗЫ концевики подключены к LPT???
1. Проверь как работают концевики. Нажимаешь на концевик, смотришь не говорит ли EMC2, что концевик нажат?
2. После этого проверяешь homing. Подгоняешь станок по-ближе к концевикам и нажимаешь home. Должен поехать в сторону концевика, потом когда он нажмется поедет обратно.
ЗЫ концевики подключены к LPT???
-
Андрей
- Кандидат
- Сообщения: 95
- Зарегистрирован: 11 авг 2011, 15:25
- Репутация: 0
- Контактная информация:
Re: EMC2 и AlphaCAM
да подключены
коль правильно или нет я 15 замыкаю на 1
коль правильно или нет я 15 замыкаю на 1
- Nick
- Мастер
- Сообщения: 22776
- Зарегистрирован: 23 ноя 2009, 16:45
- Репутация: 1735
- Заслуга: Developer
- Откуда: Gatchina, Saint-Petersburg distr., Russia
- Контактная информация:
Re: EMC2 и AlphaCAM
По идее, ты должен замыкать пин на землю lpt... Как у тебя подключены концевики?
Но к нему не плохо бы добавить оптоизоляцию. Вообще все это делается на уровне контроллера или breakout карты. Т.е. ты концевик подключаешь к контроллеру, а его уже в lpt.
Какой у тебя контроллер?
Какой у тебя контроллер?
-
Андрей
- Кандидат
- Сообщения: 95
- Зарегистрирован: 11 авг 2011, 15:25
- Репутация: 0
- Контактная информация:
Re: EMC2 и AlphaCAM
сажаю на землю все тоже
а первый куда
а первый куда
- Nick
- Мастер
- Сообщения: 22776
- Зарегистрирован: 23 ноя 2009, 16:45
- Репутация: 1735
- Заслуга: Developer
- Откуда: Gatchina, Saint-Petersburg distr., Russia
- Контактная информация:
Re: EMC2 и AlphaCAM
см сообщение выше
- Nick
- Мастер
- Сообщения: 22776
- Зарегистрирован: 23 ноя 2009, 16:45
- Репутация: 1735
- Заслуга: Developer
- Откуда: Gatchina, Saint-Petersburg distr., Russia
- Контактная информация:
Re: EMC2 и AlphaCAM
А к нему ты как подключаешься? Напрямую или через breakout плату?
-
Андрей
- Кандидат
- Сообщения: 95
- Зарегистрирован: 11 авг 2011, 15:25
- Репутация: 0
- Контактная информация:
Re: EMC2 и AlphaCAM
на прямую с лпт порта пины идут на плату и отрабатывает координаты
эта плата управления шаговиками и мвсе
эта плата управления шаговиками и мвсе
- Nick
- Мастер
- Сообщения: 22776
- Зарегистрирован: 23 ноя 2009, 16:45
- Репутация: 1735
- Заслуга: Developer
- Откуда: Gatchina, Saint-Petersburg distr., Russia
- Контактная информация:
Re: EMC2 и AlphaCAM
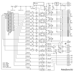
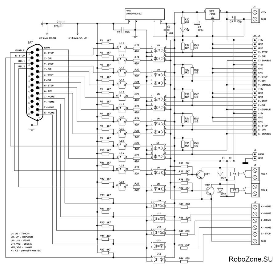
Угу, тогда тебе надо сделать что-то вроде той схемы которая вверху весит, чтобы ненароком ничего не спалить. И подключать все будет гораздо удобнее.
-
Андрей
- Кандидат
- Сообщения: 95
- Зарегистрирован: 11 авг 2011, 15:25
- Репутация: 0
- Контактная информация:
Re: EMC2 и AlphaCAM
ок будем думать
а вообще такую плату купить можна или самому пають??? и скоко стоит
а вообще такую плату купить можна или самому пають??? и скоко стоит
- Nick
- Мастер
- Сообщения: 22776
- Зарегистрирован: 23 ноя 2009, 16:45
- Репутация: 1735
- Заслуга: Developer
- Откуда: Gatchina, Saint-Petersburg distr., Russia
- Контактная информация:
Re: EMC2 и AlphaCAM
Лучше купить. Стоят не дорого, в рублях обычно около 1500р.
Вот пример: http://www.purelogic.ru/Netshop/up-shag ... hagdvig-3/ первые две позиции.
Вот пример: http://www.purelogic.ru/Netshop/up-shag ... hagdvig-3/ первые две позиции.
-
Андрей
- Кандидат
- Сообщения: 95
- Зарегистрирован: 11 авг 2011, 15:25
- Репутация: 0
- Контактная информация:
Re: EMC2 и AlphaCAM
Коль а подскажи пожайлуста где в ж коде выбрать обработку внешнего контура а не внешнего
выставляю диаметр инструмента а он мне режит по внутреннему контуру
выставляю диаметр инструмента а он мне режит по внутреннему контуру
- Nick
- Мастер
- Сообщения: 22776
- Зарегистрирован: 23 ноя 2009, 16:45
- Репутация: 1735
- Заслуга: Developer
- Откуда: Gatchina, Saint-Petersburg distr., Russia
- Контактная информация:
Re: EMC2 и AlphaCAM
G41 - отступ от траектории в правую сторону
G42 - в левую.
В зависимости от того, что режешь и в какую сторону, нужно выбирать разные значения.
Кстати эти коды иногда не будут работать, а будут выдавать ошибку. Это будет происходить, если есть маленькие сегменты, до которых инструмент вообще не дойдет. И связанно все это опять же с тем же offset и его непредсказуемостью.
G42 - в левую.
В зависимости от того, что режешь и в какую сторону, нужно выбирать разные значения.
Кстати эти коды иногда не будут работать, а будут выдавать ошибку. Это будет происходить, если есть маленькие сегменты, до которых инструмент вообще не дойдет. И связанно все это опять же с тем же offset и его непредсказуемостью.
-
Андрей
- Кандидат
- Сообщения: 95
- Зарегистрирован: 11 авг 2011, 15:25
- Репутация: 0
- Контактная информация:
Re: EMC2 и AlphaCAM
не коль в инскейпе указать внешний контур обработки
- Nick
- Мастер
- Сообщения: 22776
- Зарегистрирован: 23 ноя 2009, 16:45
- Репутация: 1735
- Заслуга: Developer
- Откуда: Gatchina, Saint-Petersburg distr., Russia
- Контактная информация:
Re: EMC2 и AlphaCAM
Не совсем понял... Добавь скриншот или svg.
-
Андрей
- Кандидат
- Сообщения: 95
- Зарегистрирован: 11 авг 2011, 15:25
- Репутация: 0
- Контактная информация:
Re: EMC2 и AlphaCAM
коль вот скриншот размеры 3 на 5 мм диаметр инструмента 0.24мм когда вырезает деталь меньше ровно на диаметр инструмента как сделать чтобы деталь была 3 на 5 мм
- Nick
- Мастер
- Сообщения: 22776
- Зарегистрирован: 23 ноя 2009, 16:45
- Репутация: 1735
- Заслуга: Developer
- Откуда: Gatchina, Saint-Petersburg distr., Russia
- Контактная информация:
Re: EMC2 и AlphaCAM
Два варианта:
1. Нарисовать прямоугольник больше/меньше на диаметр инструмента.
2. Сделать offset/inset для этого прямоугольника методом inkscape. (Либо настраиваем Шаги в настройках inkscape и нажимаем Ctrl+"(" или Ctrl+")" ), или применить Динамическую втяжку - Ctrl+J и вручную настроить отступ. Может давать баги в полученном контуре!
3. Добавить G41 или G42 в Gcode, тогда emc2 сам рассчитает необходимую компенсацию, как я уже писал. (Иногда может не сработать, но если не сработает, ты об этом узнаешь до начала обработки, что очень важно. Зато если сработает ты получишь идеально точный offset!)
Вообще, сейчас у тебя режет не внутри и не снаружи контура, сейчас у тебя режет ровно по контуру. Т.е. центр инструмента идет ровно по контуру. А деталь получается меньше на диаметр, т.к. справа и слева отрезает по пол диаметра
.
По поводу багов offset - эта процедура очень не простая и бывает глючит даже в ооочень серьезных CAD программах, например у меня он глючил в даже Rhino! Вот такие дела.
1. Нарисовать прямоугольник больше/меньше на диаметр инструмента.
2. Сделать offset/inset для этого прямоугольника методом inkscape. (Либо настраиваем Шаги в настройках inkscape и нажимаем Ctrl+"(" или Ctrl+")" ), или применить Динамическую втяжку - Ctrl+J и вручную настроить отступ. Может давать баги в полученном контуре!
3. Добавить G41 или G42 в Gcode, тогда emc2 сам рассчитает необходимую компенсацию, как я уже писал. (Иногда может не сработать, но если не сработает, ты об этом узнаешь до начала обработки, что очень важно. Зато если сработает ты получишь идеально точный offset!)
Вообще, сейчас у тебя режет не внутри и не снаружи контура, сейчас у тебя режет ровно по контуру. Т.е. центр инструмента идет ровно по контуру. А деталь получается меньше на диаметр, т.к. справа и слева отрезает по пол диаметра
По поводу багов offset - эта процедура очень не простая и бывает глючит даже в ооочень серьезных CAD программах, например у меня он глючил в даже Rhino! Вот такие дела.
-
Андрей
- Кандидат
- Сообщения: 95
- Зарегистрирован: 11 авг 2011, 15:25
- Репутация: 0
- Контактная информация:
Re: EMC2 и AlphaCAM
а с помошью area не получиться в жкоде
- Nick
- Мастер
- Сообщения: 22776
- Зарегистрирован: 23 ноя 2009, 16:45
- Репутация: 1735
- Заслуга: Developer
- Откуда: Gatchina, Saint-Petersburg distr., Russia
- Контактная информация:
Re: EMC2 и AlphaCAM
Почему не получится? Хотя, может и не получится
...
Что ты хочешь вырезать?
Что ты хочешь вырезать?
