Крепыш

Тяжелые фрезерные станки по металлу.
Аватара пользователя
ukr-sasha
Мастер
Сообщения: 3401
Зарегистрирован: 21 мар 2011, 07:47
Репутация: 2181
Настоящее имя: Украинец Александр Григорьевич
Откуда: Киев, Украина
Контактная информация:

Re: Крепыш

Сообщение ukr-sasha »

aftaev писал(а):(на память около 25 атм
У нас 20атм.
Масло насос подкачивает до 40. Нижняя граница при которой включается насос 25 атм.
Аватара пользователя
Serg
Мастер
Сообщения: 21923
Зарегистрирован: 17 апр 2012, 14:58
Репутация: 5183
Заслуга: c781c134843e0c1a3de9
Настоящее имя: Сергей
Откуда: Москва
Контактная информация:

Re: Крепыш

Сообщение Serg »

aftaev писал(а):Интересно почему закачивают не воздух, а азот ;)
Чтоб масло не окислялось от кислорода в воздухе и не "звездануло".
aftaev писал(а):Интересно почему для такой массивной оси нужно выдерживать давление с точностью 0,5 атм ;)
Мне почему-то кажется, что кто-то где-то ошибся, "с точностью 5 атм" больше похоже на правду. :)
Я не Христос, рыбу не раздаю, но могу научить, как сделать удочку...
aftaev
Зачётный участник
Зачётный участник
Сообщения: 34042
Зарегистрирован: 04 апр 2010, 19:22
Репутация: 6194
Откуда: Казахстан.
Контактная информация:

Re: Крепыш

Сообщение aftaev »

UAVpilot писал(а):Чтоб масло не окислялось от кислорода в воздухе и не "звездануло".
масло от азота разделено резиновой диафрагмой или поршнем ;)
Дилетанту сложные вещи кажутся очень простыми, и только профессионал понимает насколько сложна самая простая вещь
Кто хочет - ищет возможности, кто не хочет - ищет оправдание.
Найди работу по душе и тебе не придется работать.
Аватара пользователя
Serg
Мастер
Сообщения: 21923
Зарегистрирован: 17 апр 2012, 14:58
Репутация: 5183
Заслуга: c781c134843e0c1a3de9
Настоящее имя: Сергей
Откуда: Москва
Контактная информация:

Re: Крепыш

Сообщение Serg »

диафрагма может и прохудиться, между поршнем и стенками масло просачивается.
Я не Христос, рыбу не раздаю, но могу научить, как сделать удочку...
aftaev
Зачётный участник
Зачётный участник
Сообщения: 34042
Зарегистрирован: 04 апр 2010, 19:22
Репутация: 6194
Откуда: Казахстан.
Контактная информация:

Re: Крепыш

Сообщение aftaev »

диафрагма была порвана, воздух пробулькал через масло и ничего не бахнуло
Дилетанту сложные вещи кажутся очень простыми, и только профессионал понимает насколько сложна самая простая вещь
Кто хочет - ищет возможности, кто не хочет - ищет оправдание.
Найди работу по душе и тебе не придется работать.
Аватара пользователя
Serg
Мастер
Сообщения: 21923
Зарегистрирован: 17 апр 2012, 14:58
Репутация: 5183
Заслуга: c781c134843e0c1a3de9
Настоящее имя: Сергей
Откуда: Москва
Контактная информация:

Re: Крепыш

Сообщение Serg »

Повезло...
Если яйки стальные, то можешь попробовать открыть на кислородном баллоне вентиль, накинуть на него промасленную тряпку и отбежать подальше (если успеешь)... ;)
Я не Христос, рыбу не раздаю, но могу научить, как сделать удочку...
Аватара пользователя
solanto
Почётный участник
Почётный участник
Сообщения: 963
Зарегистрирован: 02 апр 2014, 09:10
Репутация: 94
Настоящее имя: Александр
Откуда: Карачаево-Черкесская республика, г.Черкесск
Контактная информация:

Re: Крепыш

Сообщение solanto »

UAVpilot писал(а):(если успеешь)... ;)
Не успеет :hehehe:
Мне пофигу, что думают обо мне люди, пока они не начинают меня бить.

Вектроник А4-12: от заказа до готовности - http://cnc-club.ru/forum/viewtopic.php?f=3&t=5248
Токарник по дереву - http://cnc-club.ru/forum/viewtopic.php?f=3&t=5623

Изображение
aftaev
Зачётный участник
Зачётный участник
Сообщения: 34042
Зарегистрирован: 04 апр 2010, 19:22
Репутация: 6194
Откуда: Казахстан.
Контактная информация:

Re: Крепыш

Сообщение aftaev »

UAVpilot писал(а):Повезло...
Почему повезло? Работники туда не чистый же кислород закачали, а воздух. Почему тогда китайские компрессоры не взрываются если у него в ресивере такой же воздух под давлением и маслянный пар который летит из поршней?
UAVpilot писал(а):Если яйки стальные, то можешь попробовать открыть на кислородном баллоне вентиль, накинуть на него промасленную тряпку и отбежать подальше (если успеешь)...
Ничего не будет, тряпка загорится.
Дилетанту сложные вещи кажутся очень простыми, и только профессионал понимает насколько сложна самая простая вещь
Кто хочет - ищет возможности, кто не хочет - ищет оправдание.
Найди работу по душе и тебе не придется работать.
TAV
Мастер
Сообщения: 383
Зарегистрирован: 08 авг 2013, 13:14
Репутация: 117
Настоящее имя: Антон
Откуда: Иркутск
Контактная информация:

Re: Крепыш

Сообщение TAV »

Какой смысл сравнивать чистый кислород с воздухом, в котором содержание его меньше 20 процентов?
Аватара пользователя
Serg
Мастер
Сообщения: 21923
Зарегистрирован: 17 апр 2012, 14:58
Репутация: 5183
Заслуга: c781c134843e0c1a3de9
Настоящее имя: Сергей
Откуда: Москва
Контактная информация:

Re: Крепыш

Сообщение Serg »

При большом давлении его становится много. А скорость окисления зависит от количества доступного кислорода.
Я не Христос, рыбу не раздаю, но могу научить, как сделать удочку...
aftaev
Зачётный участник
Зачётный участник
Сообщения: 34042
Зарегистрирован: 04 апр 2010, 19:22
Репутация: 6194
Откуда: Казахстан.
Контактная информация:

Re: Крепыш

Сообщение aftaev »

У меня знакомый работает на газонаполнительной станции - ремонтирует компрессора. Рассказывал как у пацанов вспыхивали рукавицы. Когда грузят в машину бывает испачкаются об тросы или машину. И ничего страшного рукавица спыхнет, сбросят, ножками по топчат и дальше работают ;)
Куда страшнее когда привозят баллоны без избыточного давления. У них на выдоче баллонов табличка " Сварщик оставляй кислород в баллонах" это для того чтобы быть уверенным что в баллоне нет какой нибудь "подляны".

Из личного опыта:
В детстве когда не знали про резиновые шланги, решили стекло поплавить. Подключили к резаку газ с кухни, а другой шланг обычный садовый к редуктору кислородному. Подожгли и плавим стекло. Через минут 30 шланг начал разогреваться, сорвало и из него полметра огонь шуровал. Я подбежал к кислородному баллону и перекрыл его.
Недавно резал резаком газовым, смотрю на бетоне лужица свежего масло. Выключил горелку, ткнул в масло горелку и на всю открыл кислород, и почему то не загорелось масло ;)

Баллон может взорваться когда между редуктором и баллоном поставили маслянную (воспламеняющюю) прокладку, она вспыхивает, редуктор закрыт, деться некуда идет в баллон, там то что не до окислилось окисляется(воспламеняется) и баллон взрывается.
Дилетанту сложные вещи кажутся очень простыми, и только профессионал понимает насколько сложна самая простая вещь
Кто хочет - ищет возможности, кто не хочет - ищет оправдание.
Найди работу по душе и тебе не придется работать.
Pahan
Мастер
Сообщения: 242
Зарегистрирован: 06 ноя 2013, 18:30
Репутация: 14
Откуда: Армавир
Контактная информация:

Re: Крепыш

Сообщение Pahan »

Почти собрал ось Z. В данный момент нагрузка на ШВП порядка 80 кг.
Никуда нечего не падает и не опускается даже на мм.
Сегодня поставлю шпиндель. Это еще 70 кг. Посмотрим что будет...
____________________________________________________________________________________
Спорить с дураком - всё равно,что играть в шахматы с голубем.
Он раскидает все фигуры, насрёт на доску и улетит рассказывать всем, как он тебя уделал...
aftaev
Зачётный участник
Зачётный участник
Сообщения: 34042
Зарегистрирован: 04 апр 2010, 19:22
Репутация: 6194
Откуда: Казахстан.
Контактная информация:

Re: Крепыш

Сообщение aftaev »

надо ШВП подтолкнуть и посмотреть полетит аль нет :)
Дилетанту сложные вещи кажутся очень простыми, и только профессионал понимает насколько сложна самая простая вещь
Кто хочет - ищет возможности, кто не хочет - ищет оправдание.
Найди работу по душе и тебе не придется работать.
Аватара пользователя
Hanter
Мастер
Сообщения: 5414
Зарегистрирован: 27 янв 2012, 14:52
Репутация: 4338
Настоящее имя: Алексей
Откуда: Питер
Контактная информация:

Re: Крепыш

Сообщение Hanter »

aftaev писал(а):надо ШВП подтолкнуть и посмотреть полетит аль нет
... добрейшей души человек... :hehehe:
Опыт - это когда на смену вопросам: "Что? Где? Когда? Как? Почему?" Приходит единственный вопрос: "Нахрена?"
==========================================
фрезерная и токарная обработка на станках с чпу.
Резка, гибка, сварка и порошковая окраса.
aftaev
Зачётный участник
Зачётный участник
Сообщения: 34042
Зарегистрирован: 04 апр 2010, 19:22
Репутация: 6194
Откуда: Казахстан.
Контактная информация:

Re: Крепыш

Сообщение aftaev »

Hanter писал(а):... добрейшей души человек...
ну так нужно ежели полетит ручками ШВП тормозить иль под шпиндель пенопласта подложить ;)
Дилетанту сложные вещи кажутся очень простыми, и только профессионал понимает насколько сложна самая простая вещь
Кто хочет - ищет возможности, кто не хочет - ищет оправдание.
Найди работу по душе и тебе не придется работать.
Pahan
Мастер
Сообщения: 242
Зарегистрирован: 06 ноя 2013, 18:30
Репутация: 14
Откуда: Армавир
Контактная информация:

Re: Крепыш

Сообщение Pahan »

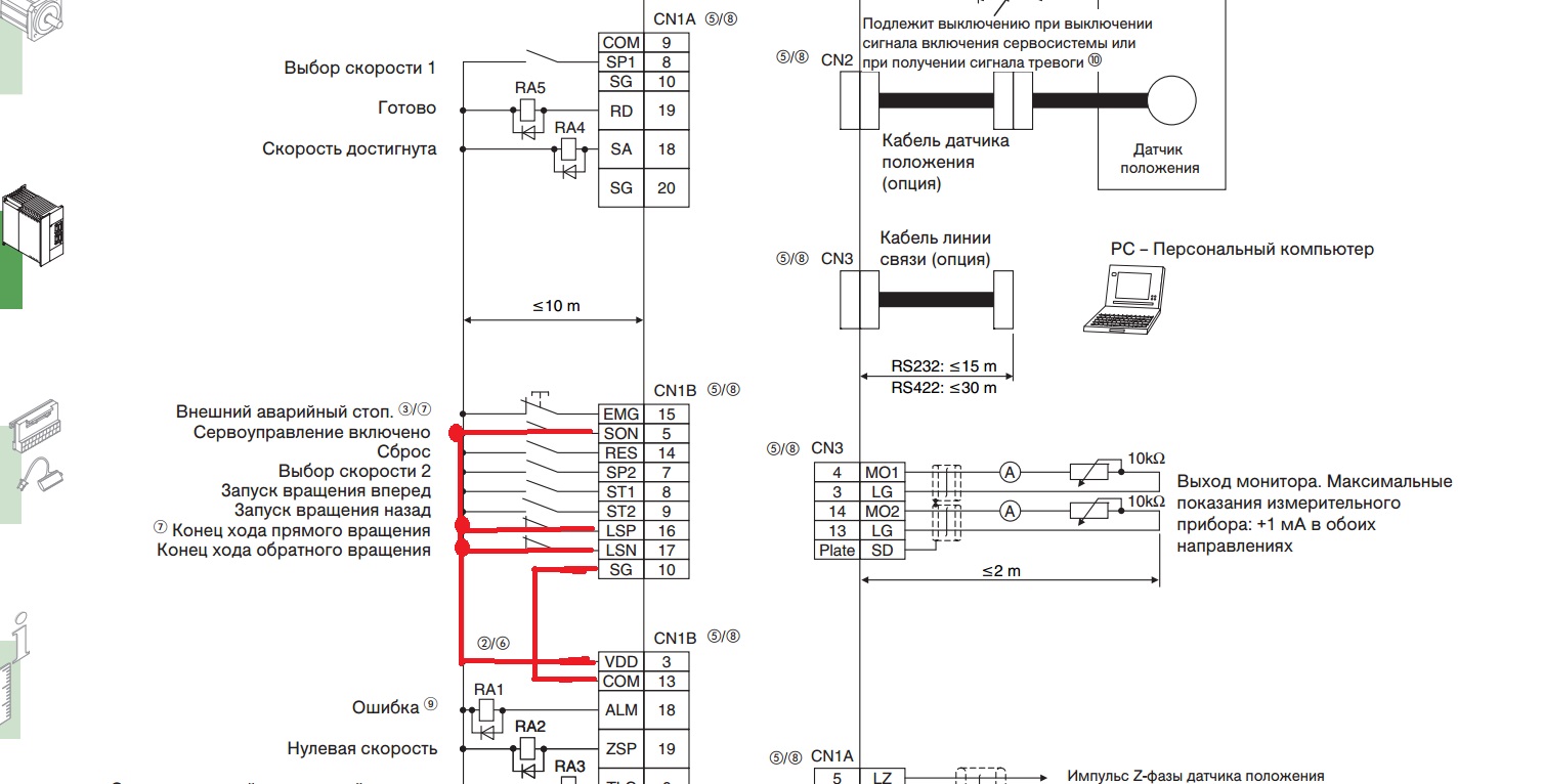
Помогите разобраться с серво приводами.

Собрал две оси. Ось Х и ось Z. Поставил моторы.
Хочу научится двигать приводами ось, через аналоговое управление. Через "батарейку"
Драйвера Митцубиши mr-j2s. Через комп, свою программу, моторы крутятся как положено,
а вот через "батарейку" не хотят.
Схема подключения стр 34. http://www.consys.ru/sites/default/file ... rt_rus.pdf
Разъем CN1B. Подавал питание 1,5 вольта на ноги 1,2,11. Безрезультатно.
____________________________________________________________________________________
Спорить с дураком - всё равно,что играть в шахматы с голубем.
Он раскидает все фигуры, насрёт на доску и улетит рассказывать всем, как он тебя уделал...
Аватара пользователя
mhael
Мастер
Сообщения: 2443
Зарегистрирован: 09 мар 2013, 11:22
Репутация: 769
Настоящее имя: Ильдар
Контактная информация:

Re: Крепыш

Сообщение mhael »

привод на управление скоростью настроили? Сигнал SON подаете? LSP LSN включены?
aftaev
Зачётный участник
Зачётный участник
Сообщения: 34042
Зарегистрирован: 04 апр 2010, 19:22
Репутация: 6194
Откуда: Казахстан.
Контактная информация:

Re: Крепыш

Сообщение aftaev »

Pahan писал(а):Разъем CN1B. Подавал питание 1,5 вольта на ноги 1,2,11. Безрезультатно.
вал у сервы легко крутится руками?

Нужно убедиться что серва переведена в режим S-on. Для этого обрано подключи серву к компу к своей программе. Включаешь серву в розетку и запоминаешь что показано на индикаторе сервы. Пробуешь крутить вал сервы рукой - он скорее всего будет легко вращаться. Далее запускаешь ту фишку которой вращал вал. Незнаю как у твоей сервы но скорее всего будет кнопка типо on/off servo после нажатия кнопки серва заурчит слегка и возможно в приводе щелкнет релюшка. Берешь рукой за вал и она будет уже сопротивляться. Это режим S-on. Когда серва перейдет в этот режим на экране сервы что нибудь появится черточка, или будет написано run

Вот пока в настройках серву не переведешь в режим S-on или подключишь внешний сигнал серва не будет реагировать на твою батарейку или вообще какие нибудь сигналы ;)

И твой мануал обрезанный - ищи полный мануал
Дилетанту сложные вещи кажутся очень простыми, и только профессионал понимает насколько сложна самая простая вещь
Кто хочет - ищет возможности, кто не хочет - ищет оправдание.
Найди работу по душе и тебе не придется работать.
aftaev
Зачётный участник
Зачётный участник
Сообщения: 34042
Зарегистрирован: 04 апр 2010, 19:22
Репутация: 6194
Откуда: Казахстан.
Контактная информация:

Re: Крепыш

Сообщение aftaev »

Пока эти сигналы не активируешь серва не будет работать. Их либо нужно подключить как на схеме, или активировать/отключить через сервисную программу
Потом в настройках (через сервисную программу) нужно настроить на работу сервы по аналогу
123.JPG (2743 просмотра) <a class='original' href='./download/file.php?id=40940&sid=92a1d47932bf3bb6a0f8cd9f1ef2fec8&mode=view' target=_blank>Загрузить оригинал (209.68 КБ)</a>
Дилетанту сложные вещи кажутся очень простыми, и только профессионал понимает насколько сложна самая простая вещь
Кто хочет - ищет возможности, кто не хочет - ищет оправдание.
Найди работу по душе и тебе не придется работать.
Pahan
Мастер
Сообщения: 242
Зарегистрирован: 06 ноя 2013, 18:30
Репутация: 14
Откуда: Армавир
Контактная информация:

Re: Крепыш

Сообщение Pahan »

mhael писал(а):привод на управление скоростью настроили? Сигнал SON подаете? LSP LSN включены?
Если можно по подробней, Что и куда нужно подключить.
____________________________________________________________________________________
Спорить с дураком - всё равно,что играть в шахматы с голубем.
Он раскидает все фигуры, насрёт на доску и улетит рассказывать всем, как он тебя уделал...
Ответить

Вернуться в «Фрезерные станки по металлам»