Установка LinuxCNC EMC2

Обсуждение установки, настройки и использования LinuxCNC. Вопросы по Gкоду.
Аватара пользователя
Nick
Мастер
Сообщения: 22776
Зарегистрирован: 23 ноя 2009, 16:45
Репутация: 1735
Заслуга: Developer
Откуда: Gatchina, Saint-Petersburg distr., Russia
Контактная информация:

Установка LinuxCNC EMC2

Сообщение Nick »

EMC2 LinuxCNC.png
EMC2 LinuxCNC.png (13.47 КБ) 370545 просмотров
ТипУправление станками с ЧПУ
РазработчикLinuxCNC.org
OSLinux
Последняя версия2.4.4
ЛицензияGNU GPL
EMC2 это бесплатное программное обеспечение для управления станками с ЧПУ при помощи обычного компьютера. EMC2 запускается на базе операционной системы Linux с поддержкой rtai ядра, которое позволяет выполнять процессы в режиме realtime. Это позволяет достичь больших скоростей и большей стабильности работы станка чем при использовании других операционных систем.

Содержание


Установка EMC2 с LiveCD LinuxCNC 10.04

Этот тип установки не требует каких-либо специальных навыков и фактически повторяет обычную установку Ubuntu 10.04. Также Вы можете запустить EMC2 с диска не устанавливая его на компьютер.
Загрузить LiveCD можно официального сайта: http://www.linuxcnc.org/index.php/english/download


MD5 сумма образа 5283b33b7e23e79da1ee561ad476b05f.
По умолчанию устанавливается rtai ядро и EMC2.

Процедура установки:

  1. Загружаете iso образ LiveCD.
  2. Записываете его на CD, или Flash. Инструкция по записи на Flash на сайте ubuntu: http://www.ubuntu.com/download/desktop/ ... on-windows. При записи на флешку можно оставить место под пользовательские файлы, чтобы, в случае работы в режиме LiveUSB каждый раз не начинать с чистого листа.
  3. Загружаетесь с записанного CD или Flash. Выбираете русский язык.
  4. После этого Вы можете
    • Запустить EMC2 из меню Applications и попробовать его в работе (время загрузки программ может занимать большее время в режиме LiveCD, чем при запуске на установленной системе, т.к. доступ к CD медленнее доступа к HDD).
    • Установить Ubuntu 10.04 c предустановленным EMC2, запустив программу установки, ярлык которой находится на рабочем столе.

Установка EMC2 на уже установленную Ubuntu 10.04

Начиная с Ubuntu 10.04 и EMC2 2.4.4, процесс установки EMC2 и rtai ядра значительно упростился, не требует специальных знаний и занимает около 5 минут. Для установки потребуется доступ к интернет.

Процесс установки вариант 1 с использованием графического интерфейса

  • Загружаем установочный скрипт http://cnc-club.ru/forum/download/file.php?id=9035
  • Отрываем папку с сохраненным скриптом
  • Распаковываем архив
  • Нажимаем правой кнопкой мыши на файле и выбираем Свойства
  • Открываем вкладку "Права" и ставим галку в поле "Выполнение" и закрываем окно
  • Запускаем скрипт установки двойным кликом
  • Вводим пароль, по запросу
  • Ждем пока все само установится

Процесс установки вариант 2 из консоли

  • Выполняем следующую команду из консоли

    Код: Выделить всё

    wget  http://cnc-club.ru/forum/download/file.php?id=9035 -O linuxcnc-install.sh.tar.gz 
    tar xvf linuxcnc-install.sh.tar.gz 
    sh linuxcnc-install.sh
    
  • По запросу вводим пароль
  • Ждем пока все само установится
После успешной установки переходим к конфигурации LinuxCNC для вашего станка.


См. также

Аватара пользователя
Nick
Мастер
Сообщения: 22776
Зарегистрирован: 23 ноя 2009, 16:45
Репутация: 1735
Заслуга: Developer
Откуда: Gatchina, Saint-Petersburg distr., Russia
Контактная информация:

Re: Установка EMC2

Сообщение Nick »

Читайте следующее сообщение, этот способ не сработал.

Установка EMC это гораздо проще чем кажется:

1. Устанавливаем ядро с поддержкой Realtime:

Код: Выделить всё

sudo  apt-get install linux-image-2.6.31-9-rt 
Цифры 2.6.31-9 могут быть другими. Просто пишите в консоли sudo apt-get install linux-image- нажимайте [TAB] и ищите строчку кончающуюся на rt.
Для моей версии "Необходимо скачать 28,8MБ архивов. После данной операции, объём занятого дискового пространства возрастёт на 90,5MB."

2. Устанавливаем EMC 2:

Получаем последнюю версию EMC:
На 05.12.2009 это emc2_2.3.4-1 (размер 12 Мб).

Код: Выделить всё

wget http://downloads.sourceforge.net/project/emc/emc2/emc2_2.3.4-1/emc2_2.3.4-1.tar.gz?use_mirror=sunet
Распаковываем:

Код: Выделить всё

tar zxf emc2_2.3.4-1.tar.gz
Заходим в каталог исходников:

Код: Выделить всё

cd emc2-2.3.4/src/
Запускаем ./configure
И получаем ошибку :(...
.....
....
..
.
На этот раз пойдем простым путем :).
Качаем образ LiveCD с http://www.linuxcnc.org (раздел download). На 07.12.2009 доступны две версии 6.06 и 8.04. Прожигаем болванку, и устанавливаем на чистый раздел.
Для установки вполне достаточно будет 4 Гб. (Можно использовать и меньше, я думаю, что и 700Мб хватит, это если особо не напрягаться.)

Запускаем и пробуем.


Плюсом этого пути будет то, что в итоге мы получим пустую систему, не обремененную лишними программами, которые могут кушать лишние ресурсы,
что может уменьшить максимальную частоту управляющих сигналов. Хотя, это утверждение спорно, ибо RealTime процессы могут вообще не замечать остальные запущенные процессы и это не скажется на работе станка. И это будет не сильно важно при использовании не самого слабого компьютера > 1Ггц и не самых быстрых двигателей < 5000 кГц, т.е. в среднем < 1500 мин-1.
Аватара пользователя
Nick
Мастер
Сообщения: 22776
Зарегистрирован: 23 ноя 2009, 16:45
Репутация: 1735
Заслуга: Developer
Откуда: Gatchina, Saint-Petersburg distr., Russia
Контактная информация:

Re: Установка EMC2

Сообщение Nick »

С выходом новой LTS (Long time support - версия с продленной поддержкой) Ubuntu 10.04 команда EMC2 обещалась выпустить новый LiveCD. Который я с нетерпением ждал уже около месяца. Судя по запланированному расписанию, LiveCD должен был появиться уже в июне. Но пока никаких упоминаний нет (http://wiki.linuxcnc.org/cgi-bin/emcinf ... c2.4Status).

Однако, сегодня зашел на форум linuxcnc.org - официального сайта разработчиков EMC2 и увидел отличную новость:
I'm pleased to announce that we've made it easier to try emc2 on Ubuntu
10.04: just download and run a shell script, which will download all the
packages necessary for emc2. This requires a working network
connection, and depending on the speed of your connection will take
several minutes to complete.

Instructions are here:
http://wiki.linuxcnc.org/cgi-bin/emcinf ... ckageNotes

Jeff
Примерный перевод :
Я рад сообщить, что мы сделали проще попробовать EMC2 для Ubuntu 10.04: просто скачайте и запустите скрипт, который загрузит все необходимые пакеты для emc2. Для этого необходимо подключение к интернету, и, в зависимости от скорости Вашего подключения, займет несколько минут.

Инструкции здесь:
http://wiki.linuxcnc.org/cgi-bin/emcinf ... ckageNotes

Jeff
Постараюсь сегодня-завтра попробовать, о результатах напишу :cheesy: :cheesy: :cheesy: !
Аватара пользователя
Nick
Мастер
Сообщения: 22776
Зарегистрирован: 23 ноя 2009, 16:45
Репутация: 1735
Заслуга: Developer
Откуда: Gatchina, Saint-Petersburg distr., Russia
Контактная информация:

Re: Установка EMC2

Сообщение Nick »

Скрипт оказался ничтожно простым, что никак не уменьшает его важность и красоту:

Код: Выделить всё

#!/bin/sh

gksudo -m "Enter your password to install EMC2" true
gpg --keyserver pgpkeys.mit.edu --recv-key 8F374FEF
gpg -a --export 8F374FEF | sudo apt-key add -

sudo sh -c 'cat > /etc/apt/sources.list.d/linuxcnc.list' <<EOF
deb http://www.linuxcnc.org/emc2 lucid base emc2.4
deb-src http://www.linuxcnc.org/emc2 lucid base emc2.4
EOF

sudo apt-get update
sudo apt-get -o Apt::Install-Recommends=true install emc2
Фактически он добавляет новый репозиторий и устанавливает пакет emc2.
Чтож, проверим как он работает...

Вот какие пакеты за собой тянет emc:
Будут установлены следующие дополнительные пакеты:
blt bwidget libreadline5 linux-image-2.6.32-122-rtai python-imaging-tk
python-tk rtai-modules-2.6.32-122-rtai tcl8.5 tk8.5
Предлагаемые пакеты:
blt-demo fdutils linux-doc-2.6.32 linux-source-2.6.32 linux-tools
python-imaging-doc python-imaging-tk-dbg tix python-tk-dbg tclreadline
Рекомендуемые пакеты:
hostmot2-firmware
НОВЫЕ пакеты, которые будут установлены:
blt bwidget emc2 libreadline5 linux-image-2.6.32-122-rtai python-imaging-tk
python-tk rtai-modules-2.6.32-122-rtai tcl8.5 tk8.5
обновлено 0, установлено 10 новых пакетов, для удаления отмечено 0 пакетов, и 5 пакетов не обновлено.
Необходимо скачать 50,3MБ архивов.
После данной операции, объём занятого дискового пространства возрастёт на 137MB.
Скрипт выполнился гладко, на запуск emc ожидаемо ответил, что мол нужно перезапуститься и выбрать ядро rtai (real-time kernel).

Код: Выделить всё

EMC2 requires the real-time kernel 2.6.32-122-rtai to run.
Before running EMC2, reboot and choose this kernel at the boot menu.
Проверимс...
Аватара пользователя
Nick
Мастер
Сообщения: 22776
Зарегистрирован: 23 ноя 2009, 16:45
Репутация: 1735
Заслуга: Developer
Откуда: Gatchina, Saint-Petersburg distr., Russia
Контактная информация:

Re: Установка EMC2

Сообщение Nick »

Перезапустился...
Запустил Latency test - ура real-time работает. Определил maximum jitter. Запустил StepConf.
Запускаю EMC:
cnc-club emc install.png (118658 просмотров) <a class='original' href='./download/file.php?id=609&mode=view' target=_blank>Загрузить оригинал (146.38 КБ)</a>
Но здесь меня ждет небольшое разочарование: EMC вылетел с ошибкой segfault.
segfault at 4 ip 009ddef6 sp bf7fd530 error 4 in libGL.so.1.2 (для просмотра содержимого нажмите на ссылку)
Print file information:
RUN_IN_PLACE=no
EMC2_DIR=
EMC2_BIN_DIR=/usr/bin
EMC2_TCL_DIR=/usr/share/emc/tcl
EMC2_SCRIPT_DIR=
EMC2_RTLIB_DIR=/usr/realtime-2.6.32-122-rtai/modules/emc2
EMC2_CONFIG_DIR=
EMC2_LANG_DIR=/usr/share/emc/tcl/msgs
INIVAR=inivar
HALCMD=halcmd
EMC2_EMCSH=/usr/bin/wish8.5
EMC2 - 2.4.3
Machine configuration directory is '/home/nick/emc2/configs/Hobbycnc'
Machine configuration file is 'Hobbycnc.ini'
INIFILE=/home/nick/emc2/configs/Hobbycnc/Hobbycnc.ini
PARAMETER_FILE=emc.var
EMCMOT=motmod
EMCIO=io
TASK=milltask
HALUI=
DISPLAY=axis
NML_FILE=
Starting EMC2...
Starting EMC2 server program: emcsvr
Loading Real Time OS, RTAPI, and HAL_LIB modules
Starting EMC2 IO program: io
Starting EMC2 TASK program: milltask
Starting EMC2 DISPLAY program: axis
Shutting down and cleaning up EMC2...
Killing task emcsvr, PID=3408
Killing task milltask, PID=3455
Removing HAL_LIB, RTAPI, and Real Time OS modules
Removing NML shared memory segments
Cleanup done

Debug file information:
/usr/bin/emc: строка 654: 3456 Ошибка сегментирования $EMCDISPLAY -ini "$INIFILE" $EMCDISPLAYARGS $EXTRA_ARGS
3408
PID TTY STAT TIME COMMAND
3455
PID TTY STAT TIME COMMAND
Stopping realtime threads
Unloading hal components

Kernel message information:
[ 892.152943] I-pipe: Domain RTAI registered.
[ 892.152955] RTAI[hal]: <3.8.1> mounted over IPIPE-NOTHREADS 2.6-03.
[ 892.152960] RTAI[hal]: compiled with gcc version 4.4.3 (Ubuntu 4.4.3-4ubuntu5) .
[ 892.153066] RTAI[hal]: mounted (IPIPE-NOTHREADS, IMMEDIATE (INTERNAL IRQs DISPATCHED), ISOL_CPUS_MASK: 0).
[ 892.153071] PIPELINE layers:
[ 892.153077] fad39e20 9ac15d93 RTAI 200
[ 892.153082] c085cb20 0 Linux 100
[ 892.185836] RTAI[malloc]: global heap size = 2097152 bytes, <BSD>.
[ 892.186059] RTAI[sched]: IMMEDIATE, MP, USER/KERNEL SPACE: <with RTAI OWN KTASKs>, kstacks pool size = 524288 bytes.
[ 892.186067] RTAI[sched]: hard timer type/freq = APIC/12468710(Hz); default timing: periodic; linear timed lists.
[ 892.186073] RTAI[sched]: Linux timer freq = 250 (Hz), TimeBase freq = 2992520000 hz.
[ 892.186076] RTAI[sched]: timer setup = 999 ns, resched latency = 2944 ns.
[ 892.186275] RTAI[usi]: enabled.
[ 892.275324] RTAI[math]: loaded.
[ 892.373615] config string '0x378 out '
[ 893.800421] axis[3456]: segfault at 4 ip 009ddef6 sp bf7fd530 error 4 in libGL.so.1.2[978000+a7000]
[ 894.625858] RTAI[math]: unloaded.
[ 894.695507] SCHED releases registered named ALIEN RTGLBH
[ 894.730194] RTAI[malloc]: unloaded.
[ 894.828026] RTAI[sched]: unloaded (forced hard/soft/hard transitions: traps 0, syscalls 0).
[ 894.833094] I-pipe: Domain RTAI unregistered.
[ 894.833173] RTAI[hal]: unmounted.
На сколько я понял, это связано с графической библиотекой, сейчас гляну, что там у меня с драйверами...
Аватара пользователя
Nick
Мастер
Сообщения: 22776
Зарегистрирован: 23 ноя 2009, 16:45
Репутация: 1735
Заслуга: Developer
Откуда: Gatchina, Saint-Petersburg distr., Russia
Контактная информация:

Re: Установка EMC2

Сообщение Nick »

Оказывается, этот #$@#$ ati перестал поддерживать мою карточку Redeon 9800. Я конечно понимаю, что она уже достаточно старая, но #@$% это не дело!
Если уж она такая старая откройте ее дрова!

У кого-нибудь есть nvidia agp'шная за недорого?
Tiberius
Новичок
Сообщения: 11
Зарегистрирован: 13 авг 2010, 18:44
Репутация: 0
Контактная информация:

Re: Установка EMC2

Сообщение Tiberius »

Здорово, поставил на Ubuntu 10.04 - всё всало - замечательно.

Раньше сидел под виндой, но вот уже пол года на LINUX и на винду пересаживаться не хочется.
Вот и поставил EMC2 на Ubuntu.

Вот только что за протокол использует EMC я в свой станок смаздрячил STEP-DIR ,
если EMC с ним работает, то проблем не будет, Тогда где взять распиновку порта.

И хотелось бы на каком нибуть примезе (пошагово) вникнуть в программу EMC.

А вообще с первого взгляда - хороша.
Tiberius
Новичок
Сообщения: 11
Зарегистрирован: 13 авг 2010, 18:44
Репутация: 0
Контактная информация:

Re: Установка EMC2

Сообщение Tiberius »

Всё, по моему нашол.
http://cnc-craft.ru/startuem-v-linux-em ... tromu.html
Аватара пользователя
Nick
Мастер
Сообщения: 22776
Зарегистрирован: 23 ноя 2009, 16:45
Репутация: 1735
Заслуга: Developer
Откуда: Gatchina, Saint-Petersburg distr., Russia
Контактная информация:

Re: Установка EMC2

Сообщение Nick »

Tiberius писал(а):...Вот только что за протокол использует EMC я в свой станок смаздрячил STEP-DIR ,
если EMC с ним работает, то проблем не будет, Тогда где взять распиновку порта.
...
И хотелось бы на каком нибуть примезе (пошагово) вникнуть в программу EMC.
Да EMC2 работает в том числе и со step/dir. Пины настраиваются в stepconf - отдельная программка в группе EMC.
Также все настройки можно поменять в настройках HAL - hardware abstraction layer. HAL это как прокладка между операционной системой и оборудованием.

Да, нужно будет как-нибудь собраться и написать мануал по ЕМС.

Если у кого-нибудь есть интересные наработки, публикуйте их здесь.

Например, я еще не видел обзора по созданию дополнительных интерфейсов для AXIS (Axis - это программа которая рисует все на экране).
axis_pyvcp.png (118640 просмотров) <a class='original' href='./download/file.php?id=613&mode=view' target=_blank>Загрузить оригинал (35.65 КБ)</a>
ЗЫ Сходил по ссылке, интересная статейка. Правда кто-то в коментах написал, что EMC2 вылетает без видимой причины. Причина наверняка есть, даже если программа по-тихому вылетела, в логах может быть много информации, плюс есть специальные ключи для дополнительной отчетности в логах...
Аватара пользователя
Nick
Мастер
Сообщения: 22776
Зарегистрирован: 23 ноя 2009, 16:45
Репутация: 1735
Заслуга: Developer
Откуда: Gatchina, Saint-Petersburg distr., Russia
Контактная информация:

Re: Установка EMC2

Сообщение Nick »

Вчера попробовал поставить EMC на нетбук. Ставил сразу в режиме эмулятора, т.к. нет ни lpt ни pcmci слота для установки карт расширения.
Для этого немного переделал вышеупомянутый скрипт.

Код: Выделить всё

#!/bin/sh
# Добавляем открытые ключи для репозитория
gksudo -m "Enter your password to install EMC2" true
gpg --keyserver pgpkeys.mit.edu --recv-key 8F374FEF
gpg -a --export 8F374FEF | sudo apt-key add -

# Добавляем репозиторий для симулятора EMC2
sudo sh -c 'cat > /etc/apt/sources.list.d/linuxcnc.list' <<EOF
deb http://www.linuxcnc.org/emc2 lucid base emc2.4-sim
deb-src http://www.linuxcnc.org/emc2 lucid base emc2.4-sim
EOF

# Обновляем информацию о доступных пакетах
sudo apt-get update
# Устанавливаем ЕМС2 
sudo apt-get -o Apt::Install-Recommends=true install emc2-sim
Нетбук Compaq Mini 110c-1100er (Atom N270 1600 Mhz/10.1"/1024x600/1024Mb/160.0Gb/DVD нет/Wi-Fi), приобрел я его в начале лета в Медиамаркте за 8 999 руб.

Все встало и заработало. Теперь у меня есть утилита для проверки Gкода :)!

Но мне этого мало. Я решил собрать комплекс удаленного управления для станка, раз уж у меня на стационарном компе плохая видяшка и есть такой замечательный нетбук.

Итак примерная конфигурация: на стационарном компьютере устанавливаем EMC2 серверную часть и подключаем его к станку по лпт. Затем, на нетбук устанавливаем AXIS и прочий необходимый GUI, и подключаем к стационарному компьютеру по wifi. Таким образом задание на обработку будет формироваться на нетбуке и отправляться на сервер. А от сервера в свою очередь будет приходить информация о ходе обработки.
Аватара пользователя
Nick
Мастер
Сообщения: 22776
Зарегистрирован: 23 ноя 2009, 16:45
Репутация: 1735
Заслуга: Developer
Откуда: Gatchina, Saint-Petersburg distr., Russia
Контактная информация:

Re: Установка EMC2

Сообщение Nick »

Вот что накопал по вопросу удаленного управления станком:

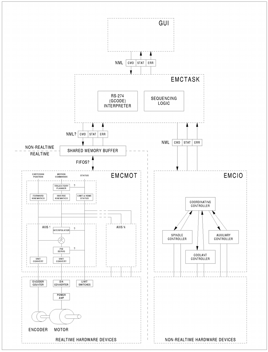
Пакет EMC2 состоит из программ, которые можно поделить на четыре категории. При обычной работе используется как минимум одна программа из каждой категории.
  1. Motion Controller EMCMOT эти программы занимаются расчетом траектории инструмента, вычислением следующей контрольной точки, созданием задания для двигателей (в зависимости от типов двигателя, серво или шаговый) и отправкой команд двигателям. Эти модули работают в режиме realtime и могут работать только с rtai ядрами. (emcmotsim, steppermod.o, shavermod.o, minimod.o ...)
  2. Discrete I/O Controller EMCIO эти программы обеспечивают взаимодействие с различным периферийным оборудованием, системами охлаждения, конроллером шпинделя и т.д. Они вынесены в отдельный модуль для обеспечения более легкой адаптации для разного нового оборудования. Оборудование с которым работают эти модули не требует режима realtime. (mmio, shvio, simio, bridgeportio ...)
  3. Task Executor EMCTASK эти модули занимаются интерпретацией G и M кодов. (mmtask, shvtask, bridgeportask)
  4. Graphical User Interfaces - обеспечивают связь с оператором. GUI общается с модулями TASK выдает им команды на выполнение тех или иных программ и получает от них информацию о состоянии станка и ошибках. Они могут быть реализованы как в виде отдельных программ, так и в видел отдельных терминалах/кнопках/джойстиков, расположенных непосредственно на станке. (Axis, xemc, yemc, tkemc, emcJavaGui, fpanel)
0078 EMC2 control structure.png (118625 просмотров) <a class='original' href='./download/file.php?id=615&mode=view' target=_blank>Загрузить оригинал (283.03 КБ)</a>
Подробнее здесь: http://wiki.linuxcnc.org/emcinfo.pl?EMC_Components
Такая дискретизация обеспечивает очень гибкую в настройках систему. Так, например, можно управлять станком через сеть не испытывая никаких сложностей связанных с задержками передачи данных по сети. Для этого необходимо запустить GUI на отдельном компьютере и обеспечить его связь модулями TASK на сервере.

Изначально полностью-функциональную работу по сети поддерживает TkEMC. В принципе он даже может запускаться на удаленной Виндовой машине.

Продолжение следует...
Аватара пользователя
Nick
Мастер
Сообщения: 22776
Зарегистрирован: 23 ноя 2009, 16:45
Репутация: 1735
Заслуга: Developer
Откуда: Gatchina, Saint-Petersburg distr., Russia
Контактная информация:

Re: Установка EMC2

Сообщение Nick »

Кстати вопрос со старой видео картой ATI Radeon можно решить заменой стандартного GUI Axis на TkEMC.
Для этого открываем файл с настройками вашего станка (обычно лежит в ~/emc2/configs), у меня это ~/emc2/configs/Hobbycnc/Hobbycnc.ini и меняем строчку

Код: Выделить всё

DISPLAY = axis
на

Код: Выделить всё

DISPLAY = tkemc
Все теперь спокойно запускаем emc. TkEMC выглядит так:
Вложения
0081 emc2 radeon problem.png (118617 просмотров) <a class='original' href='./download/file.php?id=622&mode=view' target=_blank>Загрузить оригинал (56.17 КБ)</a>
Tiberius
Новичок
Сообщения: 11
Зарегистрирован: 13 авг 2010, 18:44
Репутация: 0
Контактная информация:

Re: Установка EMC2

Сообщение Tiberius »

А что это за зверь TkEMC , в стандартном пакете EMC я его не нашел???
Аватара пользователя
Nick
Мастер
Сообщения: 22776
Зарегистрирован: 23 ноя 2009, 16:45
Репутация: 1735
Заслуга: Developer
Откуда: Gatchina, Saint-Petersburg distr., Russia
Контактная информация:

Re: Установка EMC2

Сообщение Nick »

В EMC2 есть много разных GUI (графических интерфейсов).
Вот примерный список:
AXIS - выбран по-молчанию. Хороший, красивый, расширяемый. Но ему нужен OpenGl для отрисовки сцены. (Написан на Python и использует Tk и OpenGl)
TkEmc - этот GUI написан на TCL и поэтому его можно спокойно запускать на различных платформах. Ему не обязателен OpenGl, что стало решающим в моем случае. Позволяет делать удаленное управление через сеть.
MINI - был изначально написан для Sherline CNC, но распространяется под GPL и поэтому доступен для всех.
Touchy - специально разработан для тачскринов. Удобен на станках, у которых есть консоль управления с тачскрином. Не требует клавиатуры и мышки.
KeyStick - простейший GUI, работает в текстовом режиме.

Все эти GUI входят в стандартный пакет, чтобы их включить нужно в файле конфигурации изменить стандатрный DISPLAY. Например для TkEMC нужно написать "DISPLAY = tkemc".
Можно создать неколько конфигурационных файлов с разными GUI и выбирать нужное во время запуска.
Выбор конфигураций EMC.png (118600 просмотров) <a class='original' href='./download/file.php?id=640&mode=view' target=_blank>Загрузить оригинал (50.69 КБ)</a>
Вот скрины некоторых GUI:
touchy интерфейс для станков с тачскрином (118600 просмотров) <a class='original' href='./download/file.php?id=638&mode=view' target=_blank>Загрузить оригинал (45.76 КБ)</a>
touchy интерфейс для станков с тачскрином
KeyStick
KeyStick
0084 emc keystick.png (10.93 КБ) 118600 просмотров
Mini (118600 просмотров) <a class='original' href='./download/file.php?id=639&mode=view' target=_blank>Загрузить оригинал (112 КБ)</a>
Mini
Аватара пользователя
dormouse
Мастер
Сообщения: 334
Зарегистрирован: 27 фев 2010, 09:55
Репутация: 15
Заслуга: Developer
Контактная информация:

Re: Установка EMC2 Linux

Сообщение dormouse »

Вышел 10.04 Ubuntu realtime + EMC2 live cd!
Аватара пользователя
Nick
Мастер
Сообщения: 22776
Зарегистрирован: 23 ноя 2009, 16:45
Репутация: 1735
Заслуга: Developer
Откуда: Gatchina, Saint-Petersburg distr., Russia
Контактная информация:

Re: Установка EMC2 Linux

Сообщение Nick »

Интересно, они туда кроме EMC2 что-нибудь еще добавили или нет и не убрали ли чего-нибудь лишнего?
Аватара пользователя
DMexico
Опытный
Сообщения: 149
Зарегистрирован: 13 мар 2010, 21:39
Репутация: 7
Откуда: Киев
Контактная информация:

Re: Установка EMC2 Linux

Сообщение DMexico »

Здравствуйте коллега! Как продвинулись исследования новой LTS c EMC2?
Внимательно читаю эту ветку. Но пробовать - пока не пробовал.
СтОит? Работает?
Мнение автора может не совпадать с мнением редакции
Аватара пользователя
Nick
Мастер
Сообщения: 22776
Зарегистрирован: 23 ноя 2009, 16:45
Репутация: 1735
Заслуга: Developer
Откуда: Gatchina, Saint-Petersburg distr., Russia
Контактная информация:

Re: Установка EMC2 Linux

Сообщение Nick »

Работает конечно, куда оно денется :).
В английской ветке greybeard писал, что у него на 700МГц процессоре подтормаживает, правда не написал что конкретно тормозит.
valb
Мастер
Сообщения: 267
Зарегистрирован: 10 апр 2011, 23:01
Репутация: 20
Откуда: Пенза
Контактная информация:

Re: Установка EMC2 Linux

Сообщение valb »

Вот еще вариантик по установке и настройке:
http://cncmasterkit.ru/files/help_prog/LinuxEMC2rus.mht
Если повторяюсь, sorry. :cheesy:
vladimir74
Почётный участник
Почётный участник
Сообщения: 544
Зарегистрирован: 25 май 2011, 14:14
Репутация: 19
Откуда: Магнитогорск
Контактная информация:

Re: Установка EMC2 Linux

Сообщение vladimir74 »

touchy интерфейс для станков с тачскрином, без тачскрина запустить можно? У меня ругался.
Ответить

Вернуться в «LinuxCNC»