Станок W6 для растяжки торцов трубы (формовки).

Станки, создание станков, обсуждения, предложения.
Аватара пользователя
ressurect_83
Кандидат
Сообщения: 61
Зарегистрирован: 13 июл 2013, 15:40
Репутация: 2
Откуда: Украина, Киев
Контактная информация:

Станок W6 для растяжки торцов трубы (формовки).

Сообщение ressurect_83 »

Делал точную копию сабж станка, софт полностью переписывал с нуля. Могу расписать весь процесс и выложить написанные программы. Если кому-то интересно?
Создайте систему, которой сможет пользоваться дурак, и только дурак захочет ею пользоваться.
Машина должна работать, человек - думать. Принцип IBM.
aftaev
Зачётный участник
Зачётный участник
Сообщения: 34042
Зарегистрирован: 04 апр 2010, 19:22
Репутация: 6194
Откуда: Казахстан.
Контактная информация:

Re: Станок W6 для растяжки торцов трубы (формовки).

Сообщение aftaev »

ressurect_83 писал(а):Если кому-то интересно?
интересно с фотками выкладывай :)
Дилетанту сложные вещи кажутся очень простыми, и только профессионал понимает насколько сложна самая простая вещь
Кто хочет - ищет возможности, кто не хочет - ищет оправдание.
Найди работу по душе и тебе не придется работать.
Аватара пользователя
PKM
Почётный участник
Почётный участник
Сообщения: 4263
Зарегистрирован: 31 мар 2011, 18:11
Репутация: 705
Настоящее имя: Андрей
Откуда: Украина
Контактная информация:

Re: Станок W6 для растяжки торцов трубы (формовки).

Сообщение PKM »

И с видео
Аватара пользователя
ressurect_83
Кандидат
Сообщения: 61
Зарегистрирован: 13 июл 2013, 15:40
Репутация: 2
Откуда: Украина, Киев
Контактная информация:

Re: Станок W6 для растяжки торцов трубы (формовки).

Сообщение ressurect_83 »

Ок, тада займусь этим вопросом. Надеюсь что вложусь за пару дней.
Создайте систему, которой сможет пользоваться дурак, и только дурак захочет ею пользоваться.
Машина должна работать, человек - думать. Принцип IBM.
Аватара пользователя
ressurect_83
Кандидат
Сообщения: 61
Зарегистрирован: 13 июл 2013, 15:40
Репутация: 2
Откуда: Украина, Киев
Контактная информация:

Re: Станок W6 для растяжки торцов трубы (формовки).

Сообщение ressurect_83 »

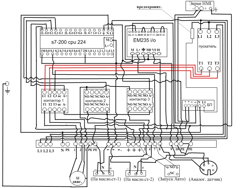
Вот схема управляющего бокса. Сорри заранее за это чудо произведения. Рисовал с бумаги в пейнте, тоже моего творчества, там немногим лучше...
схема_сименса.jpg (25512 просмотров) <a class='original' href='./download/file.php?id=16579&mode=view' target=_blank>Загрузить оригинал (244.57 КБ)</a>
Значения на рисунке: Пускатель - Siemens 3RV1011-1HA20(можно аналогичный), Контактор 1 - 3RT1016-2BB41, Контактор 2 и 3 - 3RH1122-2BB40. Блок питания - 6EP1332-1SH52 in 110/220V out 24V.
ЦПУ использовал SIEMENS Simatic S7-200, cpu 224 AC/DC/Rly (заказной номер 6ES7 214-1BD23-0XB0), к нему подключен шлейфом модуль аналоговоых входов/выходов ANALOG I/O EM 235, FOR S7-22X CPU (6ES7235-0KD22-0XA0), который купленный сначала оригинальный сименс успешно отдал свою кремниево-пластиковую душу и был заменен на его копию фирмы Kollewin Technology Co.,Limited, шел к нам с китая 16 дней и ура! - работает (значительно дешевле оригинала). HMI Тач скрин использовал SIMATIC TP177B 6" DP (6AV6642-0BC01-1AX1), хотя можно наверняка другой использовать, только нужно что бы он был совместим с s7-200. Прогу для HMI рисовал на WINCC FLEX 2005 Adv. (файл ww6_punish.rar). Для заливки проги на s7-200 использовал обычный rs485toUSB конвертер фирмы Монтел-Рек (но уверен что подойдет любой на MAX232) и разъема DB9 с распновкой (DB9 <---> RS485toUSB) 3 - А, 8 - B, 1 - земля. Программа для s7-200 файл main.rar. Если кого будут интересовать значения переменных, при написании своей проги для HMI - пишите в личку.
Датчик смещения/хода 5 kΩ 100 mm - TRS 100 NOVOTECHNIK
Также использовалась маслостанция с двигателем 3.5kW
Чертеж станины, маслостанции, пневмо-цилиндра скину позже.
Ну и пару фоток уже готового станка.
DSC00276.JPG (25513 просмотров) <a class='original' href='./download/file.php?id=16574&mode=view' target=_blank>Загрузить оригинал (694.68 КБ)</a>
+
DSC00277.JPG (25513 просмотров) <a class='original' href='./download/file.php?id=16575&mode=view' target=_blank>Загрузить оригинал (675.43 КБ)</a>
+
DSC00279.JPG (25513 просмотров) <a class='original' href='./download/file.php?id=16576&mode=view' target=_blank>Загрузить оригинал (679.21 КБ)</a>
+
DSC00280.JPG (25513 просмотров) <a class='original' href='./download/file.php?id=16577&mode=view' target=_blank>Загрузить оригинал (702.11 КБ)</a>
+
DSC00281.JPG (25513 просмотров) <a class='original' href='./download/file.php?id=16578&mode=view' target=_blank>Загрузить оригинал (677.92 КБ)</a>
Вложения
w6_punish.rar
HMI visualisation
(3.86 МБ) 1169 скачиваний
main.rar
s7200 programm
(4.95 КБ) 1157 скачиваний
Создайте систему, которой сможет пользоваться дурак, и только дурак захочет ею пользоваться.
Машина должна работать, человек - думать. Принцип IBM.
Аватара пользователя
Nick
Мастер
Сообщения: 22776
Зарегистрирован: 23 ноя 2009, 16:45
Репутация: 1735
Заслуга: Developer
Откуда: Gatchina, Saint-Petersburg distr., Russia
Контактная информация:

Re: Станок W6 для растяжки торцов трубы (формовки).

Сообщение Nick »

А сделай еще фото изделия, так не совсем понятно как оно работает :)
+ медалька! :)
Аватара пользователя
ressurect_83
Кандидат
Сообщения: 61
Зарегистрирован: 13 июл 2013, 15:40
Репутация: 2
Откуда: Украина, Киев
Контактная информация:

Re: Станок W6 для растяжки торцов трубы (формовки).

Сообщение ressurect_83 »

Я видео хочу еще сделать. Мне там должны выточить из метала еще две пластины, которые на верх цилиндра одеваются, что бы показать как работает. Сниму видео и сделаю еще фото.
Создайте систему, которой сможет пользоваться дурак, и только дурак захочет ею пользоваться.
Машина должна работать, человек - думать. Принцип IBM.
Аватара пользователя
ressurect_83
Кандидат
Сообщения: 61
Зарегистрирован: 13 июл 2013, 15:40
Репутация: 2
Откуда: Украина, Киев
Контактная информация:

Re: Станок W6 для растяжки торцов трубы (формовки).

Сообщение ressurect_83 »

Перерисовал схему управляющего бокса. Теперь легче будет ее читать.
siemens_W6.JPG (25409 просмотров) <a class='original' href='./download/file.php?id=16670&mode=view' target=_blank>Загрузить оригинал (830.96 КБ)</a>
Чертежи шестигранника, пластины для крепления сверху на гидроцилиндр, которая держит 6 лепестков, окружающих шестигранник. Ниже фото, как это должно выглядеть.
Пластина - вид сверху.
sircle_w6.JPG (25409 просмотров) <a class='original' href='./download/file.php?id=16671&mode=view' target=_blank>Загрузить оригинал (356.33 КБ)</a>
Она же - вид снизу.
sircle_w6_down.JPG (25409 просмотров) <a class='original' href='./download/file.php?id=16672&mode=view' target=_blank>Загрузить оригинал (344.71 КБ)</a>
и сбоку.
sircle_w6_profile.JPG (25409 просмотров) <a class='original' href='./download/file.php?id=16669&mode=view' target=_blank>Загрузить оригинал (183.23 КБ)</a>
А также шестигранник и лепестки.
heksagen_plus.JPG (25409 просмотров) <a class='original' href='./download/file.php?id=16673&mode=view' target=_blank>Загрузить оригинал (438.02 КБ)</a>
Вот фото этих приколов.
DSC00282.JPG (25409 просмотров) <a class='original' href='./download/file.php?id=16674&mode=view' target=_blank>Загрузить оригинал (826.59 КБ)</a>
DSC00283.JPG (25409 просмотров) <a class='original' href='./download/file.php?id=16675&mode=view' target=_blank>Загрузить оригинал (612.82 КБ)</a>
DSC00284.JPG (25409 просмотров) <a class='original' href='./download/file.php?id=16676&mode=view' target=_blank>Загрузить оригинал (706.03 КБ)</a>
DSC00285.JPG (25409 просмотров) <a class='original' href='./download/file.php?id=16677&mode=view' target=_blank>Загрузить оригинал (647 КБ)</a>
DSC00286.JPG (25409 просмотров) <a class='original' href='./download/file.php?id=16678&mode=view' target=_blank>Загрузить оригинал (811.88 КБ)</a>
DSC00287.JPG (25409 просмотров) <a class='original' href='./download/file.php?id=16679&mode=view' target=_blank>Загрузить оригинал (821.73 КБ)</a>
DSC00291.JPG (25409 просмотров) <a class='original' href='./download/file.php?id=16683&mode=view' target=_blank>Загрузить оригинал (822.59 КБ)</a>
DSC00292.JPG (25409 просмотров) <a class='original' href='./download/file.php?id=16684&mode=view' target=_blank>Загрузить оригинал (827.19 КБ)</a>
DSC00294.JPG (25409 просмотров) <a class='original' href='./download/file.php?id=16686&mode=view' target=_blank>Загрузить оригинал (861.8 КБ)</a>
DSC00295.JPG (25409 просмотров) <a class='original' href='./download/file.php?id=16687&mode=view' target=_blank>Загрузить оригинал (650.13 КБ)</a>
Создайте систему, которой сможет пользоваться дурак, и только дурак захочет ею пользоваться.
Машина должна работать, человек - думать. Принцип IBM.
Аватара пользователя
ressurect_83
Кандидат
Сообщения: 61
Зарегистрирован: 13 июл 2013, 15:40
Репутация: 2
Откуда: Украина, Киев
Контактная информация:

Re: Станок W6 для растяжки торцов трубы (формовки).

Сообщение ressurect_83 »

Вот чертеж стола.
w6_table.JPG (25405 просмотров) <a class='original' href='./download/file.php?id=16690&mode=view' target=_blank>Загрузить оригинал (289.68 КБ)</a>
Создайте систему, которой сможет пользоваться дурак, и только дурак захочет ею пользоваться.
Машина должна работать, человек - думать. Принцип IBM.
Аватара пользователя
ressurect_83
Кандидат
Сообщения: 61
Зарегистрирован: 13 июл 2013, 15:40
Репутация: 2
Откуда: Украина, Киев
Контактная информация:

Re: Станок W6 для растяжки торцов трубы (формовки).

Сообщение ressurect_83 »

Сегодня вечером постараюсь снять видео монтажа пластины, шестигранника и лепестков. А также сам рабочий процесс.
Создайте систему, которой сможет пользоваться дурак, и только дурак захочет ею пользоваться.
Машина должна работать, человек - думать. Принцип IBM.
Аватара пользователя
ressurect_83
Кандидат
Сообщения: 61
Зарегистрирован: 13 июл 2013, 15:40
Репутация: 2
Откуда: Украина, Киев
Контактная информация:

Re: Станок W6 для растяжки торцов трубы (формовки).

Сообщение ressurect_83 »

Наконец-то сделал видео. Правда залить на форум не дало. В каком формате можно заливать видео?
Вот фото станка в сборе перед проверкой и съемкой видео.
DSC00304.JPG (25277 просмотров) <a class='original' href='./download/file.php?id=17219&mode=view' target=_blank>Загрузить оригинал (834.02 КБ)</a>
Вот видео станка в работе.

https://www.youtube.com/watch?v=TKOMItwwVrA
В 3GP формате
https://dl.dropboxusercontent.com/u/756 ... V00303.3gp
и в WMV
https://dl.dropboxusercontent.com/u/756 ... V00303.wmv
Создайте систему, которой сможет пользоваться дурак, и только дурак захочет ею пользоваться.
Машина должна работать, человек - думать. Принцип IBM.
Аватара пользователя
ressurect_83
Кандидат
Сообщения: 61
Зарегистрирован: 13 июл 2013, 15:40
Репутация: 2
Откуда: Украина, Киев
Контактная информация:

Re: Станок W6 для растяжки торцов трубы (формовки).

Сообщение ressurect_83 »

Сегодня сгорел контактор запуска двигателя - 3RT1016-2BB41. Пропало напряжение в сети, станок не выключили, при появлении напряжения с управляющего бокса пошел дым. Не могу понять причину. Выгорел под ноль. Хотя я проверял раньше систему, пускатель (3RV1011-1HA20) исправно отключал систему. А сегодня почему то не отключил...
Создайте систему, которой сможет пользоваться дурак, и только дурак захочет ею пользоваться.
Машина должна работать, человек - думать. Принцип IBM.
Аватара пользователя
Nick
Мастер
Сообщения: 22776
Зарегистрирован: 23 ноя 2009, 16:45
Репутация: 1735
Заслуга: Developer
Откуда: Gatchina, Saint-Petersburg distr., Russia
Контактная информация:

Re: Станок W6 для растяжки торцов трубы (формовки).

Сообщение Nick »

Так вот, что он делает :).
А какого размеры трубы тянет?


(видео лучше всего заливать на youtube, и вставить через специальный тег на форум.)
Аватара пользователя
ressurect_83
Кандидат
Сообщения: 61
Зарегистрирован: 13 июл 2013, 15:40
Репутация: 2
Откуда: Украина, Киев
Контактная информация:

Re: Станок W6 для растяжки торцов трубы (формовки).

Сообщение ressurect_83 »

Я разжимал 560 диаметр толщиной 1мм. Но теоретически возможно разжать и больше, если сделать из копролона детали под нужный диаметр. А насчет толщины метала, то максимально мы делали из 1.2... Больше не пробовал. Для разжимки труб большого диаметра нужно сделать стол. Который одевается на голову сверху. Тогда можно будет надеть деталь под большие трубы. Процесс изготовления деталей из копролона сниму на видео и выложу сдесь же вместе с чертежами. Как раз заказали плиту под это дело.
Создайте систему, которой сможет пользоваться дурак, и только дурак захочет ею пользоваться.
Машина должна работать, человек - думать. Принцип IBM.
Анатолий Иванов
Новичок
Сообщения: 2
Зарегистрирован: 18 окт 2016, 13:29
Репутация: 0
Настоящее имя: Анатолий
Контактная информация:

Re: Станок W6 для растяжки торцов трубы (формовки).

Сообщение Анатолий Иванов »

Нуждаюсь в таком же станке. Ищу кто изготовит на заказ или поможет чертежами и ценными советами.
Аватара пользователя
FLUKE
Мастер
Сообщения: 843
Зарегистрирован: 11 мар 2013, 21:18
Репутация: 187
Настоящее имя: Сергей
Откуда: Смоленск
Контактная информация:

Re: Станок W6 для растяжки торцов трубы (формовки).

Сообщение FLUKE »

Анатолий Иванов писал(а):Нуждаюсь в таком же станке. Ищу кто изготовит на заказ или поможет чертежами и ценными советами.
Вы тему читали? Выше есть чертежи, размеры, фото узлов и эл. схема.
Анатолий Иванов
Новичок
Сообщения: 2
Зарегистрирован: 18 окт 2016, 13:29
Репутация: 0
Настоящее имя: Анатолий
Контактная информация:

Re: Станок W6 для растяжки торцов трубы (формовки).

Сообщение Анатолий Иванов »

Параметров гидростанции и гидроцилиндра нет или у меня не все файлики открываются. Т.к. я не электронщик от слова совсем, то ищю кто бы мог эту автоматику для меня сделать. Раму, кулачки и конус могу и сам. А может человек, который уже один раз такой станок сделал, не откажется сделать и второй при взаимном интересе.
Денис7777
Новичок
Сообщения: 1
Зарегистрирован: 03 дек 2016, 11:34
Репутация: 0
Настоящее имя: Денис
Контактная информация:

Re: Станок W6 для растяжки торцов трубы (формовки).

Сообщение Денис7777 »

Помогите с чертежами конуса. И как правельно его сконструировать??
Аватара пользователя
ressurect_83
Кандидат
Сообщения: 61
Зарегистрирован: 13 июл 2013, 15:40
Репутация: 2
Откуда: Украина, Киев
Контактная информация:

Re: Станок W6 для растяжки торцов трубы (формовки).

Сообщение ressurect_83 »

Мы уже сделали таких станка 4 шт. Последние 2 очень серьезно доработали. Удешевили електронику. Написал новый софт под него.
Денис7777 писал(а):Помогите с чертежами конуса. И как правельно его сконструировать??
Пишите в ЛС. Розберемся.
Создайте систему, которой сможет пользоваться дурак, и только дурак захочет ею пользоваться.
Машина должна работать, человек - думать. Принцип IBM.
Дмитрий2017
Новичок
Сообщения: 1
Зарегистрирован: 05 янв 2017, 14:02
Репутация: 0
Контактная информация:

Re: Станок W6 для растяжки торцов трубы (формовки).

Сообщение Дмитрий2017 »

Добрый день.Интересует,такой станок.Цена и возможность отправки в РФ
Ответить

Вернуться в «Станки»