Помогите разобраться в схеме
-
Норавец
- Новичок
- Сообщения: 1
- Зарегистрирован: 26 окт 2022, 20:03
- Репутация: 0
- Настоящее имя: Владимир Пономарев
- Контактная информация:
Помогите разобраться в схеме
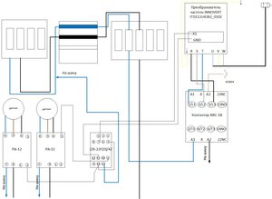
Граждане! Помогите ниразу не электрику-электронщику. Есть схема подключения асинхронного движка через частотник Инноверт (220 В) и управление включения и выключения двигателя от индукционных датчиков. Инженер уволился, а понадобилось позарез запустить станок. Так вот вопрос. Скопировал схему с уже работающего на 380В станка, но не срабатывает управление датчиками( Вручную все норм, но переключаю на управление с датчиков и 0 реакции. Если можно объяснение для конкретных офисных "растений", не копавшихся в проводах раньше
-
nevkon
- Почётный участник

- Сообщения: 2477
- Зарегистрирован: 17 июл 2015, 10:25
- Репутация: 310
- Настоящее имя: Константин
- Откуда: Балаково (Саратовская обл.)
- Контактная информация:
Re: Помогите разобраться в схеме
Ваше объяснение похоже на "купил бу автомобиль, масло залил, бензин залил, что надо чтобы он поехал?".
При чем тут электроника? Не понятно даже что вы пытаетесь сделать.
При чем тут электроника? Не понятно даже что вы пытаетесь сделать.
-
rry
- Мастер
- Сообщения: 224
- Зарегистрирован: 25 дек 2020, 12:01
- Репутация: 38
- Настоящее имя: Victor
- Контактная информация:
Re: Помогите разобраться в схеме
может просто вход X1 на ПЧ не настроен ?