STB5100 USB MOTION CARD

Контроллеры, драйверы, датчики, управляющие устройства.
Аватара пользователя
Rom327
Почётный участник
Почётный участник
Сообщения: 2989
Зарегистрирован: 03 апр 2015, 13:23
Репутация: 437
Настоящее имя: Роман
Откуда: Подольск
Контактная информация:

Re: STB5100 USB MOTION CARD

Сообщение Rom327 »

voverrr писал(а): Выгнать мышь.
Мышь USB?
Это сугубо мое мнение, могу и ошибаться...
https://vk.com/rom327
GRBL настройки: http://blogandbux.blogspot.com/2018/07/ ... revod.html
G коды: http://3d-stanki.ru/spravochnik/program ... stankov-2/
Аватара пользователя
voverrr
Мастер
Сообщения: 242
Зарегистрирован: 07 июн 2019, 01:22
Репутация: 4
Настоящее имя: Vladimir Mironov
Откуда: Moscow
Контактная информация:

Re: STB5100 USB MOTION CARD

Сообщение voverrr »

Этого я пока не знаю, чтобы узнать - надо её поймать. Пока что она вылезает из-под пола и презрительно смотрит на меня. Неудивительно: отец-ЧПУшник - горе в семье.
Аватара пользователя
voverrr
Мастер
Сообщения: 242
Зарегистрирован: 07 июн 2019, 01:22
Репутация: 4
Настоящее имя: Vladimir Mironov
Откуда: Moscow
Контактная информация:

Re: STB5100 USB MOTION CARD

Сообщение voverrr »

А вот и снова я.
Два дня куролесил в гараже.
Докладываю: всё в той же поре. Не работает.
Сейчас накидаю фоток, пояснения где-то на фотках, где-то в названиях.
Проверил заземление, лампочка через него горит(уже писал), заземли на него всё, до чего смог дотянуться: частотник, блок питания шаговиков(на нём тоже обнаружился вывод заземления), экран вокруг UVW-проводов, соответственно, сам шпиндель тоже.
Переставил винду на ноуте асус, накатил все обновы, дрова и Мач3, заземлил шасси ноута - стало кмк постабильнее при вылетах, даже мышка не выключается при ошибке.

Провод к шпинделю заэкранил, заземлил и разнёс насколько можно от жгута с сигнальными проводами - результата ноль.

Так понимаю, у вас будут замечания к конструкции. Изложу, что увидел сам:
- боковины портала из 10мм поликарбоната. Слабые. Качаются влево-вправо. Усилил из отрезками труб 40х25. Когда запущу станок по-взрослому - первое что вырежу, будут боковины из Д16Т 16мм. или закажу на лазере из 10 стали.

- привод по Y. Сейчас один движок, два винта, вращение передаётся через ремень HTD. Пока что точности хватает, но в будущем поставлю второй движок.

- фанерные опорные узлы подшипника - по ходу строительства потребовалось изменить высоту. Поликарбоната не оказалось, вырезал пока из фанеры. Когда закрутится станок - это будут вторые по очереди детали на изготовление.

- Привод оси X. Этот маленький ремень не нужен. Мотор должен стоять напрямую на винте. При этом и подшипник там тоже не нужен. И экономия в деньгах и устранение люфтов в ремне.

- поликарбонат 10мм вдоль оси Х на задней стороне портала. Это излишне. Хватило бы и 5мм поликарбоната или алюминия.
- профиль 50х50 - вполне достаточно прочности, не прогибается, не уходит.
- направляющие надо прятать, чтобы на них не сыпались опилки. По Y я сейчас накрыл кожаными полосами, не знаю, насколько будет действенно. Вообще надо строить аспирацию.
- китайские авиационные разъёмы. Очень трудоёмко их распаивать. На будущее не надо жадничать, а купить готовый распаяный и заваренный кабель на 40-45 пинов и ответки тоже по возможности распаянные. Сейчас 50% работы у меня сводится к прозвонке и проверке, не отвалились ли проводки в шлейфе.
- бак омывателя от грузовика какого-то на 5 литров. Вполне хватает охлаждать. По-тяжёлой я его пока не гонял сутками, но в течении дня, когда фрезеровал часа три-четыре, справлялся. Для моторчика 12 вольт всё же много, он жужжит весьма сильно и гонит воду, даже создаёт приличное давление на штуцерах. Думаю, вольт 5-6 ему будет достаточно.
- Пульт сейчас не подключен. Когда был подключен - надо было угадать в плагинами для мача, чтобы он плата его увидела.
- Концевики, сейчас понимаю, что надо было ставить не на торец, а на проходе. Пока настраивал, уже кучу кнопок поломал, когда каретка не распознала концевик и проехала дальше и выломила его из посадочного места.

Наверняка кто-нибуль скажет "я б такие фотки постыдился бы выкладывать", ну уж как есть.
Вложения
бак омывателя (1348 просмотров) <a class='original' href='./download/file.php?id=203961&mode=view' target=_blank>Загрузить оригинал (619.47 КБ)</a>
бак омывателя
блок питания 12 вольт (1348 просмотров) <a class='original' href='./download/file.php?id=203963&mode=view' target=_blank>Загрузить оригинал (579.17 КБ)</a>
блок питания 12 вольт
блок питания 12 вольт (1348 просмотров) <a class='original' href='./download/file.php?id=203964&mode=view' target=_blank>Загрузить оригинал (634.14 КБ)</a>
блок питания 12 вольт
вход разъёмов в ящик (1348 просмотров) <a class='original' href='./download/file.php?id=203965&mode=view' target=_blank>Загрузить оригинал (484.4 КБ)</a>
вход разъёмов в ящик
драйвер (1348 просмотров) <a class='original' href='./download/file.php?id=203966&mode=view' target=_blank>Загрузить оригинал (661.25 КБ)</a>
драйвер
портал вид сзади (1348 просмотров) <a class='original' href='./download/file.php?id=203968&mode=view' target=_blank>Загрузить оригинал (664.39 КБ)</a>
портал вид сзади
заземление закреплено в ящике (1348 просмотров) <a class='original' href='./download/file.php?id=203969&mode=view' target=_blank>Загрузить оригинал (437.53 КБ)</a>
заземление закреплено в ящике
концевик справа по Х (1348 просмотров) <a class='original' href='./download/file.php?id=203970&mode=view' target=_blank>Загрузить оригинал (546.04 КБ)</a>
концевик справа по Х
ось Y pflyzz cnjhjyf (1348 просмотров) <a class='original' href='./download/file.php?id=203971&mode=view' target=_blank>Загрузить оригинал (548.79 КБ)</a>
ось Y pflyzz cnjhjyf
концевик кнопка без фиксации, нормально разомкнутая (1348 просмотров) <a class='original' href='./download/file.php?id=203972&mode=view' target=_blank>Загрузить оригинал (430.29 КБ)</a>
концевик кнопка без фиксации, нормально разомкнутая
ближний конец оси Y (1348 просмотров) <a class='original' href='./download/file.php?id=203973&mode=view' target=_blank>Загрузить оригинал (549.2 КБ)</a>
ближний конец оси Y
полоса закреплена к воротам (1348 просмотров) <a class='original' href='./download/file.php?id=203974&mode=view' target=_blank>Загрузить оригинал (563.63 КБ)</a>
полоса закреплена к воротам
ремень htd Между осями Y (1348 просмотров) <a class='original' href='./download/file.php?id=203975&mode=view' target=_blank>Загрузить оригинал (508.79 КБ)</a>
ремень htd Между осями Y
моторчик омывателя дворников (1348 просмотров) <a class='original' href='./download/file.php?id=203976&mode=view' target=_blank>Загрузить оригинал (599.49 КБ)</a>
моторчик омывателя дворников
Autotool Z (1348 просмотров) <a class='original' href='./download/file.php?id=203977&mode=view' target=_blank>Загрузить оригинал (509.44 КБ)</a>
Autotool Z
Autotool Z (1348 просмотров) <a class='original' href='./download/file.php?id=203978&mode=view' target=_blank>Загрузить оригинал (520.19 КБ)</a>
Autotool Z
всё в куче (1348 просмотров) <a class='original' href='./download/file.php?id=203979&mode=view' target=_blank>Загрузить оригинал (644.98 КБ)</a>
всё в куче
ящик в целом (1348 просмотров) <a class='original' href='./download/file.php?id=203980&mode=view' target=_blank>Загрузить оригинал (597.06 КБ)</a>
ящик в целом
ось Z (1348 просмотров) <a class='original' href='./download/file.php?id=203981&mode=view' target=_blank>Загрузить оригинал (468.75 КБ)</a>
ось Z
разъёмы на задней стороне (1348 просмотров) <a class='original' href='./download/file.php?id=203982&mode=view' target=_blank>Загрузить оригинал (540.37 КБ)</a>
разъёмы на задней стороне
привод по Х (1348 просмотров) <a class='original' href='./download/file.php?id=203983&mode=view' target=_blank>Загрузить оригинал (647.99 КБ)</a>
привод по Х
привод по Y (1348 просмотров) <a class='original' href='./download/file.php?id=203984&mode=view' target=_blank>Загрузить оригинал (564.6 КБ)</a>
привод по Y
пульт с экраном и крутилкой (1348 просмотров) <a class='original' href='./download/file.php?id=203985&mode=view' target=_blank>Загрузить оригинал (484.49 КБ)</a>
пульт с экраном и крутилкой
стол и комп (1348 просмотров) <a class='original' href='./download/file.php?id=203986&mode=view' target=_blank>Загрузить оригинал (612.03 КБ)</a>
стол и комп
потроха частотника. Красный провод - заземление (1348 просмотров) <a class='original' href='./download/file.php?id=203987&mode=view' target=_blank>Загрузить оригинал (592.6 КБ)</a>
потроха частотника. Красный провод - заземление
перфолента крепится к воротам (1348 просмотров) <a class='original' href='./download/file.php?id=203988&mode=view' target=_blank>Загрузить оригинал (610.66 КБ)</a>
перфолента крепится к воротам
ящик с драйверами (1348 просмотров) <a class='original' href='./download/file.php?id=203989&mode=view' target=_blank>Загрузить оригинал (597.92 КБ)</a>
ящик с драйверами
жгуты разнесены друг от друга (1339 просмотров) <a class='original' href='./download/file.php?id=203999&mode=view' target=_blank>Загрузить оригинал (320.67 КБ)</a>
жгуты разнесены друг от друга
безобразно валяется заземление (1339 просмотров) <a class='original' href='./download/file.php?id=204000&mode=view' target=_blank>Загрузить оригинал (326.45 КБ)</a>
безобразно валяется заземление
Последний раз редактировалось voverrr 05 июл 2022, 00:06, всего редактировалось 1 раз.
Аватара пользователя
voverrr
Мастер
Сообщения: 242
Зарегистрирован: 07 июн 2019, 01:22
Репутация: 4
Настоящее имя: Vladimir Mironov
Откуда: Moscow
Контактная информация:

Re: STB5100 USB MOTION CARD

Сообщение voverrr »

Как настраивал мач3:
На первой вкладе пробовал разные радиобатоны - разницы не увидел
2022-07-04_23-31-29.png (1346 просмотров) <a class='original' href='./download/file.php?id=203995&mode=view' target=_blank>Загрузить оригинал (76.96 КБ)</a>
На второй вкладке Motor output:
Работают только галки Enable - от них движки или работают или нет. Числовые значения, остальные галки ставил любые - не влияют. Движки всё равно работают, ошибка всё равно выскакивает.
2022-07-04_23-30-22.png (1346 просмотров) <a class='original' href='./download/file.php?id=203993&mode=view' target=_blank>Загрузить оригинал (68.11 КБ)</a>
Настройки концевиков вот такие. Галк Active low вроде инвертирует значение концевика(становится нормально замкнутым), галка Emulated не влияет ни на работу ни на ошибку
2022-07-04_23-31-11.png (1346 просмотров) <a class='original' href='./download/file.php?id=203994&mode=view' target=_blank>Загрузить оригинал (76.49 КБ)</a>
Аватара пользователя
voverrr
Мастер
Сообщения: 242
Зарегистрирован: 07 июн 2019, 01:22
Репутация: 4
Настоящее имя: Vladimir Mironov
Откуда: Moscow
Контактная информация:

Re: STB5100 USB MOTION CARD

Сообщение voverrr »

Мач3 версии 3.043
В плагине Ref All home прописано вот это:

Код: Выделить всё

DoButton( 23 )
Code "G0 G53 y0"
DoButton( 22 )
Code "G0 G53 X0"

DoOEMButton(133)
DoOEMButton(134)
DoOEMButton(135)
он то работает, то не работает

В настройках концевиков:
2022-07-04_23-45-56.png (1346 просмотров) <a class='original' href='./download/file.php?id=203996&mode=view' target=_blank>Загрузить оригинал (56.37 КБ)</a>
В плагине Autotool Zero прописано вот это и он работает отлично(наверное, это единственно, что работает без сбоя):

Код: Выделить всё

Message( "Auto Zeroing..." )
If IsSuchSignal (22) Then
code "G31 Z-15 F200"
While IsMoving()
Wend
Call SetDRO( 2, 42.3 )
code "G1 Z50"
End If
42,3 - это высота датчика

Сейчас заземление от ворот = соединение ящика = заземление с частотника = заземление БП шаговиков = экран UVW = корпус шпинделя = шасси ноутбука.

Общий провод от концевиков и датчика Z не соединяется с землёй.
Основная проблема - сваливается в ошибку во время попытки пошевелить моторами при запущенном шпинделе. После выключения шпинделя некоторе время выдаёт device is not ready при втыкании-вытыкании провода usb, но при заземлённом ноуте мышка не гаснет наглухо, а продолжает шевелиться.
Ошибка появляется независимо от программного положения концевиков на вкладке input signals: галки могут быть enabled или нет, но ошибка всё равно выскакивает.

В феврале-марте на плате STB5100как-то получалось фрезеровать без концевиков. Ноль выставлял наугад, резал фанеру 15 за 2-3 прохода разовыми перебежками.
Аватара пользователя
voverrr
Мастер
Сообщения: 242
Зарегистрирован: 07 июн 2019, 01:22
Репутация: 4
Настоящее имя: Vladimir Mironov
Откуда: Moscow
Контактная информация:

Re: STB5100 USB MOTION CARD

Сообщение voverrr »

Может надо как-то заземлить саму плату? Где у неё может быть земля?
Вложения
IMG_2369.JPEG (1339 просмотров) <a class='original' href='./download/file.php?id=203998&mode=view' target=_blank>Загрузить оригинал (393.24 КБ)</a>
Аватара пользователя
MX_Master
Мастер
Сообщения: 7490
Зарегистрирован: 27 июн 2015, 19:45
Репутация: 3113
Настоящее имя: Михаил
Откуда: Алматы
Контактная информация:

Re: STB5100 USB MOTION CARD

Сообщение MX_Master »

Заземление платы смысла не возымеет, наводки ловит антенна под названием USB кабель :) Единственный вариант быстрой связи, который точно работает в условиях "шума", это Ethernet. Буквально дня три-четыре назад тестировал макетку с STM32 в связке с мини ПК и LinuxCNC 2.8. Использовал обычный кабель (USB-MicroUSB) для зарядки смартфона. Перебои в связи при работе рядом со шпинделем получились просто гигантские, до 5 секунд. При этом рядом стоял (и был подключен) Ethernet контроллер NVEM (с моим вариантом прошивки) и прекрасно себя чувствовал. Сбоев связи не было замечено.
Аватара пользователя
Rom327
Почётный участник
Почётный участник
Сообщения: 2989
Зарегистрирован: 03 апр 2015, 13:23
Репутация: 437
Настоящее имя: Роман
Откуда: Подольск
Контактная информация:

Re: STB5100 USB MOTION CARD

Сообщение Rom327 »

voverrr писал(а): Может надо как-то заземлить саму плату? Где у неё может быть земля?
A это что за плата? И ничего , что тема о платах stb5100?
Это сугубо мое мнение, могу и ошибаться...
https://vk.com/rom327
GRBL настройки: http://blogandbux.blogspot.com/2018/07/ ... revod.html
G коды: http://3d-stanki.ru/spravochnik/program ... stankov-2/
Аватара пользователя
voverrr
Мастер
Сообщения: 242
Зарегистрирован: 07 июн 2019, 01:22
Репутация: 4
Настоящее имя: Vladimir Mironov
Откуда: Moscow
Контактная информация:

Re: STB5100 USB MOTION CARD

Сообщение voverrr »

Rom327 писал(а): 05 июл 2022, 15:46 A это что за плата? И ничего , что тема о платах stb5100?
это плата вот эта:
https://www.nvcnc.net/nvum.html
она какая-то родственница той STB5100. Вон всё их семейство.
Аватара пользователя
voverrr
Мастер
Сообщения: 242
Зарегистрирован: 07 июн 2019, 01:22
Репутация: 4
Настоящее имя: Vladimir Mironov
Откуда: Moscow
Контактная информация:

Re: STB5100 USB MOTION CARD

Сообщение voverrr »

MX_Master писал(а): 05 июл 2022, 15:04 наводки
т.е. надо другую плату всё же?
Кабель USB сейчас у меня длиной около метра. Есть ещё короткий, полупрозрачный, ну знаете такие из Китая с ардуинами в комплекте приходят. Длинный - не знаю, экранирован ли, а вот короткий прозрачный - видно, что оплётка есть. Подключал и через него, нет разницы.

Думаю попробовать оставить в жгуте только моторные провода, а концевиковые вынести в другой шлейф. поможет ли? Ещё осталось пара метров экрана, одеть моторный шлейф в экран?
Аватара пользователя
Курдль
Мастер
Сообщения: 2174
Зарегистрирован: 20 мар 2018, 16:55
Репутация: 282
Настоящее имя: Курдль Энтеропийский
Откуда: Msk
Контактная информация:

Re: STB5100 USB MOTION CARD

Сообщение Курдль »

voverrr писал(а): A это что за плата? И ничего , что тема о платах stb5100?
это плата вот эта:
https://www.nvcnc.net/nvum.html
она какая-то родственница той STB5100.
Да охренеть, какая родственница. Очень дальняя. Родственная связь только по слову "плата" :hehehe:

По приведенной Вами ссылке указаны контроллеры, с которыми умеет работать убогая программа DrufelCNC.
Мой сайт: https://cnc-hobby.ru
Аватара пользователя
Rom327
Почётный участник
Почётный участник
Сообщения: 2989
Зарегистрирован: 03 апр 2015, 13:23
Репутация: 437
Настоящее имя: Роман
Откуда: Подольск
Контактная информация:

Re: STB5100 USB MOTION CARD

Сообщение Rom327 »

voverrr писал(а): она какая-то родственница той STB5100. Вон всё их семейство.
Да, похоже один отец... его зовут Диод...
Это сугубо мое мнение, могу и ошибаться...
https://vk.com/rom327
GRBL настройки: http://blogandbux.blogspot.com/2018/07/ ... revod.html
G коды: http://3d-stanki.ru/spravochnik/program ... stankov-2/
Аватара пользователя
voverrr
Мастер
Сообщения: 242
Зарегистрирован: 07 июн 2019, 01:22
Репутация: 4
Настоящее имя: Vladimir Mironov
Откуда: Moscow
Контактная информация:

Re: STB5100 USB MOTION CARD

Сообщение voverrr »

Та или другая, но ведут они себя одинакого.
DrufelCNC пробовал ставить, в прошлый заход. Не понравилось. Ещё хлеще, чем мач3. Неуправляемый интерфейс, сбрасывающиеся настройки и никакого саппорта на форумах.
Аватара пользователя
voverrr
Мастер
Сообщения: 242
Зарегистрирован: 07 июн 2019, 01:22
Репутация: 4
Настоящее имя: Vladimir Mironov
Откуда: Moscow
Контактная информация:

Re: STB5100 USB MOTION CARD

Сообщение voverrr »

И вот снова я.
Докладываю.
Отцепил концевиковые провода от платы вообще - нет никакой разницы, всё равно плата глохнет при запуске шпинделя. Значит дело не в рядомпроложенности сигнальных и моторных проводов.

А потом я соединил ноут с платой тем синим коротким экранированным шнуром и оно заработало!
IMG_2372.JPEG (1258 просмотров) <a class='original' href='./download/file.php?id=204050&mode=view' target=_blank>Загрузить оригинал (322.1 КБ)</a>
В какие-то моменты ошибка вылетала, но самое главное - появилось хоть какое-то определение где искать проблему.
Потом я скрутил в плотные жгуты вон те провода от платы к драйверам и от драйверов к моторам и оно стало ещё стабильнее.
IMG_2373.JPEG (1258 просмотров) <a class='original' href='./download/file.php?id=204051&mode=view' target=_blank>Загрузить оригинал (416.28 КБ)</a>
Никак не могу определить драйвера для этой платы.
На ноуте DNS, когда я её подключал, оно распознало плату и автоматом накачало какие-то драйвера. На асусе пока не распознаёт, но, думаю, потом обнаружит и обновит.
Пока что всё соединено соплями, без красоты. Думаю, надо сначала достичь какой-то результат, а потом уже порядок наводить. Сколько раз уже так было, что собираешь всё по красоте, укладываешь, выравниваешь, а потом приходится всё раздербанивать во время отладки. Завтра надену на эти жгуты экран, плату закреплю в ящике, провода уложу..
Аватара пользователя
Курдль
Мастер
Сообщения: 2174
Зарегистрирован: 20 мар 2018, 16:55
Репутация: 282
Настоящее имя: Курдль Энтеропийский
Откуда: Msk
Контактная информация:

Re: STB5100 USB MOTION CARD

Сообщение Курдль »

voverrr писал(а): Потом я скрутил в плотные жгуты вон те провода от платы к драйверам и от драйверов к моторам и оно стало ещё стабильнее.
Вы зачем-то от контроллера к драйверам ШД провели толстые провода, а от драйверов к ШД - так и оставили тонкие.
Скручивать в жгут управляющие сигналы не имеет смысла, тем более все цепи. Цепь Pulse и Gnd еще как-то могло быть оправданно.
Но я имел в виду скрутку силовых цепей, питающих обмотки (попарно). Они имеют дифференциальное питание и таким образом электромагнитные поля в них взаимно компенсируются. Т.е. если на одном контакте обмотки +10В, то на другом -10В.
Какие у Вас ШД? Вижу, вроде мощнее, чем Nema17. Т.е. их ток далеко за 2А. А мнемоническое правило электрика: "сечение провода в квадратах должно быть не меньше тока в А".
Кроме того, драйвера ШД выдают на их обмотки сложные импульсы с прямоугольными фронтами и спадами, что влечет за собой помехи смежным цепям. А вот еще один интересный "кейс", о котором я подумал:
Драйвера ШД изо всех сил стараются поддержать на их обмотках заданный ток. А это значит - ток во всей замкнутой цепи от колодок драйвера до разъема ШД и обратно. Закон Ома все мы помним: I = U/R. Как Вы думаете, какое сопротивление у провода МГТФ 0.38, длиной в два метра?
Думаю, что выше, чем у обмоток ШД (я приводил таблицу ).
Если у цепи суммарное сопротивление 10 Ом, то драйверам на одну обмотку придется подавать 20В, чтобы добиться 2А в моменте. А если учесть, что сигнал двухполярный, то амплитуда сигнала 40В! Т.е. в цепи гуляют прямоугольные импульсы амплитудой в 40В и частотой в килогерцы! Это если пойти на сделку с совестью и предположить, что драйверы ШД качественно отфильтровывают импульсы собственной ШИМ...
Мое предложение, так сказать "для чистоты эксперимента": поставить драйверы ШД непосредственно рядом с ШД (в 10 - 20 см.) и подключить толстыми проводами, желательно свитыми попарно, соответственно обмоткам. Проверить результат. Если дело не в них - продолжать изыскания. Но в любом случае потом соединить ШД с драйверами толстыми витыми проводами.
voverrr писал(а): Настройки концевиков вот такие. Галка Active low вроде инвертирует значение концевика(становится нормально замкнутым)
Нет. Это означает, что датчик будет считаться сработавшим, если напряжение на сигнальной цепи изменится с высокого на низкое.
Этого можно добиться как подключением нагрузки (сигнальной цепи) через нормально разомкнутую кнопку на "землю", так и через нормально замкнутую на +источника питания.
Мой сайт: https://cnc-hobby.ru
kfmut
Мастер
Сообщения: 1249
Зарегистрирован: 30 янв 2021, 21:34
Репутация: 147
Настоящее имя: Максим
Откуда: г.Тверь
Контактная информация:

Re: STB5100 USB MOTION CARD

Сообщение kfmut »

Курдль писал(а): прямоугольные импульсы амплитудой в 40В
Шта?
Аватара пользователя
voverrr
Мастер
Сообщения: 242
Зарегистрирован: 07 июн 2019, 01:22
Репутация: 4
Настоящее имя: Vladimir Mironov
Откуда: Moscow
Контактная информация:

Re: STB5100 USB MOTION CARD

Сообщение voverrr »

kfmut писал(а): 07 июл 2022, 10:32 Шта?
Условно-прямоугольные. Для моей стадии развития это достаточно понятно объяснено.

Провода 0,35 в шлейфе к моторам - меня беспокоят. Да, надо бы их заменить на что-то потолще, но пока что они выполняют свою задачу. На тех деталях и времени обработки вроде даже не нагреваются. Но я не представляю, как паять на эти контактики более толстое сечение. Я начал распаивать их проводом 0,75, проклял всё, плюнул, заменил на 0,5, еле-как распаял. Потом когда экспериментил - прокинул 0,35 МГФ к движкам и не увидел разницы. Распаял этим. Всё ж попроще.
Может я не тот разъём беру? Сейчас Y28М на 37 контактов. Все они мне ни к чему. Может на меньшее число контактов они будут покрупнее?
Ну вот что мне в нём нужно:

моторный провод:
4 провода на Х
4 провода на Y
4 провода на Z
---------------------Это наверное, в отдельном шлейфе? И чтобы рядом с ними не было ничего другого. 12 контактов.

шпиндельный провод:
3 провода на шпиндель+экран
--------------------- Это второй провод. 4-контактный байонет имеет вполне крупные контакты для разводки 2,5мм сечения.

сигнальный провод:
1 провод концевик по Х
1 провод концевик по Y
1 провод концевик по Z
1 провод com - общий для концевиков
1 провод на autotool Z
1 провод на кнопку экстренной остановки
2 провода на подсветку в зоне фрезы
2 провода на питание моторчика омывателя.
4-5 контактов на какие-то ещё хотелки
------------------ Это третий провод. 14-15 контактов.
Скручивать провода попарно - я понял вас в тот раз, просто как представишь, что их надо отпаять, прицепить, перекрутить, прозвонить и припаять обратно - становится душно. Я последнюю неделю только и занимаюсь, что провода перепаиваю в этом разъёме. Получается что-то вроде бифилярной намотки, которая снижает индуктивные наводки. В институте 30 лет назад я это проходил мимо.

Движки у меня сейчас на Нема 34 на 12Нм
Курдль писал(а): 07 июл 2022, 09:58 Нет. Это означает, что датчик будет считаться сработавшим, если напряжение на сигнальной цепи изменится с высокого на низкое.
Этого можно добиться как подключением нагрузки (сигнальной цепи) через нормально разомкнутую кнопку на "землю", так и через нормально замкнутую на +источника питания.
А для наводок есть разница, если на сигнальных проводах будет высокое напряжение, а не как сейчас, низкое(никакое)?
Предполагаем, что жгут как сейчас - сигнальные в одном пучке с моторными.

Ну и ещё мои соображения по концевикам:
Да, они в одном жгуте с моторными. Да, от моторных идёт такая наводка, что вызывает в сигнальных ЭДС, которая поступает в плату в качестве сигнала "концевик замкнут". Но тогда бы оно и писало, что limit triggered, а оно-то ведь пишет ошибку device is not ready и перестаёт видеть плату. Оно перекидывает его в какое-то нерабочее состояние.
Аватара пользователя
Курдль
Мастер
Сообщения: 2174
Зарегистрирован: 20 мар 2018, 16:55
Репутация: 282
Настоящее имя: Курдль Энтеропийский
Откуда: Msk
Контактная информация:

Re: STB5100 USB MOTION CARD

Сообщение Курдль »

voverrr писал(а): А для наводок есть разница, если на сигнальных проводах будет высокое напряжение, а не как сейчас, низкое(никакое)?
Не так важно, какое напряжение на сигнальных цепях после срабатывания кнопки, как состояние этих цепей в режиме покоя.
Например, какой на них импеданс. Если эта цепь просто "болтается в воздухе" - это готовая антенна для ловли наводок.
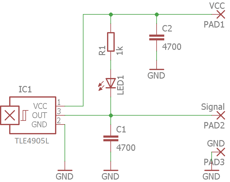
А если она притянута резистором в 1КОм к земле (плюсу) - то наводки ловятся хуже. А если еще и конденсатором зашунтирована - ващще кайф!
Поставьте между контактами кнопок (прямо на кнопках) керамические кондеры в 0.01 мкФ.
voverrr писал(а): Но тогда бы оно и писало, что limit triggered, а оно-то ведь пишет ошибку device is not ready и перестаёт видеть плату.
Я не знаю, как проектировалась плата, как программировался контроллер...
Предположим, что сигналы с концевиков заведены на порт приоритетного прерывания.
Тогда при их срабатывании микроконтроллер бросает выполнять текущую программу и спешно начинает выполнять подпрограмму обработки прерывания. Умные программисты на это время блокируют возможность отклика на новые прерывания. А ленивые программисты? Решили, что концевики не могут срабатывать 2 раза подряд с интервалом, достаточным для обработки подпрограммы прерывания и забили. Тогда при получении не единичного сигнала, а серии импульсов, микроконтроллер может впасть в ступор. Может быть так же на что-то забили разработчики чипа USB интерфейса.
Мой сайт: https://cnc-hobby.ru
Аватара пользователя
voverrr
Мастер
Сообщения: 242
Зарегистрирован: 07 июн 2019, 01:22
Репутация: 4
Настоящее имя: Vladimir Mironov
Откуда: Moscow
Контактная информация:

Re: STB5100 USB MOTION CARD

Сообщение voverrr »

Курдль писал(а): 07 июл 2022, 13:15 А если она притянута резистором в 1КОм к земле (плюсу) - то наводки ловятся хуже. А если еще и конденсатором зашунтирована - ващще кайф!
Поставьте между контактами кнопок (прямо на кнопках) керамические кондеры в 0.01 мкФ.
Во, спасибо. Попробую кондёры и резисторы.

но оно выдавало такую же точно ошибку и при сигнальных проводах отключённых напрочь от платы. Из-за этого я подумал, что значит наводки от моторных проводов не так влияют.
Аватара пользователя
Курдль
Мастер
Сообщения: 2174
Зарегистрирован: 20 мар 2018, 16:55
Репутация: 282
Настоящее имя: Курдль Энтеропийский
Откуда: Msk
Контактная информация:

Re: STB5100 USB MOTION CARD

Сообщение Курдль »

voverrr писал(а): Во, спасибо. Попробую кондёры и резисторы.
Надеюсь, Вы поняли, что резисторы не там же, где кондеры.
Если концевики при срабатывании замыкают сигнальную цепь на "землю" - то притягивающий резистор надо подключать между этой цепью и Uип. А если наоборот - то к Gnd (тогда резистор называется стягивающим).
Uип имеется в виду платы контроллера, и, как я понял, оно равно 12В.
В моих самодельных датчиках кроме резистора стоит еще и светодиод, позволяющий заметить факт срабатывания
HallSensor.png
HallSensor.png (11.56 КБ) 1206 просмотров
voverrr писал(а): Из-за этого я подумал, что значит наводки от моторных проводов не так влияют.
Если Вы до сих пор не избавились от проблем, то следует отсекать все возможные причины.
Мой сайт: https://cnc-hobby.ru
Ответить

Вернуться в «Электроника»