Подключение: Автомат 230V+ Контактор+ кнопка пуска и стоп

Контроллеры, драйверы, датчики, управляющие устройства.
Vustik
Новичок
Сообщения: 3
Зарегистрирован: 11 июл 2021, 21:32
Репутация: 0
Настоящее имя: Андрей
Контактная информация:

Подключение: Автомат 230V+ Контактор+ кнопка пуска и стоп

Сообщение Vustik »

снобы идите дальше, не можете дать дельный совет не звездите, вертел я таких умников
Последний раз редактировалось Vustik 06 фев 2022, 23:28, всего редактировалось 1 раз.
Аватара пользователя
Лодочник
Мастер
Сообщения: 2178
Зарегистрирован: 10 авг 2012, 05:24
Репутация: 1835
Настоящее имя: Олег
Откуда: г.Королев
Контактная информация:

Re: Подключение: Автомат 230V+ Контактор+ кнопка пуска и стоп

Сообщение Лодочник »

Пипец!
svm
Мастер
Сообщения: 367
Зарегистрирован: 23 ноя 2017, 12:56
Репутация: 75
Настоящее имя: Владимир Сергеев
Откуда: Бузулук
Контактная информация:

Re: Подключение: Автомат 230V+ Контактор+ кнопка пуска и стоп

Сообщение svm »

Не прикасайся к этим изделиям. Господь накажет, и скорее всего материально. Хотя возможен и летальный исход.
NikolayUa24
Мастер
Сообщения: 1407
Зарегистрирован: 31 июл 2013, 20:05
Репутация: 256
Настоящее имя: Николай
Контактная информация:

Re: Подключение: Автомат 230V+ Контактор+ кнопка пуска и стоп

Сообщение NikolayUa24 »

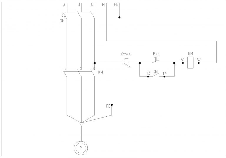
Vustik писал(а): идите дальше
Они как правило хорошие, но бывают не в настроении ;)
Наверное это нужно :thinking:
Вложения
220_v-768x539.jpg (1327 просмотров) <a class='original' href='./download/file.php?id=201578&mode=view' target=_blank>Загрузить оригинал (21.93 КБ)</a>
Реле.jpg (1327 просмотров) <a class='original' href='./download/file.php?id=201579&mode=view' target=_blank>Загрузить оригинал (28.53 КБ)</a>
Страдания ведут человека к совершенству.
Vustik
Новичок
Сообщения: 3
Зарегистрирован: 11 июл 2021, 21:32
Репутация: 0
Настоящее имя: Андрей
Контактная информация:

Re: Подключение: Автомат 230V+ Контактор+ кнопка пуска и стоп

Сообщение Vustik »

NikolayUa24 писал(а): 07 фев 2022, 00:25
Vustik писал(а): идите дальше
Они как правило хорошие, но бывают не в настроении ;)
Наверное это нужно :thinking:
ну я если бы знал, то, наверное, и не спрашивал бы, логично, спасибо за схему, но я так понял, что она с трех фаз, у меня одна только фаза приходит, 230V. Вот соединил, если не правильно, поправьте, спасибо заранее.

на ютюбе нашел: Подробно о самоподхвате на примере контактора IEK ( Анатолий Владимирович Петренко) попробую разобраться
Вложения
fr2.jpg (1316 просмотров) <a class='original' href='./download/file.php?id=201580&mode=view' target=_blank>Загрузить оригинал (1.36 МБ)</a>
Аватара пользователя
Лодочник
Мастер
Сообщения: 2178
Зарегистрирован: 10 авг 2012, 05:24
Репутация: 1835
Настоящее имя: Олег
Откуда: г.Королев
Контактная информация:

Re: Подключение: Автомат 230V+ Контактор+ кнопка пуска и стоп

Сообщение Лодочник »

.
svm
Мастер
Сообщения: 367
Зарегистрирован: 23 ноя 2017, 12:56
Репутация: 75
Настоящее имя: Владимир Сергеев
Откуда: Бузулук
Контактная информация:

Re: Подключение: Автомат 230V+ Контактор+ кнопка пуска и стоп

Сообщение svm »

Зачем две кнопки, если у каждой есть клавиши "ПУСК" и "СТОП" ?
Vustik
Новичок
Сообщения: 3
Зарегистрирован: 11 июл 2021, 21:32
Репутация: 0
Настоящее имя: Андрей
Контактная информация:

Re: Подключение: Автомат 230V+ Контактор+ кнопка пуска и стоп

Сообщение Vustik »

это одна кнопка, просто перевернутая, в заголовке три элемента в деле, может запутанно спросил, сори
Аватара пользователя
azbukived
Опытный
Сообщения: 172
Зарегистрирован: 13 окт 2012, 17:08
Репутация: 5
Контактная информация:

Re: Подключение: Автомат 230V+ Контактор+ кнопка пуска и стоп

Сообщение azbukived »

https://cnc-club.ru/forum/download/file ... 201579&t=1
Посмотри внимательно на вход фазы. Она имеет прерывание единое, а не ноль. Прими это во внимание и не допусти параллельного включения, так как в ноле токи должны быть свободными. Это теория, но её лучше придерживаться.
Ответить

Вернуться в «Электроника»