Плата USB китайская

Mach, популярные и не очень CAD, CAM. Обсуждение и разработка программ для управления станками.
NorNik
Кандидат
Сообщения: 74
Зарегистрирован: 21 фев 2018, 08:09
Репутация: 27
Настоящее имя: Игорь
Откуда: 69 парралель
Контактная информация:

Плата USB китайская

Сообщение NorNik »

Господа, всем доброе время суток! Помогите плиз подружить плату https://aliexpress.ru/item/33026539186. ... 7179263039 с МАЧ 3. Спасибо.
Shmarozik
Новичок
Сообщения: 1
Зарегистрирован: 15 янв 2022, 17:20
Репутация: 0
Настоящее имя: Егор
Контактная информация:

Re: Плата USB китайская

Сообщение Shmarozik »

Добрый день! Плату подружили? Если да, то скажите пожалуйста работает ли она с 4-мя осями? Купил недавно такую и ось А не могу задублировать на Y.
Serg61
Мастер
Сообщения: 247
Зарегистрирован: 14 дек 2019, 13:20
Репутация: 10
Настоящее имя: Сергей Петров
Контактная информация:

Re: Плата USB китайская

Сообщение Serg61 »

Shmarozik писал(а): 15 янв 2022, 17:28 Добрый день! Плату подружили? Если да, то скажите пожалуйста работает ли она с 4-мя осями? Купил недавно такую и ось А не могу задублировать на Y.
Добрый день.
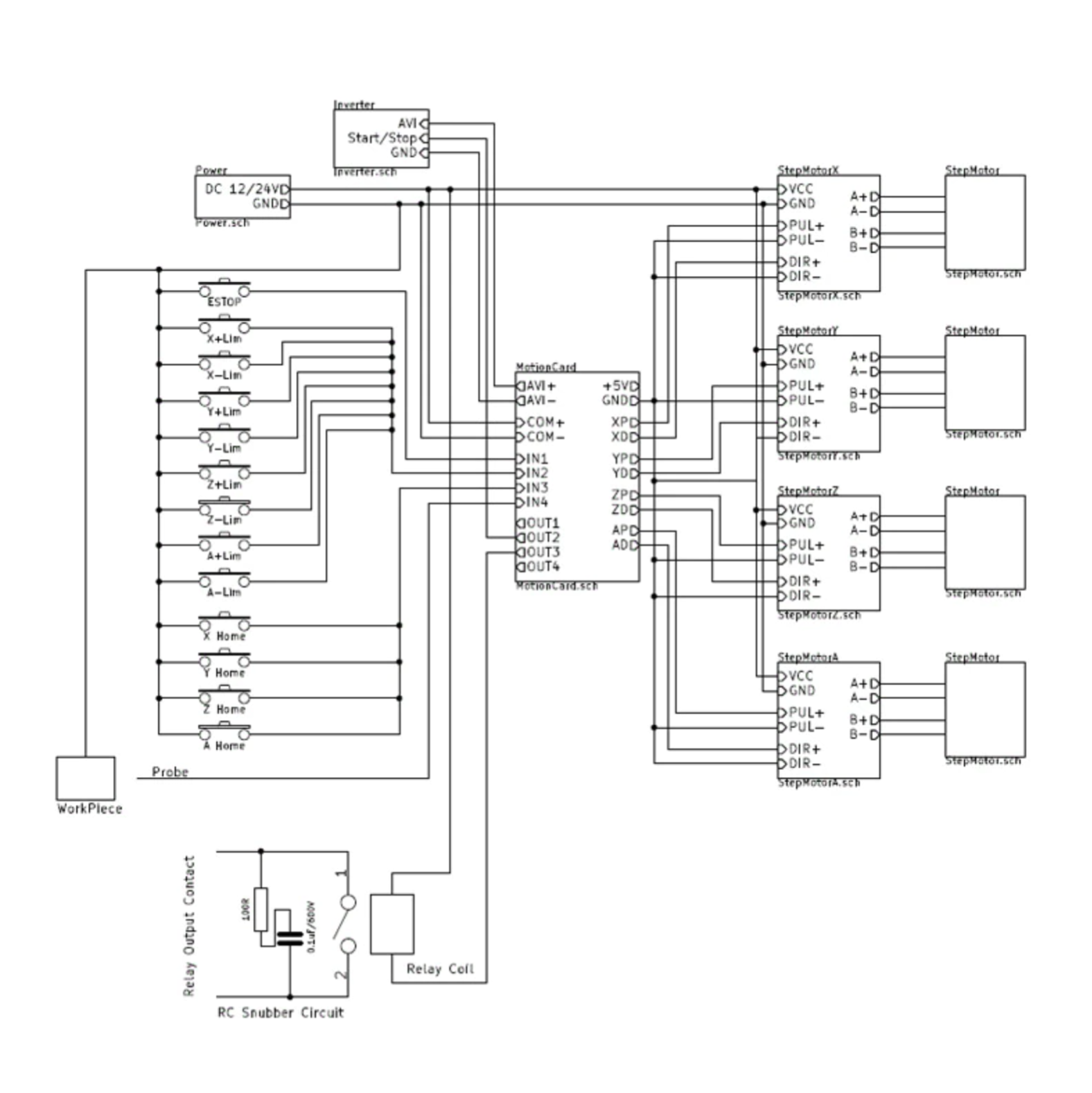
опять двадцать пять)) эта плата не способна синхронизировать два мотора на оси У. т.к. если посмотреть на схему подключения лимитов, то видно что все оси подключаются к одному выводу, а это означает что сначала она ищет лимит У, потом Х и потом З)) для синхронизации для каждого лимита нужен свой отдельный пин.
Вложения
22.png (1328 просмотров) <a class='original' href='./download/file.php?id=201427&mode=view' target=_blank>Загрузить оригинал (523.22 КБ)</a>
Serg61
Мастер
Сообщения: 247
Зарегистрирован: 14 дек 2019, 13:20
Репутация: 10
Настоящее имя: Сергей Петров
Контактная информация:

Re: Плата USB китайская

Сообщение Serg61 »

вернее не лимиты, а датчики дома.. хотя и те и те сидят на одном пине.
Ответить

Вернуться в «Windows / Mach»