Это было проверено?
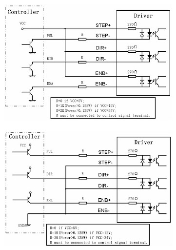
Как у вас степ и дир на драйверах подключены, с общим нулем или с общим плюсом?
Стук не уходит при делении шага 1\4 от ощущается если взять двигатель в руки.
Вопрос не работоспособности драйверов, а в том как подключены по полярности управляющие сигналы, которые приходят на драйвера. Если полярность не правильная, то будут либо лишние импульсы в начале и конце, либо по одному будет не хватать. И лишние импульсы Степ по времени как раз будут налезать на импульсы Дир и делать "кашу" в работе (уходы координат). Поэтому и вопрос - пробовали инвертировать степ и Дир сигналы подключив по другому?
Если подключен Enable, то при остановке двигатель обесточивается и смещается в устойчивое магнитное положение. Потом при первом шаге, даже с микрошагом будет большой скачек. И возможно в другую сторону.
Я понял про общий минус.
Выставил деление шага 1/8 двести раз в право с клавиатуры. Вернулось четко на метку.calabr писал(а): ↑ А какие именно ускорения и скорости?
Ожет при микро-шаге все-таки уходит, но менее заметно?
Стук и должен уходить с микрошагом- движение более плавное. Тут все и стараются по-мельче шаги делать.
Сделай тест для 1 оси - 100 раз туды-сюды и на сколько уедет, потом в 1-м направлении с паузами 100 раз. Ппремещения могут быть короткими - одного оборота вала хватит.

Enable можно откинуть...
Там есть галочка step low actv, но на нее не реагирует. Подключение на общий минус почему то не работает главное на ENA в настройках мача реагирует. Двиг встает на удержание, а на степ дир сигнал никак
А перед драйверами ШД что-то буферное стоит типа 74HC245? Если стоит, то мне пока непонятно, почему это помогло - у них же выход push-pull. На моем станке периодически бывают малые смещения, как раз пытаюсь вникнуть - то ли с полярностью намудрил, то ли датчики базы подклинивают.
Да, на плате контроллера буферная м/с стоит. Полагаю, что при инвертировании сигнала активных фронтов для работы драйвера становится на один меньше или больше. Это как пять пальцев на руке, но между ними четыре промежутка.