Ну вот.
Щелкнуть дип 8 на вкл и будет там 24в.
Но опять таки, как измеряется напряжение относительно земли, или другого контакта?
При срабатывании датчика значение должно меняться либо 5/24в или 0в

Ну вот.
Какие положительные и отрицательные контакты БП?xenon-alien писал(а): ↑ я постоянно путаюсь с этими pnp npn
Никаких 5/24В выходить из нпн датчика не должно, нпн показывает всегда 0В, это плата управления генерирует сигнал 5В который датчик нпн замыкает на GNDxenon-alien писал(а): ↑ При срабатывании датчика значение должно меняться либо 5/24в или 0в
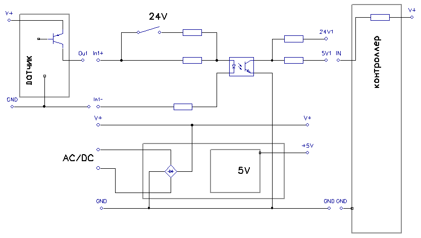
Перевожу -это не сигнал ,а тип датчика .Почему ,лучше не знать ,а то там электронные дырки могут быть . На сигнальном (чёрном) проводе датчика не может быть силового тока от которого бывает синий дым ! Но похоже всё идёт к тому. Т.н. "прозвонка" применяется на ОТКЛЮЧЁННОМ оборудовании для поиска обрывов и замыканий ! Одна сторона платы это вход вторая выход , мерить (подключать щупы) нужно только с одной стороны .Рекомендую померить напряжение на том пине контроллера к которому требуется подключить датчик ,исходя из этого можно будет сделать вывод ,что должен дать датчик .Поясню,если там потенциал ,например 5 вольт, то сработавший датчик должен посадить его на ноль , если там ноль то сработавший датчик должен выдать напряжение 5 или 24 ,как то так . Но это моё частное суждение ,а не руководство к действию!
"Сигнальный" выход pnp-датчега в нагрузку даже в номинале несколько сотен мА выдаётгражданинъ писал(а): ↑ На сигнальном (чёрном) проводе датчика не может быть силового тока от которого бывает синий дым !
гражданинъ писал(а): ↑ похоже всё идёт к тому
Во-первых, у вас датчег неправильно подключен. Во-вторых, у вас на выходах платы по сути NPN-транзистор, которую "подключает" нагрузку к земле(!!!) при срабатывания датчега на входе платы. У вас какая нагрузка подключена? Мультиметр?
да тут я замерял количество ампер на том варианте который я думал что верный.гражданинъ писал(а): ↑25 фев 2021, 00:26 download/file.php?id=192691&mode=view&mt=1
Мне кажется или тут попытка измерения тока ?
Т.Е. оставить как есть и просто добавить на входе перемычку с гнд на IN-niksooon писал(а): ↑ Сдается мне что платка до того универсальная ,что спасу нет и надобно сильно опутать ее проводами чтоб заработала . Если подключаем датчик пнп то его сигнальный (черный )провод лепим на in+ а соответствующий этому-же входу in- отдельным проводком подключаем к минусу (gnd) ( так как сдается мне , что оба входа оптопары попросту в воздухе "висят")
По фото плохо видно-но кажется там на плате вроде и индикация присутствует на срабатывание входа (иль место под нее имеется )
То, что коричневый на V+ ,а синий на GND подключить и джампером выбрать необходимое напряжения питания 5-24 В думаю объяснять уже не надо ........
Ну а со стороны выходов -один щуп тестера на GND ,а второй в режиме измерения постоянного напряжения на соответствующий подключенному датчику выходной канал, коих там на один вход цельная пара с уровнем 24 и 5в
вот на них при срабатывании датчика и должно меняться напряжение с 24В до 0 В и с 5 В до 0 В.............
Оно же токовые клещи и амперы меряет методом обхватывания провода рогами ! Кроме напряжения ни чего не измеряй для решения задачи .Что с сигналом на входе ? На датчике есть светодиод?