Будете смеяться, но центроискатель:)
-
DZiK
- Новичок
- Сообщения: 28
- Зарегистрирован: 14 авг 2020, 14:24
- Репутация: 2
- Настоящее имя: Кирилл
- Контактная информация:
Re: Будете смеяться, но центроискатель:)
Я специально подождал пару недель. Ведь кроме, глубокомысленного высера из-за слова "проект", и очевидных методов доработки, ничего конструктивного то и не было.xvovanx писал(а): ↑22 окт 2020, 13:17Простите конечно, но тут форум, а не КБ. Если по вашему, так тут на форуме нет ни одного готового проекта со сметами, Гостами, полным оформлением, всеми чертежами, списками, пояснениями и предостережениями...xenon-alien писал(а): ↑ Вы когда-нибудь видели готовый проект в прямом смысле? Со всеми чертежами, списками, пояснениями и предостережениями...
P.S. как по мне так на форуме готовая модель, схема и вид печатной платы вполне годятся для проекта.
Ввозможно я не явно выразился, я просил размеры, уже доработанных изделий, чтобы не тратить время, сразу написал, что прекрасно все понимю. И как все доработать это я разберусь самостоятельно.
Если у вас есть время допиливать напильником паровоз, чтобы получить танк, это сугубо ваше личное желание, и пожалуйста не надо его навязвать другим.
Я Вас прощаю, тут действительно форум, форум ЧПУ, и далеко не изделий. Потому, что в сообществе отечественных и зарубежных изобретателей и проектировщиков, выкладывают модель-проект тот, с которого делают конечное изделие, если есть изменения, выкладывают новую версию. И никому там Ваши ГОСТЫ, сметы, оформление, техпроцессы и всякая херотня не нужна, потому, что 3D модель, является проектом, в модели возможно указать абсолютно все, если не указано, можно додумать. А кому нужно, делает все остальное, для изготовления и т.д. Надо, задают вопрос и получают ответ.
- Umnik
- Мастер
- Сообщения: 2563
- Зарегистрирован: 20 июл 2014, 19:32
- Репутация: 2153
- Настоящее имя: Георгий
- Откуда: Калуга
- Контактная информация:
Re: Будете смеяться, но центроискатель:)
Вам показали идею, дали модель, возможно нужно было проверить проект перед изготовлением, может слегка подправить какие-то нюансы.
ну дак доработайте, сделайте и выложите на всеобщее обозрение - сделайте доброе дело для всех)
Но вместо этого уже вторую страницу демагогию разводите...
ну дак доработайте, сделайте и выложите на всеобщее обозрение - сделайте доброе дело для всех)
Но вместо этого уже вторую страницу демагогию разводите...
-
alex_sar
- Мастер
- Сообщения: 1863
- Зарегистрирован: 28 авг 2018, 17:13
- Репутация: 315
- Настоящее имя: Алексей
- Контактная информация:
Re: Будете смеяться, но центроискатель:)
если нет времени, значит надо платить бабосы ) адрес всем известен (подсказка - город Минск).
после таких наездов поневоле задумаешься - стоит ли тратить своё время и чего то бесплатно выкладывать.
после таких наездов поневоле задумаешься - стоит ли тратить своё время и чего то бесплатно выкладывать.
- xenon-alien
- Почётный участник

- Сообщения: 4520
- Зарегистрирован: 01 янв 2013, 13:13
- Репутация: 925
- Настоящее имя: Daniel
- Откуда: Закарпатская обл. Украина
- Контактная информация:
Re: Будете смеяться, но центроискатель:)
В таких случаях человек больше на себя злится, нежели на автора - сам не проверил, сам виноват.
Просто нужно предупреждать, что могут быть косяки и править под свои нужды.
Человек то не так давно на этом форуме.
Это тоже самое, что залить чужую прошивку в биос/телефон/ещёкудат-то не понимая ничего и потом обвинять автора что получил кирпич.
Всё что в свободном доступе, нужно использовать на свой страх и риск.
-
DZiK
- Новичок
- Сообщения: 28
- Зарегистрирован: 14 авг 2020, 14:24
- Репутация: 2
- Настоящее имя: Кирилл
- Контактная информация:
Re: Будете смеяться, но центроискатель:)
Истинная суть форумов.
Я выложу - не сомневайтеь.
А еще модель короны с сапфиром, в подарок для диванных критиков ) А то задним числом все умные.
Правильно Леха Технарь говорит, вместо форумов читать научную литературу и тогда все получится.
Автора, кстати, я не обвинял, я просил помочь доработать с учетом его исследований, потому, что у него мешок всяких вариантов было.
Я выложу - не сомневайтеь.
А еще модель короны с сапфиром, в подарок для диванных критиков ) А то задним числом все умные.
Правильно Леха Технарь говорит, вместо форумов читать научную литературу и тогда все получится.
Автора, кстати, я не обвинял, я просил помочь доработать с учетом его исследований, потому, что у него мешок всяких вариантов было.
-
Serg1973
- Кандидат
- Сообщения: 47
- Зарегистрирован: 06 май 2016, 11:44
- Репутация: 0
- Настоящее имя: Сергей
- Контактная информация:
Re: Будете смеяться, но центроискатель:)
тоже буду делать датчик с подобной механикой (эл. схема предполагается другая) - вопрос один - почему 12V ? чем 5V не устроило ?
- xenon-alien
- Почётный участник

- Сообщения: 4520
- Зарегистрирован: 01 янв 2013, 13:13
- Репутация: 925
- Настоящее имя: Daniel
- Откуда: Закарпатская обл. Украина
- Контактная информация:
Re: Будете смеяться, но центроискатель:)
У каждого контроллера "вход" может быть на разное напряжение. Вот почему. На аруинке - 5в, на МЕСА - 24в (можно и 12).
Можно через оптопару... Ну и т.д...
- Сергей Саныч
- Мастер
- Сообщения: 9116
- Зарегистрирован: 30 май 2012, 14:20
- Репутация: 2858
- Откуда: Тюмень
- Контактная информация:
Re: Будете смеяться, но центроискатель:)
5V не всегда способны пробить пленку окислов на 6 парах контактов, включенных последовательно. На форуме обсуждалось неоднократно.
Чудес не бывает. Бывают фокусы.
-
Serg1973
- Кандидат
- Сообщения: 47
- Зарегистрирован: 06 май 2016, 11:44
- Репутация: 0
- Настоящее имя: Сергей
- Контактная информация:
Re: Будете смеяться, но центроискатель:)
хм... ...видимо когда-то "пролистал" это обсуждение... ...а в чём выражалось это "не пробитие" ? тупо отсутствие контакта или нескончаемый дребезг ?Сергей Саныч писал(а): ↑12 ноя 2020, 21:085V не всегда способны пробить пленку окислов на 6 парах контактов, включенных последовательно. На форуме обсуждалось неоднократно.
вообще странно, полированные шарики, полированные "качалки", всё стальное, откуда ж там такие непробиваемые окислы ?
-
Serg1973
- Кандидат
- Сообщения: 47
- Зарегистрирован: 06 май 2016, 11:44
- Репутация: 0
- Настоящее имя: Сергей
- Контактная информация:
Re: Будете смеяться, но центроискатель:)
да это-то понятно, вообще не проблема, просто сейчас на станке нет надобности присобачивать ещё один блок питания, хочу использовать то что есть в наличииxenon-alien писал(а): ↑12 ноя 2020, 21:03 У каждого контроллера "вход" может быть на разное напряжение. Вот почему. На аруинке - 5в, на МЕСА - 24в (можно и 12).
Можно через оптопару... Ну и т.д...![]()
- Сергей Саныч
- Мастер
- Сообщения: 9116
- Зарегистрирован: 30 май 2012, 14:20
- Репутация: 2858
- Откуда: Тюмень
- Контактная информация:
Re: Будете смеяться, но центроискатель:)
Отсутствие контакта. Замыкание контактов в ЦИ происходит медленно, усилие прижима малое. В результате - при низковольтном питании на 100 срабатываний приходится несколько "зависаний" в разомкнутом состоянии (проводил тесты). При 12-18V таких проблем не наблюдается.
Чудес не бывает. Бывают фокусы.
- xvovanx
- Мастер
- Сообщения: 3776
- Зарегистрирован: 25 фев 2016, 12:27
- Репутация: 920
- Настоящее имя: Владимир
- Откуда: Latvia
- Контактная информация:
Re: Будете смеяться, но центроискатель:)
Измерял сопротивление своих многочисленных датчиков при срабатываниях: от нуля (хороший контакт), аж до 10-20кОм
Последний раз редактировалось xvovanx 13 ноя 2020, 10:16, всего редактировалось 1 раз.
-
Serg1973
- Кандидат
- Сообщения: 47
- Зарегистрирован: 06 май 2016, 11:44
- Репутация: 0
- Настоящее имя: Сергей
- Контактная информация:
Re: Будете смеяться, но центроискатель:)
хм... ...есть маленький тупой контроллер (attiny10), но с adc - можно использовать замыкание не на полную, а на отличную от... ...и программно обрабатывать дребезг, имхо должно получиться
- sima8520
- Почётный участник

- Сообщения: 4510
- Зарегистрирован: 24 ноя 2016, 23:35
- Репутация: 1617
- Настоящее имя: Илья
- Откуда: Беларусь, Гомель
- Контактная информация:
Re: Будете смеяться, но центроискатель:)
Парни, а чем вы припаиваете шарики к плате?
- xvovanx
- Мастер
- Сообщения: 3776
- Зарегистрирован: 25 фев 2016, 12:27
- Репутация: 920
- Настоящее имя: Владимир
- Откуда: Latvia
- Контактная информация:
Re: Будете смеяться, но центроискатель:)
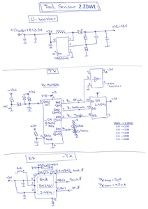
Так так все и делают. А еще контроллером замеряют батарейку, моргают светодиодиками, контролируют радиоканал и т.д. Вот мое творчество (не из самых последних вариантов беспроводного
Последний раз редактировалось xvovanx 13 ноя 2020, 10:48, всего редактировалось 8 раз.