Форумчане всем привет..
Помогите сделать адаптер для суппорта автомобиля.
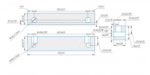
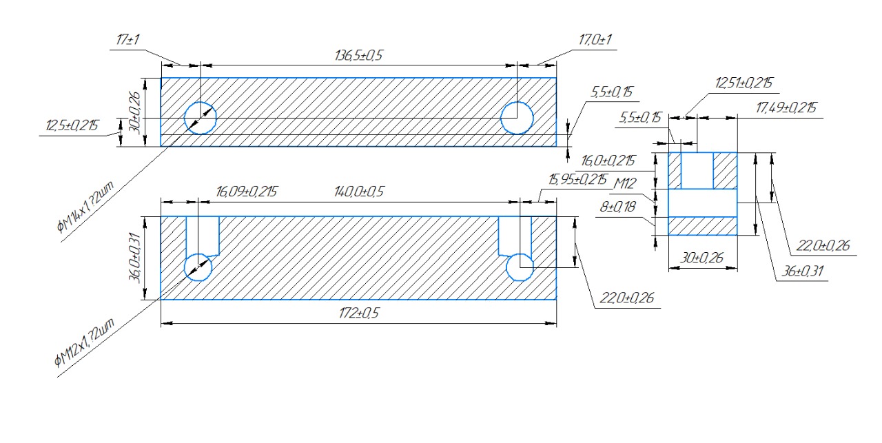
Материал сталь, сорт на ваше усмотрение.
Если исполнитель в Москве, а желательно в Москве, тогда заготовки могу сам привезти, будет сталь, квадрат 40мм на 200+-5мм ст45.
Из того что хочется сделать с начало это 1 экземпляр, его необходимо будет примерить, если все отлично, тогда делаем второй, если нет, вносим изменения в 2 размера +-1мм, и делаем новый экземпляр с новыми правками.
На чертежи не указана резьба, м14*1,5 2шт и м12*1,5 2шт.
Нужно 2 таких адаптера.
В случае если цена, и исполнение устроит, готов заказать наверное 5 таких комплектов.
Прошу писать свои предложения к комменты.
С уважением
Рустам.
Адаптер для суппорта
Правила форума
Разрешается публиковать предложения по предоставлению услуг как физическим лицам так и коммерческим организациям, при соблюдении следующих условий:
1. должны присутствовать характеристики предлагаемых услуг, возможности оборудования
2. должна присутствовать стоимость услуги
3. должно присутствовать описание способов оплаты, доставки и места расположения (город)
4. один продавец - одна тема
Фотографии товаров приветствуются (фотографии должны быть вложениями к сообщениям).
Возможно размещение ссылки на свой сайт, с описанием товара, при обязательном соблюдении пунктов 1-3.
Администрация форума может удалить тему или сообщения из данного раздела на свое усмотрение, без объяснения причин!
Разрешается публиковать предложения по предоставлению услуг как физическим лицам так и коммерческим организациям, при соблюдении следующих условий:
1. должны присутствовать характеристики предлагаемых услуг, возможности оборудования
2. должна присутствовать стоимость услуги
3. должно присутствовать описание способов оплаты, доставки и места расположения (город)
4. один продавец - одна тема
Фотографии товаров приветствуются (фотографии должны быть вложениями к сообщениям).
Возможно размещение ссылки на свой сайт, с описанием товара, при обязательном соблюдении пунктов 1-3.
Администрация форума может удалить тему или сообщения из данного раздела на свое усмотрение, без объяснения причин!
-
Klin1
- Новичок
- Сообщения: 4
- Зарегистрирован: 24 июн 2020, 10:20
- Репутация: 2
- Настоящее имя: Олег
- Контактная информация:
Re: Адаптер для суппорта
Пишите, обсудим. 79261379483
-
Сергей1986
- Новичок
- Сообщения: 32
- Зарегистрирован: 05 июл 2019, 14:08
- Репутация: 0
- Настоящее имя: Сергей
- Контактная информация:
Re: Адаптер для суппорта
serega.vasiliewsky@yandex.ru пишите обсудим