"Мерцание" индуктивного датчика

Контроллеры, драйверы, датчики, управляющие устройства.
Аватара пользователя
max_ku
Кандидат
Сообщения: 56
Зарегистрирован: 20 ноя 2019, 13:07
Репутация: 3
Настоящее имя: Максим
Откуда: г.Пенза
Контактная информация:

"Мерцание" индуктивного датчика

Сообщение max_ku »

Всем привет!
Как еще назвать? "дребезг", "мерцание", частые срабатывания при хоумлении любой оси. Датчики LJ8A3-2-Z/BX: DC NPN NO
Из-за этого LinuxCNC выдает ошибку "home switch active before start of latch move" и индикатор на датчике мерцает.
Датчики одновременно и home и limit. Иногда хоуминг проходит. Лимиты работают четко.

Может слишком маленькая скорость хоуминга?
IMG_20200330_191253[1].jpg (6557 просмотров) <a class='original' href='./download/file.php?id=179294&mode=view' target=_blank>Загрузить оригинал (2.68 МБ)</a>
IMG_20200330_191136[1].jpg (6557 просмотров) <a class='original' href='./download/file.php?id=179295&mode=view' target=_blank>Загрузить оригинал (4.1 МБ)</a>
Аватара пользователя
iMaks-RS
Мастер
Сообщения: 1807
Зарегистрирован: 10 июл 2017, 09:25
Репутация: 205
Настоящее имя: Maks
Откуда: От туда.
Контактная информация:

Re: "Мерцание" индуктивного датчика

Сообщение iMaks-RS »

Шпиндель во время хомления включен?
Я сталкивался с подобным... при включенном шпинделе - наводки на все датчики, и при работе шпинделя - тоже мерцание индикации их сработки... Как ни странно - решилось заменой датчиков. Многое перепробывал: отдельный БП, БП с гальванической развязкой (как отдельно так и питание с платы stepmaster), кидал микрофонные кабеля КММ.. пофиг. Но как говориться - не было бы щастя, да нешасте помогло.... при хомлении Z - ось стукнула датчик и впечатала пластик в корпус.. при этом висел в постоянной сработке... после того как датчик был заменен - дефект ушел.. Заменил остальные два датчика - все стало О.К. Схемотоз у них там внутри простой, диод, три транзистора и немного рассыпухи в обвязке. Возможно где-то китайцы съэкономили..
Аватара пользователя
xvovanx
Мастер
Сообщения: 3776
Зарегистрирован: 25 фев 2016, 12:27
Репутация: 920
Настоящее имя: Владимир
Откуда: Latvia
Контактная информация:

Re: "Мерцание" индуктивного датчика

Сообщение xvovanx »

max_ku писал(а):индикатор на датчике мерцает
Сигнальный вывод датчика "подтянут" к плюсу 10к резистором?
Аватара пользователя
max_ku
Кандидат
Сообщения: 56
Зарегистрирован: 20 ноя 2019, 13:07
Репутация: 3
Настоящее имя: Максим
Откуда: г.Пенза
Контактная информация:

Re: "Мерцание" индуктивного датчика

Сообщение max_ku »

Нет, не подтянут. В инструкции к плате так и написано, что для NPN не нужен резистор.
Аватара пользователя
max_ku
Кандидат
Сообщения: 56
Зарегистрирован: 20 ноя 2019, 13:07
Репутация: 3
Настоящее имя: Максим
Откуда: г.Пенза
Контактная информация:

Re: "Мерцание" индуктивного датчика

Сообщение max_ku »

2020-03-30_21-43-27.png (6532 просмотра) <a class='original' href='./download/file.php?id=179296&mode=view' target=_blank>Загрузить оригинал (16.68 КБ)</a>
Аватара пользователя
xvovanx
Мастер
Сообщения: 3776
Зарегистрирован: 25 фев 2016, 12:27
Репутация: 920
Настоящее имя: Владимир
Откуда: Latvia
Контактная информация:

Re: "Мерцание" индуктивного датчика

Сообщение xvovanx »

max_ku писал(а):В инструкции к плате так и написано, что для NPN не нужен резистор
У NPN датчика открытый коллектор. В выключенном состоянии проверьте сопротивление между сигнальным пином и плюсом (есть ли привязка к плюсу на плате).
Аватара пользователя
max_ku
Кандидат
Сообщения: 56
Зарегистрирован: 20 ноя 2019, 13:07
Репутация: 3
Настоящее имя: Максим
Откуда: г.Пенза
Контактная информация:

Re: "Мерцание" индуктивного датчика

Сообщение max_ku »

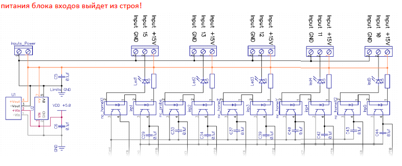
Вот часть схемы входов датчиков. Через резистор 1,5 кОм и два диода. Вроде как есть.
2020-03-30_21-42-20.png (6516 просмотров) <a class='original' href='./download/file.php?id=179297&mode=view' target=_blank>Загрузить оригинал (77.3 КБ)</a>
Аватара пользователя
max_ku
Кандидат
Сообщения: 56
Зарегистрирован: 20 ноя 2019, 13:07
Репутация: 3
Настоящее имя: Максим
Откуда: г.Пенза
Контактная информация:

Re: "Мерцание" индуктивного датчика

Сообщение max_ku »

даже три диода
Аватара пользователя
Umnik
Мастер
Сообщения: 2563
Зарегистрирован: 20 июл 2014, 19:32
Репутация: 2153
Настоящее имя: Георгий
Откуда: Калуга
Контактная информация:

Re: "Мерцание" индуктивного датчика

Сообщение Umnik »

я бы посоветовал процедуру хомления настроить таким образом, чтобы после сработки датчика ось отходила от него на пол мм, например, или на 1 мм.
Тогда ложные срабатывания скорее всего уйдут...
Аватара пользователя
nickoass
Мастер
Сообщения: 248
Зарегистрирован: 15 сен 2014, 21:38
Репутация: 23
Настоящее имя: Николай
Откуда: Киров
Контактная информация:

Re: "Мерцание" индуктивного датчика

Сообщение nickoass »

Umnik писал(а):я бы посоветовал процедуру хомления настроить таким образом, чтобы после сработки датчика ось отходила от него на пол мм, например, или на 1 мм.
Тогда ложные срабатывания скорее всего уйдут...
Ну, да. Вполне возможен этот вариант. При отъезде оси от датчика, она останавливается на границе срабатывания датчика. Т.к. гесерезис у датчика очень маленький, происходят срабатывания
Аватара пользователя
iMaks-RS
Мастер
Сообщения: 1807
Зарегистрирован: 10 июл 2017, 09:25
Репутация: 205
Настоящее имя: Maks
Откуда: От туда.
Контактная информация:

Re: "Мерцание" индуктивного датчика

Сообщение iMaks-RS »

Может дело в этом:
(для просмотра содержимого нажмите на ссылку)
Home Latch Direction выподающии список из двух способов определения домашних координат:

"Same" При срабатывании датчика home продолжать ехать до тех пор,пока этот датчик не разомкнётся.
"Opposite" При срабатывании датчика home остановится и ехать обратно до момента рамыкания датчика.

Способ "Same" следует выбирать если датчик находится в пределах рабочего промежутка,
а способ "Opposite" если он находится с краю или за его пределами.
по дефолту - стоит "Same" , я всегда ставлю "Opposite"
Аватара пользователя
Argon-11
Мастер
Сообщения: 2068
Зарегистрирован: 07 июн 2017, 17:48
Репутация: 461
Контактная информация:

Re: "Мерцание" индуктивного датчика

Сообщение Argon-11 »

Что-то подобное было при неполном заземлении корпуса станка.
Аватара пользователя
donvictorio
Мастер
Сообщения: 2458
Зарегистрирован: 11 окт 2012, 16:26
Репутация: 683
Настоящее имя: Виктор
Откуда: Санкт-Петербург
Контактная информация:

Re: "Мерцание" индуктивного датчика

Сообщение donvictorio »

а у меня с вполне взрослыми датчиками sick дребезг был из-за низкого напряжения питания. датчикам заявлено от 10 до 24в, питал их от 12в,а проблемы ушли, как подключил к 24в. тоже удивлялся мизерному гистерезису, который должен был быть около 4мм.
Аватара пользователя
max_ku
Кандидат
Сообщения: 56
Зарегистрирован: 20 ноя 2019, 13:07
Репутация: 3
Настоящее имя: Максим
Откуда: г.Пенза
Контактная информация:

Re: "Мерцание" индуктивного датчика

Сообщение max_ku »

Хоуминг заработал стабильно после увеличения скорости!
Поменял параметры в INI файле HOME_SEARCH_VEL= 10 (было 1.5)
и HOME_LATCH_VEL = 5 (было 0.8)
Ответить

Вернуться в «Электроника»