Контроллер XC609 и оси JSD2505M в портальном станке.

Общие вопросы станкостроения и организиции труда.
Сергей-урал
Новичок
Сообщения: 20
Зарегистрирован: 02 фев 2017, 06:47
Репутация: 3
Настоящее имя: Сергей Владимирович
Контактная информация:

Контроллер XC609 и оси JSD2505M в портальном станке.

Сообщение Сергей-урал »

Добрый день. В данном контроллере нет режима подчиненной оси, для портального станка с двумя моторами это не хорошо. Суть проблемы если во время работы один мотор встанет (пропало питание драйвера) другой будет работать и ломать портал, необходимо так же правильная установка в домашнюю позицию. Последовательное соединение концевиков не совсем корректно. В ходе разбора ситуации сделал схему решающую данную проблему. Может кому-то будет полезно. Описание работы то же есть, плату не разрабатывал. На станке работу проверил.
Вложения
чпу22.JPG (4186 просмотров) <a class='original' href='./download/file.php?id=173935&mode=view' target=_blank>Загрузить оригинал (394.28 КБ)</a>
Сергей-урал
Новичок
Сообщения: 20
Зарегистрирован: 02 фев 2017, 06:47
Репутация: 3
Настоящее имя: Сергей Владимирович
Контактная информация:

Re: Контроллер XC609 и оси JSD2505M в портальном станке.

Сообщение Сергей-урал »

Доработка JSD2505M. Электрическая схема. Формирование сигнала PEND который необходим для работы платы.
Вложения
формирование сигнала энкодера.JPG (4170 просмотров) <a class='original' href='./download/file.php?id=173962&mode=view' target=_blank>Загрузить оригинал (106.87 КБ)</a>
Сергей-урал
Новичок
Сообщения: 20
Зарегистрирован: 02 фев 2017, 06:47
Репутация: 3
Настоящее имя: Сергей Владимирович
Контактная информация:

Re: Контроллер XC609 и оси JSD2505M в портальном станке.

Сообщение Сергей-урал »

Вариант с реле не очень понравился, есть проблемы со стабильностью, возможно связанные с вибрациями. Поэтому в финальном варианте их нет, были еще ошибки на схеме, вроде поправил все. Измененные части на рисунке. Метод применим для разных типов энкодеров, с коррекцией схемы. Хотя узел установки оси Х в Домашнюю позицию можно использовать отдельно. Всем успехов в работе.
Вложения
чпу_ла7_кт3_ле5.JPG (3994 просмотра) <a class='original' href='./download/file.php?id=174685&mode=view' target=_blank>Загрузить оригинал (400.11 КБ)</a>
Сергей-урал
Новичок
Сообщения: 20
Зарегистрирован: 02 фев 2017, 06:47
Репутация: 3
Настоящее имя: Сергей Владимирович
Контактная информация:

Re: Контроллер XC609 и оси JSD2505M в портальном станке.

Сообщение Сергей-урал »

Если кто захочет использовать блок А1, схема его подключения.
Вложения
схема подключения А1.JPG (3849 просмотров) <a class='original' href='./download/file.php?id=175639&mode=view' target=_blank>Загрузить оригинал (160.17 КБ)</a>
Сергей-урал
Новичок
Сообщения: 20
Зарегистрирован: 02 фев 2017, 06:47
Репутация: 3
Настоящее имя: Сергей Владимирович
Контактная информация:

Re: Контроллер XC609 и оси JSD2505M в портальном станке.

Сообщение Сергей-урал »

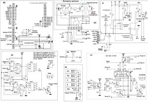
Разработанная плата не привязана к конкретному контроллеру. Ей все равно с кем работать. Блок А1 можно использовать отдельно - схема приведена ранее. Для нормального контроля перемещения нужны блоки А1 и А2. Задача этой связки не только правильная установка в домашнюю позицию двух двигателей на одной оси, но и контроль их работы. У меня был случай когда на одном драйвере были проблемы с питанием, а второй работал и перекашивал каретку, не выдавая Аварию по перегрузке. Для исключения этого и был сделан А2. Драйвер для моей схемы скорее всего так же можно использовать H86S, но у меня его нет и за его схему я не ручаюсь (в смысле соответствия переделки на JSD2505M.) Драйвер так же может быть и без обратной связи по энкодеру, но энкодер или датчик импульсов нужен обязательно. Сигналы Alarm у JSD2505M и H86S формируются при: токовой перегрузке и проблемах энкодера. Схема блока А4 объединяет все Alarm с драйверов где они есть JSD2505M/ПЧ/платы и через реле К1 (в А0) выводит их в цепь Аварийного отключения (E-Stop), если в нее перенести реле К1, то остальные блоки для ее работы не нужны. Блок А2 можно использовать отдельно, подав необходимые сигналы.
Ответить

Вернуться в «Общие вопросы»