Револьверная головка от АТПУ-125

Контроллеры, драйверы, датчики, управляющие устройства.
Mike S
Кандидат
Сообщения: 47
Зарегистрирован: 07 ноя 2017, 11:22
Репутация: 1
Настоящее имя: Михаил
Контактная информация:

Револьверная головка от АТПУ-125

Сообщение Mike S »

Доброго времени суток!
Имеется станок АТПУ на нём, я так понял, итальянская голова Baruffaldi ещё с советской конверсии, без опозновательных знаков.

Вопрос, как определить рабочее напряжение асинхронника который вмурован в нее?
Известно только сопротивление обмоток 57 Ом. Шкафа от станка нет.
Вложения
P1030902.800x600w.jpg (2189 просмотров) <a class='original' href='./download/file.php?id=171745&mode=view' target=_blank>Загрузить оригинал (333.45 КБ)</a>
Аватара пользователя
Serg
Мастер
Сообщения: 21923
Зарегистрирован: 17 апр 2012, 14:58
Репутация: 5183
Заслуга: c781c134843e0c1a3de9
Настоящее имя: Сергей
Откуда: Москва
Контактная информация:

Re: Револьверная головка от АТПУ-125

Сообщение Serg »

Если асинхронник, то наверняка 220 или 380, только пробовать.
Я не Христос, рыбу не раздаю, но могу научить, как сделать удочку...
Аватара пользователя
mikehv
Мастер
Сообщения: 2115
Зарегистрирован: 14 авг 2013, 10:10
Репутация: 1175
Откуда: Иваново
Контактная информация:

Re: Револьверная головка от АТПУ-125

Сообщение mikehv »

UAVpilot писал(а):Если асинхронник, то наверняка 220 или 380, только пробовать.
Вот точно не факт. У меня на chiron половина асинхронников на 110в
Аватара пользователя
sima8520
Почётный участник
Почётный участник
Сообщения: 4509
Зарегистрирован: 24 ноя 2016, 23:35
Репутация: 1617
Настоящее имя: Илья
Откуда: Беларусь, Гомель
Контактная информация:

Re: Револьверная головка от АТПУ-125

Сообщение sima8520 »

А сколько проводов из двигателя выходит?
Mike S
Кандидат
Сообщения: 47
Зарегистрирован: 07 ноя 2017, 11:22
Репутация: 1
Настоящее имя: Михаил
Контактная информация:

Re: Револьверная головка от АТПУ-125

Сообщение Mike S »

3 сечением примерно 0,5
предположительно по габаритам ватт 200, зная мощность и сопротивление как выщитать напряжение...?
Аватара пользователя
Serg
Мастер
Сообщения: 21923
Зарегистрирован: 17 апр 2012, 14:58
Репутация: 5183
Заслуга: c781c134843e0c1a3de9
Настоящее имя: Сергей
Откуда: Москва
Контактная информация:

Re: Револьверная головка от АТПУ-125

Сообщение Serg »

Mike S писал(а):предположительно по габаритам ватт 200, зная мощность и сопротивление как выщитать напряжение...?
На переменном токе? - Никак.
Я не Христос, рыбу не раздаю, но могу научить, как сделать удочку...
Аватара пользователя
N1X
Мастер
Сообщения: 3653
Зарегистрирован: 16 фев 2015, 21:19
Репутация: 1646
Настоящее имя: Владимир
Откуда: Беларусь, Гомель
Контактная информация:

Re: Револьверная головка от АТПУ-125

Сообщение N1X »

Для обычных асинхронников эмпирические коэффициенты есть, но этот для кратковременного режима, тем более буржуазный... Втыкать кратковременно и мерять ток...
Аватара пользователя
mikehv
Мастер
Сообщения: 2115
Зарегистрирован: 14 авг 2013, 10:10
Репутация: 1175
Откуда: Иваново
Контактная информация:

Re: Револьверная головка от АТПУ-125

Сообщение mikehv »

можно частотником покрутить. Начиная с низкого напряжения.
Mike S
Кандидат
Сообщения: 47
Зарегистрирован: 07 ноя 2017, 11:22
Репутация: 1
Настоящее имя: Михаил
Контактная информация:

Re: Револьверная головка от АТПУ-125

Сообщение Mike S »

mikehv писал(а):можно частотником покрутить. Начиная с низкого напряжения.
Частотник вроде не меняет напряжение, только скважность.
Mike S
Кандидат
Сообщения: 47
Зарегистрирован: 07 ноя 2017, 11:22
Репутация: 1
Настоящее имя: Михаил
Контактная информация:

Re: Револьверная головка от АТПУ-125

Сообщение Mike S »

N1X писал(а):Для обычных асинхронников эмпирические коэффициенты есть, но этот для кратковременного режима, тем более буржуазный... Втыкать кратковременно и мерять ток...
Вот и пришёл к этому, только тут то же пальцем в небо, самому придётся придумывать ему рабочий ток, хотя в любом случае у него коэффициент использования типа 0,0гулькин нос.
Mike S
Кандидат
Сообщения: 47
Зарегистрирован: 07 ноя 2017, 11:22
Репутация: 1
Настоящее имя: Михаил
Контактная информация:

Re: Револьверная головка от АТПУ-125

Сообщение Mike S »

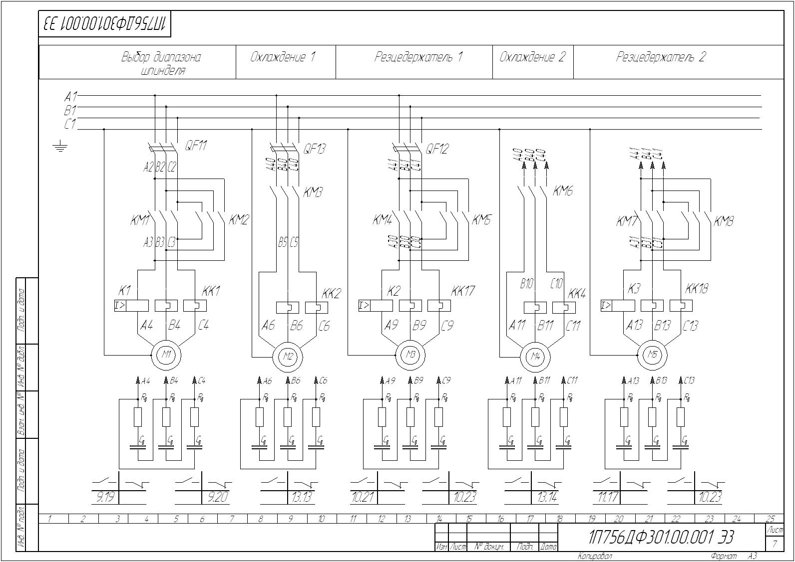
Нашел папу этого станка 1П756ДФ и схемы на него имеются, голова там на 380 :)
1П756ДФ301.00.001Э3(7).jpg (2013 просмотров) <a class='original' href='./download/file.php?id=172156&mode=view' target=_blank>Загрузить оригинал (217.97 КБ)</a>
kravc
Кандидат
Сообщения: 98
Зарегистрирован: 17 май 2016, 09:41
Репутация: 29
Откуда: Ростов-на-Дону
Контактная информация:

Re: Револьверная головка от АТПУ-125

Сообщение kravc »

Mike S писал(а): 10 ноя 2019, 23:40 Доброго времени суток!
Имеется станок АТПУ на нём, я так понял, итальянская голова Baruffaldi ещё с советской конверсии, без опозновательных знаков.

Вопрос, как определить рабочее напряжение асинхронника который вмурован в нее?
Известно только сопротивление обмоток 57 Ом. Шкафа от станка нет.
Здравствуйте. Дали ума голове? Не продаете? Возможно кассеты?
Ответить

Вернуться в «Электроника»