Подключение ArtTech mdc208

Контроллеры, драйверы, датчики, управляющие устройства.
ex71
Мастер
Сообщения: 759
Зарегистрирован: 18 май 2019, 13:23
Репутация: 109
Настоящее имя: Андрей
Контактная информация:

Подключение ArtTech mdc208

Сообщение ex71 »

Если коротко:
надо подключить MDC208 к мотору 4пф112м.
На мотор от старой ЧПУ шло 6 проводов - 2 питания якоря, 2 питания возбуждения и 2 датчик температуры.
Я как-бы с такой электроникой никогда не работал. По схеме подключил. Но блок уходит в аварию "нет возбуждения". Позвонил местному электрику по ЧПУ. Он сказал, что поищет какой-то трансформатор который надо цеплять на возбуждение. Может быть в течении нескольких дней что-то ответит. Больше никого в городе нет, кто может помочь (остальные только налаживают уже готовое).

И тут вот у меня вопросы: что за транс, куда подключается?
Я понимаю, что в принципе все просто и вероятно я уже сам до всего догадался.. Но не хочется спалить блок.
Спросить вообще не у кого. Поэтому пишу тут.
Все собрано "по схеме" (ну очевидно я ошибся и наверное знаю где).
Сделано:
- Питание 3 фазы через дроссель (тот что был в старой ЧПУ), на контакты R,S,T,N
- 2 провода на якорь (А1, А2)
- 2 провода возбуждения на мотор (S1, R1) -> ???
- Кнопка On
- Установлены перемычки (согласно описанию первоначального включения)
- тахогенератор пока не подключен (опять же по описанию наладки)

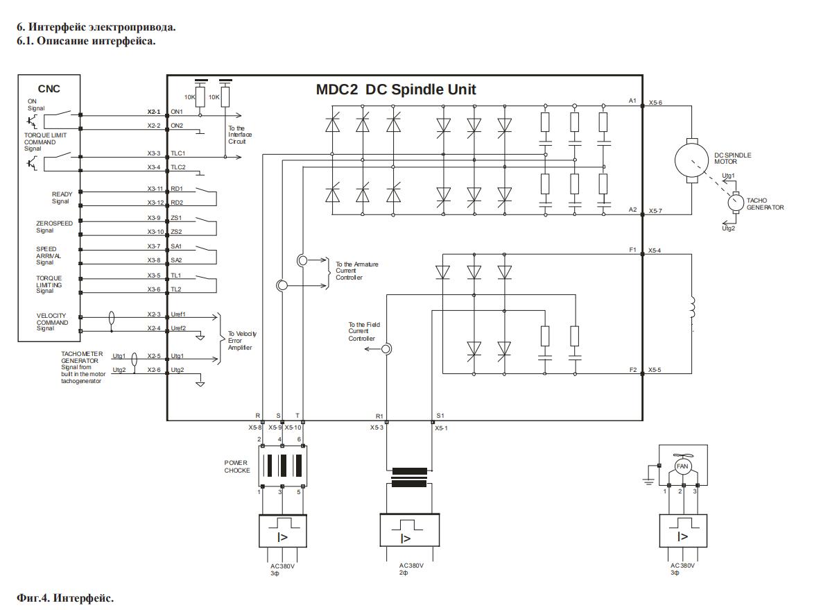
Но в документации к приводу не описано куда именно цеплять возбуждение. Есть описание
Поменяйте местами кабели питания возбуждения X5-1 (S1) и X5-3 (R1)
Исходя из этого я зацепил возбуждение на S1 и R1. Но вот меня еще тогда смутила подпись "380v 2ф" на схеме под какой-то фигней похожей на трансформатор.

Так из всей информации что я сейчас владею - получается, мне нужен трансформатор, который из 380В сделает напряжение возбуждения (в данном моторе 220В)?
Тогда выход транса я должен подать на S1/R1, а статор мотора подключать С контактов X5-3 и X5-4 ??
По инфе на мотор, у него возбуждение 220В 3А. Какой взять транс? Где? Есть какие-то подходящие мне модели, или может уже что-то давно придумано?
Может ли он стоять в старой стойке ЧПУ? Рядом со старым "драйвером" я его не нашел (может и нету?). Есть на 5,36,110В - я так понимаю, 110В на пускатели идет.
Действительно ли на выходе транса должно быть 220В, ведь мотор постоянного тока. А 220 при выпрямлении увеличится до ... ??
Вложения
Screenshot_20190920_213944.jpg (4277 просмотров) <a class='original' href='./download/file.php?id=169226&mode=view' target=_blank>Загрузить оригинал (87.64 КБ)</a>
Leo_1943
Мастер
Сообщения: 875
Зарегистрирован: 03 май 2014, 07:24
Репутация: 250
Настоящее имя: Леонид
Откуда: Харьков

Re: Подключение ArtTech mdc208

Сообщение Leo_1943 »

В родном шкафу был трансформатор 380/220/18, последнее напряжение для синхронизации. В современном оно не используется. Трансформатор не менее 1кВт, или фаза и 0. Выпрямитель возбуждения управляемый
ex71
Мастер
Сообщения: 759
Зарегистрирован: 18 май 2019, 13:23
Репутация: 109
Настоящее имя: Андрей
Контактная информация:

Re: Подключение ArtTech mdc208

Сообщение ex71 »

Осмотрел еще раз все что было ранее:
Родной блок управления ЭПУ-1-2-3747(кажется Д). Он без трансформатора возбуждения (сам генерит вроде, согласно описанию блока). Расположен в шкафу электроавтоматики.
Есть в соседней стойке (с ЧПУ) транс 380->220/22/12/5в, 0.63kVA
Надо ли выпрямлять ? Судя по схеме из руководства - на входе возбуждения стоит выпрямитель. Но ведь при выпрямлении напряжение поднимется? Или это уже не важно и необходимое напряжение я получу при настройке привода регулировочными резисторами?

Что за блоки нарисованы в самом низу схемы (прямоугольник с "импульсом")?
Leo_1943
Мастер
Сообщения: 875
Зарегистрирован: 03 май 2014, 07:24
Репутация: 250
Настоящее имя: Леонид
Откуда: Харьков

Re: Подключение ArtTech mdc208

Сообщение Leo_1943 »

ex71 писал(а):Осмотрел еще раз все что было ранее:
Родной блок управления ЭПУ-1-2-3747(кажется Д). Он без трансформатора возбуждения (сам генерит вроде, согласно описанию блока). Расположен в шкафу электроавтоматики.
Есть в соседней стойке (с ЧПУ) транс 380->220/22/12/5в, 0.63kVA
Надо ли выпрямлять ? Судя по схеме из руководства - на входе возбуждения стоит выпрямитель. Но ведь при выпрямлении напряжение поднимется? Или это уже не важно и необходимое напряжение я получу при настройке привода регулировочными резисторами?

Что за блоки нарисованы в самом низу схемы (прямоугольник с "импульсом")?
Чё так много вопросов, двигатель постоянного тока, возбуждение и якорь питаются выпрямленным напряжением. Соответственно выпрямитель нужен. Напряжение поднимется на конденсаторе, здесь где она, кто сказал что выпрямитель на диодах, тут тиристоры, не полное выпрямление, а часть синусоиды.
ex71
Мастер
Сообщения: 759
Зарегистрирован: 18 май 2019, 13:23
Репутация: 109
Настоящее имя: Андрей
Контактная информация:

Re: Подключение ArtTech mdc208

Сообщение ex71 »

Вопросы рождаются от незнания. Есть желание полностью разобраться в том, что я собираю. Соответсвенно я буду понимать каждую мелочь системы, и в любимой момент времени смогу починить.

Поэтому, если не сложно:
1. трансформатор 380->220В, 1kVa?
2. внешний выпрямитель нужен? Если нужен, какие диоды можете посоветовать?
Leo_1943
Мастер
Сообщения: 875
Зарегистрирован: 03 май 2014, 07:24
Репутация: 250
Настоящее имя: Леонид
Откуда: Харьков

Re: Подключение ArtTech mdc208

Сообщение Leo_1943 »

1. Да 380/220 не менее 1кВа
2. Не нужен
ex71
Мастер
Сообщения: 759
Зарегистрирован: 18 май 2019, 13:23
Репутация: 109
Настоящее имя: Андрей
Контактная информация:

Re: Подключение ArtTech mdc208

Сообщение ex71 »

Что-то очень сложно с приобретением такого трансформатора.
А без трансформатора чем-то грозит?
Leo_1943
Мастер
Сообщения: 875
Зарегистрирован: 03 май 2014, 07:24
Репутация: 250
Настоящее имя: Леонид
Откуда: Харьков

Re: Подключение ArtTech mdc208

Сообщение Leo_1943 »

Как по мне особо не чем, и без него обходились
ex71
Мастер
Сообщения: 759
Зарегистрирован: 18 май 2019, 13:23
Репутация: 109
Настоящее имя: Андрей
Контактная информация:

Re: Подключение ArtTech mdc208

Сообщение ex71 »

Включил без трансформатора, выходной ток и напряжение возбуждения не соответствуют нужным (42В). Мотор гудит.
Нужна документация по настройке. В паспорте только про ток возбуждения написано.
Leo_1943
Мастер
Сообщения: 875
Зарегистрирован: 03 май 2014, 07:24
Репутация: 250
Настоящее имя: Леонид
Откуда: Харьков

Re: Подключение ArtTech mdc208

Сообщение Leo_1943 »

ex71 писал(а):Включил без трансформатора, выходной ток и напряжение возбуждения не соответствуют нужным (42В). Мотор гудит.
Нужна документация по настройке. В паспорте только про ток возбуждения написано.
Обычно ток и настраивается. Вы ж напряжение написали 42 в, а ток?
До пуска вращения, возбуждение ниже требуемого, при пуске повышается, после некоторого времени после останова опять понижается. Вы сигнал включения подавали?
ex71
Мастер
Сообщения: 759
Зарегистрирован: 18 май 2019, 13:23
Репутация: 109
Настоящее имя: Андрей
Контактная информация:

Re: Подключение ArtTech mdc208

Сообщение ex71 »

Leo_1943 писал(а):До пуска вращения, возбуждение ниже требуемого, при пуске повышается, после некоторого времени после останова опять понижается. Вы сигнал включения подавали?
Да включал, тумблер On сделал, и Uref с лабораторного БП.
Раскручивается, но очень медленно. Особенно медленно если низкий Uref подать. Ну это вроде бы настраивается, пока не обращаю на это внимания.
Вот не знаю - это потому что ток низкий? По датчику (бесконтактный щуп-клещи) там 1.9А. В контрольной точке cp403 0.97В, а по документации должно быть 5.5-6В. Хочу попробовать поменять сопротивление R411 (опять же по документации) на больший номинал. Железного амперметра нет, подкину мультиметр в разрыв на некоторое время.

Почему мотор гудит? Или же раньше не слышал этого гула, потому что мотор сразу раскручивался. А сейчас с этим блоком я включаю питание, а Uref не подаю... ??
Leo_1943
Мастер
Сообщения: 875
Зарегистрирован: 03 май 2014, 07:24
Репутация: 250
Настоящее имя: Леонид
Откуда: Харьков

Re: Подключение ArtTech mdc208

Сообщение Leo_1943 »

Пробовали местами 5-1 и 5-3 поменять, что-то поменялось?
После пуска вращения как меняется возбуждение?
Мотор и будет гудеть, но вот насколько?
ex71
Мастер
Сообщения: 759
Зарегистрирован: 18 май 2019, 13:23
Репутация: 109
Настоящее имя: Андрей
Контактная информация:

Re: Подключение ArtTech mdc208

Сообщение ex71 »

при первом включении ушел в аварию FL, после поменял провода - запустился

возбуждение при наборе оборотов снижается. И вольтаж, и ток. Но ток на низких держится около 1.3-1.5, а на высоких около 1А. Выше 1.5А не могу выставить - не хватает регулировочного резистора.
НАпряжение падает с набором оборотов до 37В. Измеряю на клеммах Х5-4 и Х5-5.

Гудит как очень большой советский трансформатор. Это при отсутствии Uref, но включенном тумблере ON.
Leo_1943
Мастер
Сообщения: 875
Зарегистрирован: 03 май 2014, 07:24
Репутация: 250
Настоящее имя: Леонид
Откуда: Харьков

Re: Подключение ArtTech mdc208

Сообщение Leo_1943 »

Судя по всему вы правы, нужно менять r411, иначе не поднять выше
ex71
Мастер
Сообщения: 759
Зарегистрирован: 18 май 2019, 13:23
Репутация: 109
Настоящее имя: Андрей
Контактная информация:

Re: Подключение ArtTech mdc208

Сообщение ex71 »

Добавил сопротивление R411 на 0.5МОм (с завода был 82кОм), после чего регулировка стала доступна в диапазоне 4-6.4В. Выставил 5.75.
Возбуждение все так же 37-42В. Ток 1.5А. Но это все без нагрузки на мотор.
После включения тахогенератора мотор стал раскручиваться как положено, реагирует на регулировку времени раскрутки и торможения.
Напряжение на якоре выставил в 400В при Uref 9.9В. Обороты к сожалению не чем было померить.
Пока что продолжу собирать станок, после тестов работы станка отпишусь.
На счет гула пока не понятно, но я думаю раньше просто не слышал его так как мотор сразу набирал обороты.

Леонид, спасибо за помощь!
Завод изготовитель так ничего и не ответил на тему подключения. Местные спецы не приехали, хотя обещали.
Leo_1943
Мастер
Сообщения: 875
Зарегистрирован: 03 май 2014, 07:24
Репутация: 250
Настоящее имя: Леонид
Откуда: Харьков

Re: Подключение ArtTech mdc208

Сообщение Leo_1943 »

Думаю помощь изготовителя уже лишняя.
Ответить

Вернуться в «Электроника»