Добрый день
Требуется проточить деталь.
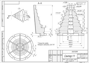
Конусное отверстие и пазы делаем у себя.
			
							Токарка д16т
					Правила форума
Разрешается публиковать предложения по предоставлению услуг как физическим лицам так и коммерческим организациям, при соблюдении следующих условий:
1. должны присутствовать характеристики предлагаемых услуг, возможности оборудования
2. должна присутствовать стоимость услуги
3. должно присутствовать описание способов оплаты, доставки и места расположения (город)
4. один продавец - одна тема
Фотографии товаров приветствуются (фотографии должны быть вложениями к сообщениям).
Возможно размещение ссылки на свой сайт, с описанием товара, при обязательном соблюдении пунктов 1-3.
Администрация форума может удалить тему или сообщения из данного раздела на свое усмотрение, без объяснения причин!
	Разрешается публиковать предложения по предоставлению услуг как физическим лицам так и коммерческим организациям, при соблюдении следующих условий:
1. должны присутствовать характеристики предлагаемых услуг, возможности оборудования
2. должна присутствовать стоимость услуги
3. должно присутствовать описание способов оплаты, доставки и места расположения (город)
4. один продавец - одна тема
Фотографии товаров приветствуются (фотографии должны быть вложениями к сообщениям).
Возможно размещение ссылки на свой сайт, с описанием товара, при обязательном соблюдении пунктов 1-3.
Администрация форума может удалить тему или сообщения из данного раздела на свое усмотрение, без объяснения причин!
- 
				pavelvivat
 - Новичок
 - Сообщения: 33
 - Зарегистрирован: 20 апр 2019, 14:03
 - Репутация: 0
 - Настоящее имя: pavel vivat
 - Контактная информация:
 
- PLOT
 - Мастер
 - Сообщения: 302
 - Зарегистрирован: 24 июн 2019, 16:09
 - Репутация: 68
 - Настоящее имя: Семен
 - Откуда: Москва
 
Re: Токарка д16т
Сделаем за 15 000 рублей. 8-927-727-22-23
			
			
									
									Подписывайтесь на канал YouTube Game Of CNC
А это сайтик сбаценный на тильде, с информацией о нас и нашей работе - заходите
						А это сайтик сбаценный на тильде, с информацией о нас и нашей работе - заходите
- 
				ололо
 - Новичок
 - Сообщения: 4
 - Зарегистрирован: 10 июл 2019, 08:27
 - Репутация: 0
 - Настоящее имя: Сергей
 - Контактная информация:
 
Re: Токарка д16т
ДлЯ расширителя деталька?
			
			
									
									
						- 
				Сергей1986
 - Новичок
 - Сообщения: 32
 - Зарегистрирован: 05 июл 2019, 14:08
 - Репутация: 0
 - Настоящее имя: Сергей
 - Контактная информация:
 
Re: Токарка д16т
Сделаю за 11000.serega.vasiliewsky@yandex.ru.По поводу цены можно поговорить.