"Чтобы не создавать отдельную тему ради одного вопроса"

Общие вопросы станкостроения и организиции труда.
Аватара пользователя
sima8520
Почётный участник
Почётный участник
Сообщения: 4510
Зарегистрирован: 24 ноя 2016, 23:35
Репутация: 1617
Настоящее имя: Илья
Откуда: Беларусь, Гомель
Контактная информация:

Re: "Чтобы не создавать отдельную тему ради одного вопроса"

Сообщение sima8520 »

Драйвера вот такие https://www.kysanelectronics.com/graphics/1141003.pdf
В мануале написано что за это отвечает переключатель 4, но их всего три на драйвере
Аватара пользователя
Сергей Саныч
Мастер
Сообщения: 9116
Зарегистрирован: 30 май 2012, 14:20
Репутация: 2858
Откуда: Тюмень
Контактная информация:

Re: "Чтобы не создавать отдельную тему ради одного вопроса"

Сообщение Сергей Саныч »

В каком состоянии переключатель SW4 и сигнал ENA?
Для проверки удержания можно ENA отключить, а SW4 перевести в ON.
Чудес не бывает. Бывают фокусы.
Аватара пользователя
sima8520
Почётный участник
Почётный участник
Сообщения: 4510
Зарегистрирован: 24 ноя 2016, 23:35
Репутация: 1617
Настоящее имя: Илья
Откуда: Беларусь, Гомель
Контактная информация:

Re: "Чтобы не создавать отдельную тему ради одного вопроса"

Сообщение sima8520 »

Вся беда в том что переключателя только три
Вложения
cw250-4.jpg (1627 просмотров) <a class='original' href='./download/file.php?id=162638&mode=view' target=_blank>Загрузить оригинал (155.61 КБ)</a>
Аватара пользователя
Сергей Саныч
Мастер
Сообщения: 9116
Зарегистрирован: 30 май 2012, 14:20
Репутация: 2858
Откуда: Тюмень
Контактная информация:

Re: "Чтобы не создавать отдельную тему ради одного вопроса"

Сообщение Сергей Саныч »

В каком они положении?
Чудес не бывает. Бывают фокусы.
Аватара пользователя
sima8520
Почётный участник
Почётный участник
Сообщения: 4510
Зарегистрирован: 24 ноя 2016, 23:35
Репутация: 1617
Настоящее имя: Илья
Откуда: Беларусь, Гомель
Контактная информация:

Re: "Чтобы не создавать отдельную тему ради одного вопроса"

Сообщение sima8520 »

1-2-3
off-on-off
Аватара пользователя
Сергей Саныч
Мастер
Сообщения: 9116
Зарегистрирован: 30 май 2012, 14:20
Репутация: 2858
Откуда: Тюмень
Контактная информация:

Re: "Чтобы не создавать отдельную тему ради одного вопроса"

Сообщение Сергей Саныч »

Попробуйте запустить двигатель на малой скорости (1-2 оборота в минуту) и оцените момент в движении.
Дайте поработать в таком режиме минут 20-30 и проверьте нагрев ШД.
Чудес не бывает. Бывают фокусы.
Аватара пользователя
FLUKE
Мастер
Сообщения: 843
Зарегистрирован: 11 мар 2013, 21:18
Репутация: 187
Настоящее имя: Сергей
Откуда: Смоленск
Контактная информация:

Re: "Чтобы не создавать отдельную тему ради одного вопроса"

Сообщение FLUKE »

Sima8520, Вроде, подобная проблема - viewtopic.php?f=41&t=12148
Аватара пользователя
sima8520
Почётный участник
Почётный участник
Сообщения: 4510
Зарегистрирован: 24 ноя 2016, 23:35
Репутация: 1617
Настоящее имя: Илья
Откуда: Беларусь, Гомель
Контактная информация:

Re: "Чтобы не создавать отдельную тему ради одного вопроса"

Сообщение sima8520 »

Посмотрел марку мотора, 86BYGH450A-06-05J, они на 5А, попробую выставить максимальный ток на драйвере
Вся беда в том что станок начал сильно люфтить, ось Z могу на пару мм в держании расшатать. При этом если смотреть на муфту и вал ШД - они ворочаются, то есть в нем проблема, но не держит жестко ось
Аватара пользователя
daemon78
Мастер
Сообщения: 1693
Зарегистрирован: 02 окт 2018, 15:02
Репутация: 103
Настоящее имя: Владимир
Откуда: Москва
Контактная информация:

Re: "Чтобы не создавать отдельную тему ради одного вопроса"

Сообщение daemon78 »

Всем привет.
Выставлял вчера SBR16 на ось Z, и совсем забыл, что CNC-Technology отвратительно порезали рельсы, не обработав концы (обычно из Китая я сразу ставил и одевал каретки) и надо очень много работать напильником.
Вообщем в двух каретках вылетело под два шарика.
Хотел узнать, на сколько это критично для эксплуатации.
Стоит заказывать новые каретки или можно работать и без двух шариков?
nevkon
Почётный участник
Почётный участник
Сообщения: 2477
Зарегистрирован: 17 июл 2015, 10:25
Репутация: 310
Настоящее имя: Константин
Откуда: Балаково (Саратовская обл.)
Контактная информация:

Re: "Чтобы не создавать отдельную тему ради одного вопроса"

Сообщение nevkon »

Просто поставить шарики на место и будет некритично. Если без шариков - машина на 3 колесах тоже может ехать.
Аватара пользователя
daemon78
Мастер
Сообщения: 1693
Зарегистрирован: 02 окт 2018, 15:02
Репутация: 103
Настоящее имя: Владимир
Откуда: Москва
Контактная информация:

Re: "Чтобы не создавать отдельную тему ради одного вопроса"

Сообщение daemon78 »

nevkon писал(а):Просто поставить шарики на место и будет некритично. Если без шариков - машина на 3 колесах тоже может ехать.
Да их уже не найти, они в щель укатились бездонную :(
То есть надо новые каретки заказывать?
Аватара пользователя
sima8520
Почётный участник
Почётный участник
Сообщения: 4510
Зарегистрирован: 24 ноя 2016, 23:35
Репутация: 1617
Настоящее имя: Илья
Откуда: Беларусь, Гомель
Контактная информация:

Re: "Чтобы не создавать отдельную тему ради одного вопроса"

Сообщение sima8520 »

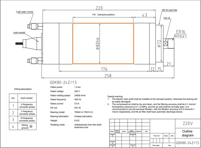
Парни, где то тут видел обсуждения по поводу зоны крепления шпинделя, даже картинка была. Может кто то сохранил себе и поделится?
nik1
Мастер
Сообщения: 8408
Зарегистрирован: 02 окт 2012, 07:37
Репутация: 3629
Откуда: Красногорск
Контактная информация:

Re: "Чтобы не создавать отдельную тему ради одного вопроса"

Сообщение nik1 »

шарики вроде как не дифицит и недорогие, купить и поставить, не проблемно
У меня уже лет 6 катается без шарика в трех каретках, вроде все путем
Буду капиталить , тогда поставлю, уже купил с разным допуском, но не помню в каких не хватает :)
NikolayUa24
Мастер
Сообщения: 1407
Зарегистрирован: 31 июл 2013, 20:05
Репутация: 256
Настоящее имя: Николай
Контактная информация:

Re: "Чтобы не создавать отдельную тему ради одного вопроса"

Сообщение NikolayUa24 »

sima8520 писал(а): по поводу зоны крепления шпинделя
оно ?
Вложения
gdk.jpg (1483 просмотра) <a class='original' href='./download/file.php?id=162768&mode=view' target=_blank>Загрузить оригинал (51.45 КБ)</a>
Страдания ведут человека к совершенству.
Аватара пользователя
xenon-alien
Почётный участник
Почётный участник
Сообщения: 4520
Зарегистрирован: 01 янв 2013, 13:13
Репутация: 925
Настоящее имя: Daniel
Откуда: Закарпатская обл. Украина
Контактная информация:

Re: "Чтобы не создавать отдельную тему ради одного вопроса"

Сообщение xenon-alien »

Всем привет.
Заинтересовался "центроискателем" для ЧПУ и попытаюсь сам собрать, благо форумчани (даже двое) поделились моделькой и боле чётче понимаю, как это воплотить в жизнь. (правда еще не придумал, как буду его применять в моем станке, но как минимум сканировать поверхность)
Думаю многие видели и понимают его принцип работы.
Но я немного в "ступоре" из-за трех контактов. На сколько они равномерно срабатывают при двух разных направлениях движения?
20080823_140825_w.jpg (1449 просмотров) <a class='original' href='./download/file.php?id=162799&mode=view' target=_blank>Загрузить оригинал (55.35 КБ)</a>
large.jpg (1449 просмотров) <a class='original' href='./download/file.php?id=162800&mode=view' target=_blank>Загрузить оригинал (108.51 КБ)</a>
Touch_probe_001.JPG (1448 просмотров) <a class='original' href='./download/file.php?id=162801&mode=view' target=_blank>Загрузить оригинал (642.07 КБ)</a>
У меня складывается впечатление, что показания будут не равномерны.
Верно ли я мыслю? (поднятия одной пружины, или двух - это если ставить над каждым контактом пружину)
Стоит ли париться из-за этого? Или разбег не значительный?
И есть вопрос на счет пружины.
Замечал, что в основном большинстве ставится одна большая пружина по центру оси.
Но у нескольких самоделок замечал пружини над всеми тремя контактами. (как бы при использовании одной центральной давали большие отклонения)
Склоняюсь тоже к трем пружинам. (но скорей всего их будет 6, что бы равномерно было как-то, ну и 3 контакта)
Но как же всё-таки лучше?

И вот нашел схему кого-то "взрослого" искателя. Только принцип не совсем понятный. (оптический сенсор типа в нем?)
messwerk-tc50-tc60-tc52-tc62.jpg (1446 просмотров) <a class='original' href='./download/file.php?id=162802&mode=view' target=_blank>Загрузить оригинал (154.81 КБ)</a>
Аватара пользователя
hmnijp
Мастер
Сообщения: 1754
Зарегистрирован: 20 авг 2017, 15:02
Репутация: 542
Настоящее имя: Константин
Откуда: Ульяновск
Контактная информация:

Re: "Чтобы не создавать отдельную тему ради одного вопроса"

Сообщение hmnijp »

так он же на размыкание работает. чуть разомкнув любые из трёх, из-за давления на щуп- есть контакт. и не важно в какой последовательности - сработает как разомкнется первая группа. главное чтобы не закусывал когда поднимаются два цилиндра одновременно в своих направляющих(должны быть довольно свободны)
Аватара пользователя
xenon-alien
Почётный участник
Почётный участник
Сообщения: 4520
Зарегистрирован: 01 янв 2013, 13:13
Репутация: 925
Настоящее имя: Daniel
Откуда: Закарпатская обл. Украина
Контактная информация:

Re: "Чтобы не создавать отдельную тему ради одного вопроса"

Сообщение xenon-alien »

Наверное так будет наглядней, что я имею ввиду.
Touch_probe_example.jpg (1400 просмотров) <a class='original' href='./download/file.php?id=162804&mode=view' target=_blank>Загрузить оригинал (70.53 КБ)</a>
Плечо срабатывания-размыкания будет разное при противоположном направлении движения.
На сколько велик этот показатель? Или ничтожно мал и не стоит париться?
Правый край быстрее отработает, чем два левых контакта относительно оси. (тем боле плечо меньше и 2 пружины; если поставлю 6 , то пружины не в счет, только плечо, хотя... может на оборот...)

Как по мне, то логичней 4 контакта для симметрии срабатывания в противоположных направлениях.
Аватара пользователя
hmnijp
Мастер
Сообщения: 1754
Зарегистрирован: 20 авг 2017, 15:02
Репутация: 542
Настоящее имя: Константин
Откуда: Ульяновск
Контактная информация:

Re: "Чтобы не создавать отдельную тему ради одного вопроса"

Сообщение hmnijp »

Ну как бы он ничтожно мал) величина пробоя там никакая, да и есть схемы, вроде на ОУ, её нейтрализующие. Во всяком случае это точнее хоббийного станка и изготовления. Три контакта для возможности юстировки. 4 крестом не получится точно выставить, чтобы все шары были замкнуты одновременно, и боковой ход щупа будет меньше - цилиндры будут упираться в направляющие.
Аватара пользователя
Serg
Мастер
Сообщения: 21923
Зарегистрирован: 17 апр 2012, 14:58
Репутация: 5183
Заслуга: c781c134843e0c1a3de9
Настоящее имя: Сергей
Откуда: Москва
Контактная информация:

Re: "Чтобы не создавать отдельную тему ради одного вопроса"

Сообщение Serg »

xenon-alien писал(а):Плечо срабатывания-размыкания будет разное при противоположном направлении движения.
Плечо не важно, важен сам факт отсутствия касания любого цилиндра с любым из шаров.
hmnijp писал(а):Три контакта для возможности юстировки.
Три "контакта" потому, что трёхточечная опора устойчива на любой поверхности. :)
Я не Христос, рыбу не раздаю, но могу научить, как сделать удочку...
Аватара пользователя
xenon-alien
Почётный участник
Почётный участник
Сообщения: 4520
Зарегистрирован: 01 янв 2013, 13:13
Репутация: 925
Настоящее имя: Daniel
Откуда: Закарпатская обл. Украина
Контактная информация:

Re: "Чтобы не создавать отдельную тему ради одного вопроса"

Сообщение xenon-alien »

UAVpilot писал(а):важен сам факт отсутствия касания любого цилиндра с любым из шаров.
Я это понимаю, но есть же разница.
К примеру в отверстии индикатором выставились в "0" и установили "щуп". (по кончику нету биения.)
Двигая ось в режиме центроискателя срабатывание произойдет при разном количестве шагов вправо и влево, как на схеме.
Не знаю, это будут микроны, сотки, или десятки. По этому и спросил.
Так как срабатывание при поиске переда и задней части отверстия будут боле симметричны. (ориентируясь по схеме выше, по расположению контактов)
При сканировании правой и левой части будет смещение оси от центра отверстия.
Я это как-то так понимаю. (искался бы центр отверстия по трем касаниям, то результат будет симметричен, а так не совсем из-за 4-х касаний)
Ответить

Вернуться в «Общие вопросы»