У кого еще может есть опыт работы с этой конторой? Пока складывается не лучшее мнение.
Бюджетный станочек "Минималец"
- Samodelkin 88
- Мастер
- Сообщения: 1056
- Зарегистрирован: 05 ноя 2017, 22:24
- Репутация: 727
- Настоящее имя: Илья
- Откуда: Курган
- Контактная информация:
Re: Бюджетный станочек "Минималец"
Очередные сюрпризы от CNC-Tehnology: в процессе примерки ШВП выяснилось, что винт не лезет ни в подшипник любой из опор, ни в муфту шаговика
.
У кого еще может есть опыт работы с этой конторой? Пока складывается не лучшее мнение.
У кого еще может есть опыт работы с этой конторой? Пока складывается не лучшее мнение.
- sima8520
- Почётный участник

- Сообщения: 4509
- Зарегистрирован: 24 ноя 2016, 23:35
- Репутация: 1617
- Настоящее имя: Илья
- Откуда: Беларусь, Гомель
- Контактная информация:
Re: Бюджетный станочек "Минималец"
В токарник его и мелкой шкуркой снимай сотки
- daemon78
- Мастер
- Сообщения: 1693
- Зарегистрирован: 02 окт 2018, 15:02
- Репутация: 103
- Настоящее имя: Владимир
- Откуда: Москва
- Контактная информация:
Re: Бюджетный станочек "Минималец"
ОЙ, блин, а я у них два движка заказал. Надеюсь вал в муфту залезет
Мой первый станок Первый станок Кусака 1 и куча вопросов #1
Мой второй станок Кусака 2.0 и вопросы к форумчанам #1
Мой второй станок Кусака 2.0 и вопросы к форумчанам #1
- Samodelkin 88
- Мастер
- Сообщения: 1056
- Зарегистрирован: 05 ноя 2017, 22:24
- Репутация: 727
- Настоящее имя: Илья
- Откуда: Курган
- Контактная информация:
Re: Бюджетный станочек "Минималец"
Угу. Только все равно не кайфово когда приходится тратить время на переделку, а деньги уже отданы за работу. С китайскими швпхами такого не было.sima8520 писал(а):В токарник его и мелкой шкуркой снимай сотки
Нормально все будет, ели конечно и производство движков они свое не наладилиdaemon78 писал(а):ОЙ, блин, а я у них два движка заказал. Надеюсь вал в муфту залезет
-
nevkon
- Почётный участник

- Сообщения: 2471
- Зарегистрирован: 17 июл 2015, 10:25
- Репутация: 310
- Настоящее имя: Константин
- Откуда: Балаково (Саратовская обл.)
- Контактная информация:
Re: Бюджетный станочек "Минималец"
Так может они размер сделали под запрессовку? Микрометр есть, замерить диаметр посадки?
- sima8520
- Почётный участник

- Сообщения: 4509
- Зарегистрирован: 24 ноя 2016, 23:35
- Репутация: 1617
- Настоящее имя: Илья
- Откуда: Беларусь, Гомель
- Контактная информация:
Re: Бюджетный станочек "Минималец"
под забивание. ничего там запрессовываться не должноnevkon писал(а):размер сделали под запрессовку
- sivolap36
- Мастер
- Сообщения: 489
- Зарегистрирован: 17 дек 2016, 21:30
- Репутация: 122
- Настоящее имя: Сергей
- Откуда: Воронеж
- Контактная информация:
Re: Бюджетный станочек "Минималец"
Точили они мне тоже, размер в +0.02
- hmnijp
- Мастер
- Сообщения: 1754
- Зарегистрирован: 20 авг 2017, 15:02
- Репутация: 542
- Настоящее имя: Константин
- Откуда: Ульяновск
- Контактная информация:
Re: Бюджетный станочек "Минималец"
Отправляйте им обратно, пусть переделываю и отправляют за свой счёт. Иначе так и будут бракоделить каждый раз.Samodelkin 88 писал(а):Очередные сюрпризы от CNC-Tehnology: в процессе примерки ШВП выяснилось, что винт не лезет ни в подшипник любой из опор, ни в муфту шаговика.
У кого еще может есть опыт работы с этой конторой? Пока складывается не лучшее мнение.
-
nevkon
- Почётный участник

- Сообщения: 2471
- Зарегистрирован: 17 июл 2015, 10:25
- Репутация: 310
- Настоящее имя: Константин
- Откуда: Балаково (Саратовская обл.)
- Контактная информация:
Re: Бюджетный станочек "Минималец"
Если 2 сотки, то как раз сделано под холодную запрессовку. Наверняка было указано им что будут одеваться сверху подшипники, так что стандартная посадка. Если они раньше не точили ШВП с дальнейшей сборкой у них же, то могут не знать что должна быть переходная/свободная посадка. Вы кстати им подшипники давали которые одевать пытаетесь? Любой нормальный токарь без подшипников за такую работу браться не будет - никакие микрометры не помогут (подшипники как правило делаются в "минус" по отверстию, вал в "плюс", но даже если сделать вал в "0", то подшипник может не одеться).
зы. Про забивание не говорите - сами можете хоть молотком хоть кувалдой забивать подшипники, но это вовсе не означает что так все должны поступать.
зы. Про забивание не говорите - сами можете хоть молотком хоть кувалдой забивать подшипники, но это вовсе не означает что так все должны поступать.
- Gestap
- Мастер
- Сообщения: 978
- Зарегистрирован: 21 май 2017, 21:18
- Репутация: 1089
- Настоящее имя: Александр
- Контактная информация:
Re: Бюджетный станочек "Минималец"
Может винт в морозилку попробовать.
Пилим, точим, шьем, продаём комплектующие к станкам
https://www.instagram.com/dtw.moscow/
dtw.moscow@gmail.com
Наша группа в телеге https://t.me/asiogroup
https://www.instagram.com/dtw.moscow/
dtw.moscow@gmail.com
Наша группа в телеге https://t.me/asiogroup
- Samodelkin 88
- Мастер
- Сообщения: 1056
- Зарегистрирован: 05 ноя 2017, 22:24
- Репутация: 727
- Настоящее имя: Илья
- Откуда: Курган
- Контактная информация:
Re: Бюджетный станочек "Минималец"
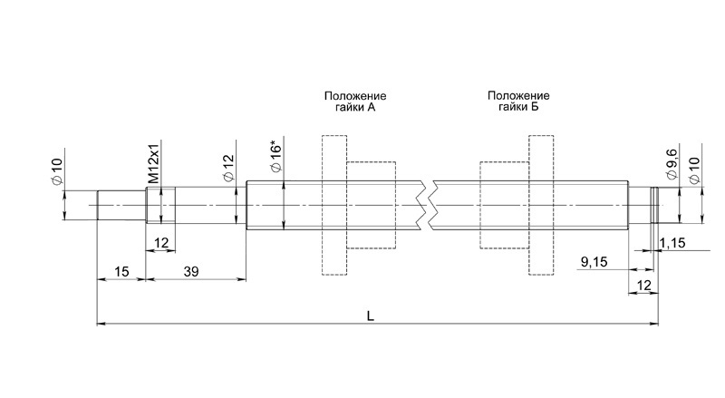
Обработка по версии китайцев:
Версия CNC Tehnology
Допуски? Не -не слышал.
Снизу мелким шрифтом: "Обработка концов ШВП производится по указанным чертежам. В случае, если подобная обработка вам не подходит, вы можете прислать нам ваше техническое задание. "
Не заходил на сайт при заказе обработки- просто написал манагеру, под какой тип опор нужно- уточнений от него не последовало.
Снизу мелким шрифтом: "Обработка концов ШВП производится по указанным чертежам. В случае, если подобная обработка вам не подходит, вы можете прислать нам ваше техническое задание. "
Не заходил на сайт при заказе обработки- просто написал манагеру, под какой тип опор нужно- уточнений от него не последовало.
- Gestap
- Мастер
- Сообщения: 978
- Зарегистрирован: 21 май 2017, 21:18
- Репутация: 1089
- Настоящее имя: Александр
- Контактная информация:
Re: Бюджетный станочек "Минималец"
Никаких допусков, как у китайцев в минус.
Пилим, точим, шьем, продаём комплектующие к станкам
https://www.instagram.com/dtw.moscow/
dtw.moscow@gmail.com
Наша группа в телеге https://t.me/asiogroup
https://www.instagram.com/dtw.moscow/
dtw.moscow@gmail.com
Наша группа в телеге https://t.me/asiogroup
-
nevkon
- Почётный участник

- Сообщения: 2471
- Зарегистрирован: 17 июл 2015, 10:25
- Репутация: 310
- Настоящее имя: Константин
- Откуда: Балаково (Саратовская обл.)
- Контактная информация:
Re: Бюджетный станочек "Минималец"
Если допуски не указываются, то подразумевается h14/H14 - можете по таблице посмотреть сколько это для вала в 10-12мм. Но таки да, все равно брак - для вала должно быть D10-12 h14 (0, -0.430).
- Gestap
- Мастер
- Сообщения: 978
- Зарегистрирован: 21 май 2017, 21:18
- Репутация: 1089
- Настоящее имя: Александр
- Контактная информация:
Re: Бюджетный станочек "Минималец"
Я у них покупал несколько раз, по мелочи просто недалеко от меня находятся, шпиндель с инвертором тоже у них брал, пытался узнать у них по телефону как векторный режим настроить, все стало понятно когда один у другого спросил что это такое))).
Торгуют они по моему мнению дешманским Китаем, фрезы у них дорогие на мой взгляд.
И токарных станков я у них не видел, думаю где-то на стороне заказывают.
Торгуют они по моему мнению дешманским Китаем, фрезы у них дорогие на мой взгляд.
И токарных станков я у них не видел, думаю где-то на стороне заказывают.
Пилим, точим, шьем, продаём комплектующие к станкам
https://www.instagram.com/dtw.moscow/
dtw.moscow@gmail.com
Наша группа в телеге https://t.me/asiogroup
https://www.instagram.com/dtw.moscow/
dtw.moscow@gmail.com
Наша группа в телеге https://t.me/asiogroup
- Samodelkin 88
- Мастер
- Сообщения: 1056
- Зарегистрирован: 05 ноя 2017, 22:24
- Репутация: 727
- Настоящее имя: Илья
- Откуда: Курган
- Контактная информация:
Re: Бюджетный станочек "Минималец"
Это не брак, это наглеж безграмотных перепродаванов.nevkon писал(а):Но таки да, все равно брак
Погнали!
Под муфту: Под FK12: Под FF12:
- Gestap
- Мастер
- Сообщения: 978
- Зарегистрирован: 21 май 2017, 21:18
- Репутация: 1089
- Настоящее имя: Александр
- Контактная информация:
Re: Бюджетный станочек "Минималец"
Не узнавал, возможно вернуть? Или им фиолетово на это все?
Пилим, точим, шьем, продаём комплектующие к станкам
https://www.instagram.com/dtw.moscow/
dtw.moscow@gmail.com
Наша группа в телеге https://t.me/asiogroup
https://www.instagram.com/dtw.moscow/
dtw.moscow@gmail.com
Наша группа в телеге https://t.me/asiogroup
-
nevkon
- Почётный участник

- Сообщения: 2471
- Зарегистрирован: 17 июл 2015, 10:25
- Репутация: 310
- Настоящее имя: Константин
- Откуда: Балаково (Саратовская обл.)
- Контактная информация:
Re: Бюджетный станочек "Минималец"
Или я считать не умею или что-то не понимаю - вижу только на последних фото 10.005-10.013 мм, на остальных все в минусе.
-
nik1
- Мастер
- Сообщения: 8408
- Зарегистрирован: 02 окт 2012, 07:37
- Репутация: 3629
- Откуда: Красногорск
- Контактная информация:
Re: Бюджетный станочек "Минималец"
Все правильно видишь
Продавить полсотки натяг для руки трудновато, но чутка тирануть наждачкой и всех делов
Хуже если болтается или несоосно
Продавить полсотки натяг для руки трудновато, но чутка тирануть наждачкой и всех делов
Хуже если болтается или несоосно
- slavyan75
- Мастер
- Сообщения: 307
- Зарегистрирован: 16 авг 2016, 17:51
- Репутация: 31
- Настоящее имя: Вячеслав
- Откуда: Tilsit
- Контактная информация:
Re: Бюджетный станочек "Минималец"
5 микрон наверна маловато для посадкиnevkon писал(а):на остальных все в минусе.
не верьте никому, уж мне то вы можете поверить...
- Samodelkin 88
- Мастер
- Сообщения: 1056
- Зарегистрирован: 05 ноя 2017, 22:24
- Репутация: 727
- Настоящее имя: Илья
- Откуда: Курган
- Контактная информация:
Re: Бюджетный станочек "Минималец"
Жалко нет пассаметра, но даже микрометр позволил намерять эллипс. Для сравнения эскиз обработки TBImotion.
Отправил им фото, посмотрим как отмажутся.Gestap писал(а):Не узнавал, возможно вернуть? Или им фиолетово на это все?