Большой и тяжелый фрезерный станок.
- niksooon
- Мастер
- Сообщения: 2144
- Зарегистрирован: 23 июн 2014, 23:18
- Репутация: 1207
- Откуда: Кашира
- Контактная информация:
Re: Большой и тяжелый фрезерный станок.
ссылку на али где такого габарита муфты водятся могу предложить ежели надобно..................
Сделанное правильно — красиво. Если сделанное тебе не нравится — то и работать оно будет хреново. Перевари, пересверли, выпили заново — ну, или хотя бы покрась.
-
MGG
- Мастер
- Сообщения: 3673
- Зарегистрирован: 08 фев 2016, 16:33
- Репутация: 1010
- Настоящее имя: Манн Геннадий Геннадьевич
- Откуда: Москва
- Контактная информация:
Re: Большой и тяжелый фрезерный станок.
Да в Китае проблем нет заказать, проблема как раз в сроках. Или тут брать придётся за дорогоniksooon писал(а):ссылку на али где такого габарита муфты водятся могу предложить ежели надобно..................
http://www.cnc-club.ru/forum/viewtopic. ... 76#p304076 Поставки оборудования для ваших станков
https://www.instagram.com/dtw.moscow/
dtw.moscow@gmail.com
https://www.instagram.com/dtw.moscow/
dtw.moscow@gmail.com
-
MGG
- Мастер
- Сообщения: 3673
- Зарегистрирован: 08 фев 2016, 16:33
- Репутация: 1010
- Настоящее имя: Манн Геннадий Геннадьевич
- Откуда: Москва
- Контактная информация:
Re: Большой и тяжелый фрезерный станок.
Небольшой боли пост, без картинок
Что на данный момент:
1. Система смазки, традиционно дюймовая и засранная в усмерть, после отмокания в тормозной удалось даже собрать пол линии, и посмотреть на то как не подается логике их работа, плюет масло через раз и явно мало, при сборке дальше свернул один импульсный питатель (сгнил наверное) психанул набил все консистентной смазкой, после китайского запоя буду тащить новую систему. Пока ставил эксперименты думал спалил китайский насос, а нет, остыл и снова в бой, я вот прям догадывался что хреновая эта затея включать каждую минуту по 50 сек.
2. Фланец на сервах 130, но не какой то там, а американский 130 фланец! Отверстия не совпадают, выемка для центровки мотора не совпадает, сами винты грубо на 2 размера больше чем стандарт стандартный, надо делать переходные пластины, чем вскоре и займусь. Большая проблема решает более маленькую, муфты нужного размера по длине не проходят, теперь пройдут, не было бы счастья да несчастье помогло
3. Гордый шпиндель типо под метрический бт40, оказался тоже американским бт40 хотя на схеме даже один размер метрический был
4. Решил со временем заменить винты, (ну это и так уже ясно) и тут тоже ждал сюрприз! Оппа, а по отверстиям подходит только один вид гаек у ТБИ 3205, у ПМИ ниодного, у НСК смотреть не стал, но на письмо они мне ответили, мы такие не делаем, был спец заказ, обратитесь к производителю оборудования
. По скольку скорее всего это придется делать скорее чем хочется (точнее вообще не хочется, а что поделать), придется городить проставки, где-то что-то растачивать, ну и в дальнейшем прочие увлекательные квесты с блек джеком и всем сопутствующим.
Из позитивного собрал всю механику, из негативного, обещал себе, что как соберу механику наведу порядок, при этом напрягу товарища, чтоб он убрал свой хлам и я поставил полочки и наконецто разложился по человечески. Теперь меня ненавидят двое, это я и он.
А так станок дарит непередаваемые эмоции и знания, я уже с далека отличаю 5/16 от м8, когда лезешь в какой либо узел тебя всегда и с нетерпением ждет сюрприз, а то и несколько!
Вот! Завтра отвезу своих в отпуск от меня, и более полноценно буду напрягаться ночами со станком, ну и начну закрывать свои висяки
Что на данный момент:
1. Система смазки, традиционно дюймовая и засранная в усмерть, после отмокания в тормозной удалось даже собрать пол линии, и посмотреть на то как не подается логике их работа, плюет масло через раз и явно мало, при сборке дальше свернул один импульсный питатель (сгнил наверное) психанул набил все консистентной смазкой, после китайского запоя буду тащить новую систему. Пока ставил эксперименты думал спалил китайский насос, а нет, остыл и снова в бой, я вот прям догадывался что хреновая эта затея включать каждую минуту по 50 сек.
2. Фланец на сервах 130, но не какой то там, а американский 130 фланец! Отверстия не совпадают, выемка для центровки мотора не совпадает, сами винты грубо на 2 размера больше чем стандарт стандартный, надо делать переходные пластины, чем вскоре и займусь. Большая проблема решает более маленькую, муфты нужного размера по длине не проходят, теперь пройдут, не было бы счастья да несчастье помогло
3. Гордый шпиндель типо под метрический бт40, оказался тоже американским бт40 хотя на схеме даже один размер метрический был
4. Решил со временем заменить винты, (ну это и так уже ясно) и тут тоже ждал сюрприз! Оппа, а по отверстиям подходит только один вид гаек у ТБИ 3205, у ПМИ ниодного, у НСК смотреть не стал, но на письмо они мне ответили, мы такие не делаем, был спец заказ, обратитесь к производителю оборудования
Из позитивного собрал всю механику, из негативного, обещал себе, что как соберу механику наведу порядок, при этом напрягу товарища, чтоб он убрал свой хлам и я поставил полочки и наконецто разложился по человечески. Теперь меня ненавидят двое, это я и он.
А так станок дарит непередаваемые эмоции и знания, я уже с далека отличаю 5/16 от м8, когда лезешь в какой либо узел тебя всегда и с нетерпением ждет сюрприз, а то и несколько!
Вот! Завтра отвезу своих в отпуск от меня, и более полноценно буду напрягаться ночами со станком, ну и начну закрывать свои висяки
http://www.cnc-club.ru/forum/viewtopic. ... 76#p304076 Поставки оборудования для ваших станков
https://www.instagram.com/dtw.moscow/
dtw.moscow@gmail.com
https://www.instagram.com/dtw.moscow/
dtw.moscow@gmail.com
-
john1987887
- Мастер
- Сообщения: 3296
- Зарегистрирован: 08 сен 2013, 17:26
- Репутация: 1802
- Контактная информация:
Re: Большой и тяжелый фрезерный станок.
Вспоминается одна из дискуссий на форуме, где я отговаривал от покупки америкоса, мотивируя, что все там ненашенское и много гемора, а мне такие в ответ - ну и что все ерунда, все можно купить да и вообще труда никакого заменить на метрическое...MGG писал(а):Небольшой боли пост, без картинок
Brother TC - 229 http://www.cnc-club.ru/forum/viewtopic. ... 46&t=15250
Brother TC - 225 viewtopic.php?f=146&t=31044
7045 http://www.cnc-club.ru/forum/viewtopic.php?t=6965
токарный http://www.cnc-club.ru/forum/viewtopic. ... 48&t=14096
Brother TC - 225 viewtopic.php?f=146&t=31044
7045 http://www.cnc-club.ru/forum/viewtopic.php?t=6965
токарный http://www.cnc-club.ru/forum/viewtopic. ... 48&t=14096
-
MGG
- Мастер
- Сообщения: 3673
- Зарегистрирован: 08 фев 2016, 16:33
- Репутация: 1010
- Настоящее имя: Манн Геннадий Геннадьевич
- Откуда: Москва
- Контактная информация:
Re: Большой и тяжелый фрезерный станок.
Как бы и соглашусь и нет, система смазки хоть дюймовая хоть метрическая под замену, винты у каждого могут быть по спец заказу. Есть гемор с крепежом, но тоже решаем.john1987887 писал(а):Вспоминается одна из дискуссий на форуме, где я отговаривал от покупки америкоса, мотивируя, что все там ненашенское и много гемора, а мне такие в ответ - ну и что все ерунда, все можно купить да и вообще труда никакого заменить на метрическое...MGG писал(а):Небольшой боли пост, без картинок
У меня все проще, не забрал бы этот, так вообще бы ничего не было
http://www.cnc-club.ru/forum/viewtopic. ... 76#p304076 Поставки оборудования для ваших станков
https://www.instagram.com/dtw.moscow/
dtw.moscow@gmail.com
https://www.instagram.com/dtw.moscow/
dtw.moscow@gmail.com
- mikehv
- Мастер
- Сообщения: 2115
- Зарегистрирован: 14 авг 2013, 10:10
- Репутация: 1175
- Откуда: Иваново
- Контактная информация:
Re: Большой и тяжелый фрезерный станок.
Ну это всё мелочи
Без них было бы скучно
Без них было бы скучно
-
MGG
- Мастер
- Сообщения: 3673
- Зарегистрирован: 08 фев 2016, 16:33
- Репутация: 1010
- Настоящее имя: Манн Геннадий Геннадьевич
- Откуда: Москва
- Контактная информация:
Re: Большой и тяжелый фрезерный станок.
Эпопея не умерла, но последнее время в жизни столько всякого было, что мешало нормально заниматься тем, чем действительно хочется. Сейчас вроде вернулся, и даже вчера осью подвигал из линухи 
Даже пару фотокарточек
За последние дней 10 было сделано больше, чем с 6 января с даты моего последнего поста. Все крутится, катается, в общем весело все. Сюрпризы как всегда скрываются и поджидают внезапно
Например как на картинке, первой, мелочь, а как весело, разъемы не лезут, пришлось разобрать, спилить лишнее, спаять, и запихнуть
Вопрос к тем, кто хотя бы чуть больше чем я владеет наукой про кнопочки и сигналы.
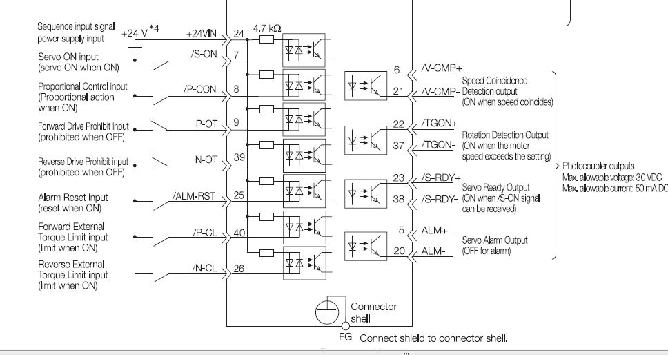
В 7i77 есть выходы ENA- и ENA+ и есть серва, кусо картинки закинул. Нужно подключить S-ON. По сути как мне показалось, из сервы +24v на ENA+, S-ON на ENA-. Ну и в довесок +24 от БП на ЕНА+. И ничего не происходит
В доках на месу такое:
Но все равно не оч понял как подключать. На линухцнц.орг на серве с такой же схемой именно закидывали на + на ена+ и там работало.
Буду благодарен подсказке, как это подрубить.
И еще момент, connector shell на схеме. Туда экраны от проводов или не надо?
Даже пару фотокарточек
За последние дней 10 было сделано больше, чем с 6 января с даты моего последнего поста. Все крутится, катается, в общем весело все. Сюрпризы как всегда скрываются и поджидают внезапно
Все оказалось и проще и нет, шпиндель метрический, но с гордым стандартом БТ40 МАЗАК.MGG писал(а):3. Гордый шпиндель типо под метрический бт40, оказался тоже американским бт40 хотя на схеме даже один размер метрический был
Вопрос к тем, кто хотя бы чуть больше чем я владеет наукой про кнопочки и сигналы.
В 7i77 есть выходы ENA- и ENA+ и есть серва, кусо картинки закинул. Нужно подключить S-ON. По сути как мне показалось, из сервы +24v на ENA+, S-ON на ENA-. Ну и в довесок +24 от БП на ЕНА+. И ничего не происходит
В доках на месу такое:
и.... Пока писал понял, что у меня актив лоу.Six uncommitted OPTO coupler outputs are available for drive enable. Five of these
outputs are (ENA0 through ENA4) are switched in common while ENA5 can be
independently switched for spindle applications. The ENA outputs are floating switches so
can be used for active high and active low drive enables. Output rating of the switches is
50 mA max at 100VDC max . Note that the enable outputs are polarized and can be
damaged with reverse polarity. For active high drive enables, ENAN+ should go to the
appropriate positive power supply and ENAN- to the drive enable input. For active low
enable drives, ENAN+ should go the the drive enable and ENAN- to control power ground.
Буду благодарен подсказке, как это подрубить.
И еще момент, connector shell на схеме. Туда экраны от проводов или не надо?
http://www.cnc-club.ru/forum/viewtopic. ... 76#p304076 Поставки оборудования для ваших станков
https://www.instagram.com/dtw.moscow/
dtw.moscow@gmail.com
https://www.instagram.com/dtw.moscow/
dtw.moscow@gmail.com
-
sashaK
- Опытный
- Сообщения: 144
- Зарегистрирован: 11 окт 2015, 12:18
- Репутация: 10
- Настоящее имя: Александр
- Откуда: Россия: Екатеринбург, Новоуральск
- Контактная информация:
Re: Большой и тяжелый фрезерный станок.
В 7i77 выходы ENA- и ENA+ это посути размыкатель (включатель, не знаю как правильно назвать) 8обозначеный на вашей схеме на линии s-on.
Вам нужно подключить +24 вольта от блока питания на серву, а в разрыв минусового провода от этого блока питания подключаете выходы ENA- и ENA+. Когда 7i77 решает подать сигнал s-on она соеденяет ENA- и ENA+, в результате на контакте привода s-on появляется минус от блока питания и s-on активируется.
Я сам долго доходил до этого пока не понял (опыта в этом небыло никакого), что на эти привода подается только плюс от блока питания а управляются они комутацией минуса на нужный контакт.
Извините если длинно написал.
Вам нужно подключить +24 вольта от блока питания на серву, а в разрыв минусового провода от этого блока питания подключаете выходы ENA- и ENA+. Когда 7i77 решает подать сигнал s-on она соеденяет ENA- и ENA+, в результате на контакте привода s-on появляется минус от блока питания и s-on активируется.
Я сам долго доходил до этого пока не понял (опыта в этом небыло никакого), что на эти привода подается только плюс от блока питания а управляются они комутацией минуса на нужный контакт.
Извините если длинно написал.
-
MGG
- Мастер
- Сообщения: 3673
- Зарегистрирован: 08 фев 2016, 16:33
- Репутация: 1010
- Настоящее имя: Манн Геннадий Геннадьевич
- Откуда: Москва
- Контактная информация:
Re: Большой и тяжелый фрезерный станок.
http://www.cnc-club.ru/forum/viewtopic. ... 76#p304076 Поставки оборудования для ваших станков
https://www.instagram.com/dtw.moscow/
dtw.moscow@gmail.com
https://www.instagram.com/dtw.moscow/
dtw.moscow@gmail.com
-
MGG
- Мастер
- Сообщения: 3673
- Зарегистрирован: 08 фев 2016, 16:33
- Репутация: 1010
- Настоящее имя: Манн Геннадий Геннадьевич
- Откуда: Москва
- Контактная информация:
Re: Большой и тяжелый фрезерный станок.
Господа, подскажите, что по вашему мнению я должен получать с мотора.
Моя логика, готовность сервы - мне не нужна, у меня обратная связь, и в ошибку по энкодеру свалится, тоже самое и по ошибке сервы. Лимиты будут стоять на контроллере. Чтобы вы еще поставили ?
Моя логика, готовность сервы - мне не нужна, у меня обратная связь, и в ошибку по энкодеру свалится, тоже самое и по ошибке сервы. Лимиты будут стоять на контроллере. Чтобы вы еще поставили ?
http://www.cnc-club.ru/forum/viewtopic. ... 76#p304076 Поставки оборудования для ваших станков
https://www.instagram.com/dtw.moscow/
dtw.moscow@gmail.com
https://www.instagram.com/dtw.moscow/
dtw.moscow@gmail.com
-
Duhas
- Мастер
- Сообщения: 1961
- Зарегистрирован: 10 окт 2015, 23:25
- Репутация: 285
- Настоящее имя: Андрей
- Откуда: Красноярск
- Контактная информация:
Re: Большой и тяжелый фрезерный станок.
ммм, ну я бы готовность сервы таки в цепь безопасности засунул.
-
MGG
- Мастер
- Сообщения: 3673
- Зарегистрирован: 08 фев 2016, 16:33
- Репутация: 1010
- Настоящее имя: Манн Геннадий Геннадьевич
- Откуда: Москва
- Контактная информация:
Re: Большой и тяжелый фрезерный станок.
А подскажите логику, просто мне до сути головой не получается дойти.Duhas писал(а):ммм, ну я бы готовность сервы таки в цепь безопасности засунул.
http://www.cnc-club.ru/forum/viewtopic. ... 76#p304076 Поставки оборудования для ваших станков
https://www.instagram.com/dtw.moscow/
dtw.moscow@gmail.com
https://www.instagram.com/dtw.moscow/
dtw.moscow@gmail.com
-
john1987887
- Мастер
- Сообщения: 3296
- Зарегистрирован: 08 сен 2013, 17:26
- Репутация: 1802
- Контактная информация:
Re: Большой и тяжелый фрезерный станок.
Ошибку сервы я все же завел бы на Естоп.
Brother TC - 229 http://www.cnc-club.ru/forum/viewtopic. ... 46&t=15250
Brother TC - 225 viewtopic.php?f=146&t=31044
7045 http://www.cnc-club.ru/forum/viewtopic.php?t=6965
токарный http://www.cnc-club.ru/forum/viewtopic. ... 48&t=14096
Brother TC - 225 viewtopic.php?f=146&t=31044
7045 http://www.cnc-club.ru/forum/viewtopic.php?t=6965
токарный http://www.cnc-club.ru/forum/viewtopic. ... 48&t=14096
-
john1987887
- Мастер
- Сообщения: 3296
- Зарегистрирован: 08 сен 2013, 17:26
- Репутация: 1802
- Контактная информация:
Re: Большой и тяжелый фрезерный станок.
А что там думать. Контакт должен быть НЗ. Все усилка последовательно соединяешь и на Естоп. Если где-то контакт разомкнется, весь станок остановится. у тебя получится цепочка типа: Грибок Естоп->X->У->Z->Шпиндель.MGG писал(а):А подскажите логику, просто мне до сути головой не получается дойти.
Brother TC - 229 http://www.cnc-club.ru/forum/viewtopic. ... 46&t=15250
Brother TC - 225 viewtopic.php?f=146&t=31044
7045 http://www.cnc-club.ru/forum/viewtopic.php?t=6965
токарный http://www.cnc-club.ru/forum/viewtopic. ... 48&t=14096
Brother TC - 225 viewtopic.php?f=146&t=31044
7045 http://www.cnc-club.ru/forum/viewtopic.php?t=6965
токарный http://www.cnc-club.ru/forum/viewtopic. ... 48&t=14096
-
MGG
- Мастер
- Сообщения: 3673
- Зарегистрирован: 08 фев 2016, 16:33
- Репутация: 1010
- Настоящее имя: Манн Геннадий Геннадьевич
- Откуда: Москва
- Контактная информация:
Re: Большой и тяжелый фрезерный станок.
Ради дубля выходит.john1987887 писал(а):А что там думать. Контакт должен быть НЗ. Все усилка последовательно соединяешь и на Естоп. Если где-то контакт разомкнется, весь станок остановится.
Сейчас как, как пид отсрою поставлю феррор 1-2 сотки, не более. При отклонении (двиг не поехал тоже отклонение) и так все вырубается.
http://www.cnc-club.ru/forum/viewtopic. ... 76#p304076 Поставки оборудования для ваших станков
https://www.instagram.com/dtw.moscow/
dtw.moscow@gmail.com
https://www.instagram.com/dtw.moscow/
dtw.moscow@gmail.com
- mikehv
- Мастер
- Сообщения: 2115
- Зарегистрирован: 14 авг 2013, 10:10
- Репутация: 1175
- Откуда: Иваново
- Контактная информация:
Re: Большой и тяжелый фрезерный станок.
Если пропадет сигнал энкодера по пути до месы, то ничего не вырубится, а наоборот будет пытаться догнать рассогласованиеMGG писал(а):Ради дубля выходит.john1987887 писал(а):А что там думать. Контакт должен быть НЗ. Все усилка последовательно соединяешь и на Естоп. Если где-то контакт разомкнется, весь станок остановится.
Сейчас как, как пид отсрою поставлю феррор 1-2 сотки, не более. При отклонении (двиг не поехал тоже отклонение) и так все вырубается.
-
MGG
- Мастер
- Сообщения: 3673
- Зарегистрирован: 08 фев 2016, 16:33
- Репутация: 1010
- Настоящее имя: Манн Геннадий Геннадьевич
- Откуда: Москва
- Контактная информация:
Re: Большой и тяжелый фрезерный станок.
Вот это серьезный довод, спасибо!
Еще такой момент, в чем принципиальная разница ошибка сервы и готовность сервы ?
Еще такой момент, в чем принципиальная разница ошибка сервы и готовность сервы ?
http://www.cnc-club.ru/forum/viewtopic. ... 76#p304076 Поставки оборудования для ваших станков
https://www.instagram.com/dtw.moscow/
dtw.moscow@gmail.com
https://www.instagram.com/dtw.moscow/
dtw.moscow@gmail.com
- Hanter
- Мастер
- Сообщения: 5414
- Зарегистрирован: 27 янв 2012, 14:52
- Репутация: 4338
- Настоящее имя: Алексей
- Откуда: Питер
- Контактная информация:
Re: Большой и тяжелый фрезерный станок.
Готовность сервы - это факт успешного запуска, прохождения тестов и готовности к работе привода.... а ошибка сервы - это сбой в работе, железе, невозможность отработать задание... то есть два разных состояния.
Опыт - это когда на смену вопросам: "Что? Где? Когда? Как? Почему?" Приходит единственный вопрос: "Нахрена?"
==========================================
фрезерная и токарная обработка на станках с чпу.
Резка, гибка, сварка и порошковая окраса.
==========================================
фрезерная и токарная обработка на станках с чпу.
Резка, гибка, сварка и порошковая окраса.
-
MGG
- Мастер
- Сообщения: 3673
- Зарегистрирован: 08 фев 2016, 16:33
- Репутация: 1010
- Настоящее имя: Манн Геннадий Геннадьевич
- Откуда: Москва
- Контактная информация:
Re: Большой и тяжелый фрезерный станок.
При ошибке ведь замкнутый контакт готовности сервы размыкается ?Hanter писал(а):Готовность сервы - это факт успешного запуска, прохождения тестов и готовности к работе привода.... а ошибка сервы - это сбой в работе, железе, невозможность отработать задание... то есть два разных состояния.
http://www.cnc-club.ru/forum/viewtopic. ... 76#p304076 Поставки оборудования для ваших станков
https://www.instagram.com/dtw.moscow/
dtw.moscow@gmail.com
https://www.instagram.com/dtw.moscow/
dtw.moscow@gmail.com
-
john1987887
- Мастер
- Сообщения: 3296
- Зарегистрирован: 08 сен 2013, 17:26
- Репутация: 1802
- Контактная информация:
Re: Большой и тяжелый фрезерный станок.
ХЗ. ПроверьMGG писал(а):При ошибке ведь замкнутый контакт готовности сервы размыкается ?
Brother TC - 229 http://www.cnc-club.ru/forum/viewtopic. ... 46&t=15250
Brother TC - 225 viewtopic.php?f=146&t=31044
7045 http://www.cnc-club.ru/forum/viewtopic.php?t=6965
токарный http://www.cnc-club.ru/forum/viewtopic. ... 48&t=14096
Brother TC - 225 viewtopic.php?f=146&t=31044
7045 http://www.cnc-club.ru/forum/viewtopic.php?t=6965
токарный http://www.cnc-club.ru/forum/viewtopic. ... 48&t=14096