Стоит ли делать токарный веб-сервис?

Стоит ли делать токарный веб-сервис?

Да
6
25%
Нет
18
75%
 
Всего голосов: 24

Аватара пользователя
Hanter
Мастер
Сообщения: 5414
Зарегистрирован: 27 янв 2012, 14:52
Репутация: 4338
Настоящее имя: Алексей
Откуда: Питер
Контактная информация:

Re: Стоит ли делать токарный веб-сервис?

Сообщение Hanter »

tbc писал(а):Там была реализована обработка с DXF файла, И то, на достаточно простые токарные профили. Здесь это только планируется сделать.
Так так и говорите - была сделана какая то хрень на простейшие профили.. на токарный КАМ она никак не тянет...

здесь планируется ?? дык вы ж сами говорил - 30 лет назад! величайшая экспертная система... вы мировой лидер.... а чем вы извините 30 лет занимались если на простейшую деталь не можете ВРЕМЯ обработки правильно посчитать.. ???

зы... пойду ка я еще одну детальку проверю... шото мне под конец недели поржать охота...
Опыт - это когда на смену вопросам: "Что? Где? Когда? Как? Почему?" Приходит единственный вопрос: "Нахрена?"
==========================================
фрезерная и токарная обработка на станках с чпу.
Резка, гибка, сварка и порошковая окраса.
Аватара пользователя
Hanter
Мастер
Сообщения: 5414
Зарегистрирован: 27 янв 2012, 14:52
Репутация: 4338
Настоящее имя: Алексей
Откуда: Питер
Контактная информация:

Re: Стоит ли делать токарный веб-сервис?

Сообщение Hanter »

мда.... сходил... поржал.. :)
итак деталька...
0001.gif
0001.gif (6.22 КБ) 3213 просмотров
я же правильно ввожу ее параметры да ? :)
0002.gif (3213 просмотров) <a class='original' href='./download/file.php?id=153019&mode=view' target=_blank>Загрузить оригинал (28.49 КБ)</a>
кстати - расскажите - зачем такая вот необходимость вручную проставлять номера элементов ? это типа для особых интелектуалов ? вам показать как работают интуитивно понятные системы ??
ладно, речь не об этом... смотрим результат..
0003.gif (3213 просмотров) <a class='original' href='./download/file.php?id=153020&mode=view' target=_blank>Загрузить оригинал (66.98 КБ)</a>
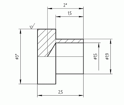
жесть... 96 (!!!) минут.. (не секунд !!!) на деталь диаметром 3 (!!!!) мм и длиной 2.5 (!!!) мм ....
посмотрите КАК она точится.. на маленьком станке, с урезанными в двое холостыми ходами...
https://www.youtube.com/watch?v=Wnk2Fy8 ... mY_ZiLywzA
деталька обрабатывается 18 ( в-о-с-е-м-н-а-д-ц-а-т-ь !!!!! ) секунд.... а не 96 минут.... :lol:
Опыт - это когда на смену вопросам: "Что? Где? Когда? Как? Почему?" Приходит единственный вопрос: "Нахрена?"
==========================================
фрезерная и токарная обработка на станках с чпу.
Резка, гибка, сварка и порошковая окраса.
Аватара пользователя
Predator
Мастер
Сообщения: 9583
Зарегистрирован: 18 июл 2013, 18:26
Репутация: 2531
Контактная информация:

Re: Стоит ли делать токарный веб-сервис?

Сообщение Predator »

Hanter писал(а):посмотрите КАК она точится.. на маленьком станке, с урезанными в двое холостыми ходами...
Не, это не наш метод! Будем точить по 96 минут... :hehehe:
MGG
Мастер
Сообщения: 3673
Зарегистрирован: 08 фев 2016, 16:33
Репутация: 1010
Настоящее имя: Манн Геннадий Геннадьевич
Откуда: Москва
Контактная информация:

Re: Стоит ли делать токарный веб-сервис?

Сообщение MGG »

tbc писал(а): Где же вы видели, чтобы создавалось то, что ни у кого в мире нет и было бы сделано через 2-а месяца и 20 дней идеально?
35 лет!
http://www.cnc-club.ru/forum/viewtopic. ... 76#p304076 Поставки оборудования для ваших станков
https://www.instagram.com/dtw.moscow/
dtw.moscow@gmail.com
nik1
Мастер
Сообщения: 8408
Зарегистрирован: 02 окт 2012, 07:37
Репутация: 3629
Откуда: Красногорск
Контактная информация:

Re: Стоит ли делать токарный веб-сервис?

Сообщение nik1 »

Еще бы найти клиента готового оплачивать такие времена и через месяц становимся миллионерами :hehehe:
Аватара пользователя
donvictorio
Мастер
Сообщения: 2458
Зарегистрирован: 11 окт 2012, 16:26
Репутация: 683
Настоящее имя: Виктор
Откуда: Санкт-Петербург
Контактная информация:

Re: Стоит ли делать токарный веб-сервис?

Сообщение donvictorio »

Стоит ли делать токарный веб-сервис?
не стоит.
Аватара пользователя
Predator
Мастер
Сообщения: 9583
Зарегистрирован: 18 июл 2013, 18:26
Репутация: 2531
Контактная информация:

Re: Стоит ли делать токарный веб-сервис?

Сообщение Predator »

donvictorio писал(а):не стоит
Какое двоякое изречение... Хотя, подойдут оба варианта! :hehehe:
Аватара пользователя
MX_Master
Мастер
Сообщения: 7490
Зарегистрирован: 27 июн 2015, 19:45
Репутация: 3113
Настоящее имя: Михаил
Откуда: Алматы
Контактная информация:

Re: Стоит ли делать токарный веб-сервис?

Сообщение MX_Master »

Смех смехом, а из вас, господа, кто-нибудь может за месяц другой создать простенький токарный CAM с загрузкой DXF файлов? :)
Аватара пользователя
AndyBig
Мастер
Сообщения: 3971
Зарегистрирован: 07 мар 2014, 04:01
Репутация: 1121
Откуда: юг России
Контактная информация:

Re: Стоит ли делать токарный веб-сервис?

Сообщение AndyBig »

MX_Master писал(а):а из вас, господа, кто-нибудь может за месяц другой создать простенький токарный CAM с загрузкой DXF файлов?
А почему за месяц? Супергений вон уже десять лет им занимается :)
nkp
Мастер
Сообщения: 8340
Зарегистрирован: 28 ноя 2011, 00:25
Репутация: 1589
Контактная информация:

Re: Стоит ли делать токарный веб-сервис?

Сообщение nkp »

MX_Master писал(а):Смех смехом, а из вас, господа, кто-нибудь может за месяц другой создать простенький токарный CAM с загрузкой DXF файлов?
да
Аватара пользователя
MX_Master
Мастер
Сообщения: 7490
Зарегистрирован: 27 июн 2015, 19:45
Репутация: 3113
Настоящее имя: Михаил
Откуда: Алматы
Контактная информация:

Re: Стоит ли делать токарный веб-сервис?

Сообщение MX_Master »

AndyBig писал(а):А почему за месяц? Супергений вон уже десять лет им занимается
Дядя Виктор создаёт нечто очень продвинутое (: а я говорил про самый простой
tbc
Мастер
Сообщения: 797
Зарегистрирован: 21 июн 2018, 14:00
Репутация: -8

Re: Стоит ли делать токарный веб-сервис?

Сообщение tbc »

Смех смехом, а из вас, господа, кто-нибудь может за месяц другой создать простенький токарный CAM с загрузкой DXF файлов?
Вот по этому надо рассылки делать тем, кому проект интересен, а кому хочется говорить про самогон пусть здесь продолжают беседовать. Интересы то у всех разные, как и развитие.
А почему за месяц? Супергений вон уже десять лет им занимается
С октября месяца.
tbc
Мастер
Сообщения: 797
Зарегистрирован: 21 июн 2018, 14:00
Репутация: -8

Re: Стоит ли делать токарный веб-сервис?

Сообщение tbc »

Дядя Виктор создаёт нечто очень продвинутое (: а я говорил про самый простой
Я думаю, что беспокоящиеся товарищи это прекрасно понимают, поэтому то и беспокоятся. :hehehe:
Аватара пользователя
selenur
Почётный участник
Почётный участник
Сообщения: 4605
Зарегистрирован: 21 авг 2013, 19:44
Репутация: 1622
Настоящее имя: Сергей
Откуда: Новый Уренгой
Контактная информация:

Re: Стоит ли делать токарный веб-сервис?

Сообщение selenur »

MX_Master писал(а):Смех смехом, а из вас, господа, кто-нибудь может за месяц другой создать простенький токарный CAM с загрузкой DXF файлов? :)
К стати дельно подметил :good:
Я для одного проекта в начале года, делал CAD программу в которой можно чертить некоторые простые примитивы, историю изменений с возможностью отмены действий, и генерации G-кода, и прочие бантики, так это вылилось в итоге в 240 часов работы, + ещё не мало моментов сразу не учёл, из-за которых пользователь мог сделать что-то так, что работало с ошибкой, но в итоге поправил :-)

Так и автор постепенно думаю учтёт косяки.
Мой сайт: http://selenur.ru
Исходники моих программ: https://github.com/selenur
Instagram https://www.instagram.com/zheigurov/
tbc
Мастер
Сообщения: 797
Зарегистрирован: 21 июн 2018, 14:00
Репутация: -8

Re: Стоит ли делать токарный веб-сервис?

Сообщение tbc »

Так и автор постепенно думаю учтёт косяки.
Обязательно! Это же только делается еще.
Аватара пользователя
AndyBig
Мастер
Сообщения: 3971
Зарегистрирован: 07 мар 2014, 04:01
Репутация: 1121
Откуда: юг России
Контактная информация:

Re: Стоит ли делать токарный веб-сервис?

Сообщение AndyBig »

MX_Master писал(а):Дядя Виктор создаёт нечто очень продвинутое (:
Пока он не осилил даже то, что Вы предлагаете создать за пару месяцев - простенький токарный CAD с загрузкой DXF :) А чтобы создать что-то более продвинутое... Ему понадобится жизней 20 как минимум :)
Аватара пользователя
Hanter
Мастер
Сообщения: 5414
Зарегистрирован: 27 янв 2012, 14:52
Репутация: 4338
Настоящее имя: Алексей
Откуда: Питер
Контактная информация:

Re: Стоит ли делать токарный веб-сервис?

Сообщение Hanter »

selenur писал(а):К стати дельно подметил
Я для одного проекта в начале года, делал CAD программу в которой можно чертить некоторые простые примитивы, историю изменений с возможностью отмены действий, и генерации G-кода, и прочие бантики, так это вылилось в итоге в 240 часов работы, + ещё не мало моментов сразу не учёл, из-за которых пользователь мог сделать что-то так, что работало с ошибкой, но в итоге поправил
Сергей, при все уважении - хочется задать один единственный вопрос - а ЗАЧЕМ ??? я понимаю - у вас заказали какой то специфический кад... вы его сделали.... у заказчика были свои требования.... Но вот нам это ЗАЧЕМ ??
Тут можно много всего спрашивать - может ли кто нибудь зашвырнуть спутник на орбиту юпитера.... выточить надфилем паровоз... получить пол киловатта электроэнергии из собственного пука... вопрос - ЗАЧЕМ ????

Вопрос стоит не "может ли кто нибудь сделать простенький кам" - вопрос стоит НАХРЕНА делать то ЧТО НИКОМУ НЕ НУЖНО ???? до этого "кадописателя" пол года не доходит что никому этот облачный сервис нахрен не нужен. просто физически... человек слышит только своих тараканов, которые нашептывают ему "облачный сервис.... облачный сервис... хренолиарды килобаксов.... облачный сервис.... искусственный интеллект... облачный сервис....."
уже 100500 раз было сказано что это БРЕД - оператор станка с планшетом. до этого "кадописателя" не доходит что стоек с выходом в инет крайне мало.. а набивать вручную программу с планшета - это бред. простую программу нормальный оператор пишет с ходу без его сервиса. сложные - на продвинутых стойках пишутся средствами стойки. на стойках по проще - на компе в нормальном КАМЕ. где это и удобнее и комфортнее и можно пробить разные варианты обработки, покрутить деталь со всех сторон. разглядеть все что нада и подправить любой из нескольких десятков параметров... До него даже не доходит что в цехах часто со связью поблемы. ибо помещения бетонные или металлические ангары и куча железа... вот набрали вы контур детальки, нажали рассчитать и опс... ошибка связи.. "Хазяин - интернетама нет - работама нет... " :)

перед тем как что-то писать в поддержку и тд и тп - пусть каждый вот лично для себя ответит - ОН лично будет работать с этим сервисом ?? ну вот тупо приходить утром к станку, брать планшет... вбивать в цифрах (не в примитивах) параметры детали.. запускать расчет.. даже не видя готового контура, и не имея возможности проверить че он вбил и не ошибся ли... и потом то что выдал этот сервис загонять в машину... ручками... ????

я - 111% нет. причины простые:
1 - неудобно. взять чертеж, по нему че то забить в интернете.. потом получить программу, вручную ее перенести.. без верификации.. бред..
2 - планшет возле станка нахрен не нужен. ибо все лишнее либо мешает, либо приходит в негодность....
3 - работа станка не должна зависеть от интернета. у вас неделю нет связи, станок стоит - аренду тоже отменят ??
4 - добрая половина деталей пишется вручную в разы быстрее чем через этот сервис. соответственно зачем терять время ?
5 - сложные детали этот сервис вообще не переварит. да и не доверю я ему. взрослые КАМы не в стостоянии сделать их обработку на автомате. а тут это... панацея...
6 - 118 минут на детальку которая точится 25 секунд, с технологией которая 101% приведет к браку..... не говоря уже о зарезах стенок - как то не подкупают... :)
Опыт - это когда на смену вопросам: "Что? Где? Когда? Как? Почему?" Приходит единственный вопрос: "Нахрена?"
==========================================
фрезерная и токарная обработка на станках с чпу.
Резка, гибка, сварка и порошковая окраса.
Аватара пользователя
MX_Master
Мастер
Сообщения: 7490
Зарегистрирован: 27 июн 2015, 19:45
Репутация: 3113
Настоящее имя: Михаил
Откуда: Алматы
Контактная информация:

Re: Стоит ли делать токарный веб-сервис?

Сообщение MX_Master »

Hanter писал(а):ЗАЧЕМ ???
потому что может (:
SVP
Мастер
Сообщения: 6140
Зарегистрирован: 19 дек 2012, 15:49
Репутация: 884
Откуда: Москва
Контактная информация:

Re: Стоит ли делать токарный веб-сервис?

Сообщение SVP »

Hanter писал(а):ЗАЧЕМ
Боюсь еще немного и тебе тоже понадобится помощь спецов.
Соскакивай ей богу, этот паровоз ведет к безумию, инфа 100%.
Аватара пользователя
Kachik
Мастер
Сообщения: 1413
Зарегистрирован: 13 янв 2017, 16:22
Репутация: 308
Настоящее имя: Сергей
Откуда: Питер
Контактная информация:

Re: Стоит ли делать токарный веб-сервис?

Сообщение Kachik »

SVP писал(а):
Hanter писал(а):ЗАЧЕМ
Боюсь еще немного и тебе тоже понадобится помощь спецов.
Соскакивай ей богу, этот паровоз ведет к безумию, инфа 100%.
Дядя Витя - это лакмусовая бумажка :ura:
Закрыто

Вернуться в «Оффтоп»