А а каком тексте? Я что-то пропустил?kpankratov писал(а):а в тексте всюду 25...
StepMaster ver 2.5
- Vados92
- Новичок
- Сообщения: 25
- Зарегистрирован: 22 дек 2017, 10:46
- Репутация: 0
- Контактная информация:
Re: StepMaster ver 2.5
-
Argentum47
- Мастер
- Сообщения: 911
- Зарегистрирован: 05 июн 2015, 10:00
- Репутация: 110
- Откуда: Саратов
- Контактная информация:
Re: StepMaster ver 2.5
Чем она меньше в маче, тем стабильнее, одна из главных фич платы - множитель частоты, если стоит х4 при 25 в маче, то на драйвер идёт 100КГц. Это очень надо когда сервы, редукторы, очень большие дробления шага и очень большие скорости, правда большинство драйверов больше 200КГц не хавают.kpankratov писал(а):че то меня сомнения берет..на всех скринах частота настройки мача 35000 гц..а в тексте всюду 25...или это не важно?
-
kpankratov
- Опытный
- Сообщения: 170
- Зарегистрирован: 30 авг 2017, 17:01
- Репутация: -19
- Настоящее имя: кирилл
- Контактная информация:
Re: StepMaster ver 2.5
сообщения с 552 по 558 имел ввидуVados92 писал(а):А а каком тексте? Я что-то пропустил?kpankratov писал(а):а в тексте всюду 25...
-
kpankratov
- Опытный
- Сообщения: 170
- Зарегистрирован: 30 авг 2017, 17:01
- Репутация: -19
- Настоящее имя: кирилл
- Контактная информация:
Re: StepMaster ver 2.5
спасибо разобрался..у меня 25 стоит и множитель 8 на платеArgentum47 писал(а):Чем она меньше в маче, тем стабильнее, одна из главных фич платы - множитель частоты, если стоит х4 при 25 в маче, то на драйвер идёт 100КГц. Это очень надо когда сервы, редукторы, очень большие дробления шага и очень большие скорости, правда большинство драйверов больше 200КГц не хавают.kpankratov писал(а):че то меня сомнения берет..на всех скринах частота настройки мача 35000 гц..а в тексте всюду 25...или это не важно?
-
Timur_Akhmatov
- Новичок
- Сообщения: 26
- Зарегистрирован: 01 сен 2018, 20:31
- Репутация: 0
- Настоящее имя: Timur
- Контактная информация:
Re: StepMaster ver 2.5
Здравствуйте, я в теме чпу новичек, прошу ногами не пинать. У меня возник вопрос... Зачем на плате 3 отдельных микроконтроллера? Почему не вонзить было один? Каким образом они обмениваются данными? Вопросы не провокации для, а просвещения ради.
-
asr_1968
- Новичок
- Сообщения: 1
- Зарегистрирован: 15 окт 2018, 09:16
- Репутация: 1
- Настоящее имя: Алексей Владимирович
- Контактная информация:
Re: StepMaster ver 2.5
Получил я вчера плату Stepmaster 2.5, установил. Все работает. Запустил и NC Studio и Mach3
Первые впечатления.
Достоинства:
1) Переключение между NC Studio и Mach3 по кнопке который вывел на корпус.
2) Микро шаг поставил 1/32 естественно двигателей не слышно. (Мощи движков с головой).
3) Из-за умножения частоты на драйвера при скорости 5000 мм/мин 106 Кгц (ни NC Studio и Mach3 такую частоту не потянут)
4) Сама плата с полной световой индикацией портов ввода (Home, E-Stop, Датчик инструмента)
5) Качество конечно красатень. (Качество, как у лучших мировых производителей)
(я по первой думал Михаил покупает готовые где-то за границей, а потом перепродает, ан нет, у него станок дома, видео в инете есть).
Недостаток один - цена 7500. (если у вас все идеально, тратиться незачем). У меня было не идеально, на Mach3 Z уходила вверх.
Кстати надеюсь понятно что для работы Mach3 кроме Stepmaster 2.5 ниче не надо шнур LPT в комплекте.
Следующий пост будет о скорости выполнения, одного и того же с применением Stepmaster 2.5 на NC Studio и Mach3.
NC Studio "чешет " только так, но у Mach3 можно ускорение на ось Z выставить в 4 раза быстрее чем на другие
(т.е. ускорение ставиться на каждую ось свое, у NC Studio такого нет).
Ну во всяком случае я теперь уверен что полосок не будет на изделии.
Инженеру Михаилу СПАСИБО!!! (Ждем новых изобретений и изделий).
Первые впечатления.
Достоинства:
1) Переключение между NC Studio и Mach3 по кнопке который вывел на корпус.
2) Микро шаг поставил 1/32 естественно двигателей не слышно. (Мощи движков с головой).
3) Из-за умножения частоты на драйвера при скорости 5000 мм/мин 106 Кгц (ни NC Studio и Mach3 такую частоту не потянут)
4) Сама плата с полной световой индикацией портов ввода (Home, E-Stop, Датчик инструмента)
5) Качество конечно красатень. (Качество, как у лучших мировых производителей)
(я по первой думал Михаил покупает готовые где-то за границей, а потом перепродает, ан нет, у него станок дома, видео в инете есть).
Недостаток один - цена 7500. (если у вас все идеально, тратиться незачем). У меня было не идеально, на Mach3 Z уходила вверх.
Кстати надеюсь понятно что для работы Mach3 кроме Stepmaster 2.5 ниче не надо шнур LPT в комплекте.
Следующий пост будет о скорости выполнения, одного и того же с применением Stepmaster 2.5 на NC Studio и Mach3.
NC Studio "чешет " только так, но у Mach3 можно ускорение на ось Z выставить в 4 раза быстрее чем на другие
(т.е. ускорение ставиться на каждую ось свое, у NC Studio такого нет).
Ну во всяком случае я теперь уверен что полосок не будет на изделии.
Инженеру Михаилу СПАСИБО!!! (Ждем новых изобретений и изделий).
- michael-yurov
- Почётный участник

- Сообщения: 11730
- Зарегистрирован: 26 июл 2012, 00:10
- Репутация: 4703
- Настоящее имя: Михаил Львович
- Откуда: Новоуральск
- Контактная информация:
Re: StepMaster ver 2.5
asr_1968 писал(а):У меня было не идеально, на Mach3 Z уходила вверх.
Очень надеюсь! Со своей стороны сделал для этого все, что в моих силах.asr_1968 писал(а):Ну во всяком случае я теперь уверен что полосок не будет на изделии.
Спасибо за хороший отзыв!
-
Error
- Кандидат
- Сообщения: 45
- Зарегистрирован: 28 сен 2018, 09:24
- Репутация: 0
- Настоящее имя: Александр
- Откуда: Москва
- Контактная информация:
Re: StepMaster ver 2.5
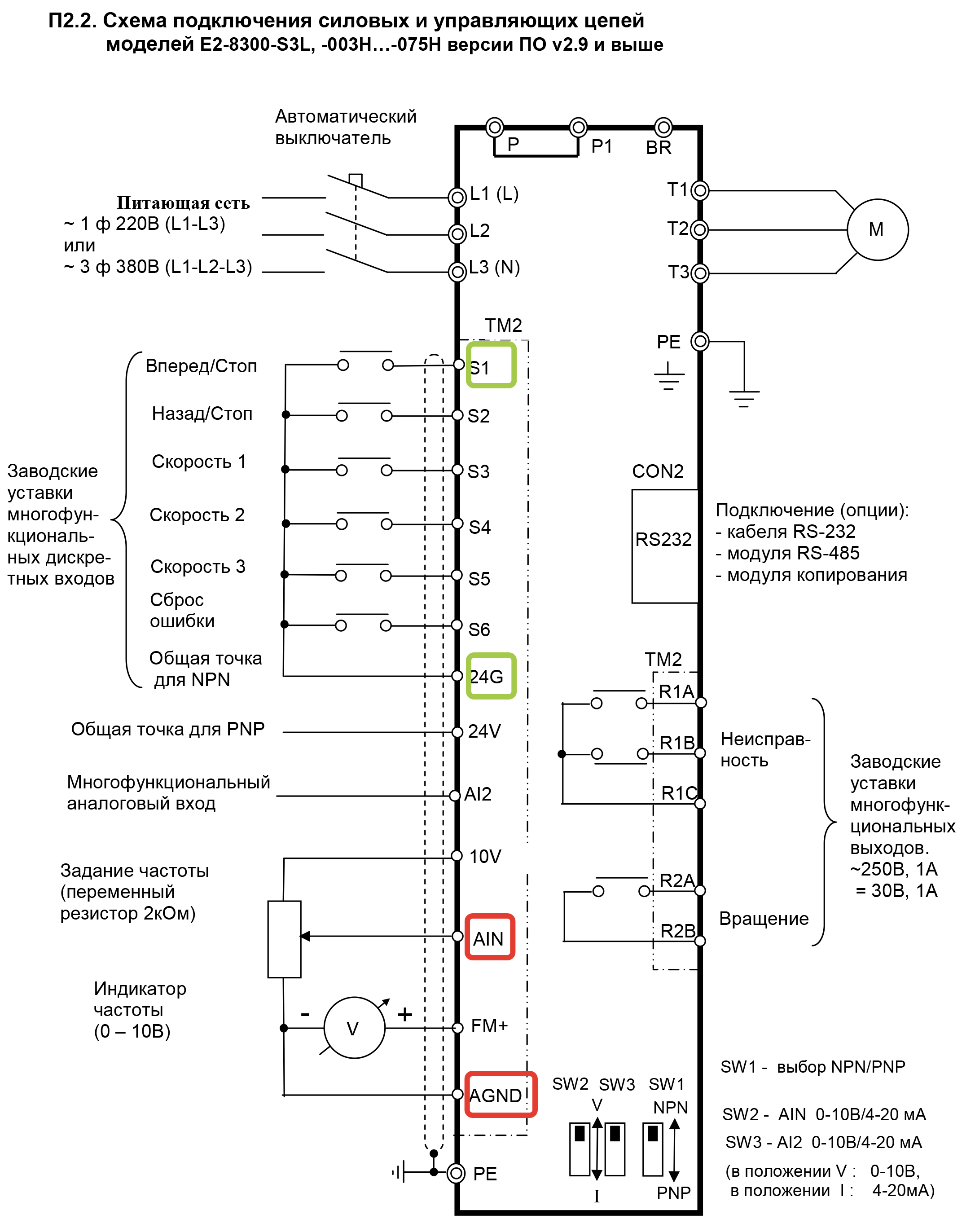
Добрый день всем. Помогите не сделать ошибку. К данной плате требуется подключить Веспер E2-8300 S2L. В инструкции к плате называются порты куда подключать но они не совпадают с названием портов на данном частотнике. Не дайте все сжечь 
- michael-yurov
- Почётный участник

- Сообщения: 11730
- Зарегистрирован: 26 июл 2012, 00:10
- Репутация: 4703
- Настоящее имя: Михаил Львович
- Откуда: Новоуральск
- Контактная информация:
Re: StepMaster ver 2.5
Я сейчас не могу ответить — сильно занят. И в ближайшие дни ситуация не изменится.Error писал(а):Добрый день всем. Помогите не сделать ошибку. К данной плате требуется подключить Веспер E2-8300 S2L. В инструкции к плате называются порты куда подключать но они не совпадают с названием портов на данном частотнике. Не дайте все сжечь
Документацию на этот веспер посмотрел. Ничего там хитрого в подключении нет. Называются клеммы почти так же.
В любом случае придется читать инструкцию и разбираться, как подключить и настроить. Не получится соединить провода и пользоваться не разбираясь в вопросе.
Не может никто дать такой простой ответ, как ты хочешь, на такой сложный вопрос.Error писал(а):Там тишина
Если бы здесь хотя бы скриншот инструкции приложил — наверняка сказали бы, как входы называются.
Ну вот входы я отметил... Но это никак не поможет подключить частотник не разбираясь в вопросе.
-
Error
- Кандидат
- Сообщения: 45
- Зарегистрирован: 28 сен 2018, 09:24
- Репутация: 0
- Настоящее имя: Александр
- Откуда: Москва
- Контактная информация:
Re: StepMaster ver 2.5
michael-yurov, Спасибо большое! Просто уточнить по цветам
https://yadi.sk/i/vtcGDy42tSy2lw
https://yadi.sk/i/vtcGDy42tSy2lw
-
Kastor
- Кандидат
- Сообщения: 43
- Зарегистрирован: 03 янв 2016, 19:22
- Репутация: 1
- Откуда: Санкт-Петербург
- Контактная информация:
Re: StepMaster ver 2.5
А что же делать если если нужно выставить скорость перемещения 6-8 метров в минуту и делить шаг больше чем на 4, при такой герцовке скорость ограничивается, как быть в такой ситуации? На степпмастер можно давать больше герц чем указано в мануале?Argentum47 писал(а):Чем она меньше в маче, тем стабильнее, одна из главных фич платы - множитель частоты, если стоит х4 при 25 в маче, то на драйвер идёт 100КГц. Это очень надо когда сервы, редукторы, очень большие дробления шага и очень большие скорости, правда большинство драйверов больше 200КГц не хавают.kpankratov писал(а):че то меня сомнения берет..на всех скринах частота настройки мача 35000 гц..а в тексте всюду 25...или это не важно?
- michael-yurov
- Почётный участник

- Сообщения: 11730
- Зарегистрирован: 26 июл 2012, 00:10
- Репутация: 4703
- Настоящее имя: Михаил Львович
- Откуда: Новоуральск
- Контактная информация:
Re: StepMaster ver 2.5
Включить умножение частоты на плате. Для этого и сделано.Kastor писал(а):А что же делать если если нужно выставить скорость перемещения 6-8 метров в минуту и делить шаг больше чем на 4, при такой герцовке скорость ограничивается, как быть в такой ситуации?
Можно более 10 МГц. Куда уж больше?Kastor писал(а):На степпмастер можно давать больше герц чем указано в мануале?
- michael-yurov
- Почётный участник

- Сообщения: 11730
- Зарегистрирован: 26 июл 2012, 00:10
- Репутация: 4703
- Настоящее имя: Михаил Львович
- Откуда: Новоуральск
- Контактная информация:
Re: StepMaster ver 2.5
Я не смог сделать достаточно хорошо на 1 микроконтроллере. Не хватило аппаратных ресурсов (таймеров).Timur_Akhmatov писал(а):Здравствуйте, я в теме чпу новичек, прошу ногами не пинать. У меня возник вопрос... Зачем на плате 3 отдельных микроконтроллера? Почему не вонзить было один? Каким образом они обмениваются данными? Вопросы не провокации для, а просвещения ради.
Данными обмениваются по простому — несколько линий общие для всех трех.
Можно было бы и на одном, но это потребовало бы существенного времени на отладку новой прошивки, что привело бы к существенной задержке с выпуском в продажу, и, скорее всего, не уменьшило бы цену, т.к. пришлось бы использовать более дорогой микроконтроллер.
Хотя, вычислительных ресурсов микроконтроллеров хватает с большим запасом. Процессоры загружены примерно на 10%.
-
Valeratt
- Новичок
- Сообщения: 1
- Зарегистрирован: 06 ноя 2018, 23:00
- Репутация: 0
- Настоящее имя: Valeriy Belichev
- Контактная информация:
Re: StepMaster ver 2.5
Здравствуйте! Можно ли где-нибудь ознакомиться с примерными настройками платы StepMaster для EMC2 LinuxCNC?
- antoxa-kylibin
- Мастер
- Сообщения: 786
- Зарегистрирован: 22 июн 2017, 13:18
- Репутация: 107
- Настоящее имя: Антон
- Откуда: г. Воронеж
- Контактная информация:
Re: StepMaster ver 2.5
Я могу поделиться скринами своих настроек stepconfig , когда буду возле станка. Не факт что у вас заработает с такой конфигурацией, но все же будет от чего плясать...Valeratt писал(а):Здравствуйте! Можно ли где-нибудь ознакомиться с примерными настройками платы StepMaster для EMC2 LinuxCNC?
- IvIaCTeP
- Мастер
- Сообщения: 215
- Зарегистрирован: 30 ноя 2015, 20:47
- Репутация: 25
- Контактная информация:
Re: StepMaster ver 2.5
Михаил, добрый вечер.
Подскажите пожалуйста, почему на 14 выходе при включении и изменения оборотов шпинделя, выходное напряжение на выводах не изменяется?
Все настройки выставил по скрин. Шпиндель через 17 вывод включается и выключается. Проблема только в выходном напряжении...(((
Подскажите пожалуйста, почему на 14 выходе при включении и изменения оборотов шпинделя, выходное напряжение на выводах не изменяется?
Все настройки выставил по скрин. Шпиндель через 17 вывод включается и выключается. Проблема только в выходном напряжении...(((
- michael-yurov
- Почётный участник

- Сообщения: 11730
- Зарегистрирован: 26 июл 2012, 00:10
- Репутация: 4703
- Настоящее имя: Михаил Львович
- Откуда: Новоуральск
- Контактная информация:
Re: StepMaster ver 2.5
На аналоговом выходе "Spindle 0-10V Out"?IvIaCTeP писал(а):Михаил, добрый вечер.
Подскажите пожалуйста, почему на 14 выходе при включении и изменения оборотов шпинделя, выходное напряжение на выводах не изменяется?
Все настройки выставил по скрин. Шпиндель через 17 вывод включается и выключается. Проблема только в выходном напряжении...(((
Стоит через строку MIDI Input текстом отдать команды, например, "M3 S24000" или "M3 S 1000"? и проверить, изменяется ли напряжение при этом.
Если двигать ползунок "процентов" скорости шпинделя не задав обороты — напряжение точно не будет изменятся, т.к. 200% от ноля ничем не отличаются от 10% от ноля.
- IvIaCTeP
- Мастер
- Сообщения: 215
- Зарегистрирован: 30 ноя 2015, 20:47
- Репутация: 25
- Контактная информация:
Re: StepMaster ver 2.5
То есть если не были текстовой команды, ползунок смысла нету крутить, верно я понял?
- michael-yurov
- Почётный участник

- Сообщения: 11730
- Зарегистрирован: 26 июл 2012, 00:10
- Репутация: 4703
- Настоящее имя: Михаил Львович
- Откуда: Новоуральск
- Контактная информация:
Re: StepMaster ver 2.5
Зависит от скринсета и текущего состояния программы.IvIaCTeP писал(а):То есть если не были текстовой команды, ползунок смысла нету крутить, верно я понял?
- wldev
- Мастер
- Сообщения: 1650
- Зарегистрирован: 24 янв 2012, 16:04
- Репутация: 510
- Настоящее имя: Сергей Бочаров
- Откуда: Новосибирск
- Контактная информация:
Re: StepMaster ver 2.5
Сделал небольшой обзор платы...
https://www.youtube.com/watch?v=ai-GD2nGPxU
https://www.youtube.com/watch?v=ai-GD2nGPxU