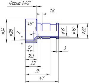
Требуется изготовление деталеи (2шт.), чертеж в прикреп . файле.
Материал - можно д16т, а можно и стальную, не сильно принципиально.
Интересует стоимость изготовления с вашим материалом.
Спасибо! (red-devil-7@mail.ru)(г.Москва)
Изготовление детали на токарном станке. Интересует стоимость
Правила форума
Разрешается публиковать предложения по предоставлению услуг как физическим лицам так и коммерческим организациям, при соблюдении следующих условий:
1. должны присутствовать характеристики предлагаемых услуг, возможности оборудования
2. должна присутствовать стоимость услуги
3. должно присутствовать описание способов оплаты, доставки и места расположения (город)
4. один продавец - одна тема
Фотографии товаров приветствуются (фотографии должны быть вложениями к сообщениям).
Возможно размещение ссылки на свой сайт, с описанием товара, при обязательном соблюдении пунктов 1-3.
Администрация форума может удалить тему или сообщения из данного раздела на свое усмотрение, без объяснения причин!
Разрешается публиковать предложения по предоставлению услуг как физическим лицам так и коммерческим организациям, при соблюдении следующих условий:
1. должны присутствовать характеристики предлагаемых услуг, возможности оборудования
2. должна присутствовать стоимость услуги
3. должно присутствовать описание способов оплаты, доставки и места расположения (город)
4. один продавец - одна тема
Фотографии товаров приветствуются (фотографии должны быть вложениями к сообщениям).
Возможно размещение ссылки на свой сайт, с описанием товара, при обязательном соблюдении пунктов 1-3.
Администрация форума может удалить тему или сообщения из данного раздела на свое усмотрение, без объяснения причин!