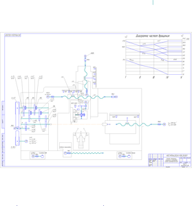
Здравствуйте. По заданию дан станок 1740 РФ3, прикрепляю ниже его кинематику.Ребят к вам просьба, на кинематике добавить ось Y в станке
можно на почту кинуть: den.cherepow@yandex.ru
патронно-центровой станок модели 1740 РФ3
Правила форума
Разрешается публиковать предложения по предоставлению услуг как физическим лицам так и коммерческим организациям, при соблюдении следующих условий:
1. должны присутствовать характеристики предлагаемых услуг, возможности оборудования
2. должна присутствовать стоимость услуги
3. должно присутствовать описание способов оплаты, доставки и места расположения (город)
4. один продавец - одна тема
Фотографии товаров приветствуются (фотографии должны быть вложениями к сообщениям).
Возможно размещение ссылки на свой сайт, с описанием товара, при обязательном соблюдении пунктов 1-3.
Администрация форума может удалить тему или сообщения из данного раздела на свое усмотрение, без объяснения причин!
Разрешается публиковать предложения по предоставлению услуг как физическим лицам так и коммерческим организациям, при соблюдении следующих условий:
1. должны присутствовать характеристики предлагаемых услуг, возможности оборудования
2. должна присутствовать стоимость услуги
3. должно присутствовать описание способов оплаты, доставки и места расположения (город)
4. один продавец - одна тема
Фотографии товаров приветствуются (фотографии должны быть вложениями к сообщениям).
Возможно размещение ссылки на свой сайт, с описанием товара, при обязательном соблюдении пунктов 1-3.
Администрация форума может удалить тему или сообщения из данного раздела на свое усмотрение, без объяснения причин!