Про сервы Yaskawa

Контроллеры, драйверы, датчики, управляющие устройства.
aftaev
Зачётный участник
Зачётный участник
Сообщения: 34042
Зарегистрирован: 04 апр 2010, 19:22
Репутация: 6194
Откуда: Казахстан.
Контактная информация:

Re: Про сервы Yaskawa

Сообщение aftaev »

Naluvajko писал(а):прицепить шпиндельную серву
Шо есть такое шпиндельная серва? Полное название какое?
Naluvajko писал(а):что означает Phase C? Это нулевая метка?
Надо показывать всю картинку, а не огрызок. Скорее всего да.
Naluvajko писал(а):что в мануалах кфлопа не видел упоминания, что он работает с Z меткой, и вообще повсюду пишут о работе с двумя фазами энкодера.
Для определения направления вращения и подсчет импульсов достаточно две фазы АВ. Z метка используется отдельно и цепляется на вход НОМЕ. Z метка используется если на пальцах - как точный датчик(сигнал) НОМЕ. А как реализовано/можно реализовать этот НОМЕ зависит от ЧПУ.
Дилетанту сложные вещи кажутся очень простыми, и только профессионал понимает насколько сложна самая простая вещь
Кто хочет - ищет возможности, кто не хочет - ищет оправдание.
Найди работу по душе и тебе не придется работать.
Naluvajko
Новичок
Сообщения: 33
Зарегистрирован: 06 фев 2018, 18:05
Репутация: 14
Контактная информация:

Re: Про сервы Yaskawa

Сообщение Naluvajko »

К хоуму не догадался подключить phase y, спасибо, попоробую.
Подопытный сервопак SGDV-2R8A01A с мотором SGMJV-04A3A61 (опыты на мелком изза удобства).
Полная схема подключения во вложении.
Так я подключил ресивер дифференциального сигнала:
Буфер обміну02.jpg (3216 просмотров) <a class='original' href='./download/file.php?id=139386&mode=view' target=_blank>Загрузить оригинал (37.18 КБ)</a>
может неправильно поступил с входами enable?
Вложения
Буфер обміну01.jpg (3216 просмотров) <a class='original' href='./download/file.php?id=139385&mode=view' target=_blank>Загрузить оригинал (378.99 КБ)</a>
Аватара пользователя
Vladimir52
Мастер
Сообщения: 390
Зарегистрирован: 31 май 2017, 15:48
Репутация: 51
Настоящее имя: Владимир
Контактная информация:

Re: Про сервы Yaskawa

Сообщение Vladimir52 »

Naluvajko писал(а):При вращении вала кфлоп показывает мигание сигнала только из Phase A. Осцилографа увы нет, чтоб посмотреть выходить ли что нибудь из Phase B и Phase C.
Выходы фаз энкодера A B и С можно назначить разными опциями. У вас возможно на А выдается последовательность импульсов энкодера, а на B - знак (направление вращения), т.е. будет постоянный уровень. На С по-моему, можно выводить метку только с абсолютного энкодера, хотя может и ошибаюсь.
Аватара пользователя
Serg
Мастер
Сообщения: 21923
Зарегистрирован: 17 апр 2012, 14:58
Репутация: 5183
Заслуга: c781c134843e0c1a3de9
Настоящее имя: Сергей
Откуда: Москва
Контактная информация:

Re: Про сервы Yaskawa

Сообщение Serg »

Vladimir52 писал(а):На С по-моему, можно выводить метку только с абсолютного энкодера, хотя может и ошибаюсь.
Абсолюый энкодер выдаёт уже абсолютную позицию и выход сигнала индекса (метки) там как собаке пятая нога. :) Да и интерфейс у абсолютного энкодера совсем иной.
Я не Христос, рыбу не раздаю, но могу научить, как сделать удочку...
Аватара пользователя
Vladimir52
Мастер
Сообщения: 390
Зарегистрирован: 31 май 2017, 15:48
Репутация: 51
Настоящее имя: Владимир
Контактная информация:

Re: Про сервы Yaskawa

Сообщение Vladimir52 »

UAVpilot писал(а):Абсолюый энкодер выдаёт уже абсолютную позицию и выход сигнала индекса (метки) там как собаке пятая нога. Да и интерфейс у абсолютного энкодера совсем иной.
А причем тут интерфейс энкодера? Это же выход сервопака. И не все PLC умеют читать значение абсолютной позиции по каналам AB, так что возможно С все-таки может использоваться для нулевой метки (но я точно не знаю)
Naluvajko
Новичок
Сообщения: 33
Зарегистрирован: 06 фев 2018, 18:05
Репутация: 14
Контактная информация:

Re: Про сервы Yaskawa

Сообщение Naluvajko »

Vladimir52 писал(а):Выходы фаз энкодера A B и С можно назначить разными опциями.
Не встречал такого ни в мануале ни среди настроек. Покопаюсь наверное завтра
UAVpilot писал(а):Абсолюый энкодер выдаёт уже абсолютную позицию и выход сигнала индекса (метки) там как собаке пятая нога. :) Да и интерфейс у абсолютного энкодера совсем иной.
Есть в этом уверенность?
Насколько я понял из мануала, абсолютный шлет те же импульсы что и инкрементальный, единственная разница это возможность отправлять сигнал SEN и через 100 мсек получать серийные данные о текущей позиции. Дальше опять штатная работа.
Аватара пользователя
Serg
Мастер
Сообщения: 21923
Зарегистрирован: 17 апр 2012, 14:58
Репутация: 5183
Заслуга: c781c134843e0c1a3de9
Настоящее имя: Сергей
Откуда: Москва
Контактная информация:

Re: Про сервы Yaskawa

Сообщение Serg »

Vladimir52 писал(а):А причем тут интерфейс энкодера? Это же выход сервопака.
Какой выход? Который "квадратурный"? А причём тут тогда абсолютный энкодер?.. :)
Vladimir52 писал(а):И не все PLC умеют читать значение абсолютной позиции по каналам AB
А есть способ передать значение асолютной позиции по квадратурным каналам AB?..
Naluvajko писал(а):Насколько я понял из мануала, абсолютный шлет те же импульсы что и инкрементальный, единственная разница это возможность отправлять сигнал SEN и через 100 мсек получать серийные данные о текущей позиции.
У вас всё смешалось в кучу.
Абсолютный энкодер по своему интерфейсу шлёт абсолютную позицию (и ещё кое какую идентификационную/справочную информацию).
Отправить сигнал SEN можно драйверу, а не энкодеру, и драйвер по этому сигналу выдаст на СВОЁМ выходе ABZ абсолютную позицию хитрым образом закодированную. При этом энкодер, подключаемый к драйверу может быть любым.
Я не Христос, рыбу не раздаю, но могу научить, как сделать удочку...
Аватара пользователя
Vladimir52
Мастер
Сообщения: 390
Зарегистрирован: 31 май 2017, 15:48
Репутация: 51
Настоящее имя: Владимир
Контактная информация:

Re: Про сервы Yaskawa

Сообщение Vladimir52 »

UAVpilot писал(а):Какой выход? Который "квадратурный"? А причём тут тогда абсолютный энкодер?..
Отвечаем вопросами на вопрос? Не имеет смысла дальше рассуждать.
UAVpilot писал(а):А есть способ передать значение асолютной позиции по квадратурным каналам AB?..
Есть.
UAVpilot писал(а):Отправить сигнал SEN можно драйверу, а не энкодеру, и драйвер по этому сигналу выдаст на СВОЁМ выходе ABZ абсолютную позицию хитрым образом закодированную.
Неправильно. Читайте мануалы. В Сигма-5 нет никаких выходов ABZ.
Аватара пользователя
Vladimir52
Мастер
Сообщения: 390
Зарегистрирован: 31 май 2017, 15:48
Репутация: 51
Настоящее имя: Владимир
Контактная информация:

Re: Про сервы Yaskawa

Сообщение Vladimir52 »

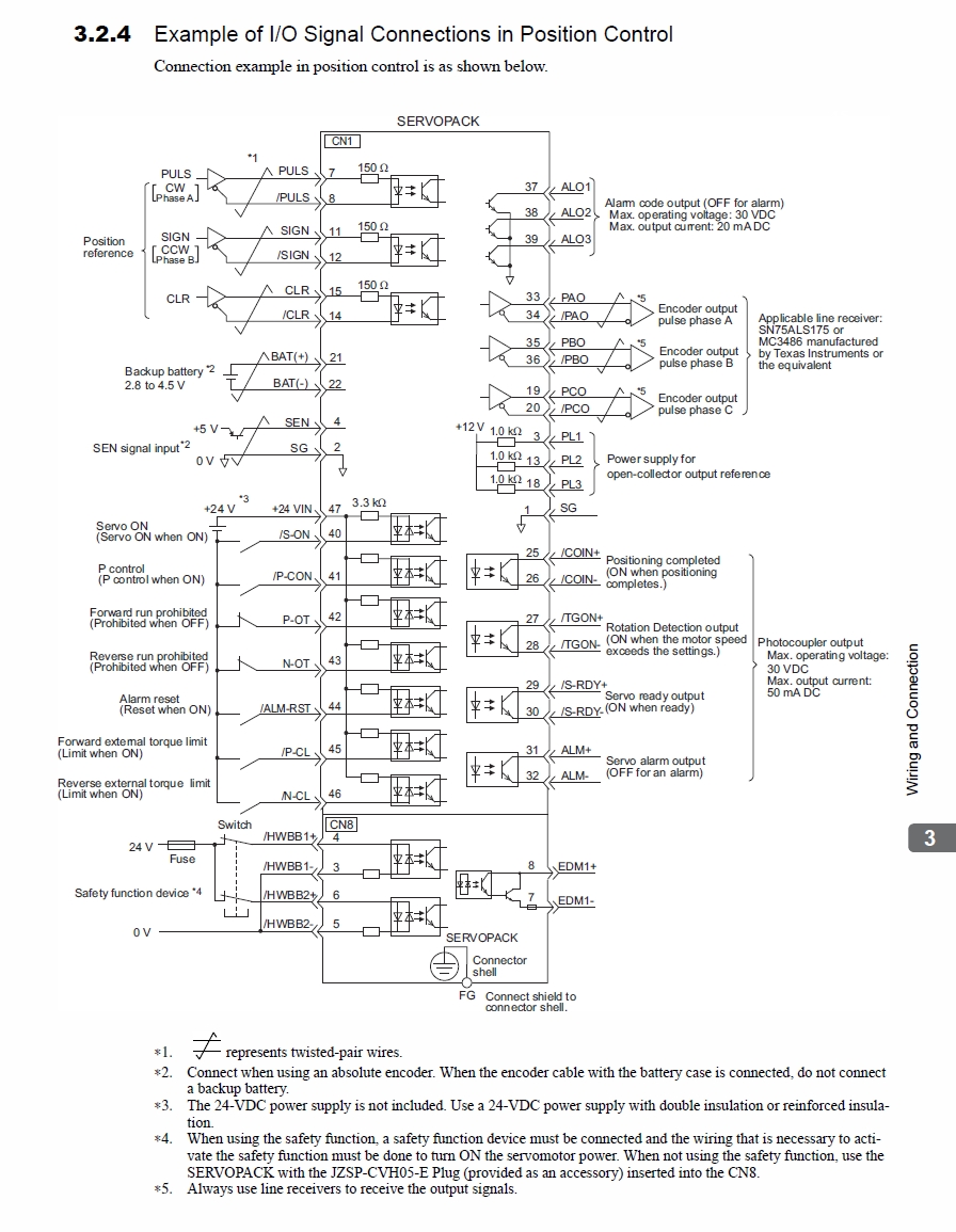
Naluvajko писал(а):Подопытный сервопак SGDV-2R8A01A с мотором SGMJV-04A3A61
В мануале описаны выходы, каково их назначение.
1.jpg (3159 просмотров) <a class='original' href='./download/file.php?id=139433&mode=view' target=_blank>Загрузить оригинал (105.39 КБ)</a>
Все-таки на A и B должен быть сдвинутый на 90 град сигнал энкодера. А вот на С - референсная или нулевая метка, независимо от типа энкодера.
Аватара пользователя
Serg
Мастер
Сообщения: 21923
Зарегистрирован: 17 апр 2012, 14:58
Репутация: 5183
Заслуга: c781c134843e0c1a3de9
Настоящее имя: Сергей
Откуда: Москва
Контактная информация:

Re: Про сервы Yaskawa

Сообщение Serg »

Vladimir52 писал(а):Неправильно. Читайте мануалы. В Сигма-5 нет никаких выходов ABZ.
Vladimir52 писал(а):В мануале описаны выходы, каково их назначение.
Про сервы Yaskawa 1.jpg
Все-таки на A и B должен быть сдвинутый на 90 град сигнал энкодера. А вот на С - референсная или нулевая метка, независимо от типа энкодера.
Так есть выходы или нет?.. :)

Пусть тут полежит пока:
Снимок экрана от 2018-05-21 02-25-13.png (3169 просмотров) <a class='original' href='./download/file.php?id=139434&mode=view' target=_blank>Загрузить оригинал (127.79 КБ)</a>
Я не Христос, рыбу не раздаю, но могу научить, как сделать удочку...
evgenyjp
Почётный участник
Почётный участник
Сообщения: 1516
Зарегистрирован: 10 авг 2011, 17:40
Репутация: 802
Откуда: Japan
Контактная информация:

Re: Про сервы Yaskawa

Сообщение evgenyjp »

все правильно, Phace C это и есть Zметка, в мануале ж написано.
подключать нужно на диф вход контроллера или же через микруху как написано в манулае.
у меня чот не задалось с диф входами, толи микрухи были косые толи еще че, но было ощущение что сервопаки шлют сигнал быстрее чем диф микры на контроллере могли его переварить, толи помеха какая, вобщем сработка была не четкой.
поэтому я подключил через обычный компаратор (LM393) на обычные входы, работает четко по сей день.

насчет абсолютного и инкриментного, так получилось что один моторчик для Зед у меня оказался с тормозом и с абсолютным энкодером, в сервопаке я настроил его как инкрементный и точно также Зед метка работает по Phace C как и на других моторах.
Naluvajko
Новичок
Сообщения: 33
Зарегистрирован: 06 фев 2018, 18:05
Репутация: 14
Контактная информация:

Re: Про сервы Yaskawa

Сообщение Naluvajko »

Отбой, разобрался, проблема была в распайке кабеля :oops:
Уменьшил количество импульсов на оборот до 16, и обычным мультиметром проверял напряжения на проводниках, которые заходят в микруху-ресивер. Элементарно же :cry: Напряжение для работы микрухи и на сигнал Enable подал как положено 5В.
Бонусом добавил в кабель резисторы-терминаторы 300 ом :thinking: в мануале они есть
сначала разметил проводники а после перепаял их в разъеме, чтобы получить витые пары нужных проводов.
Капец сколько узнал нового пока понял, как с миросхемкой работать
Sacha56
Новичок
Сообщения: 9
Зарегистрирован: 27 янв 2013, 10:48
Репутация: 0
Контактная информация:

Re: Про сервы Yaskawa

Сообщение Sacha56 »

Naluvajko писал(а):Так я подключил ресивер дифференциального сигнала:
Поменяйте входа 6 и 7 местами.
Naluvajko
Новичок
Сообщения: 33
Зарегистрирован: 06 фев 2018, 18:05
Репутация: 14
Контактная информация:

Re: Про сервы Yaskawa

Сообщение Naluvajko »

Всем привет
Главный вопрос товарищам кто управляет яскавами через степ-дир: у 5-й яскавы есть контакты под номерами 14 и 15 с функцией CLR - очищает накопленную ошибку позиционирования. Показаны во вложении. Скажите кому нибудь она пригодилась? Если да то в каких условиях?
Делаю терминальную плату с диференциальными ресиверами-передатчиками и оптопарами для: токарник, мозг kflop, 3 привода яскав, 2 оптолинейки, концевики, не такая и дорогая получается. Остался только вопрос о нужности этих 2-х контактов.
Давеча протестировал таки монстрика бутерброда из материнской платы от SGDV-04 и силовой части SGDV-30, работает хорошо, мотор с 18.6 Нм. Проточил 60 мм пруток СТ45 без охлаждения, пластинка о радиусом скругления 08, со съемом кажется 2 мм на радиус (забыл уже) и ручной подачей, нагрузка на мотор по монитору около 8% от номинального момента. Передача по шкивам около 1:1. Как найду токовые клещи, соберу всё как положено и замеряю ток через привод. Пока гипотеза такая: материнские платы таки одинаковые у разных по мощности приводов и управлением аналог/степ-дир. Прошивки одинаковые, отличается только название в сигмавине для облегчения ориентации. Мотора 3кВт хватает (это тоже пока гипотеза!) с запасом для токарника, если измерение тока подтвердит цифры, то выходит что мотора с моментом 18.6 Нм хватит на точение ст45 при диаметре 250 мм :shock: съём 6мм на радиус, при пока неизвестной :thinking: подаче на оборот без превышения номинального момента. Фантастика? Пока да, надо мерять.
Искал в книгах расчет силы резания, какой момент нужен для съема 1мм² стали, нашёл только стос формул с относительными величинами, по которым теоретически это можно расчитать, практически даже не пытаются показать в примере. Может у кого нибудь есть такое знание, где искать? Можно было бы хоть теоретически решить вопрос подбора двигла по моменту. Хотя живые замеры всё равно сделаю
Вложения
Wiring.jpg (2882 просмотра) <a class='original' href='./download/file.php?id=141786&mode=view' target=_blank>Загрузить оригинал (216.3 КБ)</a>
aftaev
Зачётный участник
Зачётный участник
Сообщения: 34042
Зарегистрирован: 04 апр 2010, 19:22
Репутация: 6194
Откуда: Казахстан.
Контактная информация:

Re: Про сервы Yaskawa

Сообщение aftaev »

Naluvajko писал(а):отора 3кВт хватает (это тоже пока гипотеза!) с запасом для токарника, если измерение тока подтвердит цифры, то выходит что мотора с моментом 18.6 Нм хватит на точение ст45 при диаметре 250 мм съём 6мм на радиус, при пока неизвестной подаче на оборот без превышения номинального момента. Фантастика?
У меня так:
Но осях стоят 1ф сервы дельта 0,9квт момент что то 10Нм. На главном приводе асинхронник 7.5квт крутит его частотник 2.2квт Мицубиська от 1ф.
Если сверлить сверлом ф18мм без цикла G83, а по G81 то серва по Z так как там ШВП с шагом 10мм выбивает по перегрузу.
Точили нержу, внутренняя расточка ф70мм брали по 5мм на сторону - полет отличный ;)
Дилетанту сложные вещи кажутся очень простыми, и только профессионал понимает насколько сложна самая простая вещь
Кто хочет - ищет возможности, кто не хочет - ищет оправдание.
Найди работу по душе и тебе не придется работать.
Sacha56
Новичок
Сообщения: 9
Зарегистрирован: 27 янв 2013, 10:48
Репутация: 0
Контактная информация:

Re: Про сервы Yaskawa

Сообщение Sacha56 »

Naluvajko писал(а):Давеча протестировал таки монстрика бутерброда из материнской платы от SGDV-04 и силовой части SGDV-30,
Очень интересно. Когда то давно пытался нарисовать схему силовой части SGDA-02AP по плате, так вот с выходов сборки IGBT через R делитель и оптоизолированые операционники сигналы подавались на материнскую платы.
Выходит что сигнал с операционного усилителя одинаковый для всех мощностей одной модели и задается делителем.
Заметил что измеряются только 2 выхода U и V.
А как определился бутерброд в сигмавине SGDV-04 или SGDV-30
Sacha56
Новичок
Сообщения: 9
Зарегистрирован: 27 янв 2013, 10:48
Репутация: 0
Контактная информация:

Re: Про сервы Yaskawa

Сообщение Sacha56 »

Нет, возможно не все так просто.
На материнской плате нанесена маркировка SGDA дальше на беленьком прямоугольнике 02 и AP. Скорее всего после прошивки контроллера проштамповано 02.
Если материнка одинаковая для всех было бы SGDA-AP.
Naluvajko
Новичок
Сообщения: 33
Зарегистрирован: 06 фев 2018, 18:05
Репутация: 14
Контактная информация:

Re: Про сервы Yaskawa

Сообщение Naluvajko »

Sacha56 писал(а):А как определился бутерброд в сигмавине SGDV-04 или SGDV-30
просто как SGDV-04, с мотором 3кВт стартует с ошибкой "слишком большой мотор на слишком маленьком драйвере", сбрасываешь ошибку и гоняешь без проблем. Двигатель напомню на шпинделе, сначала шпиндель совсем ватный, после автотюнинга то что надо.
Sacha56 писал(а):Если материнка одинаковая для всех было бы SGDA-AP.
А в 5-й сигме все материнки одинаковые по модели, проверил. Пытался и так и сяк выдурить знание у продавцов материнок "как перепрошить на правильную модель?" хрен там, никто не ответил положительно.
Аватара пользователя
ART_ME
Мастер
Сообщения: 394
Зарегистрирован: 17 ноя 2015, 18:05
Репутация: -40
Контактная информация:

Re: Про сервы Yaskawa

Сообщение ART_ME »

Здравствуйте.
Заменили движок со шлицом на точно такой же без шлица (других вариантов не было), а крепление позволяет.
Все отладили, заодно нашли причину выгорания предыдущего.
Установленный движок ездит мягко, ведет себя правильно, с сигмавином серва SGDH10 дружит, автотюнинг работает.

Но есть суперпроблема - ЧПУ не выходит в ноль, сообщая об оной ошибке.
Процесс выхода в ноль правильный - на средней скорости до концевика, потом на малой обратно, очевидно в ожидании метки Z. Коей похоже не получает.
Отсюда два вопроса:
1. Насколько реальна ситуация отсутствие метки Z в прошивке энкодера в яскавовском движке без шлица?
2. Можно ли сигмавином определить, должна ли быть метка Z, и если да, то можно ли её как-то зафиксировать?

ЗЫ. Попытка установки энкодера с старого движка успехом не увенчалась - старый энкодер умер.
Никогда не спорьте с дураками. Они опустят Вас до своего уровня и победят за счет опыта.
aftaev
Зачётный участник
Зачётный участник
Сообщения: 34042
Зарегистрирован: 04 апр 2010, 19:22
Репутация: 6194
Откуда: Казахстан.
Контактная информация:

Re: Про сервы Yaskawa

Сообщение aftaev »

ART_ME писал(а):Но есть суперпроблема - ЧПУ не выходит в ноль, сообщая об оной ошибке.
ЧПУ Z метку сервы использует?
В некоторых сервах что то есть в настройках связанное с Z меткой.
Дилетанту сложные вещи кажутся очень простыми, и только профессионал понимает насколько сложна самая простая вещь
Кто хочет - ищет возможности, кто не хочет - ищет оправдание.
Найди работу по душе и тебе не придется работать.
Ответить

Вернуться в «Электроника»