Частотник powtran pi130,плата stb4100 и мач3 нужно поженить

Контроллеры, драйверы, датчики, управляющие устройства.
Аватара пользователя
slooter
Мастер
Сообщения: 212
Зарегистрирован: 24 авг 2016, 12:23
Репутация: 16
Настоящее имя: Виталий К
Контактная информация:

Частотник powtran pi130,плата stb4100 и мач3 нужно поженить

Сообщение slooter »

Друзья, приветствую!
Обладатели чудесного частотника powtran pi130 отзовитесь!
Необходимо поженить ЧП pi130, плату STB4100 и мач3 (для управления шпинделем по по жикоду) .
настройки ЧП:
F0.00=2/
F0.01=400/
F0.02=3/
F0.05=10/
F0.06=10/
F0.08=400/
F0.10=400/
F0.13=1/
b0.00=0/
b0.01=1.5/
b0.02=220/
b0.03=5.6/
b0.04=400/
b0.05=24000/
В ручном режиме все работает замечательно (частота регулируется патенциометном обороты стабильно, вообщем все ок!).
Для управления аналоговым сигналом (0-10V) точно нужны f0.02-3 (Frequency command selection -3: Panel potentiometer setting) и f0.13-1? (AVR function selection -1: full valid). Пробовал менять f0.02= 1: Analog AI1 setting все равно из под мача ЧП не запускается.
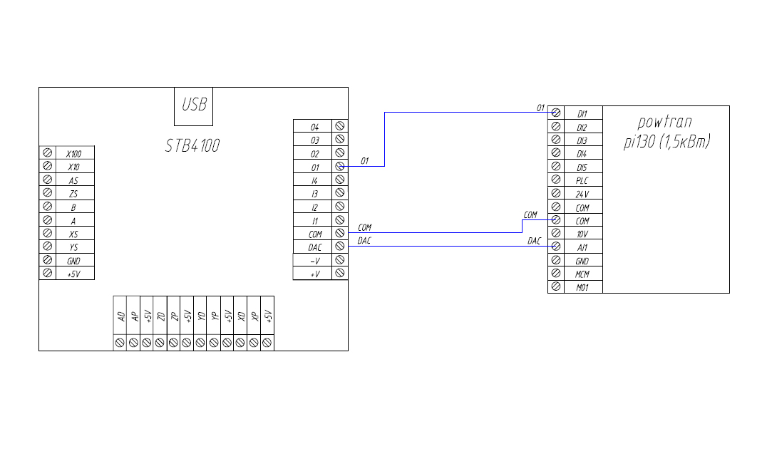
Собрал по схеме _подключение.jpg
Мануальные схемы платы. ЧП и настройки мач3 прилагаю.
В сети нашел схему _подключение_из_сети.jpg. Возможно действительно нужно на ЧП подать 24В.
Друзья, те кто в теме настройки частотников, не будьте равнодушными, подскажите где не прав, если нужно могу скинуть мануал на ЧП.
Вложения
как подключил (3714 просмотров) <a class='original' href='./download/file.php?id=110621&mode=view' target=_blank>Загрузить оригинал (138.34 КБ)</a>
как подключил
схема из мануала на плату (3714 просмотров) <a class='original' href='./download/file.php?id=110622&mode=view' target=_blank>Загрузить оригинал (373.04 КБ)</a>
схема из мануала на плату
схема из мануала на ЧП (3714 просмотров) <a class='original' href='./download/file.php?id=110623&mode=view' target=_blank>Загрузить оригинал (233.26 КБ)</a>
схема из мануала на ЧП
настройки мач3_1.jpg (3714 просмотров) <a class='original' href='./download/file.php?id=110624&mode=view' target=_blank>Загрузить оригинал (190.54 КБ)</a>
настройки мач3_2.jpg (3714 просмотров) <a class='original' href='./download/file.php?id=110625&mode=view' target=_blank>Загрузить оригинал (199.04 КБ)</a>
Аватара пользователя
slooter
Мастер
Сообщения: 212
Зарегистрирован: 24 авг 2016, 12:23
Репутация: 16
Настоящее имя: Виталий К
Контактная информация:

Re: Частотник powtran pi130,плата stb4100 и мач3 нужно пожен

Сообщение slooter »

Поженил, отпишусь в теме про STB4100. Всем спасибо.
01091989
Новичок
Сообщения: 14
Зарегистрирован: 11 сен 2017, 00:34
Репутация: 0
Настоящее имя: Harut
Контактная информация:

Re: Частотник powtran pi130,плата stb4100 и мач3 нужно пожен

Сообщение 01091989 »

доброго времени суток у меня такой вопрос инвертор тот же pi130 но платка другая как подключит
Вложения
микроампер-uamper-чпу-5-осей-драйвер-плата-Mach3-cnc.jpg (3442 просмотра) <a class='original' href='./download/file.php?id=120044&mode=view' target=_blank>Загрузить оригинал (131.43 КБ)</a>
mac
Новичок
Сообщения: 2
Зарегистрирован: 13 окт 2017, 19:05
Репутация: 0
Настоящее имя: максим
Контактная информация:

Re: Частотник powtran pi130,плата stb4100 и мач3 нужно пожен

Сообщение mac »

Друг в меня такой же частотник . Подскажи пожалуйста с настройками .. шпиндель подключил он лежит ели крутит и греется жутко
Eugene
Новичок
Сообщения: 4
Зарегистрирован: 12 янв 2018, 17:14
Репутация: 0
Настоящее имя: Евгений
Контактная информация:

Re: Частотник powtran pi130,плата stb4100 и мач3 нужно пожен

Сообщение Eugene »

slooter писал(а):Поженил, отпишусь в теме про STB4100. Всем спасибо.
Интрига осталась. Так в чем была проблема? Мучаюсь так же с таким же частотником , но плата другая. Тот же вопрос, из программы не запускается , только с панели. Проясните пожалуйста.
Ответить

Вернуться в «Электроника»