гайка ШВП
-
sberbuh
- Опытный
- Сообщения: 104
- Зарегистрирован: 25 сен 2017, 09:51
- Репутация: 0
- Настоящее имя: Алекс
- Контактная информация:
гайка ШВП
Добрый день, уважаемые форумчане.
Прошу просветить, чем отличается установка гайки ШВП площадкой крепления к двигателю и от двигателя.
Собираю первый станок, видел установленные гайки ШВП как туда, так в обратную сторону.
На первый взгляд разницы нет, гайка все равно крутится, паза и шары в гайке одинаковые.
В чем разница?
Прошу просветить, чем отличается установка гайки ШВП площадкой крепления к двигателю и от двигателя.
Собираю первый станок, видел установленные гайки ШВП как туда, так в обратную сторону.
На первый взгляд разницы нет, гайка все равно крутится, паза и шары в гайке одинаковые.
В чем разница?
- frezeryga
- Почётный участник

- Сообщения: 13713
- Зарегистрирован: 18 авг 2013, 16:08
- Репутация: 5069
- Откуда: Жуковский
- Контактная информация:
Re: гайка ШВП
Нет разницы.
email frezeryga@yandex.ru
instagram https://www.instagram.com/frezeryga
telegram https://t.me/md_cnc_frezeryga https://t.me/frezeryga
instagram https://www.instagram.com/frezeryga
telegram https://t.me/md_cnc_frezeryga https://t.me/frezeryga
-
sberbuh
- Опытный
- Сообщения: 104
- Зарегистрирован: 25 сен 2017, 09:51
- Репутация: 0
- Настоящее имя: Алекс
- Контактная информация:
Re: гайка ШВП
Спасибо. Успокоили.frezeryga писал(а):Нет разницы.
- Udjin
- Мастер
- Сообщения: 2121
- Зарегистрирован: 21 авг 2014, 05:55
- Репутация: 1248
- Настоящее имя: Евгений
- Откуда: Приморский край, город Находка.
- Контактная информация:
Re: гайка ШВП
Разница только в сборке и разборке ШВП.
Когда появится потребность поменять гайку, в какую сторону будет ее проще отсоеденить/скрутить/а потом установить, не раскидывая пол станка.
Я обычно ставлю фланцем в противоположную от мотора сторону.
Когда появится потребность поменять гайку, в какую сторону будет ее проще отсоеденить/скрутить/а потом установить, не раскидывая пол станка.
Я обычно ставлю фланцем в противоположную от мотора сторону.
-
netraider
- Мастер
- Сообщения: 209
- Зарегистрирован: 23 май 2015, 10:47
- Репутация: 49
- Настоящее имя: Юрий
- Откуда: Москва
- Контактная информация:
Re: гайка ШВП
Разница может быть в таком контексте:sberbuh писал(а):В чем разница?
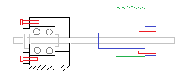
Зависит от конструкции фиксированной опоры и ее взаимного расположения к гайке. Контактная жесткость и 'коэффициент' демпфирования вибраций в разных направлениях отличается в разных вариантах. В одном случае(см. ниже) это отличие больше чем в другом. Это не очень хорошо для горнизонтальных осей, но в 99% случаев эффект от этого будет незаметен, особенно в хоббийных станках.
Набросал пример на скорую руку (к неточностям просьба не придираться, это чисто для иллюстрации):
Слева - fixed опора, справа - гайка. Красные - болты. Зеленый прямоугольник - опора гайки (стол сверху). При таком взаимном расположении в одном направлении нагрузки все болты (крепеж гайки и крепеж крышки опоры) работают на 'разрыв', в противоположном - ни одного (если крышка опоры ввинчивается, а не фиксируется болтами, то ничего в принципе не меняется). Здесь важно то, что вибрации 'проходят' через разные структурные элементы в разных направлениях - (без рассмотрения нагрузок). Если перевернуть гайку - то ситуация немного улучшится. Но здесь очень много дополнительных факторов (резьба на ШВП для locknut например, отсутствует на рисунке), которые могут полностью изменить картину. Т.ч. можно не заморачиваться.
--
At the nanometer level, the world is made of rubber (с)
At the nanometer level, the world is made of rubber (с)
-
lehamont
- Опытный
- Сообщения: 107
- Зарегистрирован: 03 июл 2014, 18:41
- Репутация: 0
- Контактная информация:
Re: гайка ШВП
Здравствуйте форумчане , с наступающим Новым годом!Заклинило гайку ШВП как можно её отремонтировать(если возможно),что послужило причиной ?
стадо баранов ведомое волком всегда победит стадо волков ведомое бараном!
Один день сегодняшний ценнее двух дней завтрашних!
Один день сегодняшний ценнее двух дней завтрашних!
-
aftaev
- Зачётный участник

- Сообщения: 34042
- Зарегистрирован: 04 апр 2010, 19:22
- Репутация: 6194
- Откуда: Казахстан.
- Контактная информация:
Re: гайка ШВП
Скрути гайку и посмотри на шарики и на канавки. шарики наверно как пластеин смяло.lehamont писал(а):Заклинило гайку ШВП как можно её отремонтировать
Надо проясновидеть что там внутри с гайкой случилось? Наверно жадность, хочется как можно дешевше купить, но чтобы работало как ТНКlehamont писал(а):что послужило причиной ?
Дилетанту сложные вещи кажутся очень простыми, и только профессионал понимает насколько сложна самая простая вещь
Кто хочет - ищет возможности, кто не хочет - ищет оправдание.
Найди работу по душе и тебе не придется работать.
Кто хочет - ищет возможности, кто не хочет - ищет оправдание.
Найди работу по душе и тебе не придется работать.
-
lehamont
- Опытный
- Сообщения: 107
- Зарегистрирован: 03 июл 2014, 18:41
- Репутация: 0
- Контактная информация:
Re: гайка ШВП
Cкрутить не получается ,заклинило очень сильно.что можно сделать ?
стадо баранов ведомое волком всегда победит стадо волков ведомое бараном!
Один день сегодняшний ценнее двух дней завтрашних!
Один день сегодняшний ценнее двух дней завтрашних!
- frezeryga
- Почётный участник

- Сообщения: 13713
- Зарегистрирован: 18 авг 2013, 16:08
- Репутация: 5069
- Откуда: Жуковский
- Контактная информация:
Re: гайка ШВП
спасать винт распилив гайку болгаркой.
email frezeryga@yandex.ru
instagram https://www.instagram.com/frezeryga
telegram https://t.me/md_cnc_frezeryga https://t.me/frezeryga
instagram https://www.instagram.com/frezeryga
telegram https://t.me/md_cnc_frezeryga https://t.me/frezeryga
-
Chili
- Мастер
- Сообщения: 1277
- Зарегистрирован: 07 окт 2015, 21:38
- Репутация: 1074
- Настоящее имя: Эдуард Чилиджян
- Откуда: Таганрог
- Контактная информация:
Re: гайка ШВП
до этого можно и вставки вскрыть и пыльники снять..че за гайка ..фотку нужно было потемнее сделать ..чтоб интрига была...угадай мелодию...
Максим винт как спасешь, если ему ...пришла?
-
Chili
- Мастер
- Сообщения: 1277
- Зарегистрирован: 07 окт 2015, 21:38
- Репутация: 1074
- Настоящее имя: Эдуард Чилиджян
- Откуда: Таганрог
- Контактная информация:
Re: гайка ШВП
может там ничего криминального,просто забило мелкой деревянной пылью
-
lehamont
- Опытный
- Сообщения: 107
- Зарегистрирован: 03 июл 2014, 18:41
- Репутация: 0
- Контактная информация:
Re: гайка ШВП
Фото на смартфон(камера не очень).Заклинило так что Nema-34 встал,скорей всего буду распиливать
стадо баранов ведомое волком всегда победит стадо волков ведомое бараном!
Один день сегодняшний ценнее двух дней завтрашних!
Один день сегодняшний ценнее двух дней завтрашних!
- Карабас
- Мастер
- Сообщения: 1862
- Зарегистрирован: 02 мар 2016, 06:53
- Репутация: 690
- Контактная информация:
Re: гайка ШВП
У нас, на китайском станочке, то-же клинила. Долго лили керосин в гайку........помогло.
Если на минусы жизни смотреть сквозь поднятый средний палец, то они становятся плюсами.
-
AVK74
- Почётный участник

- Сообщения: 1854
- Зарегистрирован: 02 июл 2013, 09:03
- Репутация: 335
- Откуда: Уфа
- Контактная информация:
Re: гайка ШВП
Выколупать пластиковые заглушки и попробовать ссыпать шарики попутно чегонить туда заливая/продувая.
Можно ли их потом купить отдельно хз конечно.
Можно ли их потом купить отдельно хз конечно.
-
lehamont
- Опытный
- Сообщения: 107
- Зарегистрирован: 03 июл 2014, 18:41
- Репутация: 0
- Контактная информация:
Re: гайка ШВП
Спасибо за ответы.
стадо баранов ведомое волком всегда победит стадо волков ведомое бараном!
Один день сегодняшний ценнее двух дней завтрашних!
Один день сегодняшний ценнее двух дней завтрашних!
-
lehamont
- Опытный
- Сообщения: 107
- Зарегистрирован: 03 июл 2014, 18:41
- Репутация: 0
- Контактная информация:
Re: гайка ШВП
Выколупал одну заглушку.еле сорвал гайку с места.шарики все из крайней заглушки вытащил.заливал и продувал,гайка закрутилась очень хорошо.думаю-на 2/3 шариков поработает гайка немного(пока с магазина не дойдёт новая)?
стадо баранов ведомое волком всегда победит стадо волков ведомое бараном!
Один день сегодняшний ценнее двух дней завтрашних!
Один день сегодняшний ценнее двух дней завтрашних!
-
nevkon
- Почётный участник

- Сообщения: 2473
- Зарегистрирован: 17 июл 2015, 10:25
- Репутация: 310
- Настоящее имя: Константин
- Откуда: Балаково (Саратовская обл.)
- Контактная информация:
Re: гайка ШВП
Теперь осталось снять гайку, промыть, смазать, поставить на место вместе со всеми шариками. Если шариков не хватает или квадратные стали, то купить весь комплект шариков. Замерить примерный размер можно микрометром (да хоть в магазине если нету на руках - за посмотр и тестирование денег не берут). Заодно оценить поверхности винта (в зоне клина) и внутри гайки.
-
lehamont
- Опытный
- Сообщения: 107
- Зарегистрирован: 03 июл 2014, 18:41
- Репутация: 0
- Контактная информация:
Re: гайка ШВП
Как вы думаете это качественные гайки https://darxton.ru/catalog_section/gayki-shvp-sfu-tbi/? Или подскажите где купить таковые.
стадо баранов ведомое волком всегда победит стадо волков ведомое бараном!
Один день сегодняшний ценнее двух дней завтрашних!
Один день сегодняшний ценнее двух дней завтрашних!
- ultrus
- Мастер
- Сообщения: 2039
- Зарегистрирован: 09 апр 2013, 05:42
- Репутация: 1329
- Настоящее имя: Юрий
- Откуда: Воронеж
- Контактная информация:
Re: гайка ШВП
Никто не юзал такие гайки?
Не понятно, как в них натяг регулируется?
Не понятно, как в них натяг регулируется?
"Если хочешь сделать что-то хорошо, сделай это сам."
Фердинанд Порше
Фердинанд Порше
-
aftaev
- Зачётный участник

- Сообщения: 34042
- Зарегистрирован: 04 апр 2010, 19:22
- Репутация: 6194
- Откуда: Казахстан.
- Контактная информация:
Re: гайка ШВП
Шайбы между ними нужно устанавливать нужного размера. А вот как гайки между собой держатся не понятно. Возможно одна в другую вкручивается, и стопорится винтами которые пыльник держат в обычных гайках.ultrus писал(а):Не понятно, как в них натяг регулируется?
Дилетанту сложные вещи кажутся очень простыми, и только профессионал понимает насколько сложна самая простая вещь
Кто хочет - ищет возможности, кто не хочет - ищет оправдание.
Найди работу по душе и тебе не придется работать.
Кто хочет - ищет возможности, кто не хочет - ищет оправдание.
Найди работу по душе и тебе не придется работать.