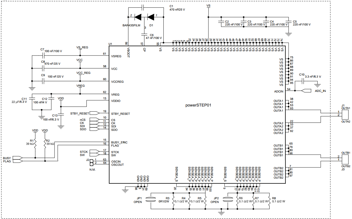
powerSTEP01

Контроллеры, драйверы, датчики, управляющие устройства.
Аватара пользователя
MX_Master
Мастер
Сообщения: 7490
Зарегистрирован: 27 июн 2015, 19:45
Репутация: 3113
Настоящее имя: Михаил
Откуда: Алматы
Контактная информация:

powerSTEP01

Сообщение MX_Master »

en.powerSTEP_image.jpg (2688 просмотров) <a class='original' href='./download/file.php?id=119390&mode=view' target=_blank>Загрузить оригинал (24.97 КБ)</a>
en.x-nucleo-ihm03a1.jpg (2688 просмотров) <a class='original' href='./download/file.php?id=119391&mode=view' target=_blank>Загрузить оригинал (203.48 КБ)</a>
EVLPOWERSTEP01.jpg (2688 просмотров) <a class='original' href='./download/file.php?id=119392&mode=view' target=_blank>Загрузить оригинал (439.58 КБ)</a>
Отдельная тема по чипу powerSTEP01 от STMicroelectronics. Чип очень интересный, первое упоминание о нём было здесь. Появилось несколько вопросов, которые хотелось бы задать более опытным людям..

Коротко о чипе.. powerSTEP01 (6$) - это цифровой драйвер шагового мотора (всё в одном), рассчитанный на напряжение от 10V до 85V и ток до 10A. Управляется чип по SPI. Чип интересен в первую очередь своими высоковольтными характеристиками. Более того, он очень компактный, относительно недорогой и может быть подключен к любой ардуине, STM32 или одноплатному ПК. Фотка самого чипа - справа. Также справа имеются фотки тестовых макеток от производителя:
  1. Макетка X-NUCLEO-IHM03A1 - 10$
  2. Макетка EVLPOWERSTEP01 - 37$
Первая макетка поддерживает напряжение до 50V, вторая - до 85V. На мой неопытный взгляд, обвязка этих плат очень похожа, но, всё-таки, отличается. В связи с этим появился вопрос - в чём же принципиальное отличие? Схемы двух макеток есть, элементная база тоже. Посмотрите, пожалуйста.

Суть всего вопроса сводится к тому, чтобы доработать первую макетку на поддержку питания до 85V. Или хотя бы понять, почему у первой питание ограничено до 50V.



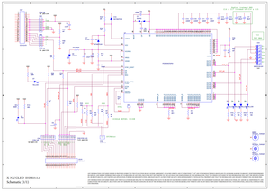
Схема и элементы первой макетки (до 50V)
X-NUCLEO-IHM03A1 scheme.pdf
(293.4 КБ) 1566 скачиваний
X-NUCLEO-IHM03A1 parts.pdf
(27.8 КБ) 347 скачиваний
Схема и элементы второй макетки (до 85V)
EVLPOWERSTEP01.pdf
(122.3 КБ) 437 скачиваний
Последний раз редактировалось MX_Master 01 сен 2017, 04:50, всего редактировалось 1 раз.
Аватара пользователя
MX_Master
Мастер
Сообщения: 7490
Зарегистрирован: 27 июн 2015, 19:45
Репутация: 3113
Настоящее имя: Михаил
Откуда: Алматы
Контактная информация:

Re: powerSTEP01

Сообщение MX_Master »

В виде картинок схемы выглядят так.
Качество среднее. В PDF есть масштабирование без потери качества
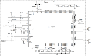
первая макетка (2679 просмотров) <a class='original' href='./download/file.php?id=119396&mode=view' target=_blank>Загрузить оригинал (255.23 КБ)</a>
первая макетка
вторая макетка, часть 1 (2679 просмотров) <a class='original' href='./download/file.php?id=119397&mode=view' target=_blank>Загрузить оригинал (103.82 КБ)</a>
вторая макетка, часть 1
вторая макетка, часть 2 (2647 просмотров) <a class='original' href='./download/file.php?id=119399&mode=view' target=_blank>Загрузить оригинал (55.38 КБ)</a>
вторая макетка, часть 2
Последний раз редактировалось MX_Master 31 авг 2017, 21:32, всего редактировалось 1 раз.
Аватара пользователя
Argon-11
Мастер
Сообщения: 2068
Зарегистрирован: 07 июн 2017, 17:48
Репутация: 461
Контактная информация:

Re: powerSTEP01

Сообщение Argon-11 »

Схемы как будто одинаковые кроме разве что не указанных номиналов в цепи ADC_IN для одной из плат.
А здесь: http://www.st.com/content/ccc/resource/ ... 151763.pdf
вообще-то написано, что первая платка - таки до 85В.
Аватара пользователя
Shkryab
Опытный
Сообщения: 143
Зарегистрирован: 15 июн 2017, 21:25
Репутация: 18
Настоящее имя: Леонидыч
Откуда: Страна, которой нет
Контактная информация:

Re: powerSTEP01

Сообщение Shkryab »

Схема второй макетки, вроде, неполная. Там в PDF-е ещё одна страница есть...
Аватара пользователя
Shkryab
Опытный
Сообщения: 143
Зарегистрирован: 15 июн 2017, 21:25
Репутация: 18
Настоящее имя: Леонидыч
Откуда: Страна, которой нет
Контактная информация:

Re: powerSTEP01

Сообщение Shkryab »

Я, кстати, тоже не вижу причину ограничения напряжения в первой плате. Разве что конденсаторы по питанию пятидесятивольтовые... ;)

Хотя нет, стовольтовые стоят...
Последний раз редактировалось Shkryab 31 авг 2017, 21:28, всего редактировалось 1 раз.
Аватара пользователя
MX_Master
Мастер
Сообщения: 7490
Зарегистрирован: 27 июн 2015, 19:45
Репутация: 3113
Настоящее имя: Михаил
Откуда: Алматы
Контактная информация:

Re: powerSTEP01

Сообщение MX_Master »

Argon-11 писал(а):Схемы как будто одинаковые кроме разве что не указанных номиналов в цепи ADC_IN для одной из плат.
А здесь: http://www.st.com/content/ccc/resource/ ... 151763.pdf
вообще-то написано, что первая платка - таки до 85В.
На странице сайта, видимо, ошибка, т.к. схема и datasheet грозятся максимальным напряжением до 50V
Shkryab писал(а):Схема второй макетки, вроде, неполная. Там в PDF-е ещё одна страница есть...
Ща, разберусь.. добавил вторую часть схемы для второй макетки.


Смотрел, смотрел, вижу пока только два основных отличия - шунтирующих резисторов разное кол-во, и на входе каскады кондёрчиков явно отличаются..
Аватара пользователя
Serg
Мастер
Сообщения: 21923
Зарегистрирован: 17 апр 2012, 14:58
Репутация: 5183
Заслуга: c781c134843e0c1a3de9
Настоящее имя: Сергей
Откуда: Москва
Контактная информация:

Re: powerSTEP01

Сообщение Serg »

Argon-11 писал(а):Схемы как будто одинаковые кроме разве что не указанных номиналов в цепи ADC_IN для одной из плат.
Максимум для ADCIN - 3.3V
MX_Master писал(а):На странице сайта, видимо, ошибка, т.к. схема и datasheet грозятся максимальным напряжением до 50V
Платы отличаются номиналами нескольких резистров (в делителях) и разводкой - толщиной силовых цепей. Если не использовать токи, близкие к максимальным, то и первую можно питать от 85В, только резисторы заменить не забудьте.
Я не Христос, рыбу не раздаю, но могу научить, как сделать удочку...
Ответить

Вернуться в «Электроника»