3axLPT контроллер

Контроллеры, драйверы, датчики, управляющие устройства.
Аватара пользователя
Serg
Мастер
Сообщения: 21923
Зарегистрирован: 17 апр 2012, 14:58
Репутация: 5183
Заслуга: c781c134843e0c1a3de9
Настоящее имя: Сергей
Откуда: Москва
Контактная информация:

Re: 3axLPT контроллер

Сообщение Serg »

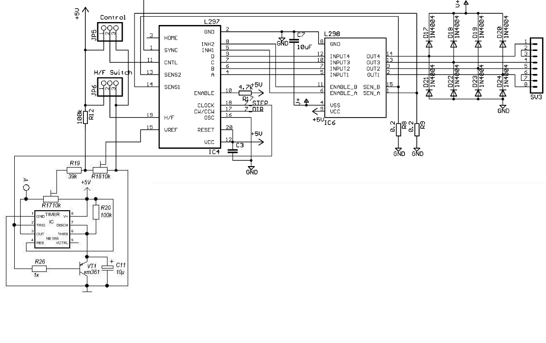
Rayne писал(а):Вот что у меня получилось:
(надеюсь ошибок не много)
Земляную шину замкни по периметру и растяни её на весь "голый" тестолит по краям.
Да и "+27V" лучше пошире сделать.
Я не Христос, рыбу не раздаю, но могу научить, как сделать удочку...
Steel.ne
Почётный участник
Почётный участник
Сообщения: 112
Зарегистрирован: 21 апр 2012, 22:52
Репутация: 5
Контактная информация:

Re: 3axLPT контроллер

Сообщение Steel.ne »

Ну и качестве пожеланий (скорее всего запустится и без этого, но как-то неаккуратно):
- вытащи земляные перемычки из-под корпусов 298
- конденсаторы по питанию - ближе к микросхемам. В идеале вплотную.
- земли от всех пяти каналов собери "звездой", а не последовательно через верх платы
- ширина силовых дорожек должна быть постоянна. Например дорожка от пина 14 298 сужается, когда ты протягиваешь ее между ног. Вместо этого протяни между ног пин 15, а 14 пусти в обход полной шириной
Ну и земля и силовой входы должны 298 быть не уже, чем выходы. Иначе опять же, смысл теряется.
от (и до) токовых резисторов земля тоже должна быть широченная - через них же весь ток течет.
- если 65pa-1 это реле, то обмотку обязательно шунтировать диодом. Иначе вынесешь транзистор

то же самое пин 13 - тяни его сразу вверх полной шириной. Иначе потом в утолщениях практически смысла нет.
многие дорожки можно подсократить типа такой( см. рис) (и вообще, переверни этот диод вниз, параллельно резистору R1. Хотя если это led, может у тебя фиксировано место...)

И мне кажется нахомутал с разводкой - пин 14 должен быть подключен к "междудиодию" - между анодом и катодом нижней пары диодов, а то они как-то без дела прилеплены.
Вложения
Безымянный.png
Безымянный.png (15.96 КБ) 3520 просмотров
Rayne
Новичок
Сообщения: 19
Зарегистрирован: 09 окт 2011, 19:25
Репутация: 0
Контактная информация:

Re: 3axLPT контроллер

Сообщение Rayne »

Спасибо всем за советы, дорожки подправил, шунт поставил, на выходных полностью перепроверю разводку и начну собирать плату.
Steel.ne
Почётный участник
Почётный участник
Сообщения: 112
Зарегистрирован: 21 апр 2012, 22:52
Репутация: 5
Контактная информация:

Re: 3axLPT контроллер

Сообщение Steel.ne »

ну так выкладывай, еще посмотрим
Rayne
Новичок
Сообщения: 19
Зарегистрирован: 09 окт 2011, 19:25
Репутация: 0
Контактная информация:

Re: 3axLPT контроллер

Сообщение Rayne »

После долгого постоя продолжаю строить плату.
На других сайтах нашёл схему, из которой хочу взять узел "работа/удержание"
111.jpg (3313 просмотров) <a class='original' href='./download/file.php?id=7951&mode=view' target=_blank>Загрузить оригинал (229.02 КБ)</a>
Пробую подключить его к своей схеме:
111.png (3313 просмотров) <a class='original' href='./download/file.php?id=7953&mode=view' target=_blank>Загрузить оригинал (83.99 КБ)</a>
Скажите правильно сделал?
Rayne
Новичок
Сообщения: 19
Зарегистрирован: 09 окт 2011, 19:25
Репутация: 0
Контактная информация:

Re: 3axLPT контроллер

Сообщение Rayne »

Нашел нужную схему, оказалось неправильно сделал :)
Bez_imeni-13.jpg (3289 просмотров) <a class='original' href='./download/file.php?id=7955&mode=view' target=_blank>Загрузить оригинал (31 КБ)</a>
Теперь дорисовую печатную плату.
Rayne
Новичок
Сообщения: 19
Зарегистрирован: 09 окт 2011, 19:25
Репутация: 0
Контактная информация:

Re: 3axLPT контроллер

Сообщение Rayne »

Всем привет. Решил я всё-таки сделать свою плату, сделал, и вот результат:
P1103986.JPG (2328 просмотров) <a class='original' href='./download/file.php?id=40236&mode=view' target=_blank>Загрузить оригинал (2.26 МБ)</a>
Подключил питание, загорелись индикаторы режима удержания на всех каналах (жёлтые светодиоды), а на одном канале ещё и режим работы (зелёный), сейчас ищу ошибку.
P1113994.jpg (2328 просмотров) <a class='original' href='./download/file.php?id=40237&mode=view' target=_blank>Загрузить оригинал (2.48 МБ)</a>
Теперь вопрос, что с этим делать дальше, как проверить работает вообще оно или нет? Для теста подготовил отдельный компьютер с установленой Linux CNC, хочу с помощью всего этого покрутить униполярным двигателем ПБМГ-200-265-2
Х-ки (для просмотра содержимого нажмите на ссылку)
Тип двигателя: Шаговый, униполярный.
Угол поворота за один шаг: 1.8 градуса.
Количество шагов на полный оборот вала: 200.
Количество выводов: 6.
Количество обмоток: 2 со средней точкой.
Напряжение питания: 12В.
Сопротивление обмоток: 70Ом.
Потребляемый ток: 0,17А.
Как всё это правильно сделать?
Rayne
Новичок
Сообщения: 19
Зарегистрирован: 09 окт 2011, 19:25
Репутация: 0
Контактная информация:

Re: 3axLPT контроллер

Сообщение Rayne »

И ещё вопрос, очень плохая идея запитать от одного блока питания компьютер и контроллер?
Ответить

Вернуться в «Электроника»