Управление униполярным ШД 28BYJ-48 через L297 + ULN2003

Контроллеры, драйверы, датчики, управляющие устройства.
Johan1986
Новичок
Сообщения: 16
Зарегистрирован: 22 фев 2015, 23:45
Репутация: 2
Настоящее имя: Ivan
Контактная информация:

Управление униполярным ШД 28BYJ-48 через L297 + ULN2003

Сообщение Johan1986 »

Всем доброго времени суток!

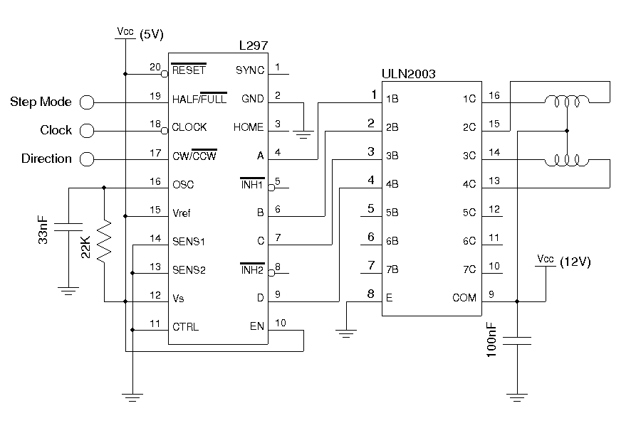
Столкнулся с такой проблемой, что я профан в деле чтения и понимания datdsheet микросхем. Подскажите как заставить работать контроллер шаговых двигателей L297 и микросхему (драйвер) uln2003 вместе. По идее поменяв лишь выходы фаз B и C с контроллера L297 можно добиться нужной последовательности для униполярных двигателей. Но собрав все по схеме (см.рисунок) ничего не вышло.
unipolardriver.png
unipolardriver.png (10.85 КБ) 1596 просмотров
http://forum.arduino.cc/index.php?topic=117033.0
Установив и собрал схему в Proteus выяснил, что L297 не переключает шаги при подаче сигнала step.
Помогите мне, пожалуйста в решение данного вопроса.
Johan1986
Новичок
Сообщения: 16
Зарегистрирован: 22 фев 2015, 23:45
Репутация: 2
Настоящее имя: Ivan
Контактная информация:

Re: Управление униполярным ШД 28BYJ-48 через L297 + ULN2003

Сообщение Johan1986 »

Прошу меня простить. Все работает (В Proteus)! Я перепутал в схеме один провод... Но из-за этого очень долго не мог решить данную проблему...)))
Ответить

Вернуться в «Электроника»