USB Motion Card STB4100

Контроллеры, драйверы, датчики, управляющие устройства.
Аватара пользователя
Serg
Мастер
Сообщения: 21923
Зарегистрирован: 17 апр 2012, 14:58
Репутация: 5183
Заслуга: c781c134843e0c1a3de9
Настоящее имя: Сергей
Откуда: Москва
Контактная информация:

Re: USB Motion Card STB4100

Сообщение Serg »

Rom327 писал(а):Похоже действительно, на EN надо подать напряжение....
А там не написано каким должен быть этот "разрешающий сигнал", active high или active low?..
Я не Христос, рыбу не раздаю, но могу научить, как сделать удочку...
Аватара пользователя
Rom327
Почётный участник
Почётный участник
Сообщения: 2989
Зарегистрирован: 03 апр 2015, 13:23
Репутация: 437
Настоящее имя: Роман
Откуда: Подольск
Контактная информация:

Re: USB Motion Card STB4100

Сообщение Rom327 »

UAVpilot писал(а):
Rom327 писал(а):Похоже действительно, на EN надо подать напряжение....
А там не написано каким должен быть этот "разрешающий сигнал", active high или active low?..
А кто отменил "метод тыка"?
Это сугубо мое мнение, могу и ошибаться...
https://vk.com/rom327
GRBL настройки: http://blogandbux.blogspot.com/2018/07/ ... revod.html
G коды: http://3d-stanki.ru/spravochnik/program ... stankov-2/
Аватара пользователя
slooter
Мастер
Сообщения: 212
Зарегистрирован: 24 авг 2016, 12:23
Репутация: 16
Настоящее имя: Виталий К
Контактная информация:

Re: USB Motion Card STB4100

Сообщение slooter »

Rom327 писал(а): А кто отменил "метод тыка"?
+100500! И вообще, что ранее предлагал уважаемый Rom327 имхо в точку! ждем аффтора вопроса.
Аватара пользователя
slooter
Мастер
Сообщения: 212
Зарегистрирован: 24 авг 2016, 12:23
Репутация: 16
Настоящее имя: Виталий К
Контактная информация:

Re: USB Motion Card STB4100

Сообщение slooter »

michael-yurov писал(а):Можно скриншот из документации?
Мне что-то вообще не удалось найти документацию от производителя.
могу на почту скинуть. маякните если что
Вложения
скринпринт.jpg (4358 просмотров) <a class='original' href='./download/file.php?id=100500&mode=view' target=_blank>Загрузить оригинал (163.03 КБ)</a>
Аватара пользователя
slooter
Мастер
Сообщения: 212
Зарегистрирован: 24 авг 2016, 12:23
Репутация: 16
Настоящее имя: Виталий К
Контактная информация:

Re: USB Motion Card STB4100

Сообщение slooter »

UAVpilot писал(а):А там не написано каким должен быть этот "разрешающий сигнал", active high или active low?..
active high
Аватара пользователя
michael-yurov
Почётный участник
Почётный участник
Сообщения: 11731
Зарегистрирован: 26 июл 2012, 00:10
Репутация: 4703
Настоящее имя: Михаил Львович
Откуда: Новоуральск
Контактная информация:

Re: USB Motion Card STB4100

Сообщение michael-yurov »

Да, действительно, наврали в документации!
Аватара пользователя
Rom327
Почётный участник
Почётный участник
Сообщения: 2989
Зарегистрирован: 03 апр 2015, 13:23
Репутация: 437
Настоящее имя: Роман
Откуда: Подольск
Контактная информация:

Re: USB Motion Card STB4100

Сообщение Rom327 »

slooter писал(а):
UAVpilot писал(а):А там не написано каким должен быть этот "разрешающий сигнал", active high или active low?..
active high
Позволю себе небольшую оговорку, так сказать лирическое отступление... Если на драйвер общим проводом оптопар заведена земля (GND, минус питания), тогда, чтобы засветился светодиод в оптопаре на него надо подать плюс питания или высокий уровень, он же high. А если на драйвер общим проводом оптопар заведен + питания, тогда, чтобы засветился светодиод в оптопаре на него надо подать минус питания, GND или низкий уровень, он же Low. Вот и получается, что указание на то, какой сигнал будет активным, то есть включающим светодиод в оптопаре, не корректно без конкретной схемы подключения. :D
Это сугубо мое мнение, могу и ошибаться...
https://vk.com/rom327
GRBL настройки: http://blogandbux.blogspot.com/2018/07/ ... revod.html
G коды: http://3d-stanki.ru/spravochnik/program ... stankov-2/
Аватара пользователя
Serg
Мастер
Сообщения: 21923
Зарегистрирован: 17 апр 2012, 14:58
Репутация: 5183
Заслуга: c781c134843e0c1a3de9
Настоящее имя: Сергей
Откуда: Москва
Контактная информация:

Re: USB Motion Card STB4100

Сообщение Serg »

Rom327 писал(а):Вот и получается, что указание на то, какой сигнал будет активным, то есть включающим светодиод в оптопаре, не корректно без конкретной схемы подключения.
Хотел напомнить про разность потенциалов, но решил, что в этой дискуссии это не имеет смысла...
Есть очень простой тест: отключите все провода от ENA и драйвер будет работать...
Я не Христос, рыбу не раздаю, но могу научить, как сделать удочку...
Аватара пользователя
Rom327
Почётный участник
Почётный участник
Сообщения: 2989
Зарегистрирован: 03 апр 2015, 13:23
Репутация: 437
Настоящее имя: Роман
Откуда: Подольск
Контактная информация:

Re: USB Motion Card STB4100

Сообщение Rom327 »

UAVpilot писал(а):
Rom327 писал(а):Вот и получается, что указание на то, какой сигнал будет активным, то есть включающим светодиод в оптопаре, не корректно без конкретной схемы подключения.
Хотел напомнить про разность потенциалов, но решил, что в этой дискуссии это не имеет смысла...
Есть очень простой тест: отключите все провода от ENA и драйвер будет работать...
Ждем, когда появится sergei___79. Уточним у него, что и как... и запустим!
Если он подключал по схеме из поста #48, тогда концы EN и так отключены, но у него ничего не заработало... На очереди эксперименты с подключением... :hehehe:
Это сугубо мое мнение, могу и ошибаться...
https://vk.com/rom327
GRBL настройки: http://blogandbux.blogspot.com/2018/07/ ... revod.html
G коды: http://3d-stanki.ru/spravochnik/program ... stankov-2/
Аватара пользователя
slooter
Мастер
Сообщения: 212
Зарегистрирован: 24 авг 2016, 12:23
Репутация: 16
Настоящее имя: Виталий К
Контактная информация:

Re: USB Motion Card STB4100

Сообщение slooter »

UAVpilot писал(а):Есть очень простой тест: отключите все провода от ENA и драйвер будет работать...
чтоб его провести, нужно его сначало запустить.
UAVpilot писал(а):Хотел напомнить про разность потенциалов, но решил, что в этой дискуссии это не имеет смысла...
сказав "А" обычно говорят и "Б" а как вы себя проявляете ... не камильфо
Аватара пользователя
Serg
Мастер
Сообщения: 21923
Зарегистрирован: 17 апр 2012, 14:58
Репутация: 5183
Заслуга: c781c134843e0c1a3de9
Настоящее имя: Сергей
Откуда: Москва
Контактная информация:

Re: USB Motion Card STB4100

Сообщение Serg »

slooter писал(а):сказав "А" обычно говорят и "Б" а как вы себя проявляете ... не камильфо
Я сказал всё, что хотел сказать, со всеми запятыми и буквами...
Я не Христос, рыбу не раздаю, но могу научить, как сделать удочку...
sergei___79
Новичок
Сообщения: 6
Зарегистрирован: 13 дек 2016, 09:39
Репутация: 0
Настоящее имя: Седов Сергей Владимирович
Контактная информация:

Re: USB Motion Card STB4100

Сообщение sergei___79 »

slooter писал(а):нужно сделать следующее:
1) проверить схему; 2) проверить настройки мача (имхо снести его нафиг и поставить заново в соответствии с мануалом) попробовать "родные" настройки (по мануалу), если не пойдет, то настройки комрада Rom327;
Спасибо всем за участие и советы! Проделал эти два пункта и все заработало,Rom327 спасибо за настройки.Пробовал подключать ENA+ работает также разницы не заметил,а вот если подключить ENА- загораеться красный на драйвере.Схема будет ниже .
sergei___79
Новичок
Сообщения: 6
Зарегистрирован: 13 дек 2016, 09:39
Репутация: 0
Настоящее имя: Седов Сергей Владимирович
Контактная информация:

Re: USB Motion Card STB4100

Сообщение sergei___79 »

Так я пробовал подсоединять. (4297 просмотров) <a class='original' href='./download/file.php?id=100553&mode=view' target=_blank>Загрузить оригинал (116.17 КБ)</a>
Так я пробовал подсоединять.
Подключение такой Платы как на видео (4297 просмотров) <a class='original' href='./download/file.php?id=100554&mode=view' target=_blank>Загрузить оригинал (279.94 КБ)</a>
Подключение такой Платы как на видео
sergei___79
Новичок
Сообщения: 6
Зарегистрирован: 13 дек 2016, 09:39
Репутация: 0
Настоящее имя: Седов Сергей Владимирович
Контактная информация:

Re: USB Motion Card STB4100

Сообщение sergei___79 »

Есть еще несколько вопросов : запитал Card STB4100 на прямую от блока питания компа 12V.Нужно ли подключение через тумблер? Нужен ли отдельный блок питания,и какое напляжение оптимально 12 или 24 ?
почему на скрине синяя полоса видна ,а на том компе где подкючен Mach ее не видно (4290 просмотров) <a class='original' href='./download/file.php?id=100558&mode=view' target=_blank>Загрузить оригинал (250.27 КБ)</a>
почему на скрине синяя полоса видна ,а на том компе где подкючен Mach ее не видно
Правильно ли стоит галочка в KHZ. (4290 просмотров) <a class='original' href='./download/file.php?id=100559&mode=view' target=_blank>Загрузить оригинал (255.21 КБ)</a>
Правильно ли стоит галочка в KHZ.
Аватара пользователя
Rom327
Почётный участник
Почётный участник
Сообщения: 2989
Зарегистрирован: 03 апр 2015, 13:23
Репутация: 437
Настоящее имя: Роман
Откуда: Подольск
Контактная информация:

Re: USB Motion Card STB4100

Сообщение Rom327 »

sergei___79 писал(а):
Вложение conecct.jpg больше недоступно
Вложение post-83216-068687800 1389275873.png больше недоступно
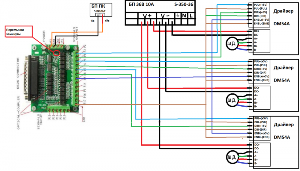
По поводу первой картинки. Плата USB Motion Card STB4100 подключена НЕПРАВИЛЬНО! Нельзя включать в параллель сигнал EN с сигналом Dir! В этом случае моторы при движении в одну сторону будут работать, а при движении в другую будут отключаться! Подключи, как на картинке.
EN2.jpg (4244 просмотра) <a class='original' href='./download/file.php?id=100593&mode=view' target=_blank>Загрузить оригинал (179.13 КБ)</a>
Если не будет работать, тогда так:
EN.jpg (4245 просмотров) <a class='original' href='./download/file.php?id=100592&mode=view' target=_blank>Загрузить оригинал (174.36 КБ)</a>
третьего не дано...
Последний раз редактировалось Rom327 20 янв 2017, 16:41, всего редактировалось 4 раза.
Это сугубо мое мнение, могу и ошибаться...
https://vk.com/rom327
GRBL настройки: http://blogandbux.blogspot.com/2018/07/ ... revod.html
G коды: http://3d-stanki.ru/spravochnik/program ... stankov-2/
Аватара пользователя
slooter
Мастер
Сообщения: 212
Зарегистрирован: 24 авг 2016, 12:23
Репутация: 16
Настоящее имя: Виталий К
Контактная информация:

Re: USB Motion Card STB4100

Сообщение slooter »

Rom327 писал(а):Если вдруг, один из моторов заработает, подключай остальные, согласно картинки №2.
я так понял, что все работает и без ENA, настройки были не верные.
Аватара пользователя
Rom327
Почётный участник
Почётный участник
Сообщения: 2989
Зарегистрирован: 03 апр 2015, 13:23
Репутация: 437
Настоящее имя: Роман
Откуда: Подольск
Контактная информация:

Re: USB Motion Card STB4100

Сообщение Rom327 »

sergei___79 писал(а):Есть еще несколько вопросов : запитал Card STB4100 на прямую от блока питания компа 12V.Нужно ли подключение через тумблер? Нужен ли отдельный блок питания,и какое напляжение оптимально 12 или 24 ?
111.jpg
Безымянный.jpg
Напряжение не ниже +11,5В, если будешь использовать инвертор шпинделя с регулировкой оборотов через эту плату. Если не будешь можно подать и +7В. Плата прекрасно работает и от +24 вольта. С целью повышения помехозащищенности платы, я бы посоветовал использовать отдельный блок питания на +12-24 вольта. Лучше использовать автомат защиты на 1А, он же тумблер.
Это сугубо мое мнение, могу и ошибаться...
https://vk.com/rom327
GRBL настройки: http://blogandbux.blogspot.com/2018/07/ ... revod.html
G коды: http://3d-stanki.ru/spravochnik/program ... stankov-2/
Аватара пользователя
Rom327
Почётный участник
Почётный участник
Сообщения: 2989
Зарегистрирован: 03 апр 2015, 13:23
Репутация: 437
Настоящее имя: Роман
Откуда: Подольск
Контактная информация:

Re: USB Motion Card STB4100

Сообщение Rom327 »

slooter писал(а):
Rom327 писал(а):Если вдруг, один из моторов заработает, подключай остальные, согласно картинки №2.
я так понял, что все работает и без ENA, настройки были не верные.
Я пропустил пост #72! Пролошарил и погнал дальше развивать мысль... Спасибо, что остановил!
Это сугубо мое мнение, могу и ошибаться...
https://vk.com/rom327
GRBL настройки: http://blogandbux.blogspot.com/2018/07/ ... revod.html
G коды: http://3d-stanki.ru/spravochnik/program ... stankov-2/
Аватара пользователя
Rom327
Почётный участник
Почётный участник
Сообщения: 2989
Зарегистрирован: 03 апр 2015, 13:23
Репутация: 437
Настоящее имя: Роман
Откуда: Подольск
Контактная информация:

Re: USB Motion Card STB4100

Сообщение Rom327 »

sergei___79 писал(а):почему на скрине синяя полоса видна ,а на том компе где подкючен Mach ее не видно
Не понял о чем речь. Перефразируй вопрос.
sergei___79 писал(а):Правильно ли стоит галочка в KHZ.
Что такое KHZ?
Это сугубо мое мнение, могу и ошибаться...
https://vk.com/rom327
GRBL настройки: http://blogandbux.blogspot.com/2018/07/ ... revod.html
G коды: http://3d-stanki.ru/spravochnik/program ... stankov-2/
sergei___79
Новичок
Сообщения: 6
Зарегистрирован: 13 дек 2016, 09:39
Репутация: 0
Настоящее имя: Седов Сергей Владимирович
Контактная информация:

Re: USB Motion Card STB4100

Сообщение sergei___79 »

Rom327 писал(а):
sergei___79 писал(а):
conecct.jpg
post-83216-068687800 1389275873.png
По поводу первой картинки. Плата USB Motion Card STB4100 подключена НЕПРАВИЛЬНО! Нельзя включать в параллель сигнал EN с сигналом Dir! В этом случае моторы при движении будут работать, а при движении в другую будут отключаться! Подключи, как на картинке.
попробовал так подключить загорелся красный на драйвере движок не крутится ,настройки выставленны такие как в твоих скринах..Без EN все работает.
Ответить

Вернуться в «Электроника»