Подключение однофазных сервопаков к трем фазам

Контроллеры, драйверы, датчики, управляющие устройства.
Фрост
Мастер
Сообщения: 393
Зарегистрирован: 28 окт 2013, 00:18
Репутация: 23
Настоящее имя: Сергей
Контактная информация:

Подключение однофазных сервопаков к трем фазам

Сообщение Фрост »

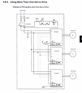
Вопрос в следующем - надо подключить к сети 4 SGDA-08. У сервопаков нет раздельных силы и управления. Если их раскидать на 3 фазы для равномерного распределения нагрузки, не будет ли проблем? В мануале три сервопака соединены последовательно на одной фазе, вопрос - почему
Untitled3.png (1767 просмотров) <a class='original' href='./download/file.php?id=99875&mode=view' target=_blank>Загрузить оригинал (26.75 КБ)</a>
sas_75
Мастер
Сообщения: 463
Зарегистрирован: 10 мар 2015, 11:03
Репутация: 115
Настоящее имя: Сергей
Откуда: Владивосток
Контактная информация:

Re: Подключение однофазных сервопаков к трем фазам

Сообщение sas_75 »

Наверное потому, что одна фаза у потребителя - наиболее распространенное явление. А так-то можно и раскидать. В случае, если вырубится какая-то фаза, встанет одна серва, и можно загубить деталь, фрезу, если нет защиты от такого события.
Аватара пользователя
Лодочник
Мастер
Сообщения: 2178
Зарегистрирован: 10 авг 2012, 05:24
Репутация: 1835
Настоящее имя: Олег
Откуда: г.Королев
Контактная информация:

Re: Подключение однофазных сервопаков к трем фазам

Сообщение Лодочник »

Фрост писал(а): В мануале три сервопака соединены последовательно на одной фазе, вопрос - почему
Untitled3.png
Где Вы видете последовательное соединение к сети? Последовательно соединены аварийные выходы на схеме.
Фрост
Мастер
Сообщения: 393
Зарегистрирован: 28 окт 2013, 00:18
Репутация: 23
Настоящее имя: Сергей
Контактная информация:

Re: Подключение однофазных сервопаков к трем фазам

Сообщение Фрост »

Описался, параллельно.
Фрост
Мастер
Сообщения: 393
Зарегистрирован: 28 окт 2013, 00:18
Репутация: 23
Настоящее имя: Сергей
Контактная информация:

Re: Подключение однофазных сервопаков к трем фазам

Сообщение Фрост »

sas_75 писал(а):если вырубится какая-то фаза, встанет одна серва, и можно загубить деталь, фрезу, если нет защиты от такого события.
Думаю вероятность пропадания фазы в разы ниже остановки по аларму. Мне главное понять, не будет ли каких паразитных наводок от сдвига фаз, например через тот же ALM или еще что
sas_75
Мастер
Сообщения: 463
Зарегистрирован: 10 мар 2015, 11:03
Репутация: 115
Настоящее имя: Сергей
Откуда: Владивосток
Контактная информация:

Re: Подключение однофазных сервопаков к трем фазам

Сообщение sas_75 »

Сдвиг фаз совершенно не страшен. В каждом сервопаке переменка преобразуется в постоянное напряжение из которого уже формируются 3 фазы с нужной частотой. А вот значительный перекос фаз может привести к просадке напряжения и потере мощности.
Ответить

Вернуться в «Электроника»