Всем привет. Люди нужно сварить корпус станка примерно как на этом видео только размером где то метр на метр. Короче говоря у меня есть полностью вся механика и электрика. Нет только самого корпуса. И мне его нужно изготовить. Вот мои все составляющие:
2 х ШВП 1605 L=1000мм
1 x ШВП 1605 L=300мм
3 х Модуль крепления гаек ШВП 1605 Алюминий
3 х Муфта аллюминиевая ф 5x8мм
4 х Модуль TBR16
4 х Модуль SBR12LUU (удлиненный)
2 х Вал на опоре SBR12 1000мм
2 х Вал на опоре SBR16 1000мм
2 х Вал на опоре SBR12 300 мм
3 х Шаговый двигатель 23HS2430 3.0A 28 кг/см NEMA23
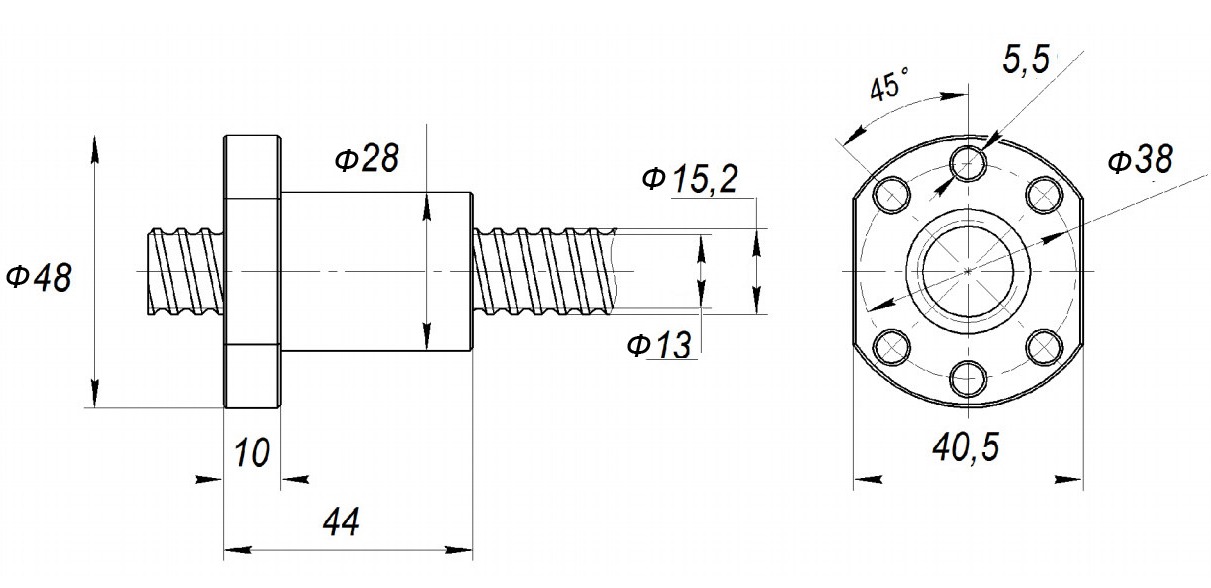
Чертежи ШВП,модулей крепления гаек,полозьев и подшипников приложены.
Единственное чего у меня нет так это опор винтов. Если у вас они есть то какая у них цена?
Может конечно что то еще упустил.
Надеюсь на вашу помощь. Желательно Украина
[youtube] https://www.youtube.com/watch?v=l1pAiAXMYqY [/youtube]
Нужно изготовить станину станка портал и др.
-
Benzin90
- Новичок
- Сообщения: 2
- Зарегистрирован: 13 янв 2016, 12:07
- Репутация: 0
- Настоящее имя: Владислав
- Контактная информация:
Нужно изготовить станину станка портал и др.
Последний раз редактировалось Benzin90 18 ноя 2016, 17:09, всего редактировалось 3 раза.
-
aftaev
- Зачётный участник

- Сообщения: 34042
- Зарегистрирован: 04 апр 2010, 19:22
- Репутация: 6194
- Откуда: Казахстан.
- Контактная информация:
Re: [Тип станка] по [материал] [рабочее поле]
В карантин пока не появится нормальное название темы
Дилетанту сложные вещи кажутся очень простыми, и только профессионал понимает насколько сложна самая простая вещь
Кто хочет - ищет возможности, кто не хочет - ищет оправдание.
Найди работу по душе и тебе не придется работать.
Кто хочет - ищет возможности, кто не хочет - ищет оправдание.
Найди работу по душе и тебе не придется работать.
-
grandPrix
- Кандидат
- Сообщения: 67
- Зарегистрирован: 10 фев 2016, 17:52
- Репутация: 3
- Настоящее имя: Саша
- Откуда: Украина
- Контактная информация:
Re: Нужно изготовить станину станка портал и др.
я так понял, что вам и спроектировать еще нужно?
-
cnc 3d
- Новичок
- Сообщения: 2
- Зарегистрирован: 21 ноя 2016, 06:35
- Репутация: 0
- Настоящее имя: alexandr
- Контактная информация:
Re: Нужно изготовить станину станка портал и др.
Готов создать для Вас машину.
Сколько готовы заплатить?
Сколько готовы заплатить?
-
Novik-Comlex
- Новичок
- Сообщения: 36
- Зарегистрирован: 06 ноя 2016, 18:22
- Репутация: 4
- Настоящее имя: Анастасия
- Откуда: г. Ейск, Краснодарский край
- Контактная информация:
Re: Нужно изготовить станину станка портал и др.
Добрый день. Примерные расценки:
1) Проектирование - 20 000 руб
2) Станина - 67 000 руб
3) Портал - 30 000 руб
4) Ноги комплект - 27 000 руб
5) Нижний портал - 10 000 руб
6) Z-ка из стали - 19 000 руб
7) Z-ка из дюралюминия - 23 000 руб.
1) Проектирование - 20 000 руб
2) Станина - 67 000 руб
3) Портал - 30 000 руб
4) Ноги комплект - 27 000 руб
5) Нижний портал - 10 000 руб
6) Z-ка из стали - 19 000 руб
7) Z-ка из дюралюминия - 23 000 руб.