Установка ЧПУ на 16И05АФ10

Токарные станки с ЧПУ.
pkasy
Мастер
Сообщения: 1139
Зарегистрирован: 15 мар 2013, 09:39
Репутация: 45
Откуда: Владивосток

Re: Установка ЧПУ на 16И05АФ10

Сообщение pkasy »

а можете подробнее этот момент осветить?
nkp
Мастер
Сообщения: 8340
Зарегистрирован: 28 ноя 2011, 00:25
Репутация: 1589
Контактная информация:

Re: Установка ЧПУ на 16И05АФ10

Сообщение nkp »

у тебя емс ?
если да,то можно как вариант попробовать прописать фильтр :
в ини файле добавляем в раздел [FILTER]
примерно такие строки:

Код: Выделить всё

PROGRAM_EXTENSION = .ngc Script sed
ngc = sed '/m5[0-9]/!s/m5/M19 R87'\\n'M5/i ; /m5[0-9]/!s/m05/M19 R87'\\n'M5/i'
что они делают:
каждое вхождение 'm5' или 'm05' или 'M5' или 'M05' sed меняет на

Код: Выделить всё

M19 R87
M5
(ну естественно R87 поменять на нужный угол))
конечно ,это я набросал sed "по быстенькому" , он не учитывает все возможные написания (в одной строке с
другими M-кодами ,включающие пятерку(например M52M5))
но вроде работает ,если М5 писать в отдельной строке: тут есть виртуозы sed,можно будет сделать "всеядный" вариант ;)
nkp
Мастер
Сообщения: 8340
Зарегистрирован: 28 ноя 2011, 00:25
Репутация: 1589
Контактная информация:

Re: Установка ЧПУ на 16И05АФ10

Сообщение nkp »

Сергей Саныч писал(а):Скорее всего придется делать ремап для M5.
исходя из этого:

Код: Выделить всё

14. Remappable Codes
14.1. Existing codes which can be remapped

The current set of existing codes open to redefinition is:


 Tx (Prepare) 


 M6 (Change tool) 


 M61 (Set tool number) 


 M0 (pause a running program temporarily) 


 M1 (pause a running program temporarily if the optional stop switch is on) 


 M60 (exchange pallet shuttles and then pause a running program temporarily) 


 S (set spindle speed) 


 F (set feed) 

Note that the use of M61 currently requires the use of iocontrol-v2.
просто remap может и недоступен ;)
может ошибаюсь...
pkasy
Мастер
Сообщения: 1139
Зарегистрирован: 15 мар 2013, 09:39
Репутация: 45
Откуда: Владивосток

Re: Установка ЧПУ на 16И05АФ10

Сообщение pkasy »

спасибо за совет. сегодня попробую на этом чуде.
Аватара пользователя
Сергей Саныч
Мастер
Сообщения: 9116
Зарегистрирован: 30 май 2012, 14:20
Репутация: 2858
Откуда: Тюмень
Контактная информация:

Re: Установка ЧПУ на 16И05АФ10

Сообщение Сергей Саныч »

nkp писал(а):просто remap может и недоступен
да, как-то небогато :(
Но есть и другой вариант - сделать переназначение для M6 и в начале добавить доворот шпинделя по M19..
Чудес не бывает. Бывают фокусы.
pkasy
Мастер
Сообщения: 1139
Зарегистрирован: 15 мар 2013, 09:39
Репутация: 45
Откуда: Владивосток

Re: Установка ЧПУ на 16И05АФ10

Сообщение pkasy »

работает вариант уважаемого nkp.
то есть файл модифицируется, это хорошо.

но, пока устанавливал и игрался, где-то что то подтер и не работает orient.
pkasy
Мастер
Сообщения: 1139
Зарегистрирован: 15 мар 2013, 09:39
Репутация: 45
Откуда: Владивосток

Re: Установка ЧПУ на 16И05АФ10

Сообщение pkasy »

тут такая проблема, index-enable не работает.
то есть меняешь его значение вручную на 1, через оборот он становится 0 и не меняется, хотя импульсы с индекса прихрдят.
вот и сейчас, шпиндель в положении на индексе, но
FALSE hm2_5i20.0.encoder.02.index-enable
TRUE hm2_5i20.0.encoder.02.input-index
как -то это странно. куда копать?
pkasy
Мастер
Сообщения: 1139
Зарегистрирован: 15 мар 2013, 09:39
Репутация: 45
Откуда: Владивосток

Re: Установка ЧПУ на 16И05АФ10

Сообщение pkasy »

g33z10k0.05
halscope показывает измение spindle-index-enable на 150 ms и все, опять в ноль и станок крутит и ждет.
имульсы по энкодеру проскальзывают. но станок чего-то ждет ((
pkasy
Мастер
Сообщения: 1139
Зарегистрирован: 15 мар 2013, 09:39
Репутация: 45
Откуда: Владивосток

Re: Установка ЧПУ на 16И05АФ10

Сообщение pkasy »

привезли осциллограф - на этом энкодере куча импульсных помех.
на других - нет.
энкодеры одной марки, провода одной фирмы, подключены к одной плате меса.
nkp
Мастер
Сообщения: 8340
Зарегистрирован: 28 ноя 2011, 00:25
Репутация: 1589
Контактная информация:

Re: Установка ЧПУ на 16И05АФ10

Сообщение nkp »

pkasy писал(а):на этом энкодере куча импульсных помех.
перекинуть каналы 5и20 , энкодеры пробовли?
pkasy
Мастер
Сообщения: 1139
Зарегистрирован: 15 мар 2013, 09:39
Репутация: 45
Откуда: Владивосток

Re: Установка ЧПУ на 16И05АФ10

Сообщение pkasy »

не перекидывал.
методом тыка выяснил, что это наводки от силовых частей, а именно инвертора шпинделя, и серво драйверов. в любой комюинации подключения силовиков есть помехи. при заземлении экрана кабеля помехи слегка снижаются.
надо что-то делать, но я пока не придумал, что.
Аватара пользователя
Serg
Мастер
Сообщения: 21923
Зарегистрирован: 17 апр 2012, 14:58
Репутация: 5183
Заслуга: c781c134843e0c1a3de9
Настоящее имя: Сергей
Откуда: Москва
Контактная информация:

Re: Установка ЧПУ на 16И05АФ10

Сообщение Serg »

pkasy писал(а):тут такая проблема, index-enable не работает.
то есть меняешь его значение вручную на 1, через оборот он становится 0 и не меняется, хотя импульсы с индекса прихрдят.
index-enable именно так и должен работать. Подробности есть в документации.
Я не Христос, рыбу не раздаю, но могу научить, как сделать удочку...
pkasy
Мастер
Сообщения: 1139
Зарегистрирован: 15 мар 2013, 09:39
Репутация: 45
Откуда: Владивосток

Re: Установка ЧПУ на 16И05АФ10

Сообщение pkasy »

серьезно?
pkasy
Мастер
Сообщения: 1139
Зарегистрирован: 15 мар 2013, 09:39
Репутация: 45
Откуда: Владивосток

Re: Установка ЧПУ на 16И05АФ10

Сообщение pkasy »

полностью устранил все импульсные помехи.
картинка на осциллографе чистая.
но меса импульсы не видит. то есть видит только каналы А и В.
такое ощущение, что не хватает скорости.
pkasy
Мастер
Сообщения: 1139
Зарегистрирован: 15 мар 2013, 09:39
Репутация: 45
Откуда: Владивосток

Re: Установка ЧПУ на 16И05АФ10

Сообщение pkasy »

осциллограф регистрирует четкие импульсы достаточной длины на входе mesa 7i33ta.
но hal осцилограф его не видит.
уровень сигнала 4.6В
pkasy
Мастер
Сообщения: 1139
Зарегистрирован: 15 мар 2013, 09:39
Репутация: 45
Откуда: Владивосток

Re: Установка ЧПУ на 16И05АФ10

Сообщение pkasy »

не видит, но резьбу начал нарезать.
nkp
Мастер
Сообщения: 8340
Зарегистрирован: 28 ноя 2011, 00:25
Репутация: 1589
Контактная информация:

Re: Установка ЧПУ на 16И05АФ10

Сообщение nkp »

pkasy писал(а):полностью устранил все импульсные помехи.
как удалось побороть?
pkasy писал(а):но hal осцилограф его не видит.
на каком пине ?
pkasy
Мастер
Сообщения: 1139
Зарегистрирован: 15 мар 2013, 09:39
Репутация: 45
Откуда: Владивосток

Re: Установка ЧПУ на 16И05АФ10

Сообщение pkasy »

поборол уменьшение длины этого кабеля, повторной перепайкой разьема, и замотка кабеля фольгой в районе перепайки.
на пине hm2_5i20.0.encoder.02.input-index, то есть аппаратном.

и режет резьбу ( в тестовом режиме без резца ) он как-то не совсем равномерно, такое ощущение, что рывками.
и скорость шпинделя на индикаторе скачет слегка.
может, инвертор в векторном режиме не работает?
можно ли сигнал с энкодера подать на месу и на шпиндель? это какой-то буффер скоростной нужно городить?
pkasy
Мастер
Сообщения: 1139
Зарегистрирован: 15 мар 2013, 09:39
Репутация: 45
Откуда: Владивосток

Re: Установка ЧПУ на 16И05АФ10

Сообщение pkasy »

вобщем, все работает.
стружка летит, надо городить кабинет.
теперь нужно научиться самому на нем работать.
pkasy
Мастер
Сообщения: 1139
Зарегистрирован: 15 мар 2013, 09:39
Репутация: 45
Откуда: Владивосток

Re: Установка ЧПУ на 16И05АФ10

Сообщение pkasy »

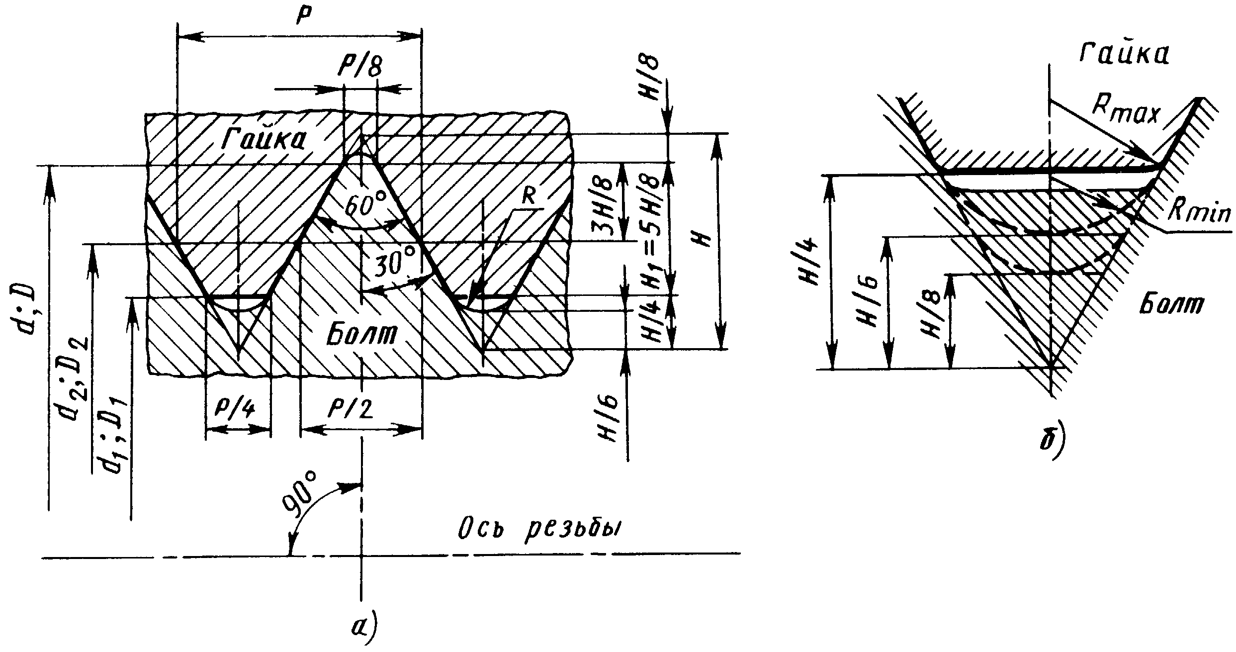
пытаюсь понять, как правильно нарезать резьбу резцом.
с помощью G76
если наружная резьба M16x1, то почему диаметр готовой 15.85, как это вычисляется?
диаметр 16 - шаг 1 = 15
15 + высота профиля 0.866 = 15.866
верно я считаю?
а как тогда вычислить заглубление? от теоритической линии ( от 16 ) или от фактического ( 15.866 )?
Вложения
rezba_elementy_1.png (3660 просмотров) <a class='original' href='./download/file.php?id=96434&mode=view' target=_blank>Загрузить оригинал (81.1 КБ)</a>
Ответить

Вернуться в «Токарные станки»