Вопрос по схеме подключения светоидов

Контроллеры, драйверы, датчики, управляющие устройства.
trafbite
Мастер
Сообщения: 931
Зарегистрирован: 14 июл 2015, 14:49
Репутация: 28
Настоящее имя: Дмитрий
Контактная информация:

Вопрос по схеме подключения светоидов

Сообщение trafbite »

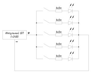
Народ, голову сломал. Что делаю не так?

Есть импульсник +24В.
Есть 5 светодиодов.
Хочу каждый светодиод включать отдельным выключателем.

Вот схема как я это собрал:
diod.jpg (2370 просмотров) <a class='original' href='./download/file.php?id=86023&mode=view' target=_blank>Загрузить оригинал (82.12 КБ)</a>
И не работает, хоть ты тресни.
Проверил все диоды - работают, проверил все включатели - работают, проверил импульсник - все ок. Но диоды не горят.

В чем причина?
lkbyysq
Мастер
Сообщения: 2284
Зарегистрирован: 14 май 2016, 09:40
Репутация: 346
Настоящее имя: Станислав Ерофеев
Откуда: Санкт-Петербург

Re: Вопрос по схеме подключения светоидов

Сообщение lkbyysq »

Вопросов к схеме нет.
Тестер-то под рукой?
Минус тестера на минус питания, и вперед щупать напряжения в каждой точке схемы, нажимая и отжимая кнопочки.
trafbite
Мастер
Сообщения: 931
Зарегистрирован: 14 июл 2015, 14:49
Репутация: 28
Настоящее имя: Дмитрий
Контактная информация:

Re: Вопрос по схеме подключения светоидов

Сообщение trafbite »

lkbyysq писал(а):Вопросов к схеме нет.
Тестер-то под рукой?
Минус тестера на минус питания, и вперед щупать напряжения в каждой точке схемы, нажимая и отжимая кнопочки.
Хм, ну если по схеме все четко, то остается только так :)
nevkon
Почётный участник
Почётный участник
Сообщения: 2471
Зарегистрирован: 17 июл 2015, 10:25
Репутация: 310
Настоящее имя: Константин
Откуда: Балаково (Саратовская обл.)
Контактная информация:

Re: Вопрос по схеме подключения светоидов

Сообщение nevkon »

Светодиоды освещения? Если да, то почему питаете таким малым током (24мА)? Конечно хоть немного, но должны светиться.
Аватара пользователя
michael-yurov
Почётный участник
Почётный участник
Сообщения: 11730
Зарегистрирован: 26 июл 2012, 00:10
Репутация: 4703
Настоящее имя: Михаил Львович
Откуда: Новоуральск
Контактная информация:

Re: Вопрос по схеме подключения светоидов

Сообщение michael-yurov »

24 мА не слишком много для светодиодов?
И резисторы должны быть в данном случае на 1 Вт.
trafbite
Мастер
Сообщения: 931
Зарегистрирован: 14 июл 2015, 14:49
Репутация: 28
Настоящее имя: Дмитрий
Контактная информация:

Re: Вопрос по схеме подключения светоидов

Сообщение trafbite »

nevkon писал(а):Светодиоды освещения? Если да, то почему питаете таким малым током (24мА)? Конечно хоть немного, но должны светиться.
Нет, это в щитовой сборке будет просто световая индикация того, что на устройство подано напряжение.
michael-yurov писал(а):24 мА не слишком много для светодиодов?
И резисторы должны быть в данном случае на 1 Вт.
Вот тут считал, сделал так, как посчитано :)
Выбирал диод красный 5мм, хотя мои фактически прозрачные, но светятся красным :)
Аватара пользователя
Сергей Саныч
Мастер
Сообщения: 9116
Зарегистрирован: 30 май 2012, 14:20
Репутация: 2858
Откуда: Тюмень
Контактная информация:

Re: Вопрос по схеме подключения светоидов

Сообщение Сергей Саныч »

Мог однажды перепутать полярность - тогда светодиодам скорее всего кирдык.
И современные красные с прозрачным корпусом при 20 мА обычно светят так, что глазам больно. 10 вполне хватит. Хотя сгорать от 20 мА не должны.
lkbyysq
Мастер
Сообщения: 2284
Зарегистрирован: 14 май 2016, 09:40
Репутация: 346
Настоящее имя: Станислав Ерофеев
Откуда: Санкт-Петербург

Re: Вопрос по схеме подключения светоидов

Сообщение lkbyysq »

В данной схеме, перепутав полярность, сжечь светодиоды невозможно.
Если убрать резистор, то в прямом направлении сжечь можно, в обратном не факт.
trafbite
Мастер
Сообщения: 931
Зарегистрирован: 14 июл 2015, 14:49
Репутация: 28
Настоящее имя: Дмитрий
Контактная информация:

Re: Вопрос по схеме подключения светоидов

Сообщение trafbite »

lkbyysq писал(а):Если убрать резистор, то в прямом направлении сжечь можно, в обратном не факт.
Без резисторов питание не подавалось.
Вечером попробую еще раз тщательно все прозвонить и найти слабое звено.
Аватара пользователя
xvovanx
Мастер
Сообщения: 3772
Зарегистрирован: 25 фев 2016, 12:27
Репутация: 920
Настоящее имя: Владимир
Откуда: Latvia
Контактная информация:

Re: Вопрос по схеме подключения светоидов

Сообщение xvovanx »

24мА для индикаторной подсветки - очень ярко. Я всегда 1кОм ставлю на 12В и то иногда в глаз неприятно светит. А тут еще с прозрачным корпусом будут стоять.
trafbite писал(а):..
Проверил все диоды - работают, проверил все включатели - работают, проверил импульсник - все ок. Но диоды не горят.

..

P.S. как вы проверяли светодиоды перед установкой?
Аватара пользователя
R6MF49T2
Мастер
Сообщения: 235
Зарегистрирован: 14 июл 2016, 17:18
Репутация: 32
Откуда: Великий Новгород/Санкт-Петербург
Контактная информация:

Re: Вопрос по схеме подключения светоидов

Сообщение R6MF49T2 »

полярность светодиодов проверьте. не работать тут нечему)
trafbite
Мастер
Сообщения: 931
Зарегистрирован: 14 июл 2015, 14:49
Репутация: 28
Настоящее имя: Дмитрий
Контактная информация:

Re: Вопрос по схеме подключения светоидов

Сообщение trafbite »

Забыл ответить.

В общем дело было не в бобине :)
Не знаю как я проверял, но выяснилось, что я полярность диодов попутал и они погорели.
Заменил, поменял полярность и все работает гуд!

Спасибо за помощь, парни!!!
Ответить

Вернуться в «Электроника»