Тш3 и 2 шаговых двигателя по продольной и поперечной оси:
Дерево:
Вопросы: Всем добрый вечер, помогите разобраться с уп для токарного двух осевого станка. Станок советский переделанный с двумя шаговыми двигателями по x и y. Под управлением mach3. Обороты у патрона куда зажимается заготовка постоянные. Собственно проблема в том что не получается у меня создать уп (проще говоря простую операцию точения) под две оси. На форуме нашел метод составления такой уп в арткаме простой фрезеровкой по вектору но мне это не подходит. Что можете посоветовать в таком случае? И возможно ли создавать такие операции точения в Deskproto или что то приблеженно похожее на нее? Возможно что для этого дела нужен постпроцессор? И что можно посмотреть почитать по теме создания уп точения для токарного чпу.
Тш3 под чпу под 2 оси
- aegis
- Мастер
- Сообщения: 3171
- Зарегистрирован: 22 мар 2012, 06:59
- Репутация: 1810
- Настоящее имя: Михайло
- Откуда: Україна, Конотоп=>Запоріжжя=>Харьків
Re: Тш3 под чпу под 2 оси
Erectly, в токарной обработке принято использовать не XY а XZ систему координат. может в этом бок
нікому нічого не нав'язую.
-
Erectly
- Новичок
- Сообщения: 7
- Зарегистрирован: 07 сен 2014, 10:42
- Репутация: 0
- Контактная информация:
Re: Тш3 под чпу под 2 оси
За z идет продольное точение а x поперечное так?aegis писал(а):Erectly, в токарной обработке принято использовать не XY а XZ систему координат. может в этом бок
- aegis
- Мастер
- Сообщения: 3171
- Зарегистрирован: 22 мар 2012, 06:59
- Репутация: 1810
- Настоящее имя: Михайло
- Откуда: Україна, Конотоп=>Запоріжжя=>Харьків
Re: Тш3 под чпу под 2 оси
Erectly, да. обычно ноль детали это правый центр. зет увеличивается вправо, Х идет на себя и тоже так увеличивается
нікому нічого не нав'язую.
- rebire
- Мастер
- Сообщения: 219
- Зарегистрирован: 25 сен 2015, 00:43
- Репутация: 25
- Настоящее имя: Дмитрий
- Откуда: ульяновск
- Контактная информация:
Re: Тш3 под чпу под 2 оси
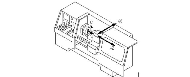
как то так
_____________________
Собрали и смело включайте, лишнее выгорит!
Собрали и смело включайте, лишнее выгорит!
-
Erectly
- Новичок
- Сообщения: 7
- Зарегистрирован: 07 сен 2014, 10:42
- Репутация: 0
- Контактная информация:
Re: Тш3 под чпу под 2 оси
Спасибо за отзывы. так а изначальный вопрос в чем можно строить уп для таких операций?
- NightV
- Почётный участник

- Сообщения: 6610
- Зарегистрирован: 30 дек 2011, 09:14
- Репутация: 2279
- Настоящее имя: Владимир Айрапетян
- Откуда: Israel
- Контактная информация:
Re: Тш3 под чпу под 2 оси
самый простой способ, ручками. для сложных деталей связку CAD-CAM программ, например SolidWorks - SolidCAMErectly писал(а):так а изначальный вопрос в чем можно строить уп для таких операций?
а здесь если интересно, я наснимал несколько роликов, как отбивать ноль заготовки и инструмента
https://www.youtube.com/playlist?list=P ... 0lejPc5PI2
Всё просто! если знаешь КАК!