Здравствуйте Уважаемые форумчане!
Едет ко мне такая штука http://ru.aliexpress.com/item/CNC-5-Axi ... Title=true
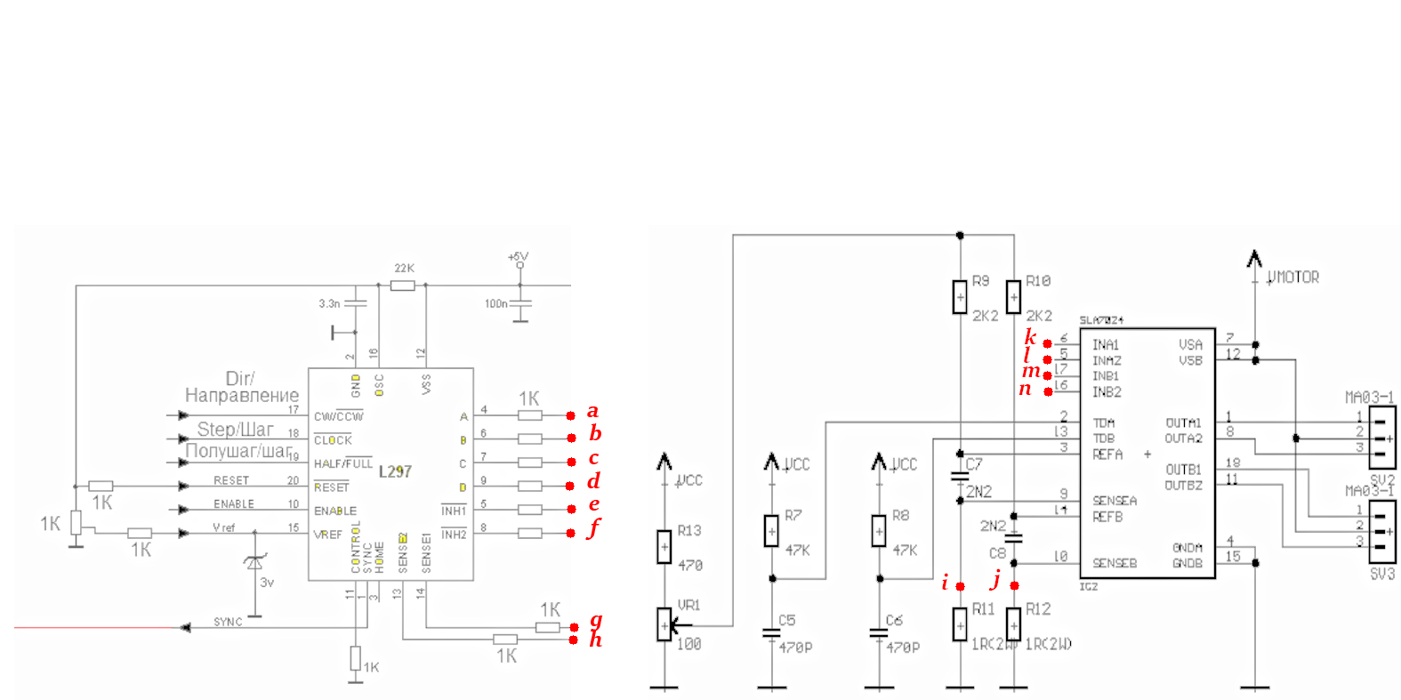
Есть четыре драйвера на SLA7024 от принтеров.
Вопрос: могу ли я по средству L297 это увязать.
Двигатели униполярные от этих-же Epsono-ов , блоки питания отдельные на 5 и 24 вольта.
Если это возможно, то нужны ли резисторы между CNC-5 и L297;
Я так понял что и в L297 и в SLA7024 есть ШИМы, может какой то надо отключить и как это сделать;
нужно ли задействовать 5,8,13 и 14 ноги L297, а если нет, то куда их деть;
Как между собой соединить выходы с L297 и входы на ключи;
Ну и может что-то ещё ?
Заранее благодарен.
CNC 5 Axis+L297+SLA7024 Как совместить?
-
sas_75
- Мастер
- Сообщения: 463
- Зарегистрирован: 10 мар 2015, 11:03
- Репутация: 115
- Настоящее имя: Сергей
- Откуда: Владивосток
- Контактная информация:
Re: CNC 5 Axis+L297+SLA7024 Как совместить?
Да, можно использовать L297.
Резисторы между CNC-5 и L297 можно не ставить, если разводку правильно сделаете.
ШИМ действительно можно использовать как в L297, так и в SLA7024, но надо выбирать что-то одно.
1) Если используете ШИМ L297, то R13 и VR1 исключаете из схемы, а верхние выводы R9, R10 подключаете напрямую к VCC (+5V), максимальный выходной ток будет регулироваться установкой напряжения на ноге 15 L297. При этом делаете соединения: g-i, h-j
2) Если используете ШИМ SLA7024, то выводы 13,14 L297 соединяете с общим проводом, регулировка выходного тока осуществляется VR1.
В обоих вариантах соединения: a-k, b-l, c-m, d-n. Выводы 5,8 L297 не используются.
Резисторы между CNC-5 и L297 можно не ставить, если разводку правильно сделаете.
ШИМ действительно можно использовать как в L297, так и в SLA7024, но надо выбирать что-то одно.
1) Если используете ШИМ L297, то R13 и VR1 исключаете из схемы, а верхние выводы R9, R10 подключаете напрямую к VCC (+5V), максимальный выходной ток будет регулироваться установкой напряжения на ноге 15 L297. При этом делаете соединения: g-i, h-j
2) Если используете ШИМ SLA7024, то выводы 13,14 L297 соединяете с общим проводом, регулировка выходного тока осуществляется VR1.
В обоих вариантах соединения: a-k, b-l, c-m, d-n. Выводы 5,8 L297 не используются.
-
sas_75
- Мастер
- Сообщения: 463
- Зарегистрирован: 10 мар 2015, 11:03
- Репутация: 115
- Настоящее имя: Сергей
- Откуда: Владивосток
- Контактная информация:
Re: CNC 5 Axis+L297+SLA7024 Как совместить?
А еще можно сделать дополнение к L297, как в схеме на рисунке, тогда при остановке двигателя ток удержания будет снижаться.
-
hapok
- Новичок
- Сообщения: 2
- Зарегистрирован: 31 янв 2016, 02:34
- Репутация: 0
- Настоящее имя: Макс
- Контактная информация:
Re: CNC 5 Axis+L297+SLA7024 Как совместить?
Спасибо за ответ!sas_75 писал(а):Да, можно использовать L297.
Резисторы между CNC-5 и L297 можно не ставить, если разводку правильно сделаете.
ШИМ действительно можно использовать как в L297, так и в SLA7024, но надо выбирать что-то одно.
1) Если используете ШИМ L297, то R13 и VR1 исключаете из схемы, а верхние выводы R9, R10 подключаете напрямую к VCC (+5V), максимальный выходной ток будет регулироваться установкой напряжения на ноге 15 L297. При этом делаете соединения: g-i, h-j
2) Если используете ШИМ SLA7024, то выводы 13,14 L297 соединяете с общим проводом, регулировка выходного тока осуществляется VR1.
В обоих вариантах соединения: a-k, b-l, c-m, d-n. Выводы 5,8 L297 не используются.
"разводку правильно сделаю" - step,dir,eneble и общий при подключении не перепутаю ? может поставить по 1к (кроме общего), это сильно будет влиять на уровень сигнала?
Еще я подумал что логичнее использовать ШИМ SLA7024, но идея со счетчиком мне понравилась, плату буду разводить под ШИМ на L297.
С Уважением!
-
sas_75
- Мастер
- Сообщения: 463
- Зарегистрирован: 10 мар 2015, 11:03
- Репутация: 115
- Настоящее имя: Сергей
- Откуда: Владивосток
- Контактная информация:
Re: CNC 5 Axis+L297+SLA7024 Как совместить?
На 1к не стоит ставить, будет достаточно 10-20 Ом, но лучше вообще без них.