Mesa 7i80db linuxcnc ethernet Anything IO

Работа с платами MESA, подключение, конфигурация.
Аватара пользователя
N1X
Мастер
Сообщения: 3653
Зарегистрирован: 16 фев 2015, 21:19
Репутация: 1646
Настоящее имя: Владимир
Откуда: Беларусь, Гомель
Контактная информация:

Re: Mesa 7i80db linuxcnc ethernet Anything IO

Сообщение N1X »

aegis писал(а):N1X, а как скорость по езернуту сопоставима с писиайной шиной?
Плату не юзал, только готовлюсь к заказу...
А вообще там же таких безумных потоков данных нет )
Аватара пользователя
Serg
Мастер
Сообщения: 21923
Зарегистрирован: 17 апр 2012, 14:58
Репутация: 5183
Заслуга: c781c134843e0c1a3de9
Настоящее имя: Сергей
Откуда: Москва
Контактная информация:

Re: Mesa 7i80db linuxcnc ethernet Anything IO

Сообщение Serg »

N1X писал(а):А что там за ПЛИСина стоит? В смысле вижу, что шестой спартан, интересно какая конкретно...
Скорее всего та-же, что и в 5i25/6i25, насколько это можно понять из исходников. Думаю через 2-3 недели будем знать точно. :)
aegis писал(а):N1X, а как скорость по езернуту сопоставима с писиайной шиной?
А должна быть сопоставима? Там всего-то надо раз в милисекунду передавать от силы килобайт. Той-же 7i43 вполне хватает пропускной способности LPT.
N1X писал(а):Никто вообще не прикидывал - клонировать их не выгодно?
Разово не выгодно. Плату под неё ЛУТом не сделать, а заказать можно минимум за $50.
А сделать несколько и продать - карается по УК.
Я не Христос, рыбу не раздаю, но могу научить, как сделать удочку...
Аватара пользователя
aegis
Мастер
Сообщения: 3171
Зарегистрирован: 22 мар 2012, 06:59
Репутация: 1810
Настоящее имя: Михайло
Откуда: Україна, Конотоп=>Запоріжжя=>Харьків

Re: Mesa 7i80db linuxcnc ethernet Anything IO

Сообщение aegis »

N1X, UAVpilot, да я пока тоже пристреливаюсь к тому что брать буду в скором времени. но пока сильной альтернативы 5i25+7i77 не вижу. правда для 2х сервоосей и шпинделя избыточно вроде как.
нікому нічого не нав'язую.
Аватара пользователя
Serg
Мастер
Сообщения: 21923
Зарегистрирован: 17 апр 2012, 14:58
Репутация: 5183
Заслуга: c781c134843e0c1a3de9
Настоящее имя: Сергей
Откуда: Москва
Контактная информация:

Re: Mesa 7i80db linuxcnc ethernet Anything IO

Сообщение Serg »

aegis писал(а):но пока сильной альтернативы 5i25+7i77 не вижу.
7i92 - альтернатива 5i25. 7i77 подключается либо к той, либо к этой.
А вот альтернативу 7i77 спаять гораздо проще, особенно если много осей не надо.
Я не Христос, рыбу не раздаю, но могу научить, как сделать удочку...
Аватара пользователя
N1X
Мастер
Сообщения: 3653
Зарегистрирован: 16 фев 2015, 21:19
Репутация: 1646
Настоящее имя: Владимир
Откуда: Беларусь, Гомель
Контактная информация:

Re: Mesa 7i80db linuxcnc ethernet Anything IO

Сообщение N1X »

UAVpilot писал(а):А сделать несколько и продать - карается по УК.
Меня удивляет, что даже китайцы до сих пор не делают, неужто рынок настолько узкий? :)
Аватара пользователя
aegis
Мастер
Сообщения: 3171
Зарегистрирован: 22 мар 2012, 06:59
Репутация: 1810
Настоящее имя: Михайло
Откуда: Україна, Конотоп=>Запоріжжя=>Харьків

Re: Mesa 7i80db linuxcnc ethernet Anything IO

Сообщение aegis »

UAVpilot писал(а):А вот альтернативу 7i77 спаять гораздо проще, особенно если много осей не надо.
это было бы интересно, учитывая стоимость платы и то что реально надо только 2 оси задействовать. есть наброски или схемотехника?
UAVpilot писал(а):7i92 - альтернатива 5i25
при одной цене но с разным подключением... хз писиайная шина надежней кажется, но это мой дилетантский взгляд, возможно
нікому нічого не нав'язую.
Аватара пользователя
Serg
Мастер
Сообщения: 21923
Зарегистрирован: 17 апр 2012, 14:58
Репутация: 5183
Заслуга: c781c134843e0c1a3de9
Настоящее имя: Сергей
Откуда: Москва
Контактная информация:

Re: Mesa 7i80db linuxcnc ethernet Anything IO

Сообщение Serg »

aegis писал(а):это было бы интересно, учитывая стоимость платы и то что реально надо только 2 оси задействовать. есть наброски или схемотехника?
А чего там набрасывать? Пара операционников на каждый аналоговый выход (PWM->analog), TTL буфера для входов энкодеров, стандартная отпторазвязка для дискретных входов выходов.
А в качестве аналога 7i76 можно вообще стандартную breakout board использовать, я даже тут где-то фотку постил как у меня в домашнем станке работает связка 7i43 + breakout board.
aegis писал(а):хз писиайная шина надежней кажется
Чем? Тем, что подключенная плата оказывается гальванически связана с компом? :)

Платы типа 7i92/7i80 идеальны для пром. применения - позволяют поместить её в шкаф к силовой электронике, а комп с монитором и кнопками вынести в отдельный корпус, который можно отодвинуть от силового шкафа аж на сотню метров.
Я не Христос, рыбу не раздаю, но могу научить, как сделать удочку...
Аватара пользователя
aegis
Мастер
Сообщения: 3171
Зарегистрирован: 22 мар 2012, 06:59
Репутация: 1810
Настоящее имя: Михайло
Откуда: Україна, Конотоп=>Запоріжжя=>Харьків

Re: Mesa 7i80db linuxcnc ethernet Anything IO

Сообщение aegis »

UAVpilot писал(а):TTL буфера для входов энкодеров
на чем буфера реализованы в родной плате? операционники какие-то хитрые?
мне серваки подключить надо, поэтому 7и76 или просто плата развязки не канает
нікому нічого не нав'язую.
Аватара пользователя
Serg
Мастер
Сообщения: 21923
Зарегистрирован: 17 апр 2012, 14:58
Репутация: 5183
Заслуга: c781c134843e0c1a3de9
Настоящее имя: Сергей
Откуда: Москва
Контактная информация:

Re: Mesa 7i80db linuxcnc ethernet Anything IO

Сообщение Serg »

aegis писал(а):на чем буфера реализованы в родной плате?
http://www.farnell.com/datasheets/1851047.pdf но там ещё и мультиплексирование делается, чтоб можно было подключать вдвое больше энкодеров на то-же количество выводов.
aegis писал(а):операционники какие-то хитрые?
Практически любые.
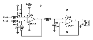
yapsc-pwm.png (8547 просмотров) <a class='original' href='./download/file.php?id=60944&mode=view' target=_blank>Загрузить оригинал (13.27 КБ)</a>
Я не Христос, рыбу не раздаю, но могу научить, как сделать удочку...
Аватара пользователя
aegis
Мастер
Сообщения: 3171
Зарегистрирован: 22 мар 2012, 06:59
Репутация: 1810
Настоящее имя: Михайло
Откуда: Україна, Конотоп=>Запоріжжя=>Харьків

Re: Mesa 7i80db linuxcnc ethernet Anything IO

Сообщение aegis »

UAVpilot писал(а):там ещё и мультиплексирование делается, чтоб можно было подключать вдвое больше энкодеров на то-же количество выводов.
по идее мне это не надо ибо хватит ножек тупо на 2 канала...
картинка с япса :)
нікому нічого не нав'язую.
Аватара пользователя
Nick
Мастер
Сообщения: 22776
Зарегистрирован: 23 ноя 2009, 16:45
Репутация: 1735
Заслуга: Developer
Откуда: Gatchina, Saint-Petersburg distr., Russia
Контактная информация:

Re: Mesa 7i80db linuxcnc ethernet Anything IO

Сообщение Nick »

по идее мне это не надо ибо хватит ножек тупо на 2 канала...
На токарник?
А шпиндель?
Аватара пользователя
aegis
Мастер
Сообщения: 3171
Зарегистрирован: 22 мар 2012, 06:59
Репутация: 1810
Настоящее имя: Михайло
Откуда: Україна, Конотоп=>Запоріжжя=>Харьків

Re: Mesa 7i80db linuxcnc ethernet Anything IO

Сообщение aegis »

Nick, угу, на токарник. ну шпиндель еще добавь. со шпинделем надо грубо говоря 3 канала с аналоговым управлением
нікому нічого не нав'язую.
VitalikD
Мастер
Сообщения: 305
Зарегистрирован: 29 авг 2013, 20:17
Репутация: 41
Контактная информация:

Re: Mesa 7i80db linuxcnc ethernet Anything IO

Сообщение VitalikD »

Сетевой драйвер для реалтайма никакого допиливания не требует, т.е. подключаем плату и linuxcnc сразу с ней работает? Или возможны варианты в зависимости от сетевой карты?
Аватара пользователя
Nick
Мастер
Сообщения: 22776
Зарегистрирован: 23 ноя 2009, 16:45
Репутация: 1735
Заслуга: Developer
Откуда: Gatchina, Saint-Petersburg distr., Russia
Контактная информация:

Re: Mesa 7i80db linuxcnc ethernet Anything IO

Сообщение Nick »

Надо будет немнгого донастроить систему - надо прописать настройку этого сетевого подключения.
VitalikD
Мастер
Сообщения: 305
Зарегистрирован: 29 авг 2013, 20:17
Репутация: 41
Контактная информация:

Re: Mesa 7i80db linuxcnc ethernet Anything IO

Сообщение VitalikD »

Nick писал(а):надо прописать настройку этого сетевого подключения.
Что-то нестандартное или просто вручную в etc/network/interfaces прописать?
Аватара пользователя
Nick
Мастер
Сообщения: 22776
Зарегистрирован: 23 ноя 2009, 16:45
Репутация: 1735
Заслуга: Developer
Откуда: Gatchina, Saint-Petersburg distr., Russia
Контактная информация:

Re: Mesa 7i80db linuxcnc ethernet Anything IO

Сообщение Nick »

По моему, что-то еще в iptables надо было прописать.
Все должно быть в мане, я по нему делал и все заработало.
Вложения
7i80dbman (1).pdf
(247 КБ) 1225 скачиваний
VitalikD
Мастер
Сообщения: 305
Зарегистрирован: 29 авг 2013, 20:17
Репутация: 41
Контактная информация:

Re: Mesa 7i80db linuxcnc ethernet Anything IO

Сообщение VitalikD »

Есть что-то про ручную прописку в arp таблицу для виндоуса или виндоус им виноват. Оно? И еще чем отличается для конечного пользователя модификация -16 от -25. Какие-то отличия в флеш памяти, но прошивки вроде одинаковые? Цена разная.
Аватара пользователя
Nick
Мастер
Сообщения: 22776
Зарегистрирован: 23 ноя 2009, 16:45
Репутация: 1735
Заслуга: Developer
Откуда: Gatchina, Saint-Petersburg distr., Russia
Контактная информация:

Re: Mesa 7i80db linuxcnc ethernet Anything IO

Сообщение Nick »

Там вроде разъемы разные...

Там что то было про добавление правил для udp, если не ошибаюсь.
Аватара пользователя
Nick
Мастер
Сообщения: 22776
Зарегистрирован: 23 ноя 2009, 16:45
Репутация: 1735
Заслуга: Developer
Откуда: Gatchina, Saint-Petersburg distr., Russia
Контактная информация:

Re: Mesa 7i80db linuxcnc ethernet Anything IO

Сообщение Nick »

Сейчас не могу найти, не помню точно но мне кажется, что я что-то прописывал в iptables по поводу udp. Но точно не уверен.

ЗЫ там есть простенькая программка для проверки соединения. Помню, что пробовал ее.
REFERENCE INFORMATIONLBP16ELBPCOMELBPCOM is a very simple demo program in Python (2.x) to allow simple checkingof LBP16 host communication to the 7I80DB. ELBPCOM accepts hexadecimal LBP16commands and data and returns hexadecimal results. Note that the timeout value will needto be increased to about 2 seconds to try flash sector erase commands.import sockets = socket.socket(socket.AF_INET,socket.SOCK_DGRAM,0)sip = "192.168.1.121"sport = 27181s.settimeout(.2)while(2 >0): sdata = raw_input (’>’) sdata = sdata.decode(’hex’) s.sendto(sdata,(sip,sport)) try: data,addr = s.recvfrom(1280) print (’>’),data.encode(’hex’) except socket.timeout: print (’No answer’)Sample run:>01420001; read hostmot2 cookie at 0x100> fecaaa55; 7I80DB returns 0x55AACAFE>82492000; read EEPROM IP address at 0x0020> 450a5863; 63:58:0A:45 = 99.88.10.69 ;(for example)>01D91A00025A82C920000100a8C0; write EEPROM IP address ;(at 0x0020) with ; C0:A8:0:1 = 192.168.0.1
Блин с телефона плохо вставляется.
VitalikD
Мастер
Сообщения: 305
Зарегистрирован: 29 авг 2013, 20:17
Репутация: 41
Контактная информация:

Re: Mesa 7i80db linuxcnc ethernet Anything IO

Сообщение VitalikD »

Nick писал(а):Блин с телефона плохо вставляется.
Спасибо, не нужно мучиться с телефона. Мне пока как Печькину, для повышения образованности. Пока 7и80 самый удобный вариант из найденных. Только не db а hd. Там прошивки интересней. Хотя платы вроде только разъемами отличаются и прошивки должны подходить.
Ответить

Вернуться в «MESA»