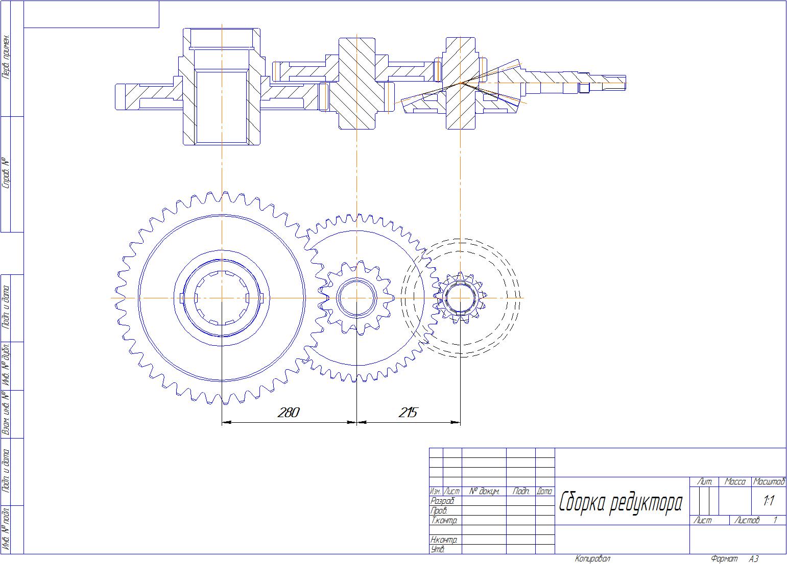
Нужно примерно 10-12 таких комплектов в год. Сейчас приходится заказывать на разных производствах разные детали.
Может кому интересно.
Нужна стоимость подетально из материала производителя или из материала заказчика. Оплата - нал/безнал. Доставка до Челябинска, возможен самовывоз.
Чертежи есть в Компасе.
Постоянно нужно изготовить комплект шестерней и валов
Правила форума
Разрешается публиковать предложения по покупке/продаже как физическим лицам так и коммерческим организациям, при соблюдении следующих условий:
1. должны присутствовать характеристики товаров
2. должна присутствовать стоимость товара или услуги
3. должно присутствовать описание способов оплаты и доставки
4. один продавец - одна тема
Фотографии товаров приветствуются (фотографии должны быть вложениями к сообщениям).
Возможно размещение ссылки на свой сайт, с описанием товара, при обязательном соблюдении пунктов 1-3.
Администрация форума может удалить тему или сообщения из данного раздела, без объяснения причин!
Внимание, общий раздел закрыт для создания новых тем! Создавайте темы в профильных разделах (Куплю, Продам, Услуги)!
Разрешается публиковать предложения по покупке/продаже как физическим лицам так и коммерческим организациям, при соблюдении следующих условий:
1. должны присутствовать характеристики товаров
2. должна присутствовать стоимость товара или услуги
3. должно присутствовать описание способов оплаты и доставки
4. один продавец - одна тема
Фотографии товаров приветствуются (фотографии должны быть вложениями к сообщениям).
Возможно размещение ссылки на свой сайт, с описанием товара, при обязательном соблюдении пунктов 1-3.
Администрация форума может удалить тему или сообщения из данного раздела, без объяснения причин!
Внимание, общий раздел закрыт для создания новых тем! Создавайте темы в профильных разделах (Куплю, Продам, Услуги)!
- dima7411
- Почётный участник

- Сообщения: 1055
- Зарегистрирован: 26 янв 2014, 14:06
- Репутация: 337
- Настоящее имя: Дмитрий
- Откуда: Копейск
- Контактная информация:
Постоянно нужно изготовить комплект шестерней и валов
- Вложения
-
- Шестерни.rar
- (1.74 МБ) 314 скачиваний