Зачем?aftaev писал(а): Чтоб потом собрать и не балансировать шпиндель?
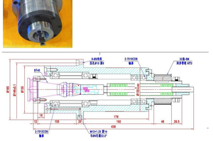
Цанга снимается не добираясь до подшипников.
Зачем?aftaev писал(а): Чтоб потом собрать и не балансировать шпиндель?

Длина высчитывается методомaftaev писал(а):Если захват снять(цангу) то длину штревеля как высчитать?
