Привод для тяжелых стрелок часов.
- rean32
- Мастер
- Сообщения: 443
- Зарегистрирован: 24 апр 2012, 11:13
- Репутация: 84
- Контактная информация:
Привод для тяжелых стрелок часов.
Здравствуйте, появилась необходимость изготовить настенные часы с большими тяжелыми стрелками. Но стрелки не самое главное, в часах еще будет открытый механизм из дерева для красоты, но шестерни должны крутится. Еще будет бутафорский маятник который будет просто качаться для красоты.
Питание должно осуществляться от большой батарейки. То есть напрашивается готовый скрытый кварцевый механизм который крутит стрелки, вращает механизм и качает маятник.
Проблема в том, что готовых механизмов на требуемый крутящий момент я не нашел. Ведь кроме стрелок надо еще вращать шестерни с приличным трением.
Из механизма можно взять разве что, генератор секундных импульсов для дальнейшего усиления и запитки магнита качания маятника и работы двигателя стрелок.
А вот с двигателем как раз вопрос неясен.
Вижу три варианта и все не нравятся
1. Взять шаговик из дисковода и крутить все хозяйство им. Просто и доступно, момента должно хватить. Но шаговик потребляет немалый ток, пускай даже в импульсах. похоже что придется ставить очень большую батарейку. И непонятно как качать маятник.
2. В крайней точке маятника разместить катушку магнит. Которая будет подталкивать маятник раз в секунду. А уже сам маятник через систему шестеренок будет крутить минутную и часовую стрелку. Технически выглядит просто. На практике не совсем понятно как будет согласовываться период импульсов катушки и собственный период маятника. Понятно, что он будет максимально близок к секундному, но идеально то не сделаешь. Теоретически катушка должна принудительно навязывать ему свой период. Потом катушка должна срабатывать в нужный момент, а не когда маятник в противоположной точке траектории. Напрашивается какой то колхоз с датчиком холла или герконом. Вобщем пока не совсем понятно. Было бы очень интересно услышать ваши мысли по поводу этого варианта
3.Механизм классический механический. Батарейка только подтягивает гирю. Ставим обычный маленький движочек, который например 2 раза в сутки подтягивает гирю по герконовым датчикам. Просто, доступно, опыт с механикой часов есть. Но жалко использовать электрику только для силовых целей. Раз уж есть батарейка, то хотелось бы еще и получить кварцевую точность.
Было бы интересно услышать еще какие нибудь интересные предложения и критику вышеперечисленных вариантов.
Питание должно осуществляться от большой батарейки. То есть напрашивается готовый скрытый кварцевый механизм который крутит стрелки, вращает механизм и качает маятник.
Проблема в том, что готовых механизмов на требуемый крутящий момент я не нашел. Ведь кроме стрелок надо еще вращать шестерни с приличным трением.
Из механизма можно взять разве что, генератор секундных импульсов для дальнейшего усиления и запитки магнита качания маятника и работы двигателя стрелок.
А вот с двигателем как раз вопрос неясен.
Вижу три варианта и все не нравятся
1. Взять шаговик из дисковода и крутить все хозяйство им. Просто и доступно, момента должно хватить. Но шаговик потребляет немалый ток, пускай даже в импульсах. похоже что придется ставить очень большую батарейку. И непонятно как качать маятник.
2. В крайней точке маятника разместить катушку магнит. Которая будет подталкивать маятник раз в секунду. А уже сам маятник через систему шестеренок будет крутить минутную и часовую стрелку. Технически выглядит просто. На практике не совсем понятно как будет согласовываться период импульсов катушки и собственный период маятника. Понятно, что он будет максимально близок к секундному, но идеально то не сделаешь. Теоретически катушка должна принудительно навязывать ему свой период. Потом катушка должна срабатывать в нужный момент, а не когда маятник в противоположной точке траектории. Напрашивается какой то колхоз с датчиком холла или герконом. Вобщем пока не совсем понятно. Было бы очень интересно услышать ваши мысли по поводу этого варианта
3.Механизм классический механический. Батарейка только подтягивает гирю. Ставим обычный маленький движочек, который например 2 раза в сутки подтягивает гирю по герконовым датчикам. Просто, доступно, опыт с механикой часов есть. Но жалко использовать электрику только для силовых целей. Раз уж есть батарейка, то хотелось бы еще и получить кварцевую точность.
Было бы интересно услышать еще какие нибудь интересные предложения и критику вышеперечисленных вариантов.
- N1X
- Мастер
- Сообщения: 3653
- Зарегистрирован: 16 фев 2015, 21:19
- Репутация: 1646
- Настоящее имя: Владимир
- Откуда: Беларусь, Гомель
- Контактная информация:
Re: Привод для тяжелых стрелок часов.
А можно пойти дальше и поставить GPS приемник за 15$ =) Будут атомные часы с деревянными шестернями!rean32 писал(а):Раз уж есть батарейка, то хотелось бы еще и получить кварцевую точность.
В определенных пределах перетянуть маятник можно, правда это перерасход энергии, но я думаю если постараться и подобрать частоту маятника хорошо, то будет практически не заметно...rean32 писал(а):Понятно, что он будет максимально близок к секундному, но идеально то не сделаешь.
В любом случае батарейное питание с нормальным временем жизни батарейки - задача не всегда простая, но интересная
- Сергей Саныч
- Мастер
- Сообщения: 9116
- Зарегистрирован: 30 май 2012, 14:20
- Репутация: 2858
- Откуда: Тюмень
- Контактная информация:
Re: Привод для тяжелых стрелок часов.
Для качания маятника можно использовать схемы, примененные в электронно-механических часах "Слава".
Чудес не бывает. Бывают фокусы.
- selenur
- Почётный участник

- Сообщения: 4605
- Зарегистрирован: 21 авг 2013, 19:44
- Репутация: 1622
- Настоящее имя: Сергей
- Откуда: Новый Уренгой
- Контактная информация:
Re: Привод для тяжелых стрелок часов.
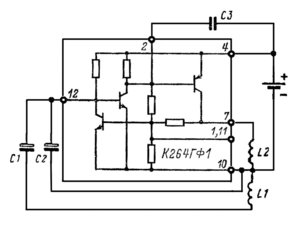
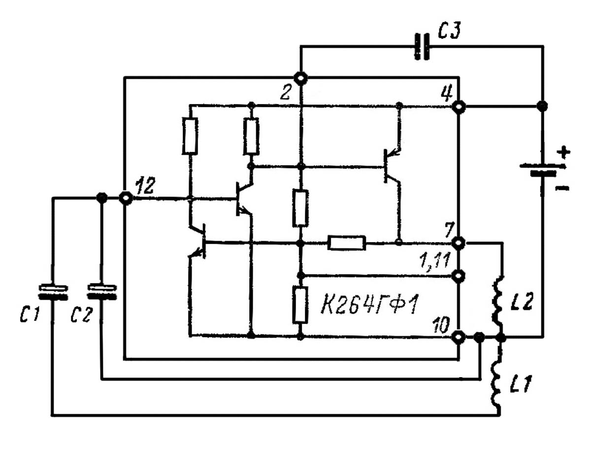
Из январского журнала "Радио":
Мой сайт: http://selenur.ru
Исходники моих программ: https://github.com/selenur
Instagram https://www.instagram.com/zheigurov/
Исходники моих программ: https://github.com/selenur
Instagram https://www.instagram.com/zheigurov/
- rean32
- Мастер
- Сообщения: 443
- Зарегистрирован: 24 апр 2012, 11:13
- Репутация: 84
- Контактная информация:
Re: Привод для тяжелых стрелок часов.
Я тоже думал над этой идеей)))N1X писал(а):А можно пойти дальше и поставить GPS приемник за 15$ =) Будут атомные часы с деревянными шестернями!
Сергей Саныч писал(а):Для качания маятника можно использовать схемы, примененные в электронно-механических часах "Слава".
Принцип понятен, все даже проще чем я думал. Буду экспериментировать.selenur писал(а):Из январского журнала "Радио":
- rean32
- Мастер
- Сообщения: 443
- Зарегистрирован: 24 апр 2012, 11:13
- Репутация: 84
- Контактная информация:
Re: Привод для тяжелых стрелок часов.
Взял кварцевый генератор от китайского механизма, усилил транзистором и запитал катушку от реле. Длительность импульса примерно 0,05 с. Катушку разместил в крайней правой точке траектории. Все работает, только нужна схема синхронизации начального импульса. Чтобы в первый момент времени электромагнит сработал тогда когда маятник будет находится возле него. Иначе магнит может включится когда маятник в середине и противоположном конце траектории. Тогда колебания просто затухнут и маятник остановится.
Конечно хороший вариант разместить катушку в центральной точке, тогда, маятник сам будет постепенно выводится катушкой из равновесия. Но нужно тогда уменьшить длительность импульса и увеличить мощность. Ведь центральную точку маятник будет проходить на большой скорости, и 0,05 с будет много. Может кто подскажет со схемкой как из импульсов 0,05с сделать 0,01 с?
Смысл в том чтобы катушка отдавала энергию тогда когда маятник находится в непосредственной близости от катушки. А это всего около 0,01с Тогда КПД будет максимальный.
Конечно хороший вариант разместить катушку в центральной точке, тогда, маятник сам будет постепенно выводится катушкой из равновесия. Но нужно тогда уменьшить длительность импульса и увеличить мощность. Ведь центральную точку маятник будет проходить на большой скорости, и 0,05 с будет много. Может кто подскажет со схемкой как из импульсов 0,05с сделать 0,01 с?
Смысл в том чтобы катушка отдавала энергию тогда когда маятник находится в непосредственной близости от катушки. А это всего около 0,01с Тогда КПД будет максимальный.
- N1X
- Мастер
- Сообщения: 3653
- Зарегистрирован: 16 фев 2015, 21:19
- Репутация: 1646
- Настоящее имя: Владимир
- Откуда: Беларусь, Гомель
- Контактная информация:
Re: Привод для тяжелых стрелок часов.
Можно подобрать просто дифференцирующую цепочку (RC)rean32 писал(а):из импульсов 0,05с сделать 0,01 с?
- Serg
- Мастер
- Сообщения: 21923
- Зарегистрирован: 17 апр 2012, 14:58
- Репутация: 5183
- Заслуга: c781c134843e0c1a3de9
- Настоящее имя: Сергей
- Откуда: Москва
- Контактная информация:
Re: Привод для тяжелых стрелок часов.
Или МК и фотодатчик - пусть сам подстраивается под маятник... 
Я не Христос, рыбу не раздаю, но могу научить, как сделать удочку...
- selenur
- Почётный участник

- Сообщения: 4605
- Зарегистрирован: 21 авг 2013, 19:44
- Репутация: 1622
- Настоящее имя: Сергей
- Откуда: Новый Уренгой
- Контактная информация:
Re: Привод для тяжелых стрелок часов.
Тем более сейчас есть куча микро-ардуин, и минимум опыта программирования.
Мой сайт: http://selenur.ru
Исходники моих программ: https://github.com/selenur
Instagram https://www.instagram.com/zheigurov/
Исходники моих программ: https://github.com/selenur
Instagram https://www.instagram.com/zheigurov/
- rean32
- Мастер
- Сообщения: 443
- Зарегистрирован: 24 апр 2012, 11:13
- Репутация: 84
- Контактная информация:
Re: Привод для тяжелых стрелок часов.
Нее, этого как раз не надо, стабильность частоты маятника на порядки меньше кварца. Нужно чтоб опорным генератором был именно кварц, а маятник подстраивался под него.UAVpilot писал(а):Или МК и фотодатчик - пусть сам подстраивается под маятник...
Я уже все забыл, чему учили))N1X писал(а):Можно подобрать просто дифференцирующую цепочку (RC)
У меня щас такая схема, но без конденсатора и резистора. Если подобрать кондер и резистор то импульсы на базе будут короче? Я так понимаю вы что то похожее имели в виду.
Ну нет, мне кажется микроконтроллер для такой задачи это из пушки по воробьям. Задача простейшая по сути. Тем более что основная задача снизить энергопотребление, каждый милиампер важен. А адруина жрет немало.selenur писал(а):-ардуин, и минимум опыта программирования.
- N1X
- Мастер
- Сообщения: 3653
- Зарегистрирован: 16 фев 2015, 21:19
- Репутация: 1646
- Настоящее имя: Владимир
- Откуда: Беларусь, Гомель
- Контактная информация:
Re: Привод для тяжелых стрелок часов.
Да, но единственное, что перед ключем возможно нужен будет пороговый элемент, иначе на батарейном питании КПД ниже будет (режим транзистора будетлинейным на спаде импульса), хотя на вскидку точно не сказать... Ну и не забывать, что ключ на схеме инвертирующий...rean32 писал(а):Я так понимаю вы что то похожее имели в виду
- Сергей Саныч
- Мастер
- Сообщения: 9116
- Зарегистрирован: 30 май 2012, 14:20
- Репутация: 2858
- Откуда: Тюмень
- Контактная информация:
Re: Привод для тяжелых стрелок часов.
Если маятник чисто декоративный, зачем ему точная частота? Схема от "Славы" и будет махать, как надо. Если же от маятника приводить стрелки (скажем, храповым механизмом), тогда да, кварц не помешает.
Чудес не бывает. Бывают фокусы.
- N1X
- Мастер
- Сообщения: 3653
- Зарегистрирован: 16 фев 2015, 21:19
- Репутация: 1646
- Настоящее имя: Владимир
- Откуда: Беларусь, Гомель
- Контактная информация:
Re: Привод для тяжелых стрелок часов.
Предлагается, что маятник является ведомым кварцем задающим элементом для остального механизма 
- Сергей Саныч
- Мастер
- Сообщения: 9116
- Зарегистрирован: 30 май 2012, 14:20
- Репутация: 2858
- Откуда: Тюмень
- Контактная информация:
Re: Привод для тяжелых стрелок часов.
N1X писал(а):Предлагается, что маятник является ведомым кварцем задающим элементом для остального механизма
rean32 писал(а):Еще будет бутафорский маятник который будет просто качаться для красоты.
Чудес не бывает. Бывают фокусы.
- rean32
- Мастер
- Сообщения: 443
- Зарегистрирован: 24 апр 2012, 11:13
- Репутация: 84
- Контактная информация:
Re: Привод для тяжелых стрелок часов.
На данный момент я уже определился, что маятник будет выполнять основную функцию, а уже от маятника через систему шестерен будет передаваться крутящий момент на минутную и часовую стрелку. Так проще и лучше.Сергей Саныч писал(а):Если маятник чисто декоративный, зачем ему точная частота? Схема от "Славы" и будет махать, как надо. Если же от маятника приводить стрелки (скажем, храповым механизмом), тогда да, кварц не помешает.
Если делать маятник отдельно, то надо еще думать как и чем крутить механизм. Вместо одной проблемы - две. Потом энергии надо больше - и на маятник и на механизм. А так нужно просто заставить маятник двигаться точно и все. Все проблемы решены.
- solo
- Мастер
- Сообщения: 1374
- Зарегистрирован: 20 окт 2011, 18:39
- Репутация: 272
- Настоящее имя: Юрий Соловьев
- Откуда: Украина Харьков
- Контактная информация:
Re: Привод для тяжелых стрелок часов.
если маятник будет подстраиваться под генератор не получиться резонансной частоты колебаний маятника, и маятник скорее всего перестанет тилипаться либо затраты энергии на колебания маятника возрастут в разы,rean32 писал(а):маятник подстраивался под него.
- rean32
- Мастер
- Сообщения: 443
- Зарегистрирован: 24 апр 2012, 11:13
- Репутация: 84
- Контактная информация:
Re: Привод для тяжелых стрелок часов.
Вот такой макет на данный момент: работает уже около 12 часов. Все четко. Катушка запитана просто от генератора через транзистор. Лампочка просто паралельно катушке. Период 2с. Естественно собственный период маятника максимально близок к 2с.
https://www.youtube.com/watch?v=aWfWvAnsooM
https://www.youtube.com/watch?v=aWfWvAnsooM
- rean32
- Мастер
- Сообщения: 443
- Зарегистрирован: 24 апр 2012, 11:13
- Репутация: 84
- Контактная информация:
Re: Привод для тяжелых стрелок часов.
Спасибо, идея очень хорошая. Буду пробовать. Если удастся получить короткие импульсы то можно будет очень сильно увеличить КПД.N1X писал(а):Да, но единственное, что перед ключем возможно нужен будет пороговый элемент, иначе на батарейном питании КПД ниже будет (режим транзистора будетлинейным на спаде импульса), хотя на вскидку точно не сказать... Ну и не забывать, что ключ на схеме инвертирующий...rean32 писал(а):Я так понимаю вы что то похожее имели в виду
- rean32
- Мастер
- Сообщения: 443
- Зарегистрирован: 24 апр 2012, 11:13
- Репутация: 84
- Контактная информация:
Re: Привод для тяжелых стрелок часов.
Спасибо за инфу. Я так понял по одной из схем, Одна и таже катушка является и силовым элементом и элементом обратной связи для подачи импульса в нужный момент. Гениально. Жаль только что частота будет определятся только самим маятником а не кварцем. Но в целом вариант очень хороший. В принципе маятник довольно стабильная штука, можно добится очень неплохой точности. может быть кварц и необязателен. Но все таки хотелось бы - настраивать подкручивать ничего не надо. Да и точность все таки выше. Надо подумать.vovan писал(а):ttps://www.google.ru/search?q=Electrom ... um+circuit