БалтСистем NC201: мои первые шаги
-
Kopyloff
- Мастер
- Сообщения: 387
- Зарегистрирован: 28 мар 2013, 07:40
- Репутация: 117
- Настоящее имя: Сергей
- Откуда: Первоуральск
- Контактная информация:
Re: БалтСистем NC201: мои первые шаги
Не успел проверить. Тоже по схеме вижу что не приходит сигнал, который собирается по ОУП. Сегодня попробую проверить.
-
Kopyloff
- Мастер
- Сообщения: 387
- Зарегистрирован: 28 мар 2013, 07:40
- Репутация: 117
- Настоящее имя: Сергей
- Откуда: Первоуральск
- Контактная информация:
Re: БалтСистем NC201: мои первые шаги
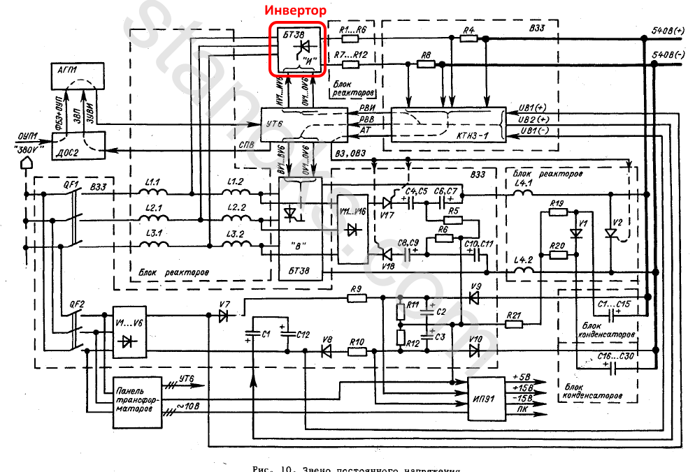
На контрольной точке с одной стороны платы ДОС2 написано "5", на другой стороне "6". Оказывается я смотрел не на той точке. В итоге: ОУП приходит в плату ДОС2. Не хватает остальных трёх сигналов. Из них один меня смущает: по схеме для разрешения включения приводов сигнал СПВ (Силовое питание транзисторных инверторов включено) - должен быть = "0". Фактически приходит сигнал "1" (3.7 Вольт).
Заодно померил все входные сигналы на плате ДОС2.
На картинке зелёные цифры - это я пытался в логике разобраться, синие цифры - это сигналы по факту.
Заодно померил все входные сигналы на плате ДОС2.
На картинке зелёные цифры - это я пытался в логике разобраться, синие цифры - это сигналы по факту.
-
Kopyloff
- Мастер
- Сообщения: 387
- Зарегистрирован: 28 мар 2013, 07:40
- Репутация: 117
- Настоящее имя: Сергей
- Откуда: Первоуральск
- Контактная информация:
Re: БалтСистем NC201: мои первые шаги
Результаты сегодняшних обследований пациента. В мануале нашёл таблицу сигналов платы УТ6:
Померил сигналы РВВ и РВИ мультиметром - РВВ = "-14,57 В", РВИ = "+4,57 В". При этом вольтметр в шкафу показывает 540 Вольт -> выпрямитель значит работает, а инвертор не включается. Сигналы эти идут из платы КТН3, ниже часть её схемы, которая формирует сигналы РВВ и РВИ. Потыкался осциллографом по разным точкам, сравнил (благо схемы на РВВ и РВИ схожие). Картинки подробные под спойлером. Вкратце: до оптронов сигналы на РВВ и РВИ приходят одинаковые, а на выходе оптронов - сигналы разнятся. Пока ещё не анализировал кто тут виновник сего безобразия.
- N1X
- Мастер
- Сообщения: 3653
- Зарегистрирован: 16 фев 2015, 21:19
- Репутация: 1646
- Настоящее имя: Владимир
- Откуда: Беларусь, Гомель
- Контактная информация:
Re: БалтСистем NC201: мои первые шаги
Хм, под инвертором здесь скорее всего понимается тиристорный инвертор, который должен включаться только тогда, когда напряжение на кондерах дюже большое. Т.е. в режиме торможения. 11й размер рекуперативный. Т.е. он при торможении энергию в сеть сливает...
-
Kopyloff
- Мастер
- Сообщения: 387
- Зарегистрирован: 28 мар 2013, 07:40
- Репутация: 117
- Настоящее имя: Сергей
- Откуда: Первоуральск
- Контактная информация:
Re: БалтСистем NC201: мои первые шаги
А я подумал что инвертор - это та часть, что из выпрямленного напряжения ШИМ нарезает (привык работать только с современными частотниками
). Так должен ли при включении привода присутствовать сигнал РВИ = "-15 Вольт"? Или он появится только когда напряжение в звене постоянного тока поднимется выше заданного значения и начнет сливать энергию в сеть??
-
Kopyloff
- Мастер
- Сообщения: 387
- Зарегистрирован: 28 мар 2013, 07:40
- Репутация: 117
- Настоящее имя: Сергей
- Откуда: Первоуральск
- Контактная информация:
Re: БалтСистем NC201: мои первые шаги
Вы правы:
Инвертор:
Re: БалтСистем NC201: мои первые шаги
Создавать новую ветку, думаю, не к чему, хотел бы вот приконнектиться сюда, сваливать свои "первыя знакомства" с бл_систем... Ну хорошая такая система, ничего не скажу. И дали мне стойку, сказали, на, ..., и чтоб за месЕц она у тебя заработала. Решил написать для нее хрень, которая бы все эти сигналы для начала хоть описывать могла и перенес в нее халипели с развесистых мануалов производителя, вместе с конфигами сигналов конкретного станка. В будущем, когда буду делать мондернизации, будет строиться и электрическая схема и многое другое, о чем я пока умолчу... Итак, основная задача решена - любой сигнал расшифровывается русским понятным языком на кончике мыши, ровно как и остальные тонкости - параметры файлов характеризации, элементы языка PLC. Так же прозрачно сделана замена имен на человекопонятные и экспорт обратно в язык PLC.
Щас бы стойку еще разобрать, люблю поглядеть что там внутри))) Не спалить бы чего.
Щас бы стойку еще разобрать, люблю поглядеть что там внутри))) Не спалить бы чего.
-
aftaev
- Зачётный участник

- Сообщения: 34042
- Зарегистрирован: 04 апр 2010, 19:22
- Репутация: 6194
- Откуда: Казахстан.
- Контактная информация:
Re: БалтСистем NC201: мои первые шаги
БалтСистем NC210 #1MikeX писал(а):Щас бы стойку еще разобрать, люблю поглядеть что там внутри))) Не спалить бы чего
Дилетанту сложные вещи кажутся очень простыми, и только профессионал понимает насколько сложна самая простая вещь
Кто хочет - ищет возможности, кто не хочет - ищет оправдание.
Найди работу по душе и тебе не придется работать.
Кто хочет - ищет возможности, кто не хочет - ищет оправдание.
Найди работу по душе и тебе не придется работать.
Re: БалтСистем NC201: мои первые шаги
Добавил визуализацию разъемов стойки и интерфейса ПЛ-NC.
-
kanapello
- Новичок
- Сообщения: 1
- Зарегистрирован: 15 янв 2018, 10:15
- Репутация: 1
- Контактная информация:
Re: БалтСистем NC201: мои первые шаги
MikeX, Здравствуй у меня такая же проблема , вот есть стойка и станок , должно работать . Кругом голова идет от мануалов . может поделишься программкой ?
вот мой email : kanapello@yandex.ru
вот мой email : kanapello@yandex.ru
-
2RBINAZ
- Новичок
- Сообщения: 1
- Зарегистрирован: 23 апр 2019, 07:05
- Репутация: 1
- Настоящее имя: Фанис
- Контактная информация:
Re: БалтСистем NC201: мои первые шаги
Приветствую! Забрел в этот, для меня, темный лес(программирование ЧПУ) и ничего не могу понять. Не могли бы вы и мне отправить свою программу, дабы мне было чуточку проще разобраться и работать в этом? r_fanis@mail.ru
-
JDante
- Новичок
- Сообщения: 13
- Зарегистрирован: 03 май 2019, 13:02
- Репутация: 4
- Настоящее имя: Dante
- Контактная информация:
Re: БалтСистем NC201: мои первые шаги
Добрый день. Рад поделиться своими последними достижениями - продолжается работа над программой настройки и тестирования стоек Балт-Систем - NC-srcexpl. Благодаря этой программе ваш покорный слуга на некоем заводике восстановил станок ГФ2252 за... 1,5 недели, станок, который не смогли пустить ни модернизаторы, ни команда, хм, специалистов, оного заводика... целый год! Это все благодаря быстрому серфингу и поиску по исходному коду программы электро-автоматики, хотя мне больше нравится термин PLC. Чуть позже хотел выложить материалы моих занятий ... со станком ГФ и стойкой NC-230, может, кому интересно было бы.
В современной версии появилась возможность графического отображения этой электросхемы, разумеется при быстрой навигации между исходным кодом и элементами электросхемы. Так же программа теперь стала более доступна и моим коллегам тоже..
Сейчас планируется реализовать многополосный осциллограф-анализатор портов, а так же тестирование стойки с получением информации от самой стойки Балт-Систем в программу NC-srcexpl в реальном времени. В связи с этим требуется... этот... станок, на котором можно провести эксперимент и смелость endpoint tester. А все необходимое я подготовлю и вышлю. Добровольцы?
Для тех, кто заметил, предыдущего моего аккаунта не существует, он затерялся в песках...
В современной версии появилась возможность графического отображения этой электросхемы, разумеется при быстрой навигации между исходным кодом и элементами электросхемы. Так же программа теперь стала более доступна и моим коллегам тоже..
Сейчас планируется реализовать многополосный осциллограф-анализатор портов, а так же тестирование стойки с получением информации от самой стойки Балт-Систем в программу NC-srcexpl в реальном времени. В связи с этим требуется... этот... станок, на котором можно провести эксперимент и смелость endpoint tester. А все необходимое я подготовлю и вышлю. Добровольцы?
Для тех, кто заметил, предыдущего моего аккаунта не существует, он затерялся в песках...
- Serg
- Мастер
- Сообщения: 21923
- Зарегистрирован: 17 апр 2012, 14:58
- Репутация: 5183
- Заслуга: c781c134843e0c1a3de9
- Настоящее имя: Сергей
- Откуда: Москва
- Контактная информация:
Re: БалтСистем NC201: мои первые шаги
Если вы так хитрО пытаетесь тут торговать своей программой, то и этот может затеряться... - Администрация сайта очень не любит тех, кто в коммерческом угаре пытаясь "незаметно отрекламироваться" не видит "открытых дверей".JDante писал(а):Для тех, кто заметил, предыдущего моего аккаунта не существует, он затерялся в песках...
Я не Христос, рыбу не раздаю, но могу научить, как сделать удочку...
-
JDante
- Новичок
- Сообщения: 13
- Зарегистрирован: 03 май 2019, 13:02
- Репутация: 4
- Настоящее имя: Dante
- Контактная информация:
Re: БалтСистем NC201: мои первые шаги
Предупреждение предельно красноречиво, благодарю. Я в курсе, в каких разделах форума размещаются объявления купли продажи. И веду проект, аналогичный десяткам, обсуждаемых на этом форуме, будь то на какой то программно-аппаратной платформе или будь то чисто электронная схема или иное решение. Думаю, на этом форуме найдется немало людей, кого заинтересует этот проект, а так же кто заинтересуется в том, чтобы решения на базе Балт-Систем были более просты в реализации. Я чем то нарушил условия этого форума?UAVpilot писал(а):Если вы так хитрО пытаетесь тут торговать своей программой, то и этот может затеряться... - Администрация сайта очень не любит тех, кто в коммерческом угаре пытаясь "незаметно отрекламироваться" не видит "открытых дверей".JDante писал(а):Для тех, кто заметил, предыдущего моего аккаунта не существует, он затерялся в песках...
На счет затеряться в песках... точнее из-за непоняток с доменной политикой одной организации... Подскажите пожалуйста, я не нашел, где ссылка, по которой можно связаться с администрацией этого форума, не регистрируясь заново, и восстановить доступ к аккаунту? Пришлось создавать новый.
-
aftaev
- Зачётный участник

- Сообщения: 34042
- Зарегистрирован: 04 апр 2010, 19:22
- Репутация: 6194
- Откуда: Казахстан.
- Контактная информация:
Re: БалтСистем NC201: мои первые шаги
Не смогли или не захотели?JDante писал(а):rоторый не смогли пустить ни модернизаторы, ни команда, хм, специалистов, оного заводика... целый год!
ОдЫн заказчик такое тоже про нас рассказывает: мол не смогли запустить. Но почему то умалчивает что он не выполнил своих обязательств и не сделал предоплату, все потом, потом, вы только делайте ... Таким образом мы на том заводике "модернизируем" станок уже третий год
Дилетанту сложные вещи кажутся очень простыми, и только профессионал понимает насколько сложна самая простая вещь
Кто хочет - ищет возможности, кто не хочет - ищет оправдание.
Найди работу по душе и тебе не придется работать.
Кто хочет - ищет возможности, кто не хочет - ищет оправдание.
Найди работу по душе и тебе не придется работать.
- Serg
- Мастер
- Сообщения: 21923
- Зарегистрирован: 17 апр 2012, 14:58
- Репутация: 5183
- Заслуга: c781c134843e0c1a3de9
- Настоящее имя: Сергей
- Откуда: Москва
- Контактная информация:
Re: БалтСистем NC201: мои первые шаги
Пока нет, но в таком ракурсе ваш пост ни о чём - ни подробностей, ни условий получения и т.п. Может я и не прав в отношении вас, но примерно так начинают многие спамеры...JDante писал(а):Я чем то нарушил условия этого форума?
И возможно такое вот моё предупреждение поможет сразу сделать всё правильно.
Я не Христос, рыбу не раздаю, но могу научить, как сделать удочку...
-
JDante
- Новичок
- Сообщения: 13
- Зарегистрирован: 03 май 2019, 13:02
- Репутация: 4
- Настоящее имя: Dante
- Контактная информация:
Re: БалтСистем NC201: мои первые шаги
Как в воду глядел! Я такого же мнения, поэтому тоже уже не имею дел с этим заводиком. Тем более, какое совпадение, на этом заводике стоит куча недостроя - модернизаторы начинали делать станок, потом пропадали - и так несколько станков)))). Ну и нагибает, этот, ..., словом, руководство, местных асушников - мол, давайте, братья, запустим этот хлам. Я, жаль, не написал в исходниках стойки, мол хозяин маленько кидает своих контрагентов, а жаль... забываю уже хитрости, которым меня обучали мои учителя - программисты.aftaev писал(а):Не смогли или не захотели?JDante писал(а):rоторый не смогли пустить ни модернизаторы, ни команда, хм, специалистов, оного заводика... целый год!
ОдЫн заказчик такое тоже про нас рассказывает: мол не смогли запустить. Но почему то умалчивает что он не выполнил своих обязательств и не сделал предоплату, все потом, потом, вы только делайте ... Таким образом мы на том заводике "модернизируем" станок уже третий год
А вы, уважаемый aftaev, на каких условиях подряжались? Договор, предоплата, или же честное слово? Я вот работал на честном слове.. увы, это сейчас не в чести...
-
aftaev
- Зачётный участник

- Сообщения: 34042
- Зарегистрирован: 04 апр 2010, 19:22
- Репутация: 6194
- Откуда: Казахстан.
- Контактная информация:
Re: БалтСистем NC201: мои первые шаги
У нас ИП, договоры составляем. Договор составили. Оплата вот вот поступит - начинайте. Начали делать. Предоплаты нет. Смотрим странности на заводике происходят: роботягами бегают за дирехтором клянчат з/п. Нашли тех кто до нас не "смог модернизировать". Пообщались и поняли что ловить нечего. А диреХтор теперь и про нас рассказывает что мы не смоглиJDante писал(а):А вы, уважаемый aftaev, на каких условиях подряжались? Договор, предоплата, или же честное слово?
Если кто то говорит что спецы не смогли какие то, то скорее всего заказчик сам что то не смог выполнить
Дилетанту сложные вещи кажутся очень простыми, и только профессионал понимает насколько сложна самая простая вещь
Кто хочет - ищет возможности, кто не хочет - ищет оправдание.
Найди работу по душе и тебе не придется работать.
Кто хочет - ищет возможности, кто не хочет - ищет оправдание.
Найди работу по душе и тебе не придется работать.
-
JDante
- Новичок
- Сообщения: 13
- Зарегистрирован: 03 май 2019, 13:02
- Репутация: 4
- Настоящее имя: Dante
- Контактная информация:
Re: БалтСистем NC201: мои первые шаги
Я хорошо понял и ваша позиция мне по душе, ибо в своем огороде так же не люблю когда топчут мои огурцы. Поэтому отвечу откровенно. Я хотел работать в этой сфере, несколько месяцев изучал, в результате родилась эта программа. Для собственного применения. И программа изначально имела интерфейс, понятный и удобный - только моему мышлению. А после очередного кидалова со стороны заказчика у меня нет ни доступа к промышленным стойкам, ни возможности эту программу развивать. Вот и ищу людей, которые бы схотели бы мне в этом помочь - на своем железе - есть же практика beta - тестирования. Не знаю, может, в Балт-Систем стойку попрошу). И я не спамер. Я программер. И этот проект, хотя я в нем уже и не заинтересован, практически, довел до того уровня, когда его могут использовать другие люди, не только я. И я даже не знаю, какой интерес вызовет среди форумчан мой проект... А если проект будет полезен, почему бы и не отказываться в помощи, способствующей его развитию? Вот если бы я был модернизатором, мне было бы крайне интересно быстро и оперативно решать проблемы на станках и получить инструмент для этих целей - я бы не забыл отблагодарить человека, его создавшего. Тем более, не знаю как вы - скажите - а я не видел ни одного некоммерческого проекта, которым бы заниматься продолжали когда иссякнет интерес - вот и остаются проекты в сети, которые и не работают толком - что не запустишь, тут же ошибка вылезает! Видели бы вы, как на этом заводике народ насается еще со стрелочными приборами вокруг станков с ЧПУ.... я так не могу. Они не понимают, что чтобы не терять зря время, нужны знания, кадры и инструменты - может и хорошо, что не понимают - мы будем развиваться и предлагать новые решения! И ваш форум - несомненно хорошая платформа, чтобы общаться людям со схожими интересами. Куда нам еще податься? По поводу ваших справедливых вопросов, мне хотелось бы видеть проект, который будет одинаково доступен и для свободного пользования и для профессионального использования. Если есть идеи, как заниматься проектом и при этом не заботиться о том, как бы совместить его с работой, предлагайте. Я вот всю голову уже сломал, ибо мне по душе творить, нежели заботиться о том, заплатят мне или нет, или в очередной раз пошлют. Может, найду работку, когда будет и море стоек и зп соответствующая) Может, даже на этом форуме, кто знает!UAVpilot писал(а):Пока нет, но в таком ракурсе ваш пост ни о чём - ни подробностей, ни условий получения и т.п. Может я и не прав в отношении вас, но примерно так начинают многие спамеры...JDante писал(а):Я чем то нарушил условия этого форума?
И возможно такое вот моё предупреждение поможет сразу сделать всё правильно.
-
aftaev
- Зачётный участник

- Сообщения: 34042
- Зарегистрирован: 04 апр 2010, 19:22
- Репутация: 6194
- Откуда: Казахстан.
- Контактная информация:
Re: БалтСистем NC201: мои первые шаги
Напиши интерфейс под Lcnc и продавай или донаты собирайJDante писал(а):Куда нам еще податься?
Дилетанту сложные вещи кажутся очень простыми, и только профессионал понимает насколько сложна самая простая вещь
Кто хочет - ищет возможности, кто не хочет - ищет оправдание.
Найди работу по душе и тебе не придется работать.
Кто хочет - ищет возможности, кто не хочет - ищет оправдание.
Найди работу по душе и тебе не придется работать.