Как уменьшить напряжение с 12 до 10В

Контроллеры, драйверы, датчики, управляющие устройства.
Аватара пользователя
Nick
Мастер
Сообщения: 22776
Зарегистрирован: 23 ноя 2009, 16:45
Репутация: 1735
Заслуга: Developer
Откуда: Gatchina, Saint-Petersburg distr., Russia
Контактная информация:

Как уменьшить напряжение с 12 до 10В

Сообщение Nick »

Вопрос от человека который в электронике :monkey:. Есть БП от компьютера, на выходе есть 5,7, 12, и 24 вольта как мне из этого получить 10?
Интуиция подсказывает, что нужно взять 12В и подключить резистор, но какой и как?

И на всякий случай, если шим на контроллере так и не заработает как получить 1В?

Разрешаю поиздеваться, но сначала ответьте на вопрос :)!
Impartial
Мастер
Сообщения: 953
Зарегистрирован: 23 фев 2011, 01:50
Репутация: 36
Контактная информация:

Re: Как уменьшить напряжение с 12 до 10В

Сообщение Impartial »

А ток какой?
Самый простой вариант поставить несколько диодов последовательно.
По идее около 3х.
_taras_
Мастер
Сообщения: 546
Зарегистрирован: 16 мар 2011, 15:19
Репутация: 69
Контактная информация:

Re: Как уменьшить напряжение с 12 до 10В

Сообщение _taras_ »

Напиши более подробно для чего. Т.к. могут быть разные решения
zilk
Опытный
Сообщения: 139
Зарегистрирован: 07 янв 2012, 19:05
Репутация: 1
Откуда: Украина, Харьков
Контактная информация:

Re: Как уменьшить напряжение с 12 до 10В

Сообщение zilk »

Nick писал(а):как мне из этого получить 10?
Микросема типа LM7810, имеет всего 3 ноги, вход, выход и общий, ток до 1 А., стоит 3 копейки в базарный день. Это все! :)
Аватара пользователя
Nick
Мастер
Сообщения: 22776
Зарегистрирован: 23 ноя 2009, 16:45
Репутация: 1735
Заслуга: Developer
Откуда: Gatchina, Saint-Petersburg distr., Russia
Контактная информация:

Re: Как уменьшить напряжение с 12 до 10В

Сообщение Nick »

Мне надо мощность лазера регулировать, у него управление мощностью насколько я понимаю по напряжению 0-10В.
подключение блока питания лазера.png (7511 просмотров) <a class='original' href='./download/file.php?id=4735&mode=view' target=_blank>Загрузить оригинал (54.44 КБ)</a>
Есть контроллер от PL, в нем насколько я понимаю есть шим. У разъема ШИМ есть 3 провода - 0, вход +10В и выход. Пробовал на вход подавать 12В и 5В, на выходе имею 0, мерил тестером. ШИМ вроде работает, когда ставил выходную частоту pwmgen 100Гц, было слышно низкий гул, поднял частоту до 4000, вместо гула есть слабый писк, который меняется в зависимости от выходного значения pwmgen, но на выходе все равно на тестере 0. Написал в PL, там мне сказали, что нужно ровно 10В иначе работать не будет.

Может я что-то не так делаю?
aftaev
Зачётный участник
Зачётный участник
Сообщения: 34042
Зарегистрирован: 04 апр 2010, 19:22
Репутация: 6194
Откуда: Казахстан.
Контактная информация:

Re: Как уменьшить напряжение с 12 до 10В

Сообщение aftaev »

Nick, сунь тестер(мультиметр) в №4 и в №6 и замерь напряжение

:attention: у тебя входы там TTL принимают ШИМ зачем туды 10В сувать :attention:
Дилетанту сложные вещи кажутся очень простыми, и только профессионал понимает насколько сложна самая простая вещь
Кто хочет - ищет возможности, кто не хочет - ищет оправдание.
Найди работу по душе и тебе не придется работать.
_taras_
Мастер
Сообщения: 546
Зарегистрирован: 16 мар 2011, 15:19
Репутация: 69
Контактная информация:

Re: Как уменьшить напряжение с 12 до 10В

Сообщение _taras_ »

По основному вопросу :)
Самый простой способ :)
Аватара пользователя
Nick
Мастер
Сообщения: 22776
Зарегистрирован: 23 ноя 2009, 16:45
Репутация: 1735
Заслуга: Developer
Откуда: Gatchina, Saint-Petersburg distr., Russia
Контактная информация:

Re: Как уменьшить напряжение с 12 до 10В

Сообщение Nick »

aftaev писал(а):Nick, сунь тестер(мультиметр) в №4 и в №6 и замерь напряжение
Там вроде 5 вольт.
aftaev писал(а): у тебя входы там TTL принимают ШИМ зачем туды 10В сувать
А что такое ttl? Просто с ШИМ я могу получить 0-10В => могу получить 0-5В, просто входное значение буду делить на 2 и все.
_taras_ писал(а):По основному вопросу Самый простой способ
Хмм... тогда придется -5 на землю пихать, а эта земля будет общей с лазером, не потечет ли туба ток? Хотелось бы, чтобы земля землей осталась.
aftaev
Зачётный участник
Зачётный участник
Сообщения: 34042
Зарегистрирован: 04 апр 2010, 19:22
Репутация: 6194
Откуда: Казахстан.
Контактная информация:

Re: Как уменьшить напряжение с 12 до 10В

Сообщение aftaev »

Nick писал(а):А что такое ttl?
Яж давал ссылку http://ru.wikipedia.org/wiki/Transistor ... stor_logic
Как правило такие микросхемы работают ДО 5 ВОЛЬТ. TTL определяет сколько вольт = 0 а сколько в=1. Большинство устройств PIC, Atmel. МЕСА и тд.. совместимы с TTL сигналами.

LPT порт выдает сигналы в TTL и твой БП принимает TTL. Ему нужно подать ШИМ с размахом не более 5в иль по другому воткнуть вход БП прям на выход LPT с опторазвязкой.
Nick писал(а):Там вроде 5 вольт.
И ты хош засунуть туды 10в.
Nick писал(а):Хмм... тогда придется -5 на землю пихать, а эта земля будет общей с лазером, не потечет ли туба ток? Хотелось бы, чтобы земля землей осталась.
к БП подключается общий + сигнал ШИМ снятый с LPT.

Не путай ШИМ +-10В промышленный стандарт с ШИМ ТТЛ логикой Твой БП лазера ЭТО не СЕРВА которой нужно +-10В
Дилетанту сложные вещи кажутся очень простыми, и только профессионал понимает насколько сложна самая простая вещь
Кто хочет - ищет возможности, кто не хочет - ищет оправдание.
Найди работу по душе и тебе не придется работать.
aftaev
Зачётный участник
Зачётный участник
Сообщения: 34042
Зарегистрирован: 04 апр 2010, 19:22
Репутация: 6194
Откуда: Казахстан.
Контактная информация:

Re: Как уменьшить напряжение с 12 до 10В

Сообщение aftaev »

Замкни выводы 4 и 5 если лазер включится заначит подключаешь так:
ШИМ.JPG (7499 просмотров) <a class='original' href='./download/file.php?id=4738&mode=view' target=_blank>Загрузить оригинал (69.54 КБ)</a>
Если не включится замкни 5 и 6
Не замыкай 4 и 6
Дилетанту сложные вещи кажутся очень простыми, и только профессионал понимает насколько сложна самая простая вещь
Кто хочет - ищет возможности, кто не хочет - ищет оправдание.
Найди работу по душе и тебе не придется работать.
Аватара пользователя
Nick
Мастер
Сообщения: 22776
Зарегистрирован: 23 ноя 2009, 16:45
Репутация: 1735
Заслуга: Developer
Откуда: Gatchina, Saint-Petersburg distr., Russia
Контактная информация:

Re: Как уменьшить напряжение с 12 до 10В

Сообщение Nick »

а, кажись понял... спасибо...

А как сделать опторазвязку, чтобы с lpt стырить сигнал? И как его стырить с нужного пина, если разъем lpt втыкается в контроллер :thinking: ?


С 4-5 пробовал фигачит со всей дури лазером :freak:.
aftaev
Зачётный участник
Зачётный участник
Сообщения: 34042
Зарегистрирован: 04 апр 2010, 19:22
Репутация: 6194
Откуда: Казахстан.
Контактная информация:

Re: Как уменьшить напряжение с 12 до 10В

Сообщение aftaev »

Nick писал(а):С 4-5 пробовал фигачит со всей дури лазером .
Значит то что нам и нужно. Вот скважность ШИМа и будет определять МОЩЬ лазера :)
Nick писал(а):И как его стырить с нужного пина, если разъем lpt втыкается в контроллер
Разбираешь свой контроллер. Находишь в нем пин LPT на котором уже висит ШИМ. Нежно и ласково его отпаиваешь от платы(когда будешь отпаивать выдерни паяльник из сети, а сам дотронься до батареии на нескоько сек) или перезаешь дорожку на печатке и припаиваешь туды Резистор и далее припаиваешь оптопару как по схеме нарисовал.

А возможно там в контроллере уже есть опторазвязка (оптопары) которые не используются. Вот их в наглую отключи от схемы и припаяй что тебе нужно и ВСЕ!
Схему покаж твоего контроллера со снятой крышкой.
Дилетанту сложные вещи кажутся очень простыми, и только профессионал понимает насколько сложна самая простая вещь
Кто хочет - ищет возможности, кто не хочет - ищет оправдание.
Найди работу по душе и тебе не придется работать.
aftaev
Зачётный участник
Зачётный участник
Сообщения: 34042
Зарегистрирован: 04 апр 2010, 19:22
Репутация: 6194
Откуда: Казахстан.
Контактная информация:

Re: Как уменьшить напряжение с 12 до 10В

Сообщение aftaev »

Возвращаемся к ТТЛ
Ликбез #18
Дилетанту сложные вещи кажутся очень простыми, и только профессионал понимает насколько сложна самая простая вещь
Кто хочет - ищет возможности, кто не хочет - ищет оправдание.
Найди работу по душе и тебе не придется работать.
Аватара пользователя
Nick
Мастер
Сообщения: 22776
Зарегистрирован: 23 ноя 2009, 16:45
Репутация: 1735
Заслуга: Developer
Откуда: Gatchina, Saint-Petersburg distr., Russia
Контактная информация:

Re: Как уменьшить напряжение с 12 до 10В

Сообщение Nick »

Батареи касаться, чтобы заземлиться? Так у нас давно трубы пластиковые, от них земля не ахти какая...
Вложения
контроллер для лазерного резака с чпу.JPG (7489 просмотров) <a class='original' href='./download/file.php?id=4741&mode=view' target=_blank>Загрузить оригинал (751.06 КБ)</a>
aftaev
Зачётный участник
Зачётный участник
Сообщения: 34042
Зарегистрирован: 04 апр 2010, 19:22
Репутация: 6194
Откуда: Казахстан.
Контактная информация:

Re: Как уменьшить напряжение с 12 до 10В

Сообщение aftaev »

Nick писал(а):Батареи касаться, чтобы заземлиться?
что статику снять :)

Фото твоего мультика
и
ФОТО Крупным планом это:
123.JPG (7487 просмотров) <a class='original' href='./download/file.php?id=4742&mode=view' target=_blank>Загрузить оригинал (214.21 КБ)</a>


1. название оптопар напиши
2. на каком выводе у тебя будет ШИМ?
3. Проследи по разводке на плате примерно куда идет ШИМ?
Последний раз редактировалось aftaev 26 мар 2012, 18:51, всего редактировалось 1 раз.
Дилетанту сложные вещи кажутся очень простыми, и только профессионал понимает насколько сложна самая простая вещь
Кто хочет - ищет возможности, кто не хочет - ищет оправдание.
Найди работу по душе и тебе не придется работать.
aftaev
Зачётный участник
Зачётный участник
Сообщения: 34042
Зарегистрирован: 04 апр 2010, 19:22
Репутация: 6194
Откуда: Казахстан.
Контактная информация:

Re: Как уменьшить напряжение с 12 до 10В

Сообщение aftaev »

Пурики как дети, микрухи затерли. Кому нужно все равно узнает
Да и покаж ссылку на свой контроллер мож там что написано
Последний раз редактировалось aftaev 26 мар 2012, 18:55, всего редактировалось 1 раз.
Дилетанту сложные вещи кажутся очень простыми, и только профессионал понимает насколько сложна самая простая вещь
Кто хочет - ищет возможности, кто не хочет - ищет оправдание.
Найди работу по душе и тебе не придется работать.
Аватара пользователя
Nick
Мастер
Сообщения: 22776
Зарегистрирован: 23 ноя 2009, 16:45
Репутация: 1735
Заслуга: Developer
Откуда: Gatchina, Saint-Petersburg distr., Russia
Контактная информация:

Re: Как уменьшить напряжение с 12 до 10В

Сообщение Nick »

Оптопары это белые такие?
Что-то вроде
748
P521
GR.


ШИМ выходит где-то тут:
контроллер для чпу шим.JPG (7483 просмотра) <a class='original' href='./download/file.php?id=4744&mode=view' target=_blank>Загрузить оригинал (308.51 КБ)</a>
Вот крупно:
контроллер для чпу.JPG (7483 просмотра) <a class='original' href='./download/file.php?id=4743&mode=view' target=_blank>Загрузить оригинал (1.33 МБ)</a>
aftaev писал(а):Пурики как дети, микрухи затерли. Кому нужно все равно узнает
Меня тоже это все время прет :). Надо им номера на банкнотах затирать, при оплате товара :hehehe:
aftaev
Зачётный участник
Зачётный участник
Сообщения: 34042
Зарегистрирован: 04 апр 2010, 19:22
Репутация: 6194
Откуда: Казахстан.
Контактная информация:

Re: Как уменьшить напряжение с 12 до 10В

Сообщение aftaev »

Да и покаж ссылку на свой контроллер мож там что написано
Дилетанту сложные вещи кажутся очень простыми, и только профессионал понимает насколько сложна самая простая вещь
Кто хочет - ищет возможности, кто не хочет - ищет оправдание.
Найди работу по душе и тебе не придется работать.
Аватара пользователя
Nick
Мастер
Сообщения: 22776
Зарегистрирован: 23 ноя 2009, 16:45
Репутация: 1735
Заслуга: Developer
Откуда: Gatchina, Saint-Petersburg distr., Russia
Контактная информация:

Re: Как уменьшить напряжение с 12 до 10В

Сообщение Nick »

Вот: там в архиве два файла, нужен тот, который lpt http://purelogic.ru/doc/PDF/Controller/PLC545-USB.zip
aftaev
Зачётный участник
Зачётный участник
Сообщения: 34042
Зарегистрирован: 04 апр 2010, 19:22
Репутация: 6194
Откуда: Казахстан.
Контактная информация:

Re: Как уменьшить напряжение с 12 до 10В

Сообщение aftaev »

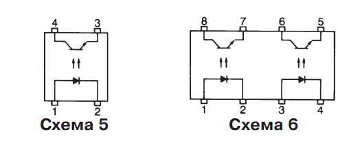
Вот твои оптопары:
Оптопара 521.JPG
Оптопара 521.JPG (10.9 КБ) 7482 просмотра
Вход у них 1-2 выход 3-4. Хорошо.

Теперь какие выходы у LPT у тебя свободны?
Дилетанту сложные вещи кажутся очень простыми, и только профессионал понимает насколько сложна самая простая вещь
Кто хочет - ищет возможности, кто не хочет - ищет оправдание.
Найди работу по душе и тебе не придется работать.
Ответить

Вернуться в «Электроника»