Как состыковать YASKAWA SGDV c ЧПУ SINUMERIK 808D
Re: Как состыковать YASKAWA SGDV c ЧПУ SINUMERIK 808D
Вопрос к знатокам привода СИГМА 5.
Привод YASKAWA SGDV с мотором SGMGV от кнопок управления ЧПУ SINUMERIK 808D без подключенной механики гонял на разных скоростях. Всё хорошо. После подсоединения ШВП с суппортом при движении на малых и средних скоростях возникает гул. Движение равномерное. В связи с этим возник вопрос:
Существует ли в servopack СИГМА 5 (SGDV) режим автонастройки с нагрузкой при выбранном режиме управления приводом "Position Control with Pulse Train Reference". Или какими параметрами попробовать устранить "возбуждение".
Привод YASKAWA SGDV с мотором SGMGV от кнопок управления ЧПУ SINUMERIK 808D без подключенной механики гонял на разных скоростях. Всё хорошо. После подсоединения ШВП с суппортом при движении на малых и средних скоростях возникает гул. Движение равномерное. В связи с этим возник вопрос:
Существует ли в servopack СИГМА 5 (SGDV) режим автонастройки с нагрузкой при выбранном режиме управления приводом "Position Control with Pulse Train Reference". Или какими параметрами попробовать устранить "возбуждение".
-
aftaev
- Зачётный участник

- Сообщения: 34042
- Зарегистрирован: 04 апр 2010, 19:22
- Репутация: 6194
- Откуда: Казахстан.
- Контактная информация:
Re: Как состыковать YASKAWA SGDV c ЧПУ SINUMERIK 808D
у более младшей сервы SGDH в SigmaWin можно было запустить автонастройку, серва таскает стол туды сюды несколько раз и предварительно настраивает серву. Думаю в SGDV така фишка должна быть.
Дилетанту сложные вещи кажутся очень простыми, и только профессионал понимает насколько сложна самая простая вещь
Кто хочет - ищет возможности, кто не хочет - ищет оправдание.
Найди работу по душе и тебе не придется работать.
Кто хочет - ищет возможности, кто не хочет - ищет оправдание.
Найди работу по душе и тебе не придется работать.
- mhael
- Мастер
- Сообщения: 2443
- Зарегистрирован: 09 мар 2013, 11:22
- Репутация: 769
- Настоящее имя: Ильдар
- Контактная информация:
Re: Как состыковать YASKAWA SGDV c ЧПУ SINUMERIK 808D
Можете все посмотреть, лишним не будет
А вообще сам автотюнинг заснят с 13:58
http://www.youtube.com/watch?v=_9TW9wod ... detailpage
А вообще сам автотюнинг заснят с 13:58
http://www.youtube.com/watch?v=_9TW9wod ... detailpage
Re: Как состыковать YASKAWA SGDV c ЧПУ SINUMERIK 808D
С помощью советов с нескольких форумов станок работает месяца два в 2-х сменном режиме.
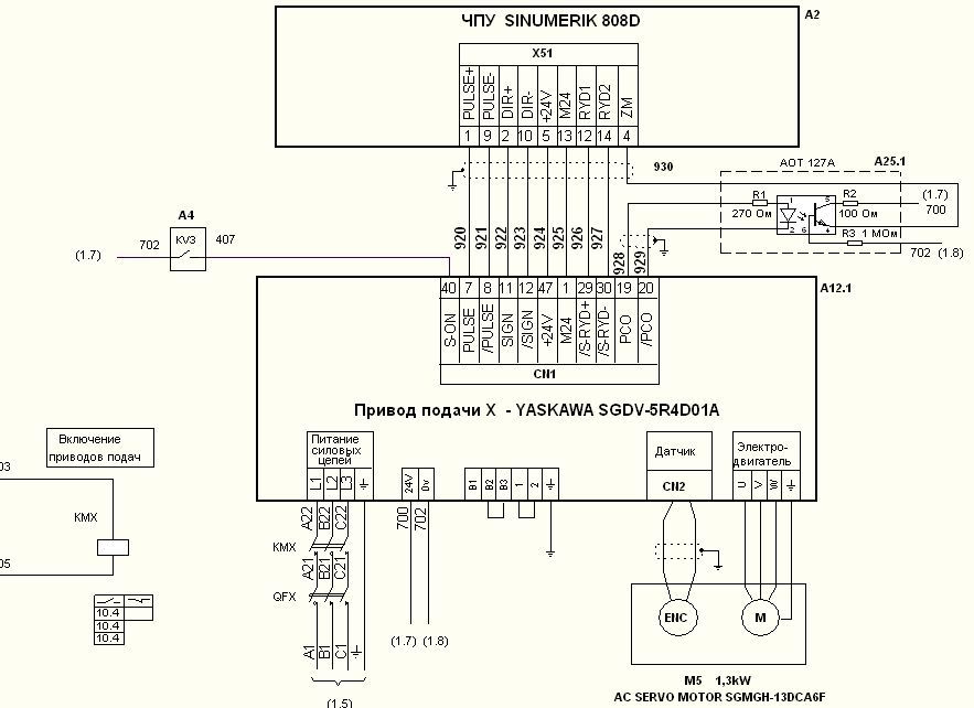
Но иногда (не всегда) по координате Х в режиме ЧПУ "Выход в ноль" выходит в разные позиции. Смещение бывает разное: то 0,25мм, то несколько миллиметров. По координате Z -стабильно. Схема реализована одинаково (во вложении). Как бы происходит ложное срабатывание Нуль-метки. Узел оптронной развязки Нуль-меток обоих координат (с 5-ти вольт YASKAWA на 24-е вольта ЧПУ 808D) выполнен с экранированными проводами, в экранированной коробочке.
Какие советы предложите на этот случай? Станок от меня далековато (в области). В YASKAWA может какими параметрами попробовать?
Но иногда (не всегда) по координате Х в режиме ЧПУ "Выход в ноль" выходит в разные позиции. Смещение бывает разное: то 0,25мм, то несколько миллиметров. По координате Z -стабильно. Схема реализована одинаково (во вложении). Как бы происходит ложное срабатывание Нуль-метки. Узел оптронной развязки Нуль-меток обоих координат (с 5-ти вольт YASKAWA на 24-е вольта ЧПУ 808D) выполнен с экранированными проводами, в экранированной коробочке.
Какие советы предложите на этот случай? Станок от меня далековато (в области). В YASKAWA может какими параметрами попробовать?
Re: Как состыковать YASKAWA SGDV c ЧПУ SINUMERIK 808D
В предыдущем сообщении не вложилась схема.
- Serg
- Мастер
- Сообщения: 21923
- Зарегистрирован: 17 апр 2012, 14:58
- Репутация: 5183
- Заслуга: c781c134843e0c1a3de9
- Настоящее имя: Сергей
- Откуда: Москва
- Контактная информация:
Re: Как состыковать YASKAWA SGDV c ЧПУ SINUMERIK 808D
А если уменьшить скорость "выхода в ноль" раза в два-три?..
Я не Христос, рыбу не раздаю, но могу научить, как сделать удочку...
- mhael
- Мастер
- Сообщения: 2443
- Зарегистрирован: 09 мар 2013, 11:22
- Репутация: 769
- Настоящее имя: Ильдар
- Контактная информация:
Re: Как состыковать YASKAWA SGDV c ЧПУ SINUMERIK 808D
по мне, так схема изначально неверно сделана. Я бы сделал так, чтобы на контроллере в ZM всегда был высокий потенциал, а при импульсе Z-метки с сервы он падал на низкий. Так надежнее.
- Serg
- Мастер
- Сообщения: 21923
- Зарегистрирован: 17 апр 2012, 14:58
- Репутация: 5183
- Заслуга: c781c134843e0c1a3de9
- Настоящее имя: Сергей
- Откуда: Москва
- Контактная информация:
Re: Как состыковать YASKAWA SGDV c ЧПУ SINUMERIK 808D
Дело не в направлении изменения уровня, а в том, когда это изменение заметит ЧПУ на своём обычном (медленном) входе.
Я не Христос, рыбу не раздаю, но могу научить, как сделать удочку...
- mhael
- Мастер
- Сообщения: 2443
- Зарегистрирован: 09 мар 2013, 11:22
- Репутация: 769
- Настоящее имя: Ильдар
- Контактная информация:
Re: Как состыковать YASKAWA SGDV c ЧПУ SINUMERIK 808D
Ну ЧПУ Sinumerik по идее "должно" этот импульс заметить. Вопрос в том, замечает ли его оптопара, которая используется для сопряжения уровней.UAVpilot писал(а):Дело не в направлении изменения уровня, а в том, когда это изменение заметит ЧПУ на своём обычном (медленном) входе.
- Serg
- Мастер
- Сообщения: 21923
- Зарегистрирован: 17 апр 2012, 14:58
- Репутация: 5183
- Заслуга: c781c134843e0c1a3de9
- Настоящее имя: Сергей
- Откуда: Москва
- Контактная информация:
Re: Как состыковать YASKAWA SGDV c ЧПУ SINUMERIK 808D
Заметить-то заметит - вопрос в том когда и сколько за это время проедет привод?..
Я не Христос, рыбу не раздаю, но могу научить, как сделать удочку...
- mhael
- Мастер
- Сообщения: 2443
- Зарегистрирован: 09 мар 2013, 11:22
- Репутация: 769
- Настоящее имя: Ильдар
- Контактная информация:
Re: Как состыковать YASKAWA SGDV c ЧПУ SINUMERIK 808D
В этом согласен. Особенно с учетом "промежуточных стыковых модулей".UAVpilot писал(а):Заметить-то заметит - вопрос в том когда и сколько за это время проедет привод?..