Mesa 5i25+7i77 и фрезерный станок 6Р13ф3
- Lexxa
- Мастер
- Сообщения: 2703
- Зарегистрирован: 16 дек 2011, 16:48
- Репутация: 319
- Настоящее имя: Алексей
- Откуда: ryazan
- Контактная информация:
Re: Mesa 5i25+7i77 и фрезерный станок 6Р13ф3
Хммм, а можно неиспользованные входы энкодера и RS422 использовать в качестве пинов I/O в 7i77, а то не хватает чутка входов((((
- Nick
- Мастер
- Сообщения: 22776
- Зарегистрирован: 23 ноя 2009, 16:45
- Репутация: 1735
- Заслуга: Developer
- Откуда: Gatchina, Saint-Petersburg distr., Russia
- Контактная информация:
Re: Mesa 5i25+7i77 и фрезерный станок 6Р13ф3
А какие у тебя там входы, у энкодера TTL...
- Lexxa
- Мастер
- Сообщения: 2703
- Зарегистрирован: 16 дек 2011, 16:48
- Репутация: 319
- Настоящее имя: Алексей
- Откуда: ryazan
- Контактная информация:
Re: Mesa 5i25+7i77 и фрезерный станок 6Р13ф3
а, блин, точно....
Ну допустим я смогу завязать все недостающие входы на ттл
Просто к ним обращаться типа енкодер5.фаза-а?
Ну допустим я смогу завязать все недостающие входы на ттл
Просто к ним обращаться типа енкодер5.фаза-а?
- Nick
- Мастер
- Сообщения: 22776
- Зарегистрирован: 23 ноя 2009, 16:45
- Репутация: 1735
- Заслуга: Developer
- Откуда: Gatchina, Saint-Petersburg distr., Russia
- Контактная информация:
Re: Mesa 5i25+7i77 и фрезерный станок 6Р13ф3
хммм... наверное так просто не выйдет... пинов таких вроде наружу не торчит... хмммм скинь что у тебя есть сейчас и сколько пинов не хватает, может получится оптимизировать подключение...
- Serg
- Мастер
- Сообщения: 21923
- Зарегистрирован: 17 апр 2012, 14:58
- Репутация: 5183
- Заслуга: c781c134843e0c1a3de9
- Настоящее имя: Сергей
- Откуда: Москва
- Контактная информация:
Re: Mesa 5i25+7i77 и фрезерный станок 6Р13ф3
Переключил входы энкодера в недифф. режим, подал с генератора прямоугольник - реально отловить импульсы длительностью в 2 сервопериода, если короче, то начинает ошибаться.
Вот картинка меандра в 500 Гц:
Входы вроде как подтянуты к +5V (на них примерно +4.6V), однако в неподключенном состоянии могут "залипать" в любом состоянии...
Вот картинка меандра в 500 Гц:
Входы вроде как подтянуты к +5V (на них примерно +4.6V), однако в неподключенном состоянии могут "залипать" в любом состоянии...
Я не Христос, рыбу не раздаю, но могу научить, как сделать удочку...
- Nick
- Мастер
- Сообщения: 22776
- Зарегистрирован: 23 ноя 2009, 16:45
- Репутация: 1735
- Заслуга: Developer
- Откуда: Gatchina, Saint-Petersburg distr., Russia
- Контактная информация:
Re: Mesa 5i25+7i77 и фрезерный станок 6Р13ф3
Ну наверное так и должно быть - если частота не сосвем совпадает с частотой сервопериода - то будут теряться некоторые сигналы. А вот что такой пин есть не знал, был не правUAVpilot писал(а):реально отловить импульсы длительностью в 2 сервопериода, если короче, то начинает ошибаться.
получается по три пина на энкодер:
hm2_5i25.0.encoder.00.input-a
hm2_5i25.0.encoder.00.input-b
hm2_5i25.0.encoder.00.index-a
- Lexxa
- Мастер
- Сообщения: 2703
- Зарегистрирован: 16 дек 2011, 16:48
- Репутация: 319
- Настоящее имя: Алексей
- Откуда: ryazan
- Контактная информация:
Re: Mesa 5i25+7i77 и фрезерный станок 6Р13ф3
На сколько мне известно 5i25 имеет два разъема - P2 и P3 для подключения дочек.
Сейчас мне думается, что когда не хватает портов ввода вывода, а как правило не хватает входов, больно жирно покупать дополнительную плату входов, будть то 7i77 вторая или любая другая на rs-422.
Так вот, почему же до сих пор этот вопрос никто не поднимал?
Ведь достаточно просто изготовить опторазвязку 24V->5V.
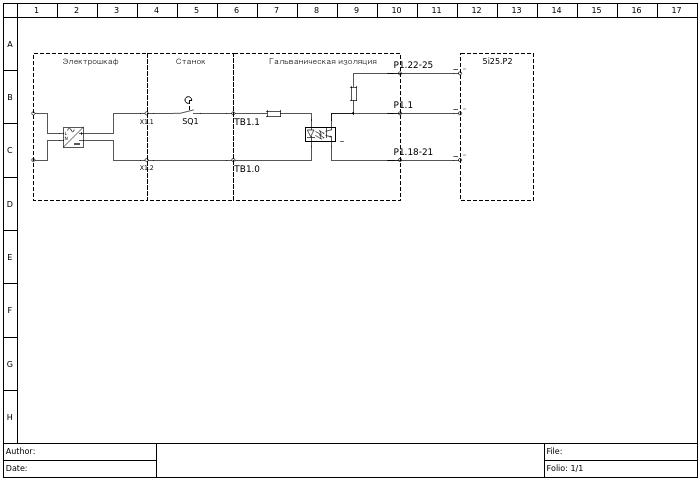
Накидал примитивную схему.
В конце концов печатные платы можно и в китае заказать штук сто, в складчину на весь форум их потом раздать, ну или самостоятельно сделать.
Сейчас мне думается, что когда не хватает портов ввода вывода, а как правило не хватает входов, больно жирно покупать дополнительную плату входов, будть то 7i77 вторая или любая другая на rs-422.
Так вот, почему же до сих пор этот вопрос никто не поднимал?
Ведь достаточно просто изготовить опторазвязку 24V->5V.
Накидал примитивную схему.
В конце концов печатные платы можно и в китае заказать штук сто, в складчину на весь форум их потом раздать, ну или самостоятельно сделать.
-
nkp
- Мастер
- Сообщения: 8340
- Зарегистрирован: 28 ноя 2011, 00:25
- Репутация: 1589
- Контактная информация:
Re: Mesa 5i25+7i77 и фрезерный станок 6Р13ф3
да - актуально,если один разъем все равно пустует...
Lexxa , а откуда схемка?
где то это обсуждалось ?
Lexxa , а откуда схемка?
где то это обсуждалось ?
- Lexxa
- Мастер
- Сообщения: 2703
- Зарегистрирован: 16 дек 2011, 16:48
- Репутация: 319
- Настоящее имя: Алексей
- Откуда: ryazan
- Контактная информация:
Re: Mesa 5i25+7i77 и фрезерный станок 6Р13ф3
накидал попырому.nkp писал(а): откуда схемка
не встречалnkp писал(а):это обсуждалось ?
-
nkp
- Мастер
- Сообщения: 8340
- Зарегистрирован: 28 ноя 2011, 00:25
- Репутация: 1589
- Контактная информация:
Re: Mesa 5i25+7i77 и фрезерный станок 6Р13ф3
вроде подтяжка там уже есть...
- Lexxa
- Мастер
- Сообщения: 2703
- Зарегистрирован: 16 дек 2011, 16:48
- Репутация: 319
- Настоящее имя: Алексей
- Откуда: ryazan
- Контактная информация:
Re: Mesa 5i25+7i77 и фрезерный станок 6Р13ф3
Ну по идее да, там же плиска, а плиска это 3.3V.nkp писал(а):вроде подтяжка там уже есть...
Ну я думаю, что лучше поставить ее.
-
SONIC300077
- Опытный
- Сообщения: 131
- Зарегистрирован: 07 апр 2013, 18:17
- Репутация: 0
- Настоящее имя: Сергей
- Контактная информация:
Re: Mesa 5i25+7i77 и фрезерный станок 6Р13ф3
Ребята мне поставили задачу поставить 4 ось (поворотку) станок 6Р13ф3 платы Mesa 5i25+7i77, какай мотор лучше поставить ? ось будет такого плана!
- vovafed
- Мастер
- Сообщения: 1822
- Зарегистрирован: 08 фев 2013, 16:19
- Репутация: 325
- Настоящее имя: Владимир
- Откуда: башкортостан
- Контактная информация:
Re: Mesa 5i25+7i77 и фрезерный станок 6Р13ф3
по моему такая поворотка слабовата для станка по металлу
-
SONIC300077
- Опытный
- Сообщения: 131
- Зарегистрирован: 07 апр 2013, 18:17
- Репутация: 0
- Настоящее имя: Сергей
- Контактная информация:
Re: Mesa 5i25+7i77 и фрезерный станок 6Р13ф3
поворотка будет мощнее, я не знаю какой мотор можно нормально прикрутить к этой связке Mesa 5i25+7i77, или нужно какую доп плату докупить чтобы Шаговый мотор подключить
?
?
- Serg
- Мастер
- Сообщения: 21923
- Зарегистрирован: 17 апр 2012, 14:58
- Репутация: 5183
- Заслуга: c781c134843e0c1a3de9
- Настоящее имя: Сергей
- Откуда: Москва
- Контактная информация:
Re: Mesa 5i25+7i77 и фрезерный станок 6Р13ф3
Там вроде можно загрузить прошивку 7i77+7i76 и сигналы step/dir снять со второго разъёма 5i25. Надо по исходникам прошивок проверить, а мне сейчас это сложно...
Я не Христос, рыбу не раздаю, но могу научить, как сделать удочку...
-
Piligrym
- Почётный участник

- Сообщения: 180
- Зарегистрирован: 03 дек 2012, 10:05
- Репутация: 22
- Откуда: Московская обл. Можайск
- Контактная информация:
Re: Mesa 5i25+7i77 и фрезерный станок 6Р13ф3
Вот это было бы круто! Может кто нибудь из гуру сможет проверить?UAVpilot писал(а):Там вроде можно загрузить прошивку 7i77+7i76 и сигналы step/dir снять со второго разъёма 5i25. Надо по исходникам прошивок проверить, а мне сейчас это сложно...
-
SONIC300077
- Опытный
- Сообщения: 131
- Зарегистрирован: 07 апр 2013, 18:17
- Репутация: 0
- Настоящее имя: Сергей
- Контактная информация:
Re: Mesa 5i25+7i77 и фрезерный станок 6Р13ф3
А есть еще варианты? может какую доп плату докупить?
- PKM
- Почётный участник

- Сообщения: 4263
- Зарегистрирован: 31 мар 2011, 18:11
- Репутация: 705
- Настоящее имя: Андрей
- Откуда: Украина
- Контактная информация:
Re: Mesa 5i25+7i77 и фрезерный станок 6Р13ф3
Проверено, это работает.UAVpilot писал(а):Там вроде можно загрузить прошивку 7i77+7i76 и сигналы step/dir снять со второго разъёма 5i25
-
SONIC300077
- Опытный
- Сообщения: 131
- Зарегистрирован: 07 апр 2013, 18:17
- Репутация: 0
- Настоящее имя: Сергей
- Контактная информация:
Re: Mesa 5i25+7i77 и фрезерный станок 6Р13ф3
ссылка на прошивку? в поисковик забивал особо не наковырял!PKM писал(а):Проверено, это работает.UAVpilot писал(а):Там вроде можно загрузить прошивку 7i77+7i76 и сигналы step/dir снять со второго разъёма 5i25
