NC-31 ищу компаньона (программирование и электроника)

Контроллеры, драйверы, датчики, управляющие устройства.
T00T
Мастер
Сообщения: 742
Зарегистрирован: 16 дек 2011, 12:07
Репутация: 100
Контактная информация:

Re: NC-31 ищу компаньона (программирование и электроника)

Сообщение T00T »

Больно круто использовать сигнальники для простых задач!!

Я так и знал, что желающих не будет.
Я не волшебник я пока учусь......
Аватара пользователя
Nick
Мастер
Сообщения: 22776
Зарегистрирован: 23 ноя 2009, 16:45
Репутация: 1735
Заслуга: Developer
Откуда: Gatchina, Saint-Petersburg distr., Russia
Контактная информация:

Re: NC-31 ищу компаньона (программирование и электроника)

Сообщение Nick »

Так не понятно пока, что нужно делать...
T00T
Мастер
Сообщения: 742
Зарегистрирован: 16 дек 2011, 12:07
Репутация: 100
Контактная информация:

Re: NC-31 ищу компаньона (программирование и электроника)

Сообщение T00T »

Ок, значит дела у меня щас такие:
Железка есть, которая подключается вместо процессора и озу. В начале программы чпу есть тесты команд процессора железка проходит все тесты. Затем включается основная программа, доходит до определённого места и глючит, но в рабочий режим не выходит. Нужно найти ошибку в работе эмулятора.
Все средства диагностики есть, кто будет помогать дам все схемы и прошивки.
Последнюю ошибку искал таким способом: Записывал в еепром адрес при каждом переходе программы не на следующий адрес в ориг проце и в эмуляторе. Сравнивал как они движутся по дампу - одну нашёл. Есть предложения как искать дальше....но не хватает немного времени в сутках!
Надо собрать пару железок и программатор. И отладить работу...
Я не волшебник я пока учусь......
T00T
Мастер
Сообщения: 742
Зарегистрирован: 16 дек 2011, 12:07
Репутация: 100
Контактная информация:

Re: NC-31 ищу компаньона (программирование и электроника)

Сообщение T00T »

T00T писал(а): Записывал в еепром адрес при каждом переходе программы не на следующий адрес в ориг проце и в эмуляторе. Сравнивал как они движутся по дампу - одну нашёл.

получился файл 32кБ(примерно 2,5 секунды работы!!) состоящий из младших частей адресов переходов, в котором нужно разобраться во всех адрессах, и сравнивая два файла найти разницу. Но учитывая что процессоры асинхронные это очень не просто сделать!!!!

Это я для того на сколько не тривиальна задача
Я не волшебник я пока учусь......
Аватара пользователя
Nick
Мастер
Сообщения: 22776
Зарегистрирован: 23 ноя 2009, 16:45
Репутация: 1735
Заслуга: Developer
Откуда: Gatchina, Saint-Petersburg distr., Russia
Контактная информация:

Re: NC-31 ищу компаньона (программирование и электроника)

Сообщение Nick »

Так есть же инструменты для этого, тот же diff. Давай файлы, я попробую найти различия.
T00T
Мастер
Сообщения: 742
Зарегистрирован: 16 дек 2011, 12:07
Репутация: 100
Контактная информация:

Re: NC-31 ищу компаньона (программирование и электроника)

Сообщение T00T »

В файлах больше отличий чем сходств, но это из за того,что процессоры асинхронные(разная скорость работы процессоров), и в разные моменты и с разной длительностью нажимаешь кнопку отмены ошибки. По дампу нужно выяснять логику работы, а за тем выяснять разницу в логиках работы двух устройств. Всё очень не просто, надо вникнуть в задачу. У тебя НЦ-31 нету наверно?
Я не волшебник я пока учусь......
T00T
Мастер
Сообщения: 742
Зарегистрирован: 16 дек 2011, 12:07
Репутация: 100
Контактная информация:

Re: NC-31 ищу компаньона (программирование и электроника)

Сообщение T00T »

просто проект жалко, много сил потрачено! я его начал пару лет назад, ни о каких ЕМС 2 я ещё не слышал. Но всё равно пользователи НЦ-31 скажут, что очень удобная вещь, не смотря на её недостатки.
Я не волшебник я пока учусь......
T00T
Мастер
Сообщения: 742
Зарегистрирован: 16 дек 2011, 12:07
Репутация: 100
Контактная информация:

Re: NC-31 ищу компаньона (программирование и электроника)

Сообщение T00T »

Nik ты соображаешь в ассемблере и машинных кодах?
Я не волшебник я пока учусь......
Аватара пользователя
Nick
Мастер
Сообщения: 22776
Зарегистрирован: 23 ноя 2009, 16:45
Репутация: 1735
Заслуга: Developer
Откуда: Gatchina, Saint-Petersburg distr., Russia
Контактная информация:

Re: NC-31 ищу компаньона (программирование и электроника)

Сообщение Nick »

T00T писал(а):Nik ты соображаешь в ассемблере и машинных кодах?
Чуть-чуть. В школе пробовали писать 3д графику. Помню было что-то вроде
mov ax, ...
mov bx, ...
int 13h
:).

Станка нет :(...
T00T
Мастер
Сообщения: 742
Зарегистрирован: 16 дек 2011, 12:07
Репутация: 100
Контактная информация:

Re: NC-31 ищу компаньона (программирование и электроника)

Сообщение T00T »

Ну типа того,вот на нём и программировать надо
Я не волшебник я пока учусь......
Аватара пользователя
Nick
Мастер
Сообщения: 22776
Зарегистрирован: 23 ноя 2009, 16:45
Репутация: 1735
Заслуга: Developer
Откуда: Gatchina, Saint-Petersburg distr., Russia
Контактная информация:

Re: NC-31 ищу компаньона (программирование и электроника)

Сообщение Nick »

Ну это то я понимаю. И еще я так понял, что ты написал эмулятор проца, и теперь проводишь его отладку?
T00T
Мастер
Сообщения: 742
Зарегистрирован: 16 дек 2011, 12:07
Репутация: 100
Контактная информация:

Re: NC-31 ищу компаньона (программирование и электроника)

Сообщение T00T »

Да всё верно, просто это очень сложно - всё вроде работает, но где то затыкается
Я не волшебник я пока учусь......
VShaclein
Опытный
Сообщения: 183
Зарегистрирован: 25 авг 2008, 11:36
Репутация: -47
Контактная информация:

Re: NC-31 ищу компаньона (программирование и электроника)

Сообщение VShaclein »

T00T писал(а):Я ж говорю проект на 90% готов
Бывает и такое, что почти готовый проще переделать. Ну если ж готов, то добивайте.
VShaclein
Опытный
Сообщения: 183
Зарегистрирован: 25 авг 2008, 11:36
Репутация: -47
Контактная информация:

Re: NC-31 ищу компаньона (программирование и электроника)

Сообщение VShaclein »

mycnc писал(а):Где=ж его взято-то?
В наличии ни у кого нет. Только обещалки.
А потом - ядро хорошее, а вот периферия сырая, ругани много.
Пока Cortex-M3 рулит
Пока прогу пишет - отладят. Писать для сабжа можно на любом из stm32f
Аватара пользователя
mycnc
Мастер
Сообщения: 913
Зарегистрирован: 03 июл 2011, 02:01
Репутация: 623
Контактная информация:

Re: NC-31 ищу компаньона (программирование и электроника)

Сообщение mycnc »

Конечно, нужно использовать то, что знаете.
Хотя, планировать новый проект на базе хакнутой стойки одна тысяча девятьсот ... затертого года - это круто.
А в чем заключается такая продвинутость этой стойки ?

PS- про stm глупость сказал - как раз сегодня привезли образцы. Будем изучать.
Impartial
Мастер
Сообщения: 953
Зарегистрирован: 23 фев 2011, 01:50
Репутация: 36
Контактная информация:

Re: NC-31 ищу компаньона (программирование и электроника)

Сообщение Impartial »

Все средства диагностики есть, кто будет помогать дам все схемы и прошивки.

Ну так выкладывайте! Только не прошивки, а содержимое ПЗУ стойки и исходники эмулятора.
T00T
Мастер
Сообщения: 742
Зарегистрирован: 16 дек 2011, 12:07
Репутация: 100
Контактная информация:

Re: NC-31 ищу компаньона (программирование и электроника)

Сообщение T00T »

просто многие на ней работают, на ней достаточно просто писать, нет никаких графических дисплеев и прочих заморочек.
Я не волшебник я пока учусь......
T00T
Мастер
Сообщения: 742
Зарегистрирован: 16 дек 2011, 12:07
Репутация: 100
Контактная информация:

Re: NC-31 ищу компаньона (программирование и электроника)

Сообщение T00T »

Кто то просил прошивку - вот последняя
Вложения
Дамп ПЗУ.7z
ыы
(28.05 КБ) 466 скачиваний
Я не волшебник я пока учусь......
T00T
Мастер
Сообщения: 742
Зарегистрирован: 16 дек 2011, 12:07
Репутация: 100
Контактная информация:

Re: NC-31 ищу компаньона (программирование и электроника)

Сообщение T00T »

Кое что
Вложения
Disa.7z
это кусок дизас. дамп, по крайней мере там где проц работает до перехода в рабочий режим
(55.22 КБ) 467 скачиваний
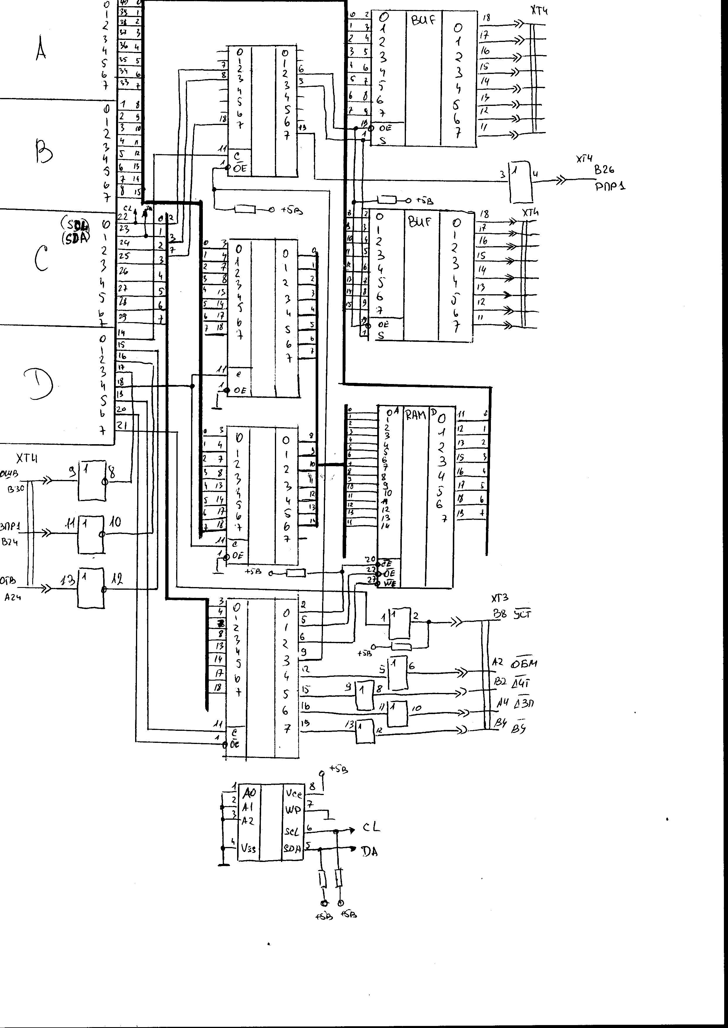
Схема эмулятора.JPG (2188 просмотров) <a class='original' href='./download/file.php?id=3451&mode=view' target=_blank>Загрузить оригинал (714.13 КБ)</a>
Я не волшебник я пока учусь......
Аватара пользователя
mycnc
Мастер
Сообщения: 913
Зарегистрирован: 03 июл 2011, 02:01
Репутация: 623
Контактная информация:

Re: NC-31 ищу компаньона (программирование и электроника)

Сообщение mycnc »

T00T писал(а):просто многие на ней работают, на ней достаточно просто писать, нет никаких графических дисплеев и прочих заморочек.
Не до конца понял идею -
программу пишут вроде как в g-кодах обычно. Графический дисплей, если мешает, можно завесить тряпочкой. Хотя графическая визуализация или хотя бы текст управляющей программы, обычно очень помогают.

А какие еще преимущества у этой стойки ?
Я думал, там что-то реализовано по поводу токарки, чего нет в других системах.
Ответить

Вернуться в «Электроника»